Fórum témák
» Több friss téma |
Köszi!
Utána nézek....
Hali!
Szeretnék építeni egy nagyon kompakt füles erősítőt. Főként valami egyszerű IC-s kapcsolás érdekelne, 2-3 db NIMH akkuról, vagy egy 8,4V-os NIMH-ról kéne üzemelnie. Esetleg valami kis áramfelvételű tranyós is lehet. Előre is köszönöm!
Szervusz!
(nem kioktatás jelleggel) Az előző 43 oldalon többet is találsz... PL Cmoy....
Nincs mit.
De -tapasztalatból mondom- ha van lehetőséged, és nem létszükséglet a kis méret, akkor valami csöves - hibrid - tranyós megoldást keress. Én is megépítettem a Cmoy kapcsolást, akkuról járatva, elsőre nem volt rossz hangja, de a csöves füles után, dobozba került. Így vagyok az LM1875 Shigaraki klónnal is, pedig az is akkuról szól. Szóval - elsőnek nem rossz, de valami mindig hiányozni fog...... Üdv: igi
...elkészítettem a reloop által is szívesen ajánlott ESP erősítőt, amely remekül, hibátlanul működik. Egyetlen kérdésem a letekert poti állásnál is jelentkező ki-be kapcsoláskori koppanásra vonatkozik. (ami normális egyébként). Ki, hogyan használja az erősítőjét, állandó fejhallgató csatlakozó ki-be húzgál, esetleg késleltető kapcsolást alkalmaz?
üdv.: Zoli
Legtöbbször koppanásgátlóval.
Sok esetben másfajta OPA megoldja a koppanás problémát. Amiket szeretek: OPA2107, LME49720HA (TO-99 fém tokos). Ajánlom próbáld ki őket,elképesztő hangjuk van
A kedvencem. A hozzászólás módosítva: Dec 15, 2012
Gondoltam rá, de sokan nem ajánlják a hangminőség romlás miatt. Kíváncsi lennék mennyire hallható ez...
Igaz, valamit valamiért... Köszi.
Köszönöm, jelenleg NJM2068D van benne.
Nem tudom az ajánlott OPA-k milyen változást hoznának ehhez képest.
Hanzásbeli különbséget. De lehetséges hogy a koppanás is megszünik.
OPA2107 nekem nem koppan a fejhallgatóval, igaz direktbe hajtja a fejhallgatót.
Nálam nagyon minimális pattanás hallható bekapcsoláskor, kikapcsoláskor semmi. A kapcsolód nem prellezik? A kapcsoló kuntaktusaira tehetsz 1-10nF 400V kerámia kondit ívoltónak. Lehet megszűnik a problémád.
..egy biztosíték foglalatos, billenőkapcsolós IEC aljzatot használok. Köszönöm, megpróbálom a kondis kiegészítést..
Sziasztok!
Végre megérkezett a Heed Canamp-hoz minden alkatrész, mielött elkészíteném a panelokat megkérlek titeket hogy nézzetek rá a táp panelra hogy így megfelelő-e vagy esetleg még szükség lehet valamire mivel elég sokan szenvednek a zajjal. Előre is köszönöm a segítséget nektek.
1-nek elmegy, viszont az 1ohm-os ellenállás 2 lába össze van kötve, nem sokat ér, és ha anyira szuper tápot akarsz, akkor csinálj valami csillagpostos tápot, akkor biztos nem fog búgni.
Kicsit átrajzoltam, szerintem felesleges a 2x 1000µF meg a 2x 10nF. Igasísd meg az alkatrészeket, szerintem így jobb.
Szia!
Köszi szépen a segítséget a 10nF-os kondikat énsem értettem de sok helyen láttam ezért került bele elsőre. Viszont az 1R ellenállásokkal sok embernek megszűntek a búgások ezért raktam bele ha a pozitív illetve negatív tápfeszültség és a 100nF-os fólia kondenzátorok közé beiktatom az ellenállásokat úgy már megfelelő lesz?
Bocsi rosszul emlékeztem a rajzra, visszakerestem erről lenne szó.
A saját rajzomat módosítottam csak hirtelenjébe nem akartam a tiédbe belenyúlni. Természetesen kiveszem a 10nF-os fóliákat is meg a vezetősávokon is módosítok az ajánlásod szerint csak hogy az ellenállás megfelelően van-e beiktatva most.
Igen, így már van értelme, viszont a földel vigyázni kell, könnyen földhurkos lehet, a csillagpontos földelés a tuti, minden alkatrész fölre meni lába 1 pontba csatlakozik, és onnan 1 szál vezetősáv megy a graezt hidak lábaira.
A táp hibás és nem látom hogy az OPA CRC szűrt tápot kapott volna. Eredeti rajzon egyébként csak ő kap. (100r, 100uF, 100nF)
Azóta már módosításra került a rajz, a legutolsót nézd meg...
Üdv egy ilyen ic-vel lehet jó fej hallgató erősítőt építeni?
De nem úgy lett módosítva ahogy mondtam...
Az adatlapja alapján: nem.
Üdv.
Szia!
Miért pontosan mi hibás a rajzon? Az erősítő panelja szinte 100%ban a cikkben szereplő csak pár kimenetnél vagy bemenetnél a forrpontokhoz raktam csatlakozót.
Valaki kipróbálta már az lme49710 lme49600 párost? Milyen hangja lehet?
Jó estét!
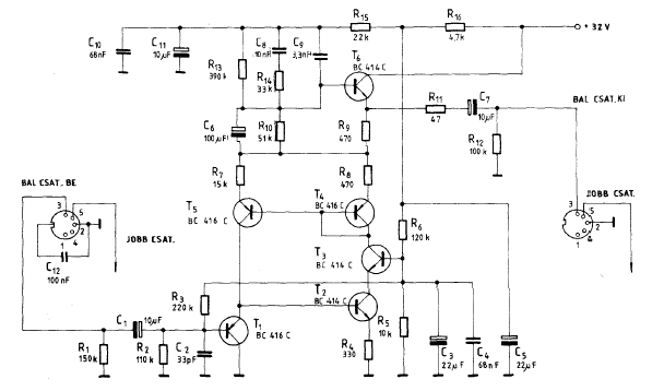
Hatalmas munkával sikerült rekonstruálni a híres germánium tranzisztoros olasz énekhang erősítő egy részletét és újraalkotni korszerűbb félvezetőkkel. Az eredeti mono erősítőből már csak néhány darab létezett olyan hírességek birtokában, mint Tina Turner, Whitney Houston. A rekonstrukció eredménye egy egyfokozatú erősítő, ami mint ilyen természeténél fogva nem termel TIM termékeket, hiszen egyetlen fokozatot tartalmaz. A kapcsolás képes kiszolgálni 600ohm-os fejhallgatókat. A kisebb impedanciás fejhallgatók miatt kialakításra került egy AB osztályú kimenetet is tartalmazó változat. A látszólag egyszerű kapcsolásban a tranzisztorok több feladatot is elláttak egyszerre, az akkori divatnak megfelelően. Így lehetséges az, hogy egyetlen fokozat egyszerre áram visszacsatolt feszültség erősítő és illesztő is egyben. A kimeneti jel szimmetriáját az alsó nagy értékű ellenállással lehet állítani, amíg a nyugalmi áramot a felsővel. Jó beállítás esetén 20Vpp érhető el 15mA nyugalmi áram mellett. A kapcsolás zeneisége egyszerűen utolérhetetlen.
Nem, de tervben van. Nem olcsó mulattság, de megéri mert a hangja az teljes mértékben kifogástalan, hibátlan. Főleg ha a TO-99 tokos opát használod.
Természetesen egy jól megépített táppal szól a legjobban.
Üdv! Egy kis adalék T1 lineárisabb működésének támogatásához, az áramgenerátor ugyan az. HFM1
|
Bejelentkezés
Hirdetés |






Természetesen egy jól megépített táppal szól a legjobban. 




