Fórum témák
» Több friss téma |
tényleg schottky
![]() na de 200V-ot bír, nekem meg csak 48V van/lesz, szóval nem lehet gondja. Azon töröm a fejem, hogy ha greatz-et rakok bele, akkor pont hogy nem tud elmenni a szimmetria ![]() Illetve csak akkor, ha túl lesz terhelve a táp... de az nem fog megesni. (készül a rajz, most már greatz-el
Hát végülis nem drága, lődd el a schottkyt, nem kár érte, de szólok, hogy ezt tapasztalatból tudom. 48 V lesz DC-ben, de a diódákra záró irányban eleve a teljes táp (2*48V) jut, ráadásul a 48 V úgy áll elő, hogy kb. 60 V-os négyszöget visszaszabályzol PWM-ben, tehát 2*60 V biztos jut rájuk, és most jön a kegyelemdöfés: átkapcsoláskor egy óriási lengés alakul ki a graetz és a fojtó közös pontján, kb. 100 %-nyi, így simán kialakul 200 V fölötti feszültség, ami azonnal megöl 1 diódát, és innentől zárlatban van az áramkör. Egy sima 200 V-os pn diódának viszont nem lesz semmi baja.
tehát akkor kb. 60V-osra kéne tekernem a trafót is?
és vajon nem lenne gond a sima pn dióda sebességével? tudnál esetleg típust ajánlani?
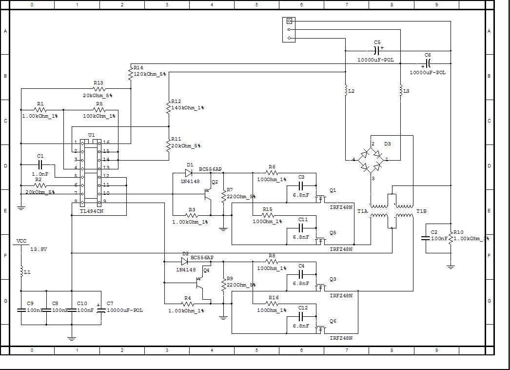
Íme a rajz... valószínűleg még nem végleges.
Igen. Csak így tudod terhelés alatt is tartani a 48 V-ot.
Szinte bármilyen gyors dióda jó, pl. MUR820. A gate-meghajtó lehetne erősebb (sokkal kisebb soros gate-ellenállás), R7, R9 fölösleges. A visszacsatolás így nem jó. Az összegfeszültséget kellene visszacsatolni, és a belső műveleti erősítőket nem szabad szabadon hagyni, be kell állítani egy megfelelő véges erősítést, hogy stabil legyen a szabályzási kör.
A véges erősítést hogy érted? A 3-mas lábról, mint kimenetről csatoljam vissza őket?
Miért nem jó így, hogy a két külön ágról csatoltam vissza? A gate-eken lévő 100Ohm-os ellenállás helyett nem tudok kisebbet tenni, mert azt már nem bírja el a TL494
Jelenleg a hibaerősítő erősítése közel végtelen. Ennek ellentéte a véges. Vagyis pl. 20-szoros. Igen, a 3-as lábról.
Gondold végig, mi történik, ha az egyik oldali elkó föl van töltve annyira, hogy éppen letiltja a TL494 egyik opa-ját, és nem terheled, a másik oldalt viszont terheled! Idézet: „A gate-eken lévő 100Ohm-os ellenállás helyett nem tudok kisebbet tenni, mert azt már nem bírja el a TL494” Elbírja az! Csak néhányszáz ns-ig kell bírnia, ez pedig nem okoz neki gondot!
Az nem okozhat problémát, hogy a vezérlésben esetleg lesz egy kis aszimmetria? Nem látok a rajzon áramfigyelést...
Okozhat. Oda kell figyelni, hogy ne legyen aszimmetria! Bizony, áramfigyelés is kellene.
Az áramfigyelést hogyan tudnám megoldani?
Kell a kimenetre soros ellenállás? Milyen gondot okozhat a vezérlés asszimmetriája? A trafóvas telítődését?
Nem a kimeneten (vagy nem csak a kimeneten), hanem a trafó primerén kellene figyelni az áramot. Ha van egy kis aszimmetria a vezérlésben, akkor rövid úton telítésbe megy a trafómag, és lesz néhány szobadíszed. A betelítés pillanatában tiltani kell a feteket. Valahol volt egy elmés kapcsolás egy segédfettel az áramfigyeléshez, Pafi majd belinkeli, neki biztos megvan, nem kell keresnie.
és honnan tudom azt, hogy telítésbe ment a mag?
potyo!
Eredetileg arról volt szó, hogy elkóméretezés. Most meg cseréltessem le vele a vezérlő IC-t áram módúra? Nem a legbonyolultabb kapcsolással kellene kezdeni, amikor az egyszerű is gondot okoz! Előbb próbáljon meg egy legalább elvileg jó kapcsolást összehozni, aztán majd ha telítésbe megy a vas, akkor ráérünk gondolkodni, hogy hogyan szüntessük meg! (Inkább szimmetrikus tekercseléssel, netán légréssel, minthogy áram módú vezérlővel és SENSEFET-tel!) Vagy te vállalod, hogy végigvezeted minden problémán, elmagyarázod neki a slope-compensationt, a nyák-tervezés szabályait, stb...? Egyébként miből gondolod, hogy én fejből tudom minden rajzomról, hogy hol van?
Normális esetben elég a kimeneti áramfigyelés is. De azt a szabályzási kört is méretezni kell, és a mérési pont megválasztása nem triviális!
A gate-re minek a 6n8? Jobban melegedjen a FET?
Szerintem most első körben kihagyom az áramfigyelést, egyenlőre azt szeretném elérni, hogy legyen egy működő, stabil kimeneti feszültségű kapcsitápom. Ha esetleg gond lenne a trafóval, akkor áttekerem, ha elég egy FET, kicserélem...
DE! Szeretném ezeket az anyagi forrásokat felemésztő műveleteket a lehető legkevesebbszer ismételni. Amikor megnyitottam ezt a témát, sok mindennel nem voltam még tisztában, de feltettem egy kérdést. Mostanra sokmindenre választ kaptam, csak arra nem amit kérdeztem. Azért kérdeztem a szükséges pufferkondi méretét, mert - gondolom én - a folytó és a pufferkondi szűrőt alkot, és ha meglenne az adott méretű kondi, akkor már a folytót is tudnám méretezni. Idézet: „Mostanra sokmindenre választ kaptam, csak arra nem amit kérdeztem.” Mert arra nem létezik válasz! Nem létezik képlet, ami ennyi adatból meghatározná az optimális kondikapacitást. 100 µF-tól 100000 µF-ig bármit be lehet tenni, csak aztán a többi elemet is hozzá kell idomítani. Idézet: „Azért kérdeztem a szükséges pufferkondi méretét, mert - gondolom én - a folytó és a pufferkondi szűrőt alkot, és ha meglenne az adott méretű kondi, akkor már a folytót is tudnám méretezni.” Valóban tudnád méretezni? Őszintén szólva kétlem. Valójában a puffer értékétől nagyon kevéssé függ a fojtó induktivitása. Kb. 5...20 % áramhullámosságra célszerű méretezni, ez pedig a kimeneti feszültségtől, áramtól, frekitől, és kitöltési tényezőtől függ. Az elkótól nem.
Az nem olyan biztos! A gate-re tett kondi a miller tartományban (és elsősorban ebben a tartományban eltöltött idő okozza a melegedést!) nem visz el áramot, mert a feszültség konstans. Viszont a drain-feszültség ugrása a Cdg kapacitáson keresztül képes lehet kinyitni az éppen zárt FET-et a túloldali FET nyitásakor. Ez ellen van betéve az a kondi, ami így söntöli, meggátolva az akaratlan nyitást. Persze ha nem lenne ilyen gigantikus gate-ellenállás, vagy át lenne hidalva egy diódával, akkor a lehúzó tranyók is képesek lennének söntölni a drainből gate-be folyó áramot.
Vannak olyan FET-ek, amikben szándékosan úgy alakították ki a gate-et, hogy a Cgs nagyobb, a Cgd kisebb lenyen, így ne alakulhasson ki visszanyitás. Ezt szimulálja az a kondi. Idézet: „Egyébként miből gondolod, hogy én fejből tudom minden rajzomról, hogy hol van?” Talán abból, hogy a te szakterületed az ilyesmi, és az oldaladon is van fenn olyan rajz, amiben benne van az említett áramfigyelés?!
Azt nem magamnak tettem föl, így nincs is rá szükségem, hogy emlékezzem a helyére.
Ha fejből tudok egy képletet, akkor miért jegyezzem meg, hogy melyik oldalon van a könyvben? Így belegondolva logikus, nem? Egyébként meg nincs fönt olyan rajz, amin csak az áramfigyelő van külön, egy komplett kapcsolás részeként pedig csak magyarázkodhatnék órákig, hogy mi is a lényeg, és ezt hogy kell adaptálni ellenüteműre. Idézet: „Szerintem most első körben kihagyom az áramfigyelést, egyenlőre azt szeretném elérni, hogy legyen egy működő, stabil kimeneti feszültségű kapcsitápom.” Nagyon helyes! Viszont akkor célszerű lenne kis puffert (~1000 uF) használni, hogy indításkor ne terhelődjön túl az áramkör a pufferek töltőáramától! Na már megint kiderült, hogy nem lehet a puffereket csak úgy magukban méretezni.
Tudod, digimann, ez a gombhoz a kabátot tipikus esete. Előbb a kabát legyen meg, aztán lehet hozzá gombot választani!
Tehát akkor rakjak kimeneti puffernek 1000µF-ot. Nem kell mellé esetleg valami kisebb kerámiakondi? A folytó elé is kéne kondi?
A bemeneti puffert mekkora értékre lenne célszerű méretezni? 10000µF elég lenne vajon?
Igen, 1000 uF, de csak amíg nincs áramkorlát. Rakhatsz vele párhuzamosan kerámiát, de inkább a végfok nyákra érdemes tenni. A fojtó elé semmiképp ne tegyél kondit! Bemeneti puffernél nem a kapacitás a lényeg, hanem a lehető legkisebb eredő ESR. Sok "kicsi" (220...1000 uF) kondi kell párhuzamosan. Ide hasznos lehet még 10-20 db 1 µF X7R anyagú kerámia kondi is.
Mi lenne, ha a bemeneti puffert fóliakondikból raknám össze? Annak kisebb az ESR-e mint az elkónak nem?
+ még mellé pár kerámia... de 10-20 ?!?! ![]() ![]() Elég nagy ez a szám...
Kb. 1 us szünet, majd 10 us-ig 60 A. 60A*1us=60uC. Ekkora töltést kell elvezetnie a kondiknak, kb. 1 V feszültségemelkedés mellett. Ez C=deltaQ/deltaU=60 uF.
Én azt is elhiszem, hogy több inverterrel volt dolgod esetleg, mint nekem...
, de ezt a megoldást még nem láttam... a 100 ohm-6n8 igaz, hogy nem horribilis idő, de jobban tetszik az 1-2 ohm-semmi kondi verziós meghajtás. Persze nekem inkább 100kHz felettiek mennek...Nagyon sok kapcsolásban viszont ott van egy pár nF-10-47 ohm RC-tag a drain-source lábakon, ami itt nincs, letörés ellen. Nem vitának szánom egyébként, csak megjegyzésnek, hi...
Ez most rengeteg segített!!!
Ilyen oldalról még nem gondoltam át a dolgot... pedig minden kiszámítható, pontosan! (a pufferkondi is)KÖSZI!
Hello!
A 6n8 valószínűleg lejjebb fog menni valamivel, azt csak próbaképp raktam bele.
Köszönöm nektek a sok segítséget Pafi, Potyo, ferci !
Azt hiszem összeállt a kép, ha elkészült a tápom, rakok fel pontos kapcsolást, és talán fotókat is! Mégegyszer köszi! Üdv: Zsolt |
Bejelentkezés
Hirdetés |






, de ezt a megoldást még nem láttam... a 100 ohm-6n8 igaz, hogy nem horribilis idő, de jobban tetszik az 1-2 ohm-semmi kondi verziós meghajtás. Persze nekem inkább 100kHz felettiek mennek...
pedig minden kiszámítható, pontosan! (a pufferkondi is)





