Fórum témák
» Több friss téma |
Fórum » Csöves erősítő készítése
Ne feledd betartani a fórum viselkedési szabályait, és a topik megmaradásának feltételeit. [link]
A téma átmenetileg fagyasztva lett, hozzászólni nem tudsz!
EL84-hez 1/2 ECC83 is megfelelne kombinált fesz. erősítő + meghajtó anódkövető fokozatként, de azzal biztos nem fog úgy szólni, mint 2x 1/2 E80CC-vel. Igazából mégse emiatt kell aggódni, hanem az 1db EL84 által leadott teljesítmény elégtelensége miatt, ha nincs hozzá jó minőségű, nagyérzékenységű hangsugárzó. Szerintem az is drága, amikor kiderül, hogy muszáj másik erősítőt szerezni vagy építeni olyan zenékhez, melyekben a megszólalás energiája is lényeges.
A hozzászólás módosítva: Feb 9, 2013
Olvasgattam kimenőtrafó témában, leginkább hasznosnak az elektroncso.hu-s cikket találtam, de ott is a szerző abból indul ki, hogy vegyük az adatlapon megadott Ra értéket, és stb.
Az én kérdésem az lenne, hogy adott csőhöz, PP üzemhez hogyan számolok kimenőtrafó primer impedanciát? Hogy konkrét legyek,ehhez a kapcsoláshoz szeretném beméretezni a trafót. Ahogy eddig észrevettem, ebbe ugye az anódfesz is beleszól... Erre van valami egyszerűsitett gyakorlati összefüggés, avagy hosszasabb a művelet? (utóbbi esetben elég ha valami olyan szakirodalmat ajánlotok, amiben megkapom a kellő információkat )
Megnézed az adatlapot és kész.
http://frank.pocnet.net/sheets/127/6/6550.pdf 4000 ohm. Csőkatalógus: http://frank.pocnet.net/ A hozzászólás módosítva: Feb 10, 2013
És ha nincs rajta, vagy nem a cső adatlapján, tipikus működésként megadott értékekkel akarom üzemeltetni?
A hozzászólás módosítva: Feb 10, 2013
Ha a cső adatlapján szerepel, akkor azt az ajánlott gyári beállításoknál keresd. Ott már kiszámolták, meghatározták helyetted.
Ha nincs az adatlapon, vagy a gyáritól eltérő beállítást szeretnél használni, akkor azt neked kell megszerkesztened. Ez annak a munkaegyenesnek (munkaellenállásnak) az értéke, amit a cső kimeneti karakterisztika seregére rajzolsz ( Ia - Ua [ref Ug]) és összeköti az Ia=0, Ut, és Ua=0, Iamax pontokat úgy, hogy a disszipációs hiperbolát legfeljebb alulról érintse. Na ezt jól megmondtam, ha nem érthető kérdezz A hozzászólás módosítva: Feb 10, 2013
Sziasztok. Szeretném a véleményeteket és a segítségeteket kérni.
megépítettem ezt a kapcsolást nagyon szép a hangja és jó hangos is elsőre működött meg is lepődtem. Az a gond vele hogy anód izzásba kezd és kb. fél perc után szép fokozatossan elkezd torzítani és elmegy a hangja Szerintem túl nagy a nyugalmi áram vagy gőzöm nincs tudna valaki segíteni mert szeretném befejezni csak elakadtam vele.Köszönöm előre A hozzászólás módosítva: Feb 10, 2013
Szia!
Első körben mérj anódáramot az EL34-eken. Ha az rendben, akkor szkóppal nézd végig a jelutat, lehet nagyfrekis gerjedés miatt is.
Hello. Köszi a választ. Már mértem és sok volt 100mA ezért kiegészítettem negatív előfesszel és levettem 20mA-re 450V-nál ha jól számolom az kb. 10W bocsánat ha tévedek .
Így működött a dolog csak nagyon leesett a teljesítmenye és alig szólt valamit szóval azt hidtem hogy megoldottam de mégsem Az izzás eltűnt de vele a teljesítmény is szóval megált a tudomány..... Az oldal ahonnan szedtem ott meg is volt épitve szépen gondolom akkor nem vmi kamu rajz.. Esetleg arra gondoltam hogy nem e lehet nagy a tápfeszem mert a kondin 450 voltot mértem. A hozzászólás módosítva: Feb 10, 2013
Kérdés, mi volt belőle a hasznos, továbbá, hogy amit hasznosnak gondolsz, mennyire állja meg a helyét elméletben, illetve gyakorlatban? Az illesztéssel kb. ugyanott vagy, ahol előtte, ami nem csoda, hiszen B.B. jónéhány tévedése és pontatlansága mellett*, az alapkérdést is megkerüli. Mi az illesztés célja, mit, mihez, hogyan illesztünk a végfok kimenetén? Pedig ha a kérdést felteszed és szabatosan megválaszolod magadnak, kiindulási alapként rájöhetsz, hogy együteműnél éppen olyan módszerrel kell és célszerű az Ra-t meghatározni, mint egy mezei anód munkaellenállás értékét. Ahogy előttem is mondták: anód görbesereg, munkapont, munkaegyenes - hogyan is lehetne egyszerűbb?? Mi a helyzet Push-Pull üzemben? A- vagy B-osztályú beállításnál nincs különösebb gond, AB-osztályban viszont eredő anód görbesereget kellene rajzolnod... azt hiszem, jobban jársz, ha kiválasztasz a katalógusból egy ajánlott AB-osztályú munkapontot.
* a képleteket -szerencsére- számítástechnikai végzettségéhez méltóan helyesen másolta ki a szakkönyvekből Idézet: „És ha nincs rajta, vagy nem a cső adatlapján, tipikus működésként megadott értékekkel akarom üzemeltetni?” Ott kezd a számolás komplikálttá válni, különösen AB-osztályra! Okkal maradt ki az ismeretterjesztő szakirodalomból. A kivonatos katalóguslapok nem feltétlenül szolgálnak hozzá elegendő információval, és már csak emiatt is inkább a mérést tudnám ajánlani. Persze nem kell ide mindjárt spéci anódkarakterisztika-mérő. Legtutibb, ha szerzel egy nagyjából megfelelő áttételű, elégséges szigetelésű kimenőtrafót, melynek a szekunderére kötött változtatható ellenállású műterhelésen szkóppal figyelgeted, mekkora teljesítménynél kezd klippelni. A legmagasabb nem-klippelő kimenőteljesítményt adó ellenállásból aránypárral számolható vissza, mennyit kell módosítani a próba-kimenőtranszformátor impedanciaáttételén. A műterhelés tervezésénél/használatánál figyelembe kell venni, hogy ha üzem közben akár rövid időre is megszakad a terhelés, nagy valószínűséggel átüt a trafó! /Szerintem ne általánosságban csőről beszélj, hiszen kimenőtrafón átmenő nvcs-t nem, vagy csak minimális mértékben tartalmazó tiódás PP-nél kicsit más az illesztés célja, mint a klasszikus pentódásnál.../
Az is okozhatja ezt, ha szivárog a csatolókondenzátor. Testre kötött bemenet mellett mérjél feszültséget a test és az EL34 rácsa között. Itt meg kell lennie a megfelelő előfeszültségnek. Ha 0 körüli vagy + feszt mérsz, akkor a rács körül lehet a gond.
Hogy érted hogy szivarog a kondi es melyik rácson mérjem a három közül ahol bemegy a jel 5-ös láb? És ha áttereszt a kondi az mit okoz ? nemhiszem hogy attól izzana az anód és cső hiba se lehet mert 3 csőel próbáltam és ugyan az...
Triódás kötésben max. 30 W lehet az EL34 disszipciója (Pa+Pg2). Úgy állítst be a katódellenállás értékét (növelni kell), hogy 80 mA körül legyen a nyugalmi áram. Ha ez megvan mérj anódfeszültséget (anód és katód közötti feszültség), és szorozd a nyugalmi árammal, így megkapod a nyugalmi disszipációt, a kapott érték nem lehet több 30 W-nál (inkább 25 legyen, de kevesebb azért ne). Az 1N4004 nem jó itt kétutas egyenirányítóba, túl magas a fesz (még greatz-ba is kevés lenne 300 V-ra), 1N4007 kell. A hálózati szűrő ellenállását (-ait, ha nincs fojtó) úgy válaszd meg, hogy az anódfesz 300-350 V közé essen, mikor bemelegedett az erősítő (miközben 80 mA a nyugalmi áram).
Köszönöm a valaszt megróbálok eljátszani vele de elfelejtettem említeni hogy a folytót kihagytam remélem nem nagy gond és ha növelem a katód ellenálást a 470 mikros kondi érteke maradhat?
A hozzászólás módosítva: Feb 10, 2013
mire is szolgál pontosabban az a 470 es kondi?
A 470 µF-os (470 µF-4700 uF) kondi kell oda (50-100 V-os), az zárja rövidre a katódellenállást váltóáramúlag, megakadályozva ezáltal, hogy negatív visszacsatolás alakuljon ki a katód körben. Elhagyása növelné a fokozat belső ellenállását és csökkentené a feszültség erősítést (meg lehet próbálni nélküle is, ha úgy jobbnak hallod, akkor nem kell bele. Amennyiben nem elegendő nélküle az erősítés, a hurkos visszacsatolás ellenállásának növelésével beállítható a szükséges érzékenység). Nem gond, ha kihagytad a fojtót (más hang lesz ez miatt), mert van elegendő tápfeszed ahhoz, hogy fojtó nélkül is príma brummentes egyenfesze legyen az EL 34-nek. Ez esetben értelemszerűen ellenállás kell oda is. Így a két szűrő ellenállással elosztva le tudod csökkenteni az anódfeszt a szükséges 300-350 V közé (csatornánként 80 mA nyugalmi áramnál).
Na igen, ezzel egy probléma van: kell egy próbatrafó meg egy szkóp.
egyikkel se rendelkezem sajnos. Jelenleg a konkrét 6550-es erősitő érdekelne főleg, aztán némi ezzel foglalkozó szakirodalomba is beleásnám magam... A csőadatldap szerint (Svetlana) UL üzemben, 450V tápfesszel 4k primer impedancia kell neki. Ez jó lesz akkor is, ha lecsökkentem az anódfeszt 420V-ra?Tudnátok ajánlani Budapesti szakit, aki teker kimenőtrafót, és még olcsón is dolgozzik? A hozzászólás módosítva: Feb 11, 2013
Sziasztok. Köszönöm szépen a tanácsokat bevált növeltem a katód ellenállást és kidobtam a 470 mikros kondit és sokkal jobb lett a hangja es eltünt a brumm igaz csökkent az érzékenysége az erősítőnek de jó lett.Gitár kombókészül belőle 150 wattos hangszóróval nagyon jól szól. A kimenő trafó egy tesla music 70 es kimenő trafója igaz ez gyárilag szimetrikus de nemgond mert csak az egyik felét kötöttem be az anódra. Az anód fesz 360V az anód áram pedig 65mA lett. Már csak eggy kérdésem lenne hogy ha szeretném novelni az érzékenységét akkor hogyan kossem be az ECC83 mas másik felét valakinek ötlet?
Sziasztok!
Kaptam egy gitár erősítőt elég leharcolt állapotban az eredeti rajz szerint újjáépítettem. Az lenne a gondom hogy KB 5-10W-ig szól tisztán aztán torzítani kezd. Nem tudok rájönni az okára már 100X végignéztem. Minden a gyári rajznak megfelelő. Egy gyári angol Partridge trafókészlet van benne. Mi lehet gond? Tudna valaki segíteni mit nézzek meg?
Szia!
Az előfeszültség biztos, hogy jól van beállítva? Mert nem megfelelően beállított munkapont esetén, lehet ez a probléma. Illetve a csövek jók még? Párba lettek válogatva az EL34-ek?
Elkészült a dobozolása a 6N2P-EL84 gitárkombómnak!Ha valakit érdekel ITT megnézheti. Annyi problémám ,hogy ha a magas potmétert teljesen főltekerem akkor a hangerő 95%-ától lehalkul vagy attól függően hogy, hogy áll a többi potméter zúg sípol stb. Próbáltam már más hangszín szabályozót beleépíteni de még rosszabb lett a helyzet...
Ha a hálózati trafó elég erős, V2a anódfeszét és V2b katódfeszét nézd meg (V2a anódján 4-5 V-al kisebbnek kell lenni, mint V2b katódján (pl. V2a anódon 125 V, V2b katódján 130 V)), ha esetleg nem jó, az egyik katódellenállás változtatásával be lehet állítani (vagy az "a" rész 820 ohm, vagy a "b" rész 100 K változtatás)...
Üdv Mindenkinek.
Van egy kis problémám az ecc83-el84se -vel. Mégpedig, hogy van egy nagy adag brumm benne. Deszkán nem volt, így most, hogy bedobozoltam, kissé csalódott vagyok. Fűtés vezetékek olyan sűrűn megsodorva, amennyire csak lehet, és közepelve, a hálózati is sodorva volt, de lecseréltem árnyékoltra, az sem segített, egyenirányító és végcsövek cserélve lettek, de az eredmény nem változott. A földelésre nem gyanakodnék, mert az ugyan az mint korábban, amikor jól működött. Mi lehet még?
Szia.Ez nagyban függ a kialakítástól is.Ha fém dobozba építetted és a trafók meg a potméter(ek) is rá kerültek,akkor jön a brumm. Mindent el kell szigetelni,vagy mindent földelni.Ez a titok.
Ilyenkor mindig a különbségekre kell koncentrálni. Pluszként keletkezett a doboz, ennek testre kötése hogyan valósult meg, deszkán a bemeneti csatlakozó lengőben volt, végleges változatban lehet, hogy ez szigeteletlenül került a dobozra, ilyenkor keletkezhet földhurok is (hálózati pufferek negatívja is kerülhetett a dobozra, a test vezetékezésnél ezt figyelembe kell venni, áramút ne a dobozon keresztül valósuljon meg), a transzformátorok mágneses szórása is változhatott, ha az elhelyezése változott, vagy nagyobb mágnesezhető felületek lettek beépítve (pl. vas doboz).
Látom mofesa megelőzött, azért bent hagyom a saját hozzászólásomat is....ismétlés a... A hozzászólás módosítva: Feb 12, 2013
Én nem voltam ennyire alapos.Sokszor jó,ha bővebben kifejti valaki,mit mikor és hogyan,milyen módon.
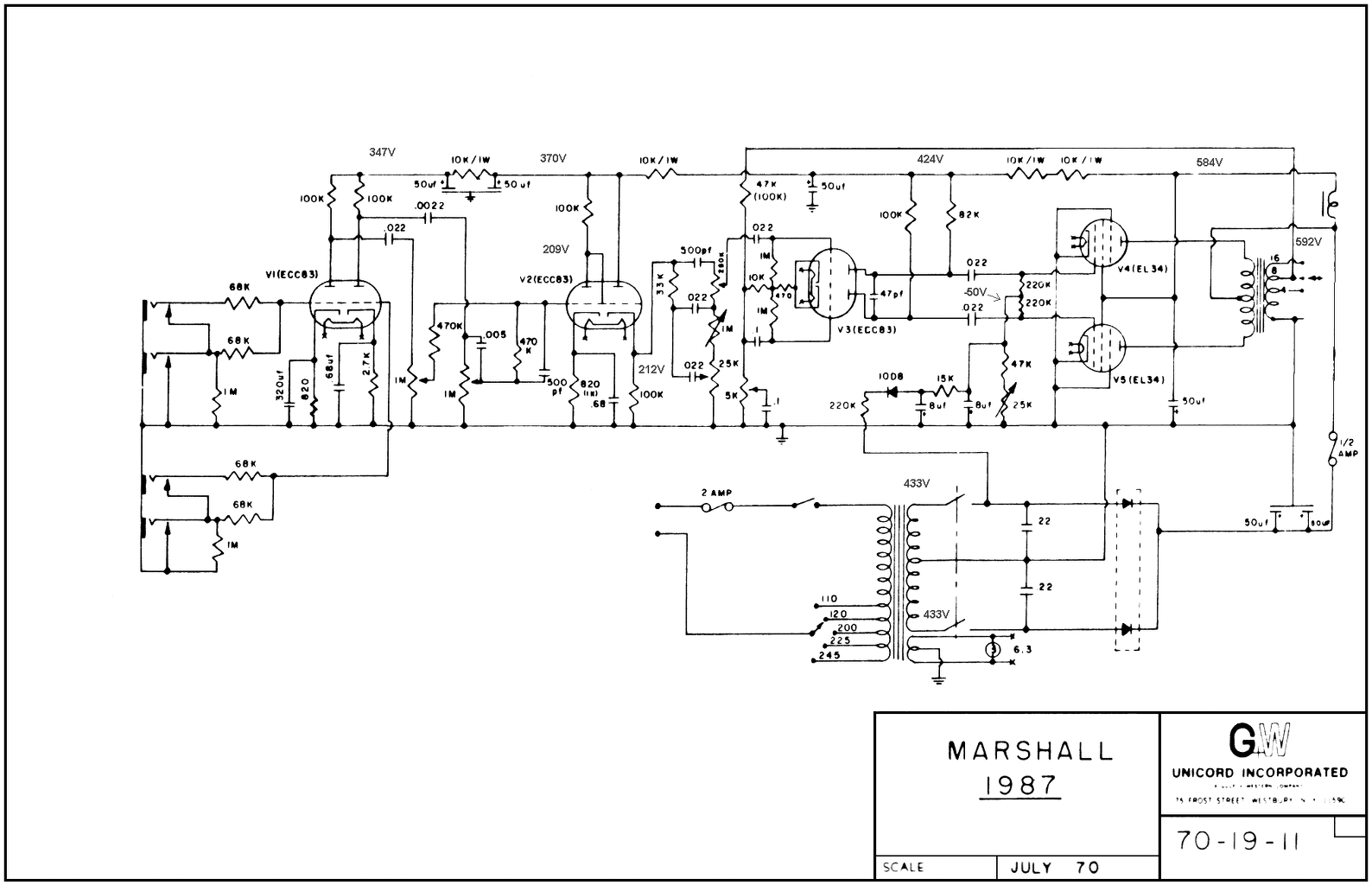
Szia strubi! A mért értékek 209V és 212V. Beírtam a rajzba a mért feszültségeket. A trafóra visszatérve, biztosan elég erős más gyári 50W-os erősítőkben is megtaláltam. Sajnos az én rajzomon nincsenek feltüntetve a gyári feszültség értékek, de itt egy másik erősítő rajza ami egy 4. torzító csővel több de ha ezt kivesszük szinte megegyezik és ugyan ezekkel a trafókkal van szerelve. Itt ott vannak a feszültség értékek. Bár eltérnek az enyémtől. Megnéznéd.
Teljesen jónak tűnik. A csőfoglalatokat megtisztogattad? Amikor utoljára ilyen (hasonló) hibával találkoztam (hangerő növelésekor, egy szint fölött, reccsenésszerű torzítás keletkezett, főleg mélyebb tartományban), akkor egyszerűen meg kellett tisztogatni a csőlábakat, és foglalatokat (amikor ujjal megmozgattam a csöveket a foglalatban, recsegés hallatszott a hangszóróból, tisztítás után a mozgatásra nem reagált, és lehetett neki tolni a hangerőt rendesen, helyreállt). A jó kontaktusok roppant fontosak egy erősítő működésében, (végcsövek esetén különösen)....érdemes rá nagyon nagy gondot fordítani.
Értem erre nem is gondoltam, holnap reggel megcsinálom aztán írok mit tapasztaltam. Hasonló a jelenség nálam is. Köszönöm!
A ház fából van. Pár részt visszabontottam, a búgás nagyrészt megszűnt, viszont nagyon magas frekvencián sípol egy kicsit. ez olyan 16khz lehet. Most kipróbáltam, hogy a fűtésvezetékek egy részét betekertem alufóliával árnyékolást szimulálni, csökkent, de nem tűnt el. Ötlet?
Mindjárt széttaposom az aszfalton ezt a nyavaját |
Bejelentkezés
Hirdetés |


)
Szerintem túl nagy a nyugalmi áram vagy gőzöm nincs tudna valaki segíteni mert szeretném befejezni csak elakadtam vele.
egyikkel se rendelkezem sajnos. Jelenleg a konkrét 6550-es erősitő érdekelne főleg, aztán némi ezzel foglalkozó szakirodalomba is beleásnám magam... A csőadatldap szerint (Svetlana) UL üzemben, 450V tápfesszel 4k primer impedancia kell neki. Ez jó lesz akkor is, ha lecsökkentem az anódfeszt 420V-ra?








