Fórum témák
» Több friss téma |
Mielőtt kérdezel, a következő két dolgot ellenőrizd!
I. A helyes tápfeszültségek megléte.
II. A kimeneten van-e egyenfeszültség.
Élesztés.
Helló!
Köszi, ha megépíteném korrigálni fogom. Balu
Az tény, hogy én könnyen megúsztam a denonnal, mert 10 rugóért ajándék volt és csávó hírdetése öt percig volt fenn egy oldalon, mindjárt rá is csaptam. Ami a lényeg, hogy, ha nem lett volna ez akkor az előbb ajánlottból építettem volna 6 db-ot.
A hangerőszabályzást nekem is meg kellett oldani valahogy, ezt egy PT2258-al sikerült végülis, ami nem egy tökéletes szerkezet, de a hangja és a paraméterei nagyonjók (mértem is). Az egyetlen hibája a PT-nek a hangerőváltáskor apattogás, főleg, ha tizes osztót vált, de ezzel együtt lehet élni. Most konkrétan van a hangkártya analóg kiemente (x-fi gémer mittudomén), abból a PT és onnan mindjárt a denon végerősítői. Iszonyat letisztult lett a végeredmény és eddig mindenki csak dícsérte. Meglepő módon még a mélyet és képes meghajtania denon, pedig nem örül a 4ohm-nak..
Most lehet, hogy sokan meg fognak kövezni, de az ebay-ról vegyél egy bedobozolt kínai Tripath 2022-sel épült csodát. 30W körül tudnak RMS ( ők 50W-ot írnak). Ez az IC család annyira jó volt, hogy mindjárt fel is vásárolta a gyárat egy rivális konszern és jó nagy lakatot tettek rá. Ami pedig legyártódott IC ( összetett modulációt használ, mindez idáig senki sem tudta leutánozni), abból a kínaiak építik ezeket a fura kis dobozos erősítőket. Megdöbbentően jó a hangja minden Tripath kapcsolásnak, amit hallottam.
A hozzászólás módosítva: Feb 25, 2013
Szia! A szimmetrikus erősítők általában kellemesen szólnak. Íme egy egyszerű változat (van témája is): HEED canopus - Bővebben: Link
Az STK 0050 IC nem egy komplett hangfrekvenciás végfok. Viszont a járulékos elő fokozatokkal - lásd javasolt mintakapcsolás - már valóban csúcskészülék építhető. Bánom amikor lustaságból az STK 4182II-vel készítettem sztereo végfokot és nem az STK 0050-nel . Ez utóbbi ugyanis - ha nem hamis - gyári nagy tranzisztor szériából összeválogatott nagyon pontos darlington párokból áll. 3 éve 600 Ft-ért akciósan megvehettem volna!
Lehet bűnt követek el de maradok Ennél szerintem.Egyenlőre a térhatás nem igazán szempont.Valaki ismeri esetleg közelebbről is ezt a tipust? Tudom hogy stk,de őszintén nekem nincs velük bajom,és a mostani erősítőm plusz 10ezerért vétek lenne kihagynom.
Esetleg javaslom neked az alábbi kapcsolást. Egyszerű, jól védett, +-20V-tól +-50V-ig működőképes. Teljes kivezérlésen is, 20kHz-n is 0,08% alatti torzítású. Az OPA-k cseréjével a hangzása ízlés szerint, egyszerűen beállítható. (úgy fog szólni, amilyen OPA van benne) Az áramkorlát 10A-re van beállítva. 100V tápfesznél jó nagy hűtőborda kell.
A hozzászólás módosítva: Feb 26, 2013
Már csak azért is javaslom, hogy építsd meg ezt a kapcsolást, mert szobahangerőn a számított torzítása elképesztően jó, jobb mint 0,0001%, azaz messze a bűvös -120dB alatt van, jó minőségű OPA-val ( LM4562 pl)
Feltételezve, hogy a szimulációnál 100x(!!!) rosszabb a valóság ( ami képtelenség, a működési elvből adódóan), akkor is egy nagyságrenddel lesz kisebb a torzítása a legjobb erősítőkénél. Továbbá házibuli hangosításnál sem fogsz szégyenben maradni vele. Én 1999-ben építettem meg ( más típusú FET-el és kissé eltérő alapkapcsolásban) és a Tektronix torzításmérőjével nem tudtuk kimérni. Ehhez a torzításhoz a tápvezetékeket sodrott és árnyékolt kábelen kell a panelhez vezetni! 10kOhm-nál nagyobb belső impedanciájú forrásról nem javasolt meghajtani. A hozzászólás módosítva: Feb 26, 2013
Szia
Ha a kimenet 8 Ohm os műterhelést lát valamint egy azzal párhuzamos 1uF, akkor pl egy 10-20 khz körüli négyszög hogy néz ki eme komplex terhelésre? Szkópos szimulálást gyorsan elvégezhető
Így néz ki, kissé beleng. Nem tragikus, messze nem gerjed.
A hozzászólás módosítva: Feb 26, 2013
Összehasonlításképpen ez a Quad405-é, ez sem rossz, még elfogadható.
Igen, ha nincs jelentős túllövés magasabb kivezérlés mellett akkor az jó jel.
Bár azt nem értettem soha, hogy miért jó az ha egy végfoknak csak kimondottan az alacsony thd-n tartására hajazunk.. ?Szerintem ez teljesen megöli az erősítő felbontását , részletezőképességét , vagyis a forrás eredetiségét. Amúgy is a thd mint adat az egész rendszerre értelmezendő a forrás hallgatása alatt, az eredő torzítás a hangsugárzó végett úgysem marad ilyen alacsony... A lejátszó eszköz-végfok+hangsugárzó eredő torzítása határozza majd meg. Ha csak két tizedes vessző, vagy egy lenne a 0 után is lehetne igen jó torzítási adat. Pláne ha az eredő spektrumképe a végfoknak és pl a hsz-nek kedvezően oltanák ki egymást. Ui: Egy tripla Darlingtonos kimeneti fokozatom 10Khz-es képe 1uF+8Ohm-al. Bővebben: Link A hozzászólás módosítva: Feb 26, 2013
Gyönyörű a jeled, de ilyen jelet leginkább átfogó hurok nélkül lehet csinálni. ( gondolom nem 5 nullás a torzítás) A belengés egyébként csupán annyit jelent, hogy ilyenkor a frekiátvitel a magas frekvenciás tartomány végén kicsit kiemel ( 100-200kHz). Az pedig olyan messze van az átviteli sávtól, hogy a csoportfutási idő változás alig ér el odáig.
Én tapasztalatból mondom, hogy a -120dB egy durva határ, főleg akkor, ha belső hurok sebessége nagyon nagy, mert akkor az előtorzítás nem viszi TIM-be az egészet. Ennek a kapcsolásnak kb 300V/us a huroksebessége, ami nagyon jó. A TPA6120-ban van hasonló paraméterű hurok, hát jó is nagyon. A probléma az szokott lenni, ha az alacsony torzítás átlagos slew-rate-val párosul, mert olyankor a hangszóró által visszaküldött amperekre reagáló visszacsatolás láthatatlanul TIM-be viszi a kapcsolást. Az is hiba szokott lenni, hogy a visszacsatolás által küldött hibajel amplitúdóban ütközik korlátokba. Ebben a kapcsolásban ez nagyon jó, több mint 600% a tartalék. Szóval nem jó az, ha a hibajel ugyanazon a differenciál erősítőn keletkezik, mint ami a visszacsatolási pont. Ez van szétszedve ebben a kapcsolásban. Most már abba hagyom, mert Köbzoli lenyilaz. A hozzászólás módosítva: Feb 26, 2013
Látom a kapcsolás sajátosságait.
A Marantz is hasonlóképpen okoskodott erősítőiben. Két fokozatra szedték a fesz erősítést. Az első fokozat kb az egész erősítésnek a 3/2 részét szolgáltatta, ami már önmagában egy brutálisan visszacsatolt fokozat volt, ezt követte egy 1/3 jóval kisebb fesz erősítő fokozat. Az előnye annak is pont az volt hogy egy igen nagy mértékű visszacsatolást lehetett alkalmazni nem túl magas hurokerősítés mellett. De ami a legfontosabb volt, hogy a hsz által indukált feszültség nem került be a visszacsatolás révén a bemenetre. Csak a Marantz egy kaszkód fokozatot alkalmazott, diszkrét félvezetőkkel első fokozat gyanánt..
Igen, Átfogó visszacsatolás teljesen kilőve. A csöves részben a lokális is.
Az áramerősítő fokozat 0,04% Thd -vel bír. A csöves meghajtás pedig 0,2% thd-el 35V rms-nél. Ui: Egy nem rég készült meghajtás átvitelei: Bővebben: Link -Lentebb pedig a kimeneti fokozatról is van pár mérés. A hozzászólás módosítva: Feb 26, 2013
Én a valós számítógépes mérést részesítem előnyben, az ilyesmi számomra körülbelül semmi.
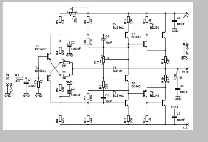
Üdvözlet. Az alábbi kapcsolást érdekesnek találom, biztosan van rá magyarázat, de én nem értem, hogy tud 200w-ot +-20v ról, illetve nem kicsik e ekkora teljesítményhez egy pár 540/9540 páros? Vagy vaksi vagyok és elkerülte valami a figyelmem?
Hello.
Az első hozzászólásban írtam, hogy +-20V-tól +-50V-ig működőképes, változtatás nélkül. Azaz megépítés után csak találni hozzá valamilyen trafót. A tokok disszipációja max. 100W tokonként, így a végtelen hűtőbordával számolt 150W-os tranzisztorok megfelelnek. A hozzászólás módosítva: Feb 26, 2013
Sziasztok !
A Pa300-as erősítő elmenne 2x45 V Ac-val szerintetek ? Mert az pufferelve 2x63,5 V. De az adatlapja szerint 60 V kell neki. Erről lenne szó. Köszi addig is.
Szia! Ekkora eltérésnek nincs jelentősége.
Adsz neki egy kis nyugalmiáramot és 60V alatt is lehet akár picivel.
Helló !
Köszi, talán majd valamikor sort kerítek rá. Üdv, Balu.
Hali.Segítséget kérnék.Van ta8221h ic-m.Dupla végfok.Azt kérdezném lehet-e hídba kötni? Ha igen van-e valakinek rajza hozzá? Előre is köszönöm.
Szia! Mindkét kimenet eleve híd - tehát nem a válasz.
Köszi, mindjárt gondoltam.A Google nem dobott ki semmit arra, hogy bridge.
Szia, nagyon szépen köszönöm a magyarázatot. Esetleg kérhetnék még annyi segítséget, hogy felteszem ide a teljes rajzot és kijavítanád,hogy mit hadjak le róla. Sajnos az egyik kollégám ragaszkodik ehhez a rajzhoz és ezt az erősítőt kéne meg építenem neki.
Szia.
Mért nem építed hozzá meg azt a védelmet amit a sajátomhoz is terveztem? (-emlékszel, egyszer a nyáktervet már odaadtam). Az minden ellen megvédené.., és a hangképet sem befolyásolná különösebben, ha jó relét veszel hozzá.
Szia! NYÁK tervet megtaláltad? Bővebben: Link
|
Bejelentkezés
Hirdetés |









?






