Fórum témák
» Több friss téma |
Illetve,helyesbítek, nem korrodáltak, hanem kicsit el vannak feketedve.
Nyilván, hogy minden kapcsolot meg kell nézni, mert mindegyik a müszer körében van. Söt miután ez az utolsó tipus a sorozatból, lehet, hogy aktiv müszer (azaz van benne valamilyen erösitö) így ahhoz áram kell (elem).
Átmenetileg külsö elemekröl is probálhatod, vagy épitsd át gombelemre (CR2032 stb.) az elfér az eredeti elemtokban.
Szia! Nekem is van egy ilyen műszerem. (konkrétan ez: Bővebben: Link)
Az már régen rossz, ha nagyon nehéz forgatni. Az enyém kimondottan könnyen jár. (azt azért érezni, hogy van benne anyag, csattan, határozott )Én nem szedtem szét a kapcsolóját, mivel az enyém működik. De érdemes lehet nekilátni kitisztítani. (az enyém 89-es, nem aktív műszer, csak az ellenállásméréshez kell az elem.)
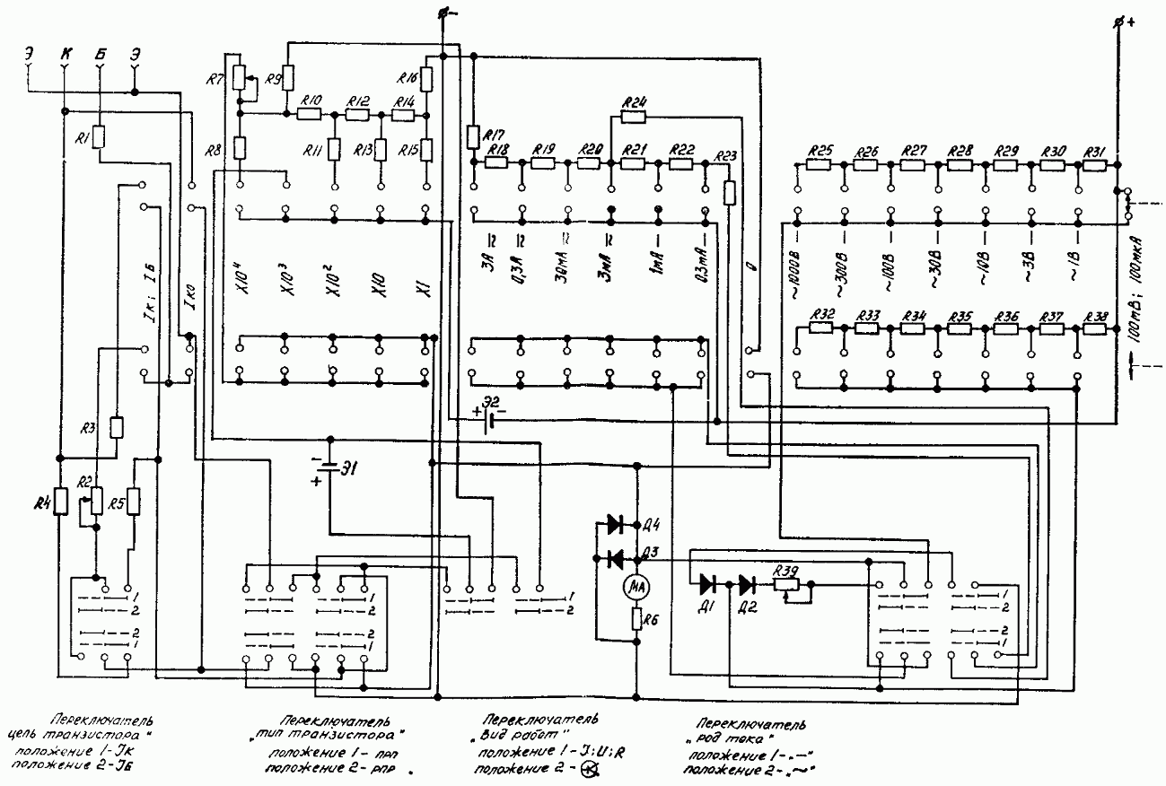
Igen, én le is töltöttem a kapcsrajzot. fel is töltöttem ide. Igen a műszer annyira egyszerű, de vajh ha két 1,5 elem helyett két cr2032-t teszek bele akkor is müxeni fog? A forgókapcsoló problémát orvosoltam kicsit gyengébb rugókkal. Ja igen a neten azt írja, hogy az elemek úgy kell hogy belemenjenek hogy a pozitív sarkuk a műszer sarka felé mutasson. Viszont szétszedve a vezetékek nem ezt mutatják. most akkor hogyan kell bele tenni az elemeket? köszi a választ
![]()
A linkelt oldalon látszik, hogy kell betenni az elemeket.
Massawa ötlete akkor jó lenne, ha a két elemet simán sorba kellene kötni. De itt a két elem külön áll, a műszer "köti össze" őket méréshatárnak megfelelően. mondanám, hogy faragj bele két AAA méretű elemet, de az is barbárság lenne. Igazság szerint én nem is vesződnék az ellenállásméréssel. Ezekkel a mutatós műszerek finoman fogalmazva pontatlanok ilyen téren. nem beszélve, hogy körülményesebb. Mérés előtt nullázni kell és ha megnézed, a skála nem lineáris, a végkitérés közelében lehet vele úgy-ahogy jól mérni ellenállást.... a végkitérés közeli mérés egyébként fontos, úgy célszerű mérni mindent. (skála felső harmadát célozd.
Nekemsem volt tervben az ellenállás mérés. csak áram és feszültség. Az ellenállás ha van jó na nem nem.
Barbárság? Hmm előttem már próbálták ezt, a két elem közti műanyag gát már ki van belőle műtve. (valaki gátmetszést csinált rajta, egy saraboló kapával )De köszi mindenkinek a hozzászólást, segítettetek! Nekem kell ezt mégha ezreket költök is rá ![]()
Én is megtartottam, pedig vagy 20 évvel öregebb a tiédnél (még fekete bakelit a 60-as évek közepéböl). Amikor utoljára kézbe vettem müködött.
Elem nekem sincs már benne, de alapjában véve már nagyon régen nem használom, csak van több régi fadobozos müszer társaságában a kis házi muzeumban.
Nagyon ugy néz ki, hogy az ellenállásmérés hid eljárással történik, ahol a valos feszültség nem játszik szerepet, igy akár +/-3V-rol is mennie kell. (Nincs a rendszerben semmi stabilizácio, igy a 1,5 elemek feszültsége sem garantált, de a mérés aránylag pontos).
Egy probát megér
Kizárt dolog, hogy az ellenállásmérés híd eljárással történjen, multiméterekben nem is szokás, mert túl bonyolult, hogy egyszerűen lehessen használni. Akkor a mért ellenállás értéket egy kapcsolóról kellene leolvasni, és a műszert valamilyen középállásba kellene, mint 0 -ba hozni.
A műszer ellenállás mérésére használt skáláján világosan látszik, hogy "áramgenerátoros" mérés történik, a skála beállítása a két végen (0, és végtelen) potméterrel történik, és ez teszi áram (telep) függetlenné (bizonyos határok között) a mérést. A hozzászólás módosítva: Okt 12, 2012
Amíg a telep biztosítani tudja a végkitéréshez szükséges áramot, addig igen.
Van ez a harmónikagyári (VEB Klingenthaler Harmonikawerke, Betriebsteil Musikelektronik. Idősebbek emlékezhetnek rá, innen jöttek a "Vermonák"...) remeke multiméter (Polytest 2).
Na ebbe beletört a bicskám... Az a baja, hogy feszültségmérés állásban minden méréshatárban ugyanazt mutatja, és ráadásul sokkal többet (ceruzaelem 100 VDc állásban is végkitérésen túl) mint kellene. Árammérésben viszont teljesen jó. ![]() Azt hittem, hogy rajz alapján ki tudom találni, hol a gond. De nem. Még szétszedve és méregetve sem. ![]() Ötlet?
Hello!
Elég érdekes hiba. Ha a feszültségmérés kapcsolgatásakor nem változik semmit, akkor nem is az osztón keresztül megy be a villany. Hiszen a soros ellenállásháló beiktatásánál csak mutatkozni kellene az áram csökkenésében.. Biztos, hogy jó helyre dugod a mérőzsinórt ennél a mérésnél? Vagy nincs a kapcsoló átkötögetve/átégve? üdv! proli007
Kicsit változik "csökken" a mutató kitérése feszültségmérésnél a nagyobb méréshatárok irányában.
A mérendő feszültség (és áram) a két szélső csatlakozóra (Bu1 és Bu5) van kötve. Mindkét kapcsolót szétszedtük (és össze is tudtuk rakni ). Szépek.Én elsőként valamelyik sönt (R1...R7), vagy az osztó alsó tagjának szakadására (könnyű leégetni) tippeltem volna, de persze akkor az árammérés nél is lenne probléma. Ráadásul az előtéteket és söntöket is végigmértem és kb. akkorák mint a rajzon...
Hello!
Én is elsőként arra tippeltem volna, ha nem írod, hogy az árammérés jó. Számításom szerint a feszültségmérésnél 300uA áram folyik. A 3V és 1V feszültségállások között 2V van, és az R11 6,84kohm. 2V/6,84k=300uA. Ez is lehet egy kiindulási alap. A shunt hálózat ellenállása R1..R8-ig pont 1kohm. Ha a 0,3mA-es állásban beadsz 300uA áramot, akkor az átfolyik az R9-en, majd kettéválik. Így a Shunt soron és a műszeren is egyaránt 150uA áramnak kel folyni. Vagy is a műszer alapérzékenységének 150uA-nak kell lenni. Vagy is a műszeráramkörnek, az R8-R9 potjáról pont akkora ellenállást kell mutatnia, mint a Shunt hálózatnak. Vagy is mind kettő 1kohm értékű. Én rátennék a műszer bemenetre egy ohm mérőt, és csattogtatnám a méréshatárváltót. Mivel az ellenállás értékek (most már a műszerkör is) ismertek, ellenőrizhető, hogy helyes értéket mutat-e, és hol van eltérés. üdv! proli007
Szia Proli007,
mielőtt olvastam volna a hozzászólásodat, én is erre jutottam és összeresztettem a Polytest 2-t megint a jó öreg MY-64-el. Polytest 2 DC állásban: 1 V -> 3.16 K 3 V -> 10.01 K 10 V -> 31.7 K 30 V -> 100.4 K 100 V -> 316 K 300 V -> 1003 K 1000 mA -> 1.0 ohm 300 mA ->1.7 Ohm 100 mA -> 3.9 Ohm 30 mA -> 10.7 Ohm 10 mA -> 31.8 Ohm 3 mA -> 95.9 Ohm 1 mA -> 268 Ohm 0.3 mA -> 1003 Ohm Gyakorlatilag mérési hibáktól eltekintve ahogyan az a matematika, fizika és rajz alapján lennie kell... Vicces a dologban, hogy feszültség mérésre is jól működik most éppen ![]() Ettől viszont nem vagyok boldog, mert így nem merem visszadni a tesómnak, mert ugyanígy elromolhat megint és bár biztos vagyok benne hogy egy primitív kontakt hiba viccelődik velünk, fogalmam sincs hogy hol... Talán végigmelegítem R1...R8 forrasztásait. Ennél jobb ötletem nincs... A hozzászólás módosítva: Feb 8, 2013
Hello!
Ez teljesen egyezik a számított értékekkel! Szerintem valami nokedli kontakthiba van, Leginkább a Shunt hálózatnál. Hiszen ha a műszer mutatott és jóval többet, akkor a műszeráramköre felé folyt áram, a Shunt felé meg nem. Csak így mutathatott többet. Nézd esetleg át a Shunt hálózat forrasztásait, nincs-e kimelegedve valahol. Meg kérdezd meg a tulajt, mikor töltötte az aksiját a műszeren keresztül.. ![]() üdv! proli007
Szétszedtem megint és átforrasztottam a söntöket. R1 alsó fele volt csak kicsit gyanús, de szerintem az sem.
Viszont mielőtt nekiálltam még éppen jó volt, most viszont nem. De rajtakaptam (amikor hibás) : 1 V -> 3.16 K -> 2.39 K 3 V -> 10.01 K -> 4.48 K 10 V -> 31.7 K -> 6.17 K 30 V -> 100.4 K -> 7.01 K 100 V -> 316 K -> 7.33 K 300 V -> 1003 K -> 7.44 K 1000 mA -> 1.0 Ω -> 1.5 Ohm 300 mA ->1.7 Ω -> 2.1 Ohm 100 mA -> 3.9 Ω -> 4.3 Ohm 30 mA -> 10.7 Ω -> 11.1 Ohm 10 mA -> 31.8 Ω -> 32.3 Ohm 3 mA -> 95.9 Ω -> 96.4 Ohm 1 mA -> 268 Ω -> 268 Ohm 0.3 mA -> 1003 Ω -> 1007 Ohm Ebből látszik a hiba is egyben, amiről beszélek. Valamint az is, hogy nem a sönt szakadt... Most éppen a kapcsolókra gyanakszom (bár ép ésszel nem igazán tudom magyarázni).
Hello!
Ha megnézed az értékeket, olyan, mint ha S1 csúszka és R10-R9 közös pontja között, egy 7,5kohm-os ellenállás lenne. Nincs ebben valami sunyi védelem, Glimm, Varisztor, ami viccelődik? Bár az a valahol söntölné a műszert, nem az osztót. üdv! proli007
Kedves Proli007,
ismét sikerült megoldanod egy problémát. Köszönöm szépen a segítséget (tartozom még egy sörrel) Harmónikagyár remeke ismét régi fényében ragyog.... A megoldás valóban az S1 csúszka volt. Van ugyanis benne egy kihagyás az Ohm mérő állásnál. Ott kellett kivakarni a koszt, mert átvezetett, és az R18 4.7 KOhm-on keresztül közvetlenül rákerült a mérendő feszültség a mérőműre, kikerülve az előtét ellenállásokat. Mondjuk így utólag teljesen triviális dolog... ![]() G.
Szervusz! Az nem baj, hogy öreg a multiméter, az enyém, a kedvencem 1982-ből való.
Ma is kitűnően működik! Legjobban az analóg műszereket kedvelem!
Hello!
Muphy szerint "A hibák 99%-a minden tudás, szerszám és alkatrész nélkül kijavítható." Tehát nyilván a triviális hibák vannak többségbe. Mikor indult az Atom, nem volt jó a szintszabályozás. A mérnökurak, már fél napja integráltak. Majd a műszerész megkérdezte, hogy "esetleg nem kellene a szabályzó kisautomatáját felnyomni?" Nos mint látható, szép dolog az integrálás, de lehet nem mindig azzal kell kezdeni.. üdv!
Üdv
Van egy elméletem voltmérővel kapcsolatba. Nagyon maszek kezdő megoldás -, de előre szólnék hogy nem kell multiméter meg normális mérő, csak kíváncsiságból csinálom . Szóval erről lenne szó. Az elméletem hogy mindig csak egy tekercs működik elektromágnesként. és így mozog a mutató. Nem tudom működne-e azért jöttem ide. Szóval az érdekelne, hogy van benne valami, vagy hulyeség? Ha nem jó akkor miért?Köszi
Hello!
Azt is leírhattad volna mi a szándékod ezzel, még ha elméleti is a dolog. Mert szinte minden működik valahogy, csak az a kérdés, hogy szándékaid szerint vagy sem. De 6 és 14V között(tal) működne, levonva a dióda nyitófeszültségét. Igaz, ez így lágyvasas műszer lenne, s nem lenne lineáris a skála. Egyébként nem lehet tudni, a rajzról hogy mi micsoda. Mert ha mágnessel van összekötve a mutató, akkor egy tekercsel is polaritás érzékeny. Amúgy mindegy hogy a dióda a tekercs előtt vagy után van beépítve, ami viszont nem mindegy a tekercselési irány. Mert ha a tekercselés kezdetét a baloldali pontot vesszük, akkor semmi értelme a diódának, mert mindig azonos irányba mozdulna ki a mutató, hiába váltanál polaritást. üdv!
Hello
Na most megfogtál. A lényeg, hogy felülök a bicóra és ez mérné a dinamó feszültségét azért változó a feszültség és a freq is. A frevenciát akarnám megsaccolni vele, meg megnézni, hogy egyáltalán műkszik-e. A dolog viszont tényleg csak elméleti mert most akartam csak a diódákról mélyebben tanulni valamit. Egyenlőre csak azt tudom, hogy mire való. Nemes egyszerűséggel csak ugy gondoltam el a dolgot ahogy van. A tekercsekbe vasmagot a mutató vas és semmi mágnes. Viszont a tekercses dolog nem teljesen tiszta. Azt mondod, hogy egyik tekercs vonza a vasat a másik meg taszítja és azért nem lesz jó? Azt tanultam, hogy az áram folyási iránya adja meg az indukcióvonalak irányát és hogy a tekercset mindegy h hogyan kötöm be. Vagy arra gondolsz hogy a tekercs visszavág a diódának mikor vált az áram? [a képen megjelöltem a csomopontokat] Bocs amatőr vagyok
Hello!
Egy lágyvasas műszernek, mindegy milyen az áram iránya. De pont ezért, úgy egyen, mint váltóáramot is tud mérni. Ha ilyen a műszer, akkor meg hiába, és feleslegesen teszel bele diódákat. Dióda akkor kell, ha a tekercs egy mágnessel szemben dolgozik. Hiszen akkor számít az áram iránya. Hogy ki is térjen váltóról, egyenirányítani kell. Én úgy gondoltam, azért alkalmaznál két tekercset, hogy ne legyen szükség négy diódára. De ezért írtam, hogy jobb lett volna ha a szándékodat írod meg és nemkel kitalálni egy Móricka rajzról, ahol semmi konkrétum nincs, a műszer típusa és felépítése sem ismert... De lehet csak ezt kellett volna írnom, hogy ne keverjelek meg. üdv!
Nekem még mindíg nem tiszta hogy mit is akar mérni a kolléga a kerékpáron és azt miért
A hozzászólás módosítva: Márc 1, 2013
Hello!
Na igen. Azt el is felejtettem írni neki, hogy frekvenciát semmiképpen. Valamint azt sem tudom honnan szerezte a kéttekercses műszert. Persze több kérdésre sem válaszolt, de majd lesz valami.. üdv!
Egyszerűen csak azt akarom, hogy ha a dinamo váltoárama negatív x akkor pl balra térjen ki a mutató, ha pedig pozitív akkor jobbra. Ennyit. Arra meg, hogy miért csak azért mert látványos, esetleg frekvenciát ha lehet de ha nem akkor az is jo ha csak billeg a mutató. Meg csak tesztelgetem az elméletet amit tanulgattam, lényegtelen, hogy mit csinálok csak bele akartam vinni egy kis gyakorlatot is.
A kéttekercses műszert csak kitaláltam, hogy gyakoroljak, teszteljem jól gondoltam-e. A cél pedig csak annyi, hogy váltóáram hatására kitérjen a mutató. És elméletileg ha meg tudom számolni (szemmel ránézésre), hogy 1 s alatt kb hányszor tér ki a mutató akkor kb megvan a frekvencia. Ugye mert a frekvencia adott időegység alatt végbement periódusok száma. Valahogy így.
|
Bejelentkezés
Hirdetés |




)
)








