Fórum témák

» Több friss téma
Fórum » Triak működése
Lapozás: OK   2 / 14
(#) Bártfai Ferenc hozzászólása Nov 9, 2007 /
 
a triac a kisérletezésembe nyunvadt bele.... amúgy működne a dolog csak nem akar begyújtani a szemét.. de várjon csak.. majd adok én neki.... felhúz... oszt kap majd jelnek vagy 50A-oszt egyből kinyit vagy begyújt vagy mit csinál de amúgy az A-t vagyis a mA-t hogy tudnám szabályozni???
Hülye kérdések egy zöldfülűtől
(#) ferci válasza Bártfai Ferenc hozzászólására (») Nov 9, 2007 /
 
I = U/R...
pl. 10 volt / 1k = 10 mA, ha elhanyagolod az Ug-t...
...stb...
(#) Bártfai Ferenc hozzászólása Nov 9, 2007 /
 
öcsém... ha ti nem lennétek én egyszer felgyújtanám a házat
(#) ferci válasza Bártfai Ferenc hozzászólására (») Nov 9, 2007 / 1
 
(#) Bártfai Ferenc hozzászólása Nov 9, 2007 /
 
Nézd már... ez működik és nem melegszik semmi... eddig minden remekül megy
(#) petitrial hozzászólása Dec 5, 2007 /
 
Hello, azt szeretném kérdezni, hogy mi a külömbség az opto-diac és opto-triac között? Köszi előre is
(#) fongab válasza petitrial hozzászólására (») Dec 5, 2007 /
 
Szerintem a diakot nem gyártják optoba. Az sima diódának néz ki, és 28-36V között elkezd vezetni. Lehet, hogy a rajz jelölése téveszt meg. Mert az opto-triaknál nincs jelölve a gate.
(#) Medve válasza fongab hozzászólására (») Dec 5, 2007 /
 
A diak nem dióda, mindkét irányban ugyanúgy működik. Létezik opto diac, ami egy triac indítására "optimalizált" optocsatoló, vagyis a LED helyett diac van.
(#) Medve válasza Medve hozzászólására (») Dec 5, 2007 /
 
Rosszul mondtam, természetesen a fotodióda helyett van a diac
(#) fongab válasza Medve hozzászólására (») Dec 5, 2007 /
 
Félre értettél. Hogy érhető legyek: A diak úgy néz ki, mint a dióda. Mert DO35 tokba van.
Másik lehet hogy tudatlan vagyok, de a opto-diakot nem értem. Hogy működik?
Ha a LED megvilágítja, nyitva van. Ha nem világítja meg 28-36V nál kinyit?
Esetleg típust tudsz mondani? hátha tudnám valamire használni.
(#) Medve válasza fongab hozzászólására (») Dec 5, 2007 /
 
itt van például egy tipus és az AN-780A című pdf-ben alakalmazási példákat is találhatsz...
(#) fongab válasza Medve hozzászólására (») Dec 5, 2007 /
 
Megnéztem AN-780A pdf et nem találtam amit találtam azok MOC3020, 3021, stb. és ott a leírásokba mindenhol triakról beszélnek.
Légy szíves a pdf et mentsd el és tedd fel valahová, vagy hogy lehet megtalálni: AN-780A
Előre is köszönöm.
(#) Medve válasza fongab hozzászólására (») Dec 6, 2007 /
 
Kerestem pár percig, de nem találtam én sem, ebben az adatlapban említik a 4. oldalon. Motorolánál kellene még szétnézni...
(#) fongab válasza Medve hozzászólására (») Dec 6, 2007 /
 
Jó akkor gondoljunk végig egy triakos, diakos kapcsolást. Mi értelme van az opto-diaknak?
Ha az opto-diakot nem világítod meg, nem vezet. Ha megvilágítod, 28-36V elkezd, vezetni. Mért akarok én várni, hogy létre jöjjön 28-36V.
Remélem az opto-triakos egyértelmű.
(#) Medve válasza fongab hozzászólására (») Dec 6, 2007 /
 
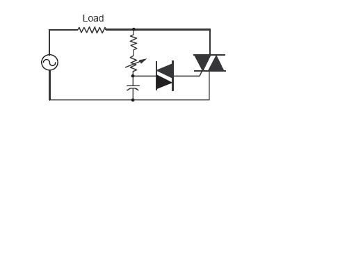
A galvanikus leválasztás, és a triac korrekt begyújtása az értelme. Itt van egy alapkapcsolás, ha ennek az engedélyezését akarod elintézni galvanikus leválasztás biztosítása mellett, akkor jó választás egy opto-diac.
(#) fongab válasza Medve hozzászólására (») Dec 6, 2007 /
 
Igen ezt a kapcsolást ismerem és használom. Ha kapcsolni akarom én azt a megoldást választottam hogy a ellenállás, poti, kondihoz sorosan teszek be egy opto-triakot.
Mert opto-diakrol nem hallottam, de ez lehet, hogy az én tudatlanságom.
Részemről befejezetnek tekintem, az eszmecserét, ne írjük teli az oldalt olyanról amit te állítasz, hogy van, én kételkedek benne. ( Egyik kollegám szokta mondani: Ha nem hiszel nekem, legközelebb én se hiszek neked. ) Hozzáteszem horgász, és amit előző nap kaptam halat, másnap elmesélve, én nem ismertem rá. De mindegy. Nem a horgászokat akarom bántani ez távol áll tőlem.
(#) tretuv hozzászólása Jún 6, 2008 /
 
Sziasztok!
Van egy írtó nagy kérdésem. A birtokomban van három alkatrész amiről fogalmam nincs hogy mi. Tokozását tekintve vagy triak vagy tirisztornak nézem a típus jobban mondva ami rá van írva: AEG D67 S1400c valaki ha tudja mi ez segítsen Köszönöm
(#) Peter65 válasza tretuv hozzászólására (») Okt 6, 2008 /
 
Kedves Tretuv!
Ha még aktuális, ez egy gyors teljesítmény dióda. Ifavm= 67A (100°C), Urrm= 1400V, Qs= 38,5 uAs, a ház az anód. Abban az AEG katalógusben, ami nekem van, a tokozat rajzán szerepel egy gyujtó bemenethez hasonló kivezetés, de nincs bekötve.
Üdv: Péter
(#) Corvinka hozzászólása Feb 14, 2009 /
 
Heló!
Én egy olyan áramkört építettem, amiben van egy 555ös ic astabil módban, ami egy 50%os kitöltésű jelet hoz létre. Ennek kimenete egy Triac vezérlő lábára van kötve.
A triac másik két lábára pedig 24V egyenáramot és egy 12 Voltos égőt kötöttem. Egy a probléma, hogy az égőn nem 12, hanem 24 Volt van. Mi lehet ennek az oka?
(#) El_Pinyo válasza Corvinka hozzászólására (») Feb 14, 2009 /
 
Szia!
Az oka egyszerű. A TRIAK egyenáramú körben a begyújtást követően nem alszik ki, akármilyen jelet is kötöttél a gate elektródájára. Egyenáramú körben, csak úgy lehet oltani a TRIAKot, ha megszakítod az MT1, MT2 elektródákon átfolyó áramot. Gondolom teljesítmény szabályozáshoz kellene, ez a fázishasításos teljesítményszabályozás, de ezt csak váltakozó áram esetén lehet használni. Ha PWM (impulzusszélesség moduláció) a cél, akkor használj inkább Fet-et.
Üdv.
(#) Corvinka válasza El_Pinyo hozzászólására (») Feb 14, 2009 /
 
Aha! Értem. Köszi! És ha Triac MT1 és MT2 lábra egy trafóról adnék 24 V váltóáramot úgy elméletileg működnie kellene ugye?
(#) Frodo94 válasza Corvinka hozzászólására (») Márc 14, 2009 /
 
Szerintem ez azért nem működne 24 V AC-val mert ugye gondolom diac-kal hajtod meg, ennek a nyitófeszültsége pedig ~30-32 V körül van. Ha rosszul mondtam légyszi javítsatok ki.
(#) gerry hozzászólása Márc 23, 2009 /
 
Első triakos kapcsolásomat tesztelgetem.
Visszaolvasva a forumot és hozzászólásokat elbizonytalanodtam.
Van egy pwm-es kapcsolásom amely egy TIC226-ot vezérel egy ellenálláson keresztül. A TIC226-os adatlapjába egy kicsit belekeveredtem angol nyelvtudásom hiányossága miatt, és mivel ezek a triakok érzékeny szerkezetek ezért nem szeretném tönkrevágni.
Ahogy olvasgatom az adatlapot az lenne a kérdésem, hogy jól veszem ki, hogy a TIC226-ot 0.7V 6mA-el kell vezérelni? Vagy hogy is van ez? A kapcsolásban egy tiny2313 vezérel. Mellékeltem a kapcsolást.

dimmer1.JPG
    
(#) didyman válasza gerry hozzászólására (») Márc 23, 2009 /
 
Dehogy érzékenyek ezek
A 0,7V a triak gyújtófeszültsége (a PDF-ben láthatod, hogy irány szerint ez eltér, 0,9V a tipikus maximum, ezzel nem nagyon lesz gondod), a 6mA a gate felé elfolyó áram egyik tipikus értéke, itt viszont 50mA-re illik méretezni (maximum érték), mivel az a maximum, ha ez az áram nem fog befolyni a triak felé, akkor a nyitása bizonytalan lehet. Erre az áramra csak impulzusszerűen van szüksége, tehát lehetséges pl. kondiban tárolni ezt a töltést, ha szükséges.
(#) gerry válasza didyman hozzászólására (») Márc 23, 2009 /
 
Hmmm. Ez érdekes, beüzemeltem a kapcsolást.
8 bites pwm-et használok a 2313-ban 37 lépés ben kapcsolja a pwm feszültséget 0V-0.7V-ig. Egy 150ohmos ellenállás van a gate-n. Mégis rögtön a 3.lépés után már teljes intenzitással világít az izző. Tudom hogy a pwm jel egy négyszögjel, amelynek a "H" szint ideje növekszik ill. csökken. Mégis hogyan kellene vezérelnem, hogy finomabb vezérlést kapjak?
(#) didyman válasza gerry hozzászólására (») Márc 23, 2009 /
 
Nem látom át a működést, valami móricka időábra nincs róla? A PWM feszültsége az mindig 0,7V felett legyen, ha jól sejtem, AC, hálózati delejjel óhajtasz dimmelni. Ehhez nullátmenetet kell detektálnod és a triakot ehhez mérten indítani, időben eltolva. A vezérlőjel lehet analóg, vagy digitális, mindkettőt komparálni/kivonni érdemes a hálózat pillanatnyi értékéhez/ből. Triakot PWM üzemben hajtani esztelen dolog, hiszen ha begyújt, ki nem alszik addig, amíg a nullátmenet nem közelít (helyesebben a tartóáram). GTO-t elvileg lehet PWM-ben működtetni, de minek: PWM esetén FET-et, IGBT-t használsz, olcsó, bevált, stb.
(#) gerry válasza didyman hozzászólására (») Márc 24, 2009 /
 
Most már megértettem! Nem fog működni a kapcsolás hacsak nem iktatok a mikrovezérlő és a triak közé egy MOC3020-at. Annak a diakján AC feszültség ill áram folyik, tehát AC feszültséggel dimmelek. A MOC3020 opto részét kapcsolom a mikrovezérlő PWM jelére. Találtam is egy bekötési ábrát itt valamelyik triakos forumban és az adatlapja is szolgál bekötési ábrával.

Akkor csak azt nem értem, hogy sok sok kapcsolás kering a neten triak vezérlésről, amiben mikrovezérlő vezérli a triakot sorba kötve egy ellenállással, PWM vezérléssel.
Köszönöm a felvilágosítást! :yes:
(#) didyman válasza gerry hozzászólására (») Márc 24, 2009 /
 
Nem, nem a csatolás hiányzik, az csak izolálás végett jó dolog. A triak+pwm-hez nem tudok mit szólni, működési elve miatt értelmetlen dolog PWM jellel vezérelni, hacsak a modulációt nem az AC nullpontjához igazítva használjuk, és "L" szintjén indítjuk, de ez nem igazi PWM, hiszen nem lesz fix frekije (itt ez kötötten 100Hz), hanem minden nullátmenetnél indul egy monostabil, ami egy vezérelhető hosszúságú "L" szint után egy fix szélességű "H" szintet küld az eszköznek.
(#) kemenygolya hozzászólása Aug 18, 2009 /
 
Sziasztok
Tudom hogy a kérdésem nem feltétlen ebbe a témába kapcsolódik, de hátha tudtok segíteni.
Építek egy Dimmert, a fényerő szabályzást triak intézi.
Mivel soha nem dolgoztam Triakkal a következő lenne a kérdésem. Ahogy nézegettem a Triakokat, csak 3 lába van. Melyik lábra mit kell kötnöm?
mert gondolom kell neki szabályzott táp, bemenő, kimenő áram.
De ez csak első tipp volt.
Köszönöm előre is a segítséget.
(#) Frodo94 válasza kemenygolya hozzászólására (») Aug 18, 2009 /
 
Igen, 3 lába van. Anode1, Anode2, Gate. Így hívják őket. Ha a tranzisztorhoz akarjuk hasonlítani, akkor az A1 és A2 felel meg a kollektornak és az emitternek, amire a terhelést kapcsoljuk, a Gate pedig bázisnak. Ide kell kötni a vezérlőjelet. Persze ez a tranzisztoros hasonlítást csak a könnyebb megértés miatt mondtam.

Én ezt kapcsolást építettem meg, nagyon egyszerű és jól működik.
Következő: »»   2 / 14
Bejelentkezés

Belépés

Hirdetés
XDT.hu
Az oldalon sütiket használunk a helyes működéshez. Bővebb információt az adatvédelmi szabályzatban olvashatsz. Megértettem