Fórum témák
» Több friss téma |
Mielőtt kérdezel, a következő két dolgot ellenőrizd!
I. A helyes tápfeszültségek megléte.
II. A kimeneten van-e egyenfeszültség.
Élesztés.
Igen,jól gondoltad,így kell hídba kötni.
Köszi értem,6.67R 300w ellenállásom van csuszkával lehet állitani,fémházban van az egész,régi Mechlaboros termék.
Én hidalva is ki próbáltam,és azt kell mondanom,hogy ott van a szeren.
Megjegyezném, hogy ha például két csatornás a gép, akkor mind két oldalára tégy azonos értékű és terhelhetőségű impedanciát és célszerű 0.78 Voltal indítani.
A hozzászólás módosítva: Ápr 4, 2013
Szia higy Beringer600 kollegának a hidalásról mindent tud ő egy Hidember
Hidat nem érdemes úgy csinálni, hogy az egyik ágat invertálóra alakítod, mert akkor nem tudod egyszerűen a hangerőt szabályozni, hiszen a két ágnak különböző lesz a bemeneti impedanciája.
Ezt megoldandó egy-egy műveleti erősítőt szoktak eléjük tenni, de ez felesleges. Az ábrán látható megoldással csak egy nem invertáló nagy impedanciás bemeneted lesz és nem kell elé műveleti erősítő. Az ábrán nem rajzoltam ki a teljes erősítőket a csak visszacsatoló elemeket és a bemeneteket szemléltettem, de remélem így is érthető. A hozzászólás módosítva: Ápr 4, 2013
Bármi NPN jó, ami 3MHz-es és bírja az terhelést, ami ebben a pozícióban van. BD9XX körül vannak ilyenek.
A jelgenerátorom ha arra gondolsz az 0-tól indul és a beállitott feszen belül lehet szabályozni a kimenetet rajta.A szkópom 2 csatornás az egyik felén van a jelgenerátor jele a másik csatornán a végfokból kijövö jel,igy hasonlitom össze a két jelalakot.
Üdv! A rajzon jobb oldali erősítő rész kimenete elég szokatlan jelet állít elő szimulátor alapján. Ránéznél?
A szkóp egyik csatornáját nem kell a bemenetre rákötni, csak addig amíg le ellenőrizd, hogy valóban 0.78 V és Színuszt jelt kap-e? Mind két csatornát egyszerre kell figyelni a kimeneten, (sztereó gépnél) majd 0V-ról indulva szép lassan tekered rá a voltokat a kimenetre kötött szkóp jelét nézed, amíg le nem skalpolt dombocskák nem lesznek láthatóak. Közbe egy multi is legyen még rákötve és nézd a kimenetre jutó Vdc-t mennyit jelez.
Értem,de ezek mono blokkok azért nem irtam a sztereót,vagyis csak mono blokkokat csinálok.
Értem. Akkor elég lesz csak az egyik csatorna is.
Majd csinálj fotókat is kíváncsi vagyok! De úgy, hogy a szkóp értéke és a multiméter kijelzője is látszódjék. Aztán osztunk-szurzunk.
Diszkrét elemekből szimulálva is OK. Valamint megy élőben ilyen elrendezésben számtalan példány a világon. Nálad a hiba.
Mindenképp de ezt már csak holnap,ma már nem kötözgetek
Rendben, mikor néztem még egy másik rajz volt csatolva 100µF kondival a visszacsatolásban. Látom azóta kijavítottad.
Holnap ilyenkor mennek a képek,vagyis jönnek ide.
Szia a CCLEANER megoldja,én naponta kikapcs előtt lefuttatom 1x és ennyi.
Hat elhiszem, plane ami a rajzon felvan tuntetve 200w-os tranyokkal. Mellekelem egy panelnek a rajzaval keszen vagyok, utanna majd holnap atrakom hogy egybol hidba kotve. Sikerult eleg kicsire a terv. Mint emlitettem en 2sc5200+2sa1943 al keszitenem el, ekkora tapfeszen ugyis birjak ezt az aramot.
A hozzászólás módosítva: Ápr 4, 2013
Ertem, de azert leirom mit fogtam fel: A non inverting bemenet az a T1 bazisa. Az inverting, az pedig a T2 es a ket T2 tranzisztor bazisat ossszekel kotni 1kohm-al. Egy kerdesem lenne, hogy az egyiknek miert 28k a visszacsatolas a masiknak meg 27k?
Mert az invertáló erősítése R2/R1 a nem invertálóé pedig 1+R2/R2. Tehát az invertáló erősítéséhez R2+1-et kell beállítani, hogy a két ág erősítése egyforma legyen.
Ertem, akkor majd a masodik panelnek 28k lesz a visszacsatolasban. Koszonom, es meg meg is ertettem hogy jott ki. De akkor jol ertelmeztem amit mutattal a blockrajzal,ugye?
Itt van konkrétan egy hasonló kapcsolással:
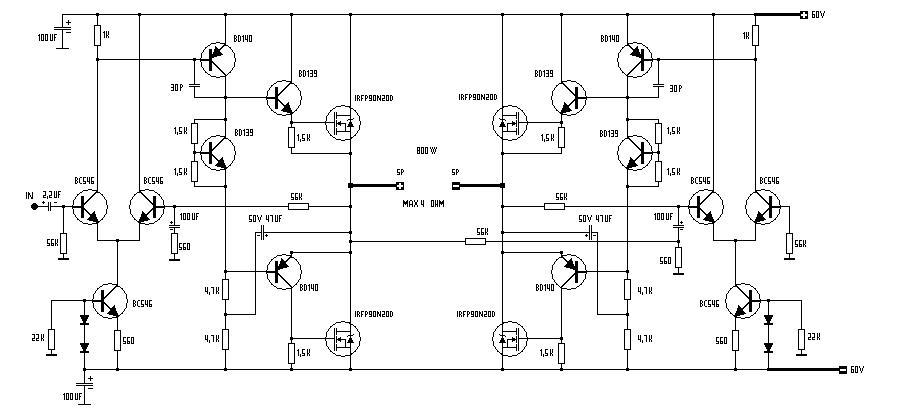
Mellékelek egy kapcsolást amitől megizmosodnak a mélyek.
Sziasztok! Volna egy kérdésem egy STK086-os IC-vel kapcsolatban. Melyik az a legkisebb feszültség amin még megy ez az ic? Tudom + - 50 és 42 voltot ír az adatlapja.
Szia! A belső rajza szerint áramgenerátorról megy a jelerősítője. Az ajánlott +/-42V-nak mélyen alámehetsz, akár +/-10V-ig is.
Köszönöm a gyors választ. Azért kellett ezt tudnom, mert egy próbanyákon ki szeretném próbálni őket. És nincs most itthon +/- 42 voltos trafóm.
Nem vitázni akarok az nem az én asztalom,de itt egy kapcsolás,és azon úgy van ki alakítva a fázis fordítás,ahogy én is szoktam csinálni.
|
Bejelentkezés
Hirdetés |








Majd csinálj fotókat is kíváncsi vagyok! De úgy, hogy a szkóp értéke és a multiméter kijelzője is látszódjék. Aztán osztunk-szurzunk. 







