Fórum témák

» Több friss téma
Fórum » PLL szintézerek lelki világa
Lapozás: OK   10 / 16
(#) Norberto válasza vadkacsas hozzászólására (») Feb 17, 2012 /
 
Nekem van itthon belőle jópár darab.

Csak el kell jönnöd érte, vagy postázhatom is, csak az plusz postai díj.

Akár 2306-ot, akár 2316-ot is adhatok.
(#) vadkacsas válasza Norberto hozzászólására (») Feb 20, 2012 /
 
Érdkelne adolog, légyszíves írd meg , hogy hol találkozhatnák !
(#) Panhard hozzászólása Feb 26, 2012 /
 
Sziasztok! A TSA5522 ic tudja a 10KHz-es lépésközt?
(#) Ferkógyerek válasza Panhard hozzászólására (») Feb 26, 2012 /
 
Szia!
Az adatlap szerint nem.
Azt írja, hogy a referenci oszcillátor minimum 3,2MHz maximum 4,48MHz lehet. A referencia osztó legkisebb osztása 512, ebből következik, hogy 10kHz-es lépésköz eléréséhez 5,12MHz-es kvarc kellene.
Mivel ez nagyobb az adatlapon szereplő max. 4,48MHz-nél, ezért mondom hogy nem.
Viszont ha sikerül 5,12MHz-es kvarcot szerezned, szerintem egy próbát megérne.
(#) Panhard válasza Ferkógyerek hozzászólására (») Feb 26, 2012 /
 
Köszi, esetleg tudsz ajánlani 10KHz-es lépésközű és I2C buszon kommunikáló PLL IC-t?
(#) Novak válasza Panhard hozzászólására (») Feb 26, 2012 /
 
LMX23XX sorozat tagjai. Pl.: LMX2322, LMX2306, LMX2316, LMX2326.
(#) Panhard válasza Novak hozzászólására (») Feb 26, 2012 /
 
Ezeket ismerem, ezek nem I2C buszosak.
(#) Ferkógyerek válasza Panhard hozzászólására (») Feb 27, 2012 /
 
Az LMX23xx sorozatán kívűl nem foglalkoztam részletesebben más soros beírású PLL IC-vel.
Meg kell nézni milyen IC-ket lehet kapni és végignézni az adatlapjukat.
(#) Panhard válasza Ferkógyerek hozzászólására (») Feb 28, 2012 /
 
Rendelek LMX2306-ot, azzal lesz a PLL, legfeljebb megismerem a Microwire interfész-t is, ha azt akarom, hogy működjön. Mekkora referencia oszcillátor kell rá, hogy tudja a 10KHz-es lépést? Üdv!
(#) Ferkógyerek válasza Panhard hozzászólására (») Feb 28, 2012 /
 
5-40MHz között mindegy, mivel a referencia oszcillátor osztója 3-16383 között állítható. A lényeg hogy 10000-el maradék nélkül osztható legyen.
(#) Panhard válasza Ferkógyerek hozzászólására (») Feb 28, 2012 /
 
Ok, 20MHz-es oszcillátorom van itthon, az lesz rajta. Még egy kérdés: A PLL cikkedben a Lock Detekt jelet hardveresen, a 14-es lábról vitted a PIC-be. Úgy volt egyszerűbb, vagy nem lehet kiolvasni belőle szoftveresen? (ha jól olvastam az adatlapját, akkor kilehet...)
(#) Ferkógyerek válasza Panhard hozzászólására (») Feb 28, 2012 /
 
Szerény angol tudásommal én azt olvastam ki az adatlapból, hogy csak az Fo/LD lábon jön kifelé információ az IC-ből. Amit viszont többféle funkcióra is fel lehet programozni. Igaz ezen funkciók közül az egyik a serial data output, ám erről semmi bővebbet nem találtam.
(#) Medve válasza Ferkógyerek hozzászólására (») Feb 29, 2012 /
 
Hello, hogy nincs erről bővebb, arról van nekem egy elméletem, miszerint ha az a kimenet "serial out"-ra van állítva, akkor egyszerűen csak az IC regiszterében lévő bitek shiftelődnek ki, az órajel szerint. Ellentmondás az elméletben az, hogy a kiléptetéshez kell ugye a CLOCK, s ha ilyenkor az adatbemeneten "nincs adat" vagyis fix a szintje, akkor az adat kiléptetődik a kimeneten, viszont a regiszter kiürül. Hogy ez ne történjen meg a kilépő adatot újra be kell írni. Na ennek igy nem látom az értelmét, mert az IC már nem működőképes, és minek kinyerni az infót belőle, ha azt úgyis tudjuk. Egy működő rendszeren talán könnyű erről megbizonyosodni, egy LED kell a kimenetre és egy kézzel léptetett órajel.
(#) Novak hozzászólása Ápr 13, 2013 /
 
Sziasztok!
Olyan problémával fordulok hozzátok, hogy egy kis, kb. 100 MHz-es oszcillátort szeretnék építeni, PLL vezérléssel kiegészítve.
Megépítettem már LMX2306, LMX2316, LMX2326 és LMX2322 típusú PLL-lel is az áramkört, viszont mind a 4 esetben ugyan az a probléma jelentkezett: (igazából nem csak 4 eset, mert már vagy 10 áramkört felépítettem, eltérő NYÁKokra)
Bekapcsolás után a PLL gyönyörűen behúzza a VCO-t a kívánt frekvenciára, azonban néhány másodperc után "elengedi". Ez azt jelenti, hogy a frekvencia is teljesen "szabadon futóvá" válik. Ha fém eszközzel közelítek az induktivitáshoz, akkor annak megfelelően változik is a frekvencia. Lényegében, mintha a PLL ott sem lenne.
A dolog érdekessége, hogy ha kikapcsolom, és pihen egy kicsit az áramkör, akkor újbóli bekapcsoláskor egy kis időre megint működik. A működés időtartama látszólag arányos a kikapcsolt állapot hosszával. Olyan, mintha abból adódna a hiba, hogy valamilyen kondenzátor feltöltődik, és adott feszültségszintnél történik valami.

A legbosszantóbb, hogy mindezt úgy sikerült elérnem, hogy 3 különböző forráskód a 3 különböző mikrokontrollerben (olyan programok, melyek biztosan jók), 3 teljesen eltérő NYÁK, 4 különböző PLL, 3 eltérő boltból... És mégis mindegyik áramkörnél (nagyságrendileg 10 darab) ugyan ez a hiba.

Amit ellenőriztem:
-A PLL referencia oszcillátora (6MHz és 10 MHz, mikor melyik) rendben, az nem áll le, és szép tiszta jele van.
-VCO a PLL nélkül tökéletesen működik, stabilan oszcillál, akár órákig is, tehát a VCO is hibátlan látszólag.
-Miután a PLL "elenged", egy teljesen véletlenszerű hangolófeszültség jelenik meg a varikap diódán, tehát nem ül ki sem GND-re, sem a pozitív tápra. Van amikor ez a feszültség stabil, van amikor pár tized V-ot ugrál.
-A PLL IC engedélyező lábra fixen a tápra van huzalozva, tehát az sem lehet, hogy standby-ba kerül.
-Tápfeszültség stabil, nem változik, nem esik le.
- Áramfelvétel amíg a PLL működik kb. 21-22 mA, utána megnő majdnem 30 mA-re. Sőt, olyat is sikerült produkálni, hogy bekapcsolás után 21 mA-ről indulva eljutottunk 28-ig, amikor is a PLL leállt, és maradt is 28 mA az áramfelvétel.

Teljesen tanácstalanul állok a tapasztaltak előtt. Ha valakinek esetleg lenne valamilyen ötlete, azt nagyon megköszönném.
(#) Medve válasza Novak hozzászólására (») Ápr 13, 2013 /
 
Hello, mi a helyzet a PLL regisztereinek újraírásával? Mi volt a számos próbálkozás esetében ugyanaz? (a hibán kívül)
A hozzászólás módosítva: Ápr 13, 2013
(#) Novak válasza Medve hozzászólására (») Ápr 13, 2013 /
 
Próbáltam szoftveresen azt is, hogy például másodpercenként folyamatosan újraírom a regisztereket,m és azt is, hogy egyszer felprogramozom a PLL-t, és utána elküldöm aludni az AVR-t, vagy LEDet villogtatni. Mindegyik esetben ugyan az történt, amit írtam.
Elemről táplálom, tehát feszültség-ingadozás miatt nem szabadna az LMX-nek elfelejtenie a regisztereket. (igen, próbáltam stabil tápegységről is, úgysem volt jó)
Kezdetben csupa 0805-ös alkatrészekből építettem meg az adót, kínomban most berendeltem egy 0603-as készletet is, új tranzisztorokkal, de semmi változás.
Egyedül a varikap maradt a régi, ezért azt is kicseréltem, de más típusú varikappal is teljesen ugyan azt csinálja.
Tápszűrő kondik is mások, hidegítésekről alaposan gondoskodtam. A nyák kétoldalas, alsó réteg gyakorlatilag összefüggő GND. Gerjedésnek nem szabadna lennie. Illetve nincs is, mert amíg nem ültetem be a PLL-t, csak az oszcillátort, addig minden olyan, ahogyan az meg van írva
(#) Medve válasza Novak hozzászólására (») Ápr 13, 2013 /
 
Mérni kellene! Például az időt a regiszterek feltöltése és a hurokszűrő elengedése között. Ha ez mindig ugyanannyi, akkor számítástechnikai és digitális eredetű lehet a probléma, ha ez változó, pl van hőfüggése is, akkor analóg probléma. Vélemény?
Ezeknek a PLL-eknek amúgy van 2 esetleg 3 típusú kimenetük is a hurokszűrő vezérlésére? (PDout, fiV-fiR) Vannak teszt kimenetei? pl amikor elájul a PLL, az osztók még működőképesek? Ha igen, a hiba a fázisdetektornál van
A hozzászólás módosítva: Ápr 13, 2013
(#) gtk válasza Medve hozzászólására (») Ápr 13, 2013 /
 
A VCO jel teljesitmenye mekkora ? Van koze az adatlapban megadottakhoz ?
(#) Novak válasza Medve hozzászólására (») Ápr 13, 2013 /
 
Az elengedési idő az kizárólag annak függvénye, hogy előtte mennyi időre volt kikapcsolva az áramkör. Minél több időre van kikapcsolva, utána annál tovább "bírja". De nem a tápágon van probléma, mert kikapcsolás után hiába zárom rövidre a tápot és a földet, hogy kisüssem az összes szűrőkondit, nem változik a jelenség. Próbáltam a hőfokfüggést is vizsgálni, de látszólag az nem befolyásolta a dolgot.
Én pont a fenti jelenség miatt gyanakszom valami kapacitás jellegű tényezőre, mert tényleg úgy néz ki, mintha egy adott kondenzátor feltöltődése okozná a hibát.
Sajnos most nincsen oszcilloszkópom, nem tudom megnézni, hogy az osztók utána még mennek-e...
Abból kiindulva, hogy egész pontosan 4 féle PLL IC-nél is teljesen ugyan ez a hiba jelentkezik, nem gondolnám, hogy a PLL IC-n belül van a hiba.
Valamilyen alapvető tervezési hiba lehet, csak egyszerűen nem jövök rá, mi az.

gtk: Próbáltam már azt is, hogy nem közvetlenül a VCO-ból csatolom vissza a jelet -hátha túl kicsi a jelszint-, hanem még a VCO után van leválasztó-erősítő fokozat, aminek a végén 10-13 mW mérhető. Onnan visszacsatolva is teljesen változatlan a helyzet.
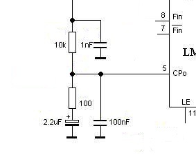
(#) Novak válasza Novak hozzászólására (») Ápr 13, 2013 /
 
Hátha kiszúr valaki valamilyen alapvető hibát; feltöltöttem a kapcsolási rajzot, és az egyik áramkör fényképét. A képen a PLL egy LMX2322-es IC, hanyatt beültetve és bekötve a NYÁKba
(#) Medve válasza Novak hozzászólására (») Ápr 13, 2013 /
 
Idézet:
„Sajnos most nincsen oszcilloszkópom,”

nem kell ahhoz szkóp, Fo/LD -t konfigurálod, és frekimérővel, vagy "frekvenciahallgatóval" ráfülelsz...gondolom 100kHz (?)
ja feltöltődés: Nem lehet, hogy valami lebegő, vagy nagyimpedanciás láb húzódik fel lassan? Próbáld meg a kóma és folyamatos írás mellett pl 1M-val testre-tápra húzni a lábait. Persze csak ésszel.
Ui.: A rajzzal kapcsolatban: DDS és LPT-s kalandjaimnál találkoztam a hamis clock jelenségével, így az adatvonalakat egy 100p-vel szűrni szoktam, de a hiba biztos nem ettől lehet.
A hozzászólás módosítva: Ápr 13, 2013
(#) Novak válasza Medve hozzászólására (») Ápr 13, 2013 /
 
Frekvenciamérőnek egy olcsó zsebrádióból megmentett, tized MHz felbontású kis áramkört használok, ami a KF érték miatt 10.7 MHz-cel kevesebbet mutat a mért értéknél, de a célra megfelel. A baj, hogy ezzel 20-30 MHz alatti jeleket már nem tudok mérni
De mivel több típusnál is ugyan ezt a hibát kapom, nem tartom valószínűnek, hogy a PLL IC-n belül lenne gond.
Vagyis nem tudom, lassan már ott tartok, hogy bármi lehetséges, még az ellenkezője is
Szerinted annak lenne értelme, hogy egy panelen csak a PLL-t ültetem be, és egy külső nyákon összerakok egy VCO-t, megnézni, azzal mit csinál? Vagy kiderülhet abból bármi is?
(#) gerenk válasza Novak hozzászólására (») Ápr 13, 2013 /
 
Szia !

Csak tipp, növeld meg a hurokszűrő késleltetési idejét és a VCO-ból visszacsatolt jel
nagyságát 3-4 pF kapacitással.
(#) Novak válasza gerenk hozzászólására (») Ápr 13, 2013 /
 
Visszacsatolásnál próbálkoztam 0.5-1-2.2-4.7-8 pF-os értékekkel is Sikertelenül.
Hurokszűrőnél pedig a mostani 1 µF helyett a többi 8-9 áramkörben 2x1µF volt. Viszont soros ellenállásnak 3.3 kohm volt bent mindenhol. Teszek egy próbát, 100 ohm / 2 µF-dal, meglátjuk. Azon ne múljon.
(#) Novak válasza gerenk hozzászólására (») Ápr 13, 2013 /
 
Kicseréltem a hurokszűrőt egy az egyben arra, amit feltöltöttél, és a visszacsatoló kondit is megnöveltem 4.7 pF-ra, de ugyan az. 10-15 másodpercig OK, utána vége a dalnak. Azért köszönöm.
(#) _vl_ válasza Novak hozzászólására (») Ápr 13, 2013 /
 
Visszamaradt gyanta alkoholos lemosásával próbálkoztál már?
(#) Medve válasza Novak hozzászólására (») Ápr 13, 2013 / 1
 
-Sejtem mire gondolsz, AM része nincs?
-Erős rontás ül ezen a PLL-en, szerintem inkább a chipet cseréld ki, vagy ezoTV. Vajon hogy működne egy MC145xxx?
(#) gerenk válasza Novak hozzászólására (») Ápr 13, 2013 /
 
Még egy javaslatom lenne, keveslem a 33 pF csatoló kapacitást ami a rezgőkörre viszi a
hurokszűrő jelet, megnövelném 1 nF-ra.
(#) Ballage válasza Novak hozzászólására (») Ápr 13, 2013 /
 
Szia! Nekem szinte szóról-szóra azonos a problémám. Építettem egy PLL-t 145 MHz-re MC145158-al meg egy MB501-es előosztóval. PIC-el hajtva egy ideig úgy tűnt, hogy tökéletesen működik, aztán elkezdte hajszálra ugyanezt a jelenséget produkálni. Bekapcsoláskor rendben megfog, de kb. 1-2 perc után mintha elengedne... :-o
Normális működés közben így néz ki: videjó.
A hozzászólás módosítva: Ápr 13, 2013
(#) Novak válasza Medve hozzászólására (») Ápr 14, 2013 /
 
Az IC-t nem szeretném kicserélni, korábban használtam ezt az áramkört, és nagyon megszerettem, nem volt vele problémám ezelőtt, és egyszerű programozni is.
Arról nem is beszélve, hogy a tok mérete alulmúlhatatlan, az áráról nem is beszélve
Ma még játszom vele egy kicsit, bár sok ötletem nincsen.
Következő: »»   10 / 16
Bejelentkezés

Belépés

Hirdetés
XDT.hu
Az oldalon sütiket használunk a helyes működéshez. Bővebb információt az adatvédelmi szabályzatban olvashatsz. Megértettem