Fórum témák
» Több friss téma |
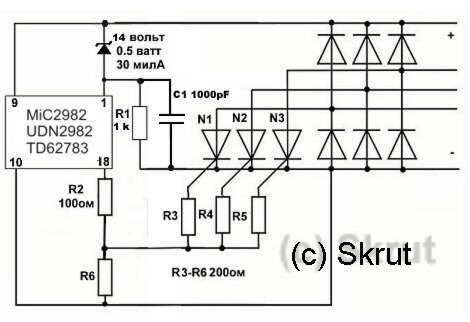
Nem jartam arra, hanem emlekszem hogy mikor tettem fel.
Eltelt 1.5 ev es eddig senkit sem erdekelt a dolog, legalabbis senki nem kerdezett rea a dologra, hogy hogyan sikrult. Amugy nekem elektronista ismesosom keszitette. Ezt is huteni kell, elegge melegszik.
Bátran fogj hozzá, szerintem jo az általam feltett kapcsolási rajz.
Csak a dobozolást jol gondold ki. Az enyém nem sikerült olyan kicsire mint a gyári. Sok sikert !!! Udv ATimi
Nekem a diódák helyett két Graetz van,evvel már elég sok helyet meg lehet spórolni
helló mindenkinek !
egy olyan kérdésem lenne hogy simsonhoz 6V-os rendszerhez kellene nekem feszültség stabilizátor kapcsolás. Néztem motorosboltba milyenek vannak de én azokat drágának találtam. Ha valaki tudna nekem segíteni az nagyszerű lenne. Előre is köszi a válaszokat.
üdv
meg tudná nekem mondani valaki, hogy egy fesszabályzónál, hogyan lehet kimérni, hogy melyik érintkező melyik? adott egy 3 fázisú univerzális fesszabályzó de semmi jelölés nincs rajta és így nem boldogulok sajna.
Sziasztok!
Én egy Yamaha Jog 2JA robogó generátorához szeretnék feszültség szabályozót építeni, valaki tudna adni valami rajzot? Előre is köszönöm!
sziasztok
van egy KTM 360 sx motrom es szeretnek egy feszultsegszabalyzot epiteni bele!! 2 sarga szal jon a tekercsrol amibe valtoaram van furdulattol fuggoen ugy 11-40 V. Valaki tudna egy rajzot adni leirassal mellekelve? 2 drb 12V 20 W-os egot kellene megbirjon!! (probalkoztam mar de sajna szo szerint nagyobb gazadasnal felrobbant a takolmanyom!! ....)
Üdv. Mindenkinek!
Segitséget szeretnék kérni.Van egy kínai robogóm,elszállt a feszabályzó.Vettem bele két fajtát,de egyikkel se jó a töltese.A motoromba nincs ellenállás a világitásnál.Olyan szabályzó ami benne volt nincs.Szétszedtem a régit,van benne 2 tirisztor BT 151,5 ellenállás,5 dióda 1N 4007,1 tranzisztor C9012,1 kondi 25 microF,es 2 zéner aminek nem tudom az értékeit.Találtam a motelek.net-en hasonlót,de ott sincs a 2 zener értéke megadva.Meg tudja valaki mondani az értékeket? Előre is köszönöm!
Sziasztok!
Nincs véletlenül valakinek ehhez a kapcsoláshoz nyákrajza? Előre is köszönöm! Üdv.:Tamás
Sziasztok!
Milyen feszültségszabályozó áramkört ajánlanátok egy olyan simsonra amelyen babetta alaplap van? A tekercsek "nagy vasmagos" 30 Watt körüliek.Egy tekercsről szeretném tölteni a 12 voltos zselés akkumulátort,ezt lehetőleg nem szeretném túltölteni a géppel,vagy felrobbantani.A motorról annyit kell tudni hogy az egész hátsó világítás a féklámpával együtt LED-es.Az irányjelzők is LED-esek,szóval nem amperzabáló az eddigi konstrukció. Remélem küldtök valamilyen megbízható kapcsolást!Köszönöm! A hozzászólás módosítva: Márc 10, 2013
Hali.
Lenne egykét kérdésem hozzátok. Ha motorbiciklibe ólomakkumulátort a lehető legprofibban akarnánk feltölteni akkor milyen módszerrel kell azt tenni? Tegyük fel van benne 12V, akkor adok rá pl labortápról tegyük fel 12,5V-ot felfog venni olyankor pl c1/1O-es töltő áramot. Majd mikor leesik pl c1/5O-re emelek pár tizeded a feszültségen addig míg nem lesz megint c1/1O a töltőára. Mindezt addig ismételgetném míg el nem érné kb a 13V-ot és afelett már úgy állítgatnám hogy pl csak c1/3O-al töltse egészen addig míg el nem érné a 14V-ot. Nem kell h maxra töltsem csak legalább vagy 75%-ra szóval elég a 14. Ezzel a módszerrel nem nyírnám ki az akkut? A profi processzor által vezérelt töltők hogyan működnek? Megadják neki a pl 14,4V-ot és az áramot korlátozzák vagy pedig direkt kevesebb feszt adnak neki hogy eleve kisebb legyen az áramfelvétel és ne haladja meg a pl c1/1O-et? Azért érdekelne engem ez, mert van egy tápegységem 2OV-os. Azon van egy fesztabi lm338. Azon beállítanák olyan feszt hogy c1/1O-et ne haladja meg, majd növelem a feszt mikor csökken a áramfelvétel stb.. az úgy rendben? Nem ártanák én így ezzel az akkunak? Mert egyébként vadi új az akku délután öntöttem bele a savat. Előtte 0V volt benne szárazon az úgy jó? Majd bele a sav eltelt 1 óra megmértem és azóta is 11,9V-on van. Abból gondolom h az úgy nincs maxra töltve... és szeretném tölteni azzal a kis LM 338-al. Természetesen amennyiben azzal így lehetséges anélkül, hogy egy kicsit is ártanák neki. Előre is köszönöm a választ.
Szia! Egy "sima" ólomaksinál az C/10 töltés az jó. Ezt stabilan tartani áramgenerátorral tudod, a feszültség nyilván változni fog, mert a kettő igencsak összefügg. Ha elérted a 14,4V-ot, akkor le kell kapcsolni, ekkor kb 95-98% lesz a töltöttségi szinted.
Ha nagyon profi akarsz lenni akkor e teljes töltöttség elérését(ami nem a ráírt kapacitás, hanem az állapotától függően kevesebb lesz) úgy tudod ellenőrizni, hogy méred a savsűrűséget vagy a feszültséget amikor már nem emelkedik tovább, akkor készen vagy. Ezt nekünk úgy kellett végezni (ill. voltak procis töltők, azok csinálták már amelyik aksira jutott ), hogy óránként kellett rá mérni, a töltőáramot viszont vissza vettük C/20-ra.
És ha én növelem folyamatosan a feszültséget úgy, hogy c/1O-től feljebb soha ne mennyen, egészen addig míg el éri a 14,4V-ot az úgy rendben van?
Természetesen pl 13V felett mondjuk már csak c/2O-at adva neki. Ezzel így nem nyírom ki? Ez így neki ha úgy vesszük megfelelő töltés? Az lenne a fő kérdésem, hogy egy erre kitalált profi töltő úgy működik-e h arra a c/1O-es értékre úgy állítja be, hogy a feszt állítja be olyanra h pont annyit vegyen fel? Vagy megadja neki folyamatosan a 14,4V-os és áramkorlátoz ozt csókolom? Mert ugye én csak az előbbit tudnám neki most megcsinálni, az úgy jó módszer? Köszönöm a válaszod.
13V-nál fölösleges csökkenteni, 14,4-nél amiatt kell mert ott indul meg a gázfejlődés. Ha van 14,4V stabil feszed egy áramkorláttal, az tökéletes. De van itt sok aksi töltő kapcsolás.
A második része a kérdésednek: van két képlet U=P/I és/vagy U=I*R (mindegy milyen formában írjuk) ebből látható, hogy az áram változásával a feszültség is változik és fordítva. Nem lehet olyat csinálni, hogy a feszültség 14,4 V az áram pedig változik, a kettő mindig egyszerre fog változni! A töltő felől nézve az akkumulátor is csak egy terhelő ellenállás, aminek az ellenállása a töltöttség mértékétől függően változik. Minél jobban töltött anál nagyobb. (Az már egy teljesen más amikor kisütöd, akkor pont fordítva: akkor a legkisebb a belső ellenállása amikor fel van töltve.) A hozzászólás módosítva: Márc 12, 2013
Köszönöm szépen a válaszokat, sokat segített!
Helló! Lenne valakinek ehez a feszültség szabályozóhoz bekötési rajza! Gilera Stalkerből van kiszedve! http://loobeltmotor.superwebaruhaz.hu/item/36798
Nagy segítség lenne ha valaki meg tudná mondani mit hová legyek kötve! Elvileg ez indexet is szabályoz de még nem tudtam rájönni hogyan kell használni!
Üdv mindenkinek nekem erről a típusú fesz szabályzóról lenne kérdésem:"http://citybike.hu/spd/246030162/Feszultsegszabalyozo_Aprilia_PureJet_Atlanti_koku"
Melyik kivezetésre mit kell kötni?
Sziasztok!
feltöltök 2 orosz oldalon talált rajzot, az lenne a kérdésem, hogy melyik rajzon áll jól a diódához képest a tirisztor? Vagy teljesen mindegy, hogy merre áll? Előre is köszönöm a választ!
Sziasztok!
Vásároltam egy honda transalp 600 mocit ,87.évj.a C.D.I. tönkrement benne ,tipusa MM9 CI529 küldenék egy szétszedettről fotót ,az a baj nem lehet kapni alkatrészeket hozzá tudnátok nekem segíteni mivel lehetne pótolni. Köszönöm szépen előre is a segítségeteket. Üdv.: Franszuá7 A hozzászólás módosítva: Márc 20, 2013
Sziasztok!
Van egy kymco vivio robogóm. Elég sokat motorozok országúton éjszaka, és gyári fényszóróizzó igen csak gyengécske, és még tiszta időben is elég rosszul látok éjjel, de ha még esik az eső, köd van stb, akkor csak reménykedem hogy ne ugorjon elém valaki vagy ne legyen kátyú előttem, meg ilyenek. Emiatt szeretnék egy xenon égőt beleépíteni. Az a probléma, hogy a xenont nem köthetem rá közvetlenül az akkumulátorra, mert lemerítené. Olyan az elektromos rendszere a robesznak, hogy a generátor két körös (plusz még egy gyújtás tekercs): az egyik körről megy az akku töltés egy kis fesszabbal. Ez nem tölt eleget vissza ahhoz, hogy ellássa a xenont ehhez nem is szeretnék hozzányúlni, nehogy a gyújtáselektronika lássa kárát az ügyködésemnek. A másik körről meg megy a lámpa. Én valahogy úgy akarom megoldani a szabályozást, hogy alapjáraton ugye a generát kb 7-8V-ot ad le. Ilyenkor a xenon kialudna, ezért ha a feszültség lecsökken akkor az akksi megeteti a xenont. Viszont amikor elkezdem húzni a gázt, akkor meg a generátor már termel elég villanyt, hogy a xenont ellássa valamiféle szabályzón keresztül. Erre keresnék valami kapcsolást. Úgy gondoltam, hogy az akksiból jövő ágba és a külön fesszabályzóból jövő ágba is tennék egy-egy diódát, hogy visszafele ne folyhasson áram. Valamint a fesszabályzó feszültségét magasabbra, 14V körülire választanám, hogy a xenon menet közben erről táplálkozzon.Ha valaki tudna szolgálni valamiféle kapcsolással, akkor nagyon megköszönném ![]() Még egy dolgot nem értek az elektromos rendszerben. Van bent az orridomban 2 nagy ellenállat. Az egyik 30, a másik 5W os. Melegszenek is rendesen, de nem tudom hogy mire valók. A világítás meg váltóáramot kap szerintem, de nem tudom hogy a feszültséget hogyan szabályozza. Esetleg az egy járható út lenne szerintetek, hogy a gyári égő helyére kötném a xenont az említett módon úgy, hogy a váltófeszt egyenirányítom, pufferelem és az így keletkező 16-17V-tot egy 7815-tel (esetleg egy izmos tranyóval kiegészítve) stabil 15V-tá redukálom, ami a diódán esve 14V, ami már elég lenne a xenonhoz. Alapjáraton járva az említett módon az akku etetné, úgyhogy ebből nem lenne problem. Teljesítményben a xenon elektronikával együtt kb 40W-ot eszik tehát nem terheli lényegében jobban a generátot. Előre is köszi a segítséget
sziasztok
Következő kapcsolást néztem ki a motoromhoz.A következő kérdésem lenne: A monitor szálat ami a rajzon van hova érdemes kötni? Gyújtáskapcsolora? vagy az akkumlátorra? köszi előre is a segítséget
Hi Mesterek
Nekem egy régi 12V dinamós motorba szeretnék építeni egy kapcsolást/feszültség szabályzót. Két kapcsolást találtam, szerintetek melyik lenne a jobb? Válaszokat segítséget előre is köszönöm.
Egyik sem.
A dinamó egyenfeszültséget ad, ezek pedig állandómágneses generátorok szabályzói.
Haladok a fentebb említett párhuzamos "söntölős" fesszabályzómmal.
![]() Eltört az olajvezető csöve a motornak, így szét kellett kapni, izzókat is csak cserélgettük, mert egy ideiglenes megoldással sikerült csökkenteni a izzócserék számát, de így is sok volt. ![]() Még csak kezdetleges, de azt hiszem megvan a megoldás, hogy mivel válthatnám ki a japánok gyári fesszabályzóját, amiből az eredeti is elszállt, és a pót is. Mondtam faternak, hogy ne vegyünk többet. Kikisérleteztem a következőt. A gyári párhuzamos szabályzó a yamaha jog 3kj motoromban úgy működik, hogy rajta van közvetlenül az izzókon a motor világító tekercse, így semmi védelem nincs, hogy nagyobb gáznál ne füstöljön az izzó. Erre az áramkörre kapcsolódik a szabályzó, nem sorosan, hanem PÁRHUZAMOSAN, ami figyeli a váltófeszt(mert még egyenirányítva sincs), és ha az megugrik gáz adásnál, akkor a szabályzó leterheli a kört annyira, hogy a világító tekercs ne tudja kompenzáli a feszültséget 12V fölé. Egy trafóval szimuláltam a v.tekercs váltóáramát. Egy greatz híd után raktam egy Fetet sorosan egy diódával közvetlenül az egyenirányító +, és - kivezetéseire, és egy 555 áramkör vezérli ezt. Tekergettem az 555 "vezérlő" potiját, így leterhelte az egyenirányítót, de mivel a fetnek nem volt bordája nagyon felforrósodott, így csak pár pillanatra láttam, hogy a trafó AC, azaz a greatz elötti résznél leesett a feszültség, egyenirányítón keresztül. Úgy csinálnám meg, hogy 17V DC-nél ne legyen több a legnagyobb gáznál sem(ez 12VAC-nak felel meg). Erről a 17VDC-ről egy led világítana, a potit pedig kicserélném egy fényérzékeny ellenállásra. Ahogy erősödik a led fénye úgy vezérli majd az 555 a Fetet. Tudom, hogy járható út, kell kb még 3 db FET, és borda is, plusz olyan helyen helyezem majd el a bordát, hogy érje a menetszél. VAGY szétszedem a motor kábelezését, és normálisan megcsinálom a soros szabályzást. ..csak ez a párhuzamos nagyobb kihívás, és talán megmaradna a motor az eredeti állapotában. ![]() Üdv.Tomi A hozzászólás módosítva: Ápr 14, 2013
Üdv!
Én készítettem már több sönt(párhuzamos)szabályzót Simsonba. Volt 6 ill. 12V-os is. A legegyszerűbb egy graetz, egy zener, egy tranyó és pár ellenállás. Tökéletesen működnek azóta is. Csatoltam. A zener értékét válogatni kell. Lehet 10 vagy 11 V-os lesz jó. A graetz akkora legyen legalább, mint a világítástekercs. 3-6A-os jó. A tranyót hűtőbordára kell szerelni, de igazán csak akkor melegszik jelentősen, ha kiég esetleg az izzó, mert ilyenkor a teljes teljesítményt elfűti. Ha kapcsoló van az izzóval sorban, akkor a szabályzót is a kapcsoló után kösd! Egy szabályozható táppal szokom próbálni, 2-3A-ra állítva növelve a feszt látod, hogy hol kezd szabályozni(ahol áramgenerátoros üzembe megy át a táp és a fesz nem nő tovább. A bemenete felcserélhető a graetz miatt( a test ill a tekercs kivezetése)
Nem hittem volna, hogy ilyen egyszerű.
![]() Valószínűleg valami ilyesmi van a gyáriban is ezek szerint, beépítve az akku töltővel, és ezt a két elektronikát kevesebb, mint egy 4x4cm-es kis műgyantás, hütőbordás tokkba préselték bele. Az akkutöltő működik nem tudom hány éve, de ez már hiányzott. ![]() UI: Valószínűleg a fet azért füstölt,(de még működik most is, szóval itt nem igaz az, hogy "füsttel működik.. blablabla.. " és forrósodott fel, mert kapcsolgatva volt az +, - .Így szerintem valami olyasmire kényszerítettem a fet-et, mintha én kézzel összeérintgettem volna a 2 pólust, szikrázások kiséretében, a tranyó meg gondolom folytonosan vezet, gondolom a megfelelő szinten. Köszönöm szépen. A hozzászólás módosítva: Ápr 15, 2013
...tegyél a greatz egyik pólusa, és a tranyó közé egy biztit, ami pont picivel nagyobb, mint a legnagyobb gáznál leadott amper.
Így ha nem söntölne az izzó, mivel eldurranna, akkor biztos több ampert adna le a világító tekercs, mint akkor, mikor az izzók rajta vannak, szóval ha ez így van, akkor kiold a bizti, így megmarad a tranyó.
Szia!A két ellenállással kapcsolatban:az 5 ohmos a szivatófűtőpatronjának soros ellenállása.Indítás után azonnal váltakozófeszültséget kap a világítótekercsről a szivató és az 5 ohmos ellenálláson keresztül záródik ez az áramkör.A szivató patronja felmelegszik,lezár -a fordulat visszaáll.Ez áram alatt van ,míg jár a motor.
A 30 wattos az egy műterhelés arra az esetre ha a világítás nincs felkapcsolva,ekkor az energiát a fesszabályzó nem tudná lesöntölni gond nélkül,ezért a fesszabályzó felé ilyenkor a 30 Wattos ellenállás terhel a világítás helyett.Ha ég a világítás akkor az ellenállás ki van iktatva,a világítás terheli kört. A világítás erősségével kapcsolatban pedig először megnézném a foncsort,stb mert nekem két egyforma motorom van,az egyik kissé viseletes foncsorral alig világít,a másik ujabb foncsoros szinte vakít,ég és föld ugyanolyan égőkkel.Kymco Fever ZX mindkettő.Nincs -e a Tiéd is elégve?Mert akkor akármit teszel bele,nem lesz valami jó. Remélem tudtam valamit segíteni. |
Bejelentkezés
Hirdetés |





....) 





ehhez nem is szeretnék hozzányúlni, nehogy a gyújtáselektronika lássa kárát az ügyködésemnek. A másik körről meg megy a lámpa. Én valahogy úgy akarom megoldani a szabályozást, hogy alapjáraton ugye a generát kb 7-8V-ot ad le. Ilyenkor a xenon kialudna, ezért ha a feszültség lecsökken akkor az akksi megeteti a xenont. Viszont amikor elkezdem húzni a gázt, akkor meg a generátor már termel elég villanyt, hogy a xenont ellássa valamiféle szabályzón keresztül. Erre keresnék valami kapcsolást. Úgy gondoltam, hogy az akksiból jövő ágba és a külön fesszabályzóból jövő ágba is tennék egy-egy diódát, hogy visszafele ne folyhasson áram. Valamint a fesszabályzó feszültségét magasabbra, 14V körülire választanám, hogy a xenon menet közben erről táplálkozzon.


" és forrósodott fel, mert kapcsolgatva volt az +, - .




