Fórum témák
» Több friss téma |
weller RT sorozatú betéthez készített valaki vezérlést? ( Weller WXMP és WMRP pákákhoz jó)
Jelenleg dolgozom rajta, és simpi is kísérletezget.
Létezik valami viszonylag egyszerű vezérlés? (ami publikus)
A hőérzékelő hogy van ezekben? Az egyik pontja és a fűtőszál egyik vége közös?
Nem létezik, és egyszerű nem is lesz, mert a fűtőszál belső csatlakozás egyben a hőérzékelő hőelem, ami megbonyolítja kicsit a helyzetet.
A hozzászólás módosítva: Ápr 14, 2013
Sziasztok szeretnék kérdezni.
Kapcsolási különbség: kb. 6K Maximális termosztátról van szó,hogyan értendő ez a szöveg,megadja a hőfok beállíthatóságát celziusz-ban ezt meg K-ban, a 6K menyi c-fok? A hozzászólás módosítva: Ápr 22, 2013
Üdv! Érdeklődöm, hogy ez a képlet: T=R-R0/(R0x 0,00385) LR-21-es pákához is jó? Valamint, hogy akkor 1mA-nél több áram is folyhat a termisztoron?(Ahogy néztem vzoole rajzán is több folyik.) Végül a TCP betét nem egyezik méretre esetleg az LR-21-essel, és jó e bele TCP hegy? Köszönöm!
A hozzászólás módosítva: Okt 5, 2013
Szia
"Érdeklődöm, hogy ez a képlet" A forrasztópákáknál hőellem van NiCr-Ni ( legalábbis a tudomásom szerint ) A felhúzó ellenállás azért kell hogy ha elszakad a hőellemnek a vezetéke akkor a fűtőtestet ki kell kapcsolni. ( Mert túlfűt ) Nem egészen jó ha több mA folyik át a mérőeszközön ( mert melegebbet jelez ki (felfűti az érzékelőt )) Én ezt a táblázatot használom: Bővebben: Link üdv. A hozzászólás módosítva: Okt 5, 2013
Üdv!
Igen, jó hozzá! Minden Weller-ben platina szenzor van a hőmérséklet érzékelésére. Én is láttam már nagyobb árammal üzemelő gyári weller kapcsolást, nem tudom miért volt így. De akárhogy is van, egy platina szenzoron nem illik 1mA-nél nagyobb áramot átfolyatni.
Jól mondod így van, csak pont a Weller az, aki másképpen oldotta meg.
Köszi!
fongab: igen a hőelemest ismerem, a Weller termisztoros. A hozzászólás módosítva: Okt 5, 2013
Szia
Akkor elnézésedet kérem. Üdv. A hozzászólás módosítva: Okt 5, 2013
Semmi gond, köszi a segítő szándékot.
Szia!
Folyhat benne nagyobb áram is, akár 10mA is. Azért illik minél kisebb áramon hajtani, hogy alacsony legyen a saját hőtermelés. De ez egy 300°C környezetben nem igazán számít. TCP fűtőbetét = LR21 fűtőbetét. Csak a felirat más.
Akkor nem megy tönkre nagyobb áramtól, oké, köszönöm.
Nekem LR-21-nél 10mA folyik át rajta. 6 éve.
Gondolom Wellerhez nincs táblázat a hőfok-ellenállás értékekről? Akkor 450 fokon kb. 57 ohm a termisztor ellenállása?
A hozzászólás módosítva: Okt 6, 2013
Csak ezzel tudok szolgálni. Ezt még a saját vezérlőmhöz készítettem.
A "C" oszlop a szenzoron eső feszültséget mutatja 1mA-es mérőáram esetén. A "D" oszlop az erősítés után kapott feszültséget. Az "E" pedig az ehhez tartozó ADC értéket. Az első kettő gondolom egyértelmű.
Köszi! Nincs meg txt-be pl.? Most pont nincs fennt semmim xls-hez.
Köszönöm! Úgy néz ki a programom már működik nagyjából, ellenállással teszteltem.
A hozzászólás módosítva: Okt 6, 2013
Megint ugrott a Weller, erről ennyit. (Nem várt meg az eladó, ezzel befejeztem.)
A hozzászólás módosítva: Okt 21, 2013
Üdv! Valaki akinek gyári Weller állomása van, legyen szíves mérje már meg 300°C-on, hogy hány ohm a szenzor ellenállása. Köszönöm! (Tudom van képlet, pont azért.)
A hozzászólás módosítva: Dec 6, 2013
Szuper, köszönöm!!!
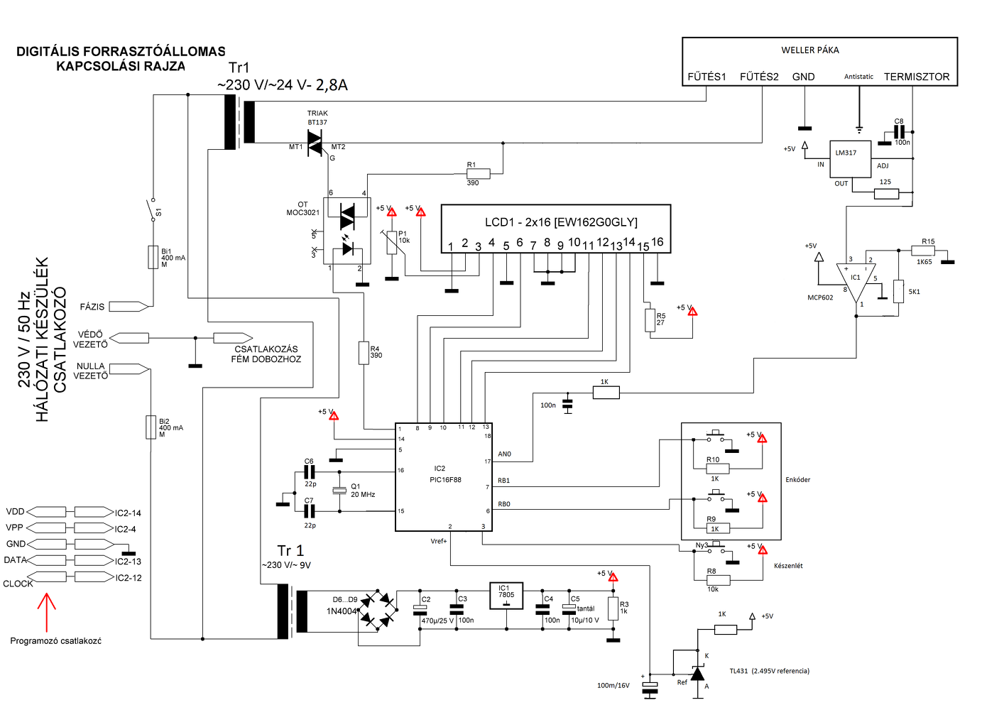
Üdv mindenkinek! Elkészült a Weller állomásom, amely a fórumon található digitális forrasztóállomás II. átépítéséből jött létre. Készítettem új nyák tervet is, de végül én nem gyártottam le, mert volt még a régiből, azt is egyszerű átalakítani, ha valakit érdekel felteszem a nyákot és a hex fájlt is. Én levágtam a nyákból is a felesleget, az LCD-t pedig kábel helyett csatlakozóval szereltem a panelhoz.
A hozzászólás módosítva: Jan 5, 2014
Szia ! Gratulálok, szép lett . Engem érdekelne a nyák és a hex , szeretném ha feltöltenéd.
Elkészült az 1.1-es nyák verzió is Feki gyártásában. Bővebben: Link
Akkor már én is beállok a sorba az én állomásommal , egyedi amolyan "special edition" a többi a link alatt. Bővebben: Link
|
Bejelentkezés
Hirdetés |









