Fórum témák
» Több friss téma |
Sziasztok!
Segítségeteket szeretném kérni! Építek egy 5.1-es hangrendszert az erősitők meg az ilyenek meg vannak csak nem tudom hogy hogyan lehetne megoldani hogy távirányítóval tudjam vezérelni a hangszínszabályzókat. A másik hogy hogyan tudnám leválasztani a mélyet és a magasat egymástól?! Ezekben szeretnék segítséget kérni! Üdv: Roland
Hy!
A mélyet, magasat aktív hangváltóval meg tod oldani. A hangszínszabályzó potijait ki tod váltani digit potival ( DS.......), majd a potik nyomógombjait kis relékkel működtetheted. A reléket pedig infra vevővel és PIC segítségével kapcsolgathatod. Szerintem ennyi az egész.
low-pass-filter, high pass filternek pedig tökéletes egy 47-100-200 µF-os becsatolókondi az erősítő elé (kisebb érték, alacsonyabb alsó határfrekvencia...) ezek a kondik kb. 150-200-300Hz fölötti frekvenciát engedik át (egy bizonyos db/okt-val)).
távirányítóhoz azt tudnám hozzátenni, hogy így elég sok "DSxxxx-et" kellene kapcsolgatnod, így az az ötlet jutott eszembe, hogy: -Van egy kínai távirányítós kisautó, fel-le jobbra-balra funkciókkal. -autó szétszed, és meg kellene csinálni, hogy a jobbra-balra jelre lehessen kiválasztani, hogy melyik funkciót akarod változtatni (pl. égne mellette egy LED, hogy lásd is mit állítasz), a fel-le funkciókkal pedig változtanád a digit. poti értékét. Ezt egy léptető IC-vel meg lehetne csinálni. kicsit bonyolult, csak úgy, mint PIC-kel (bár lehet, hogy PIC-kel egyszerűbb, ha az embernek van egy kis háttere PIC programozással kapcsolatban...)
én három darab lm 1036 al oldottam meg ezt a dolgot.
ez az ic tud mély, magas hangszint, balanszot és hangerőt. az adott vezérlő bemeneteket összekötöttem(pl. mindhárom ic mély szabályzó bemenetét egymással). és egy régebbi orion tv ből kiszedett távirányító vevőre kötöttem. Ebből a tv ből kitermelésre került még egy szenzoros csatornaválasztó. ezek a tvk úgy működtak, hogy a távirányító tudott három analog funkciót kezelni (hangerő, fényewrő színtelitetség. ) ezek lettek rákötve az lm 1036 ra. (hangerő, mély, magas) a szenzoregység led jeire meg rákerült egy-egy tranyó azokra egy -egy relé. és ezzel váltom a bemeneteket. így most van egy 8 bemenetes 5.1 es erősítőm ami távirányítható. Sőt ehhez sikerült szereznem egy számítógépes 5.1 es hangfalszetthez való "dekódert" amin van egy optikai bemenet, meg 6 kimenet. így már az erősítőm optikán is tudja fogadni a jelet.
Nem tudnátok valami kapcs. rajzot is mellékelni??
Nagyon megköszönném ![]() ![]() ![]() Roland
Szia.
Nem tudnál valami leírást adni ahhoz a távirányítós dologhoz? Mert nekem is van itthol két régebbi szines tv. És pont erősítőt építek. A tv-kben saa ic volt, neked nem ilyen véletlenül?
az lm 1036 os ic re épített fesz. vezérelt szabályzó rajza szerintem megvan itt is az oldalon. A táviránmyító vevőről tudni kellene hogy milyen tv ből való.
a magyar gyárak rengeteg távirányítós rendszert gyártottak. az enyémben is valami saa van, ez egy orion mór tipusú tv ből lett kiszedve. ez a tv szenzoros programválasztóval van szerelve. de gyakorlatilag alkalmazható az infracolor 2000 vezérlése is csak ott a bemenet választás egy kicsit cikisebb. sőt nem is nagyon megoldható. de ki és bekapcsolni, meg hangerőt, hangyzínt állítani azzal is lehet. Írd le hogy milyen tv tek van és akkor keresek valami rajzot hozá.
Megnéztem kinn a műlyeben a kínálatot.
Van 3 db infracolor 2000, akkor gondolom ez nem jó. Az ic benne: SAA1293A
az infracolor 2000 vevője is megfelel erre a célra. Ez ki és bekapcsolást, meg négy funkciót tud kezelni. ez lehet pl. hangerő, basszus, szoprán, ballansz. A bemenetválasztás ezzel a procival nagyon korlátozott, mert ez feszültségvezérelt tunerhez készült. esetleg az AV kimeneteivel lehetne játszani és akkor pl. tudnál 2 bemenetet választani.
Én a helyedben csinálnék hozzá egy tápegységet, meg szereznék egy vidi feszvezérelt rádió tunert, kf et st dekódert. és akkor lenne egy 29 programhelyes, táviárnyítható 5,1es rádióerősítőd. Konkrét rajzot keresek az saa1293 as ic re épülő vezérlésről. és ha megvan felteszem ide
A rádiótechnika évköünyv 1993 as kötetében van részletes leírás erről a prociról. ebben példaképpen le is van rajzolva a videoton infracolor 2000 res vezérlése is.
Meg van nekem a kötet, de rendes könyv alakban, így nem tudom ide betenni. megvan a tv szervízkönyve is az is nyomtatott formában.
Köszönöm a segítséget, megpróbálom mekeresni a könyvet valahol a neten, hátha fennvan.
Jó lenne ez a táviráyítós cucc.
Az rt évkönyvet ugyan nem, de az saa1293-as ic adatlapját megtaláltam, nem kicsit érthetetlen nyelven(orosz).
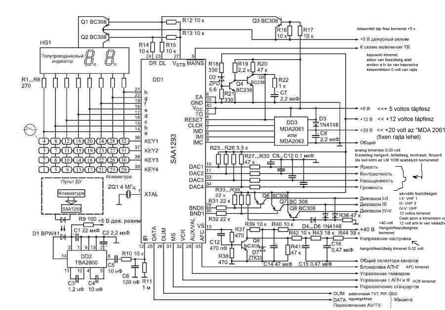
Belinkelek ide egy rajzot. Mit hová kössek rá? És feltétlenül kell neki aza 20V? u.i.: kipróbáltam, adtam rá 12V-ot, mert volt ott egy stab ic (7805), és beindult, a kijelzőn egy 1-es volt, ha a távirányítón megnyomtam egy számot, akkor arra váltott, több dolgot nem néztem rajta, mert hideg volt a műhelyben. :yes:
Nyet vakerni ruski!
tehát nem igazán látom, hogy hova megy a 220, de az biztos hogy a vezérlésnek nem kell 220 volt. megnézem az adatlapot, de szerintem csak 5, meg 12 volt kell neki, meg egy magasabb , kb. 30 voltos fesz a hangolófeszültség részére. Az hogy kiírt egy 1. est az azut jelenti hogy sikerűlt felélesztened a vezérlőegységet. A vezérlés nek ahoz hogy be is tudd kapcsolni készenléti tápot is kell adni. namost ezt az orionokban külön trafóval a vidikben pedig a tv saját tápjával oldották meg. mindjárt előkotrom az infra 2000 rajzát. és alakítunk valamit az ügyeben. Azt mond még meg nekem, hogy a hangolófeszültséget akarod e használni, tehát varicapos rádió tunered lesz e a készülékbe? Most jutott eszembe hogy bementválasztásra fel leeht használnia sávváltó feszültséget. pl. úgy hogy elmented az 1. es programot úgy hogy VHF1 re váltod, a 2.-t úgy hogy VHF 3 ra, a 3. at meg úgy hogy UHF re. ebben az esetben három relát rá lehet kötni egy tranyón keresztül a vezérlés adott sávválasztó kimenetére. ami a tunerre menne eredetileg. Megkeresem a rajzot és jelentkezek ha megvan. valamit kitalálunk.
Ami fejből eszembe jutott ada írtam a képre a csatlakozások mellé.
a többit majd ha megtalálom az RTÉK 93 at valahol a szobámban |
Bejelentkezés
Hirdetés |






tehát nem igazán látom, hogy hova megy a 220, de az biztos hogy a vezérlésnek nem kell 220 volt. megnézem az adatlapot, de szerintem csak 5, meg 12 volt kell neki, meg egy magasabb , kb. 30 voltos fesz a hangolófeszültség részére. Az hogy kiírt egy 1. est az azut jelenti hogy sikerűlt felélesztened a vezérlőegységet. 
