Fórum témák
» Több friss téma |
- Ez a felület kizárólag, az elektronikában kezdők kérdéseinek van fenntartva és nem elfelejtve, hogy hobbielektronika a fórumunk!
- Ami tehát azt jelenti, hogy a nagymama bevásárlását nem itt beszéljük meg, ill. ez nem üzenőfal! - Kerülendő az olyan kérdés, amit egy másik meglévő (több mint 17000 van), témában kellene kitárgyalni! - És végül büntetés terhe mellett kerülendő az MSN és egyéb szleng, a magyar helyesírás mellőzése, beleértve a mondateleji nagybetűket is!
Köszönöm,igazán korrekt,érthető választ kaptam.Újfent! Érdemes volt anno regelnem az oldalra,mert eddig mindig segítségemre voltál,voltatok! Ezt külön köszönöm!!!
Jó lenne, ha nem 7000 Ft-ba kerülne a kiszállítása, de azért köszi a tippet...
Van költséghatékonyabb megoldás is: Bővebben: Link
A hűtővíz műszerének a hőgombája ez. Jelenleg nincs bent hőgomba, nem látom, hogy hogy áll a vízhőfok. Ezért kellene valamit kitalálni.
Sziasztok!
Olyan problémám lenne, hogy van egy BT136-600-as triakom, ha 5V DC-t kötök rá, szépen működik, de 12V AC-vel már semmit nem csinál, mi lehet a probléma, válaszokat előre is köszönöm!
Hello! Nem tudni mit vársz el a Triac-tól. De félő, hogy valamit félreértelmezel. Meg kellene nézned a Triac működését. A Triac váltóáramot kapcsol, de vezérlése lehet egyenáram, pontosabban esetek többségében impulzus.
A traiac ha begyújt mind addig gyújtva marad, míg az anódárama nullára (pontosabban a tartóárama alá) nem csökken. Egyenárammal táplálva az áram nem szűnik meg, viszont a váltóáram, minden nullpontjában kikapcsol a Triac. Lehet a rajzot, vagy az igényedet tetted volna fel, hogy mit szeretnél/építesz, kérdésedre értelmezhetőbb válasz lehet adni. üdv!
Köszönöm, de itt a szállítási idő nem nyerte meg a tetszésemet. Tudom válogatós vagyok...
Egyenáramnál jól működik, azaz bekapcsolva marad, akár táplálom a gate-et, akár nem, míg meg nem szűnik az áram.
Viszont (és lehet, itt tévedek) váltóáramnál, ha a Gate-et folyamatosan táplálom, akkor nem kéne kikapcsolnia, vagy mégis?
Ebben az árfekvésben az analóg mérés valószínű, így ez jónak tűnik. Eredeti felállásban kiakad 110 fok felett a kijelző? Mert lehetséges, hogy csak a pontosság miatt adtak meg alacsonyabb hőfokot.
Sziasztok! Valaki adni egy 2U magas rack doboz tervrajzat, amit utanepithetnek?[Erosito kerulne bele]
Hello! Nullpontoknál ki fog kapcsolni, hiszen akkor nincs tápfesz, mitől maradna úgy? Persze mikor ismét "emelkedik" a szinusz, (ha a gate-t egyenáramról táplálod) vissza is kapcsol. üdv!
Igen értem, csak az volt a lényege a kérdésnek, hogy visszakapcsol-e a nullpont után, ha hagyom a gate-en a tápfeszt.
De a gondom még mindig az, hogy ha rákötöm a 12V AC-t, azt nem kapcsolja, ugyanaz az áramkör, ami az 5V DC-t gond nélkül
Hello! Most találjuk ki mit csinálsz, vagy lerajzolod? Hogyan kötöd, mivel hajtod, mit jelent hogy nem kapcsolja.. "..ha hagyom a gate-en a tápfeszt" Most mit csinálsz? Valóban a tápot kapcsolod a Gate-re? Vagy csak rosszul fogalmazol? üdv!
Rosszul fogalmazok.
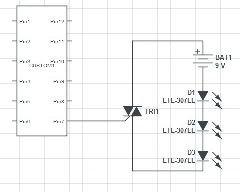
A triak kap a Gate-re 5V-ot egy attiny2313-as mikroprocesszorról, ezzel külön áramforráson lévő ledeket tudok bekapcsolni (mellékelt ábra szerint). Ez így működik is rendesen. Viszont mikor a 9V-os DC kört kicserélem egy 12V-os AC körre, már nem csinál semmit. Egyébként az a 12V AC egy asztali lámpa lenne. Remélem érthetőbb voltam, mint az előbb. A hozzászólás módosítva: Ápr 27, 2013
Hello!
- A triac MT1 elektródájának csatlakozni kel az AVR tápjához. Ha gyújt gondolom ez meg van, a rajzon viszont nem szerepel. - A Gate és az AVR közé, illik áramkorlátozó ellenállást tenni. - A Ledek így nem égnének, mert áramirány szerint fordítva vannak. Amúgy ez a "lebegőtápos megoldás", telepnél elmegy, de trafónál már nem szimpatikus. Jobb ha közösítve van a két táp valahol. Mert egy tranziens zavarjel így nem tudni merre fog átrohanni és kiben tesz kárt. - Gondolom a 12V-os asztali lámpának a 12V-ját kapcsolod. De annak sokkal nagyobb az árama, főleg a hidegellenállás miatti indulóáram. Ahhoz viszont nagyobb Gate áram szükséges a gyújtáshoz. Az "egyenáramú gyújtás" nem túl szerencsés ebben az esetben, mert nem lehet akkora áramot belepumpálni a Gate-be, mert esetleg túlterhelődik. Többek között ezért használnak impulzust a gyújtásnál. - Ha a Gate áram nem lenne elegendő a Triac gyújtásához, érdemesebb lenne negatív árammal gyújtani. Ott az érzékenysége jobb szokott lenni a Triac-nak. Vagy is az MT1 elektródát az AVR plusz tápjával kell közösíteni, és a Gate-t negatív árammal gyújtani. (Ekkor az AVR kimenete "L" szintű, mikor gyújt a triac.) - Valamint elsőként nem egy AVR-el célszerű próbálni aTriac-ot, hanem egy szabályozható táppal egy ellenálláson keresztül. üdv!
Üdv mindenki. Találkoztam egy számomra elég furcsa jelenséggel amivel nem tudok mit kezdeni. Megépítettem ezt a kapcsolást: Bővebben: Link Sikerült is működésre birnom de a fetek nem kapcsolnak, vagyis kapcsolnak de ha relét kötök rá 0-ra esik a feszültség. Ha csak multiméter van rákötve akkor rendesen ad ki feszültséget.
Szia!
A gate-ekre kötött LED-ek mit mutatnak? Ezen kívül ezek a kívánalmak teljesülnek: "12V egyenfeszültség kimenetű tápegységet használj, amely képes legalább 500 mA leadására. A relék legyenek 12V-osak" ? A hozzászólás módosítva: Ápr 28, 2013
Szerbusztok. Keresk egy olyan kapcsolást amivel egy bontott kristájt(4MHz) letudok ellenörizni hogy jo e vagy nem. ha tud valaki segiten azt meg köszönöm.
majorka
Hello! Egy 4MHz-es kavicsot sokféle képen be lehet rezgetni, de itt van egy egyszerű tesztes is. De számításba jöhet egy TTL, vagy CMOS inveter áramkör is. ha a kugliba beírod, hogy "quartz TTL". üdv!
Majorka szemmel lathatolag kuzd az irasjelekkel. Megis, nekem a kristaly, pontos j-vel felert egy tokonrugassal.
A ledek azt teszik amit kell, a PIC rendesen kiküldi a jelet, és a FET-ek is kapcsolnak, a multiméter szerint, de egy relé már nem kattan. Akkurol hajtom, ami kb 11V-ot ad le, de elégnek kell lennie a reléhez is.
Üdv srácok. Nem találtam a kérdésemnek megfelelő témát így itt teszem fel. Adott egy 24voltos egyenfeszültségű, PLC vezérelt ipari gép. A 24 voltos feszültséget ipari kapcsolóüzemű táp biztosítja (Omron). Adott egy 0-10volt feszültségű mágneses útmérő analóg szenzor, aminek a jele megy a PLC-be és ott feldolgozásra kerül. A szenzor kábele egy enerigaláncon keresztül fut szervó motorok kábelei mellett. Hiába gyári árnyékolt minden kábel, a szenzor felszedi a zavarokat és teljesen rossz értékeket mutat. Próbáltam egy 47nF kondit tenni a szenzor jele és a GND közé, de semmi változás. Mit tudnátok javasolni?
A hozzászólás módosítva: Ápr 28, 2013
Ez a 11V változik a relé húzásának időtartama alatt? Mert ha nem esik le, akkor valamit nagyon elkötöttél vagy nem megfelelő alkatrészeket használsz.
A hozzászólás módosítva: Ápr 28, 2013
Szia!
Alakítsd át optikai jellé ezt a szenzorfeszültséget és a fénykábelt húzd be. Ezzel teljesen zavarvédetté válik a link.
A tápfeszültség nem változik semmit. Viszont a kimenet relével együtt 0-ra esik. Relé nélkül teljesen jol működik. Megnéztem a relét is, erről a tápfeszröl: működik és 60mA-t vesz fel. A fetek biztosan jók, mert teljesen újak(már próbáltam cserélni is) és jól is vannak bekötve mert ugyan ezt a bekötést használtam máshol is és jó volt. Lehet megpróbálom BC547-el, hátha jó lesz. Lényeg hogy a kimeneten feszültség van, áram nincs.
Egy ipari vezérlő rendszer elemeit eleve úgy tervezik, gyártják, hogy igen erős zavarkörnyezetben is üzembiztosan működjenek.
Két eset lehetséges: Egy már működő rendszernél állt elő a hibajelenség, akkor meghibásodásra gyanakodnék. Kábel szakadás, sérülés, korróziós kontakthiba, csatlakozók, kötések kontakthibája, készülékek meghibásodása. Ha még sohasem működött, most helyezik üzembe, akkor tervezési hiba, gondatlan szerelés, és az előzőek közül bármelyik. Helyjel közzel azonos nagyságrendű feszültségek vannak a párhuzamos kábeleken, az árnyékolásnak kellő védelmet kell nyújtania. Elég sok hasonló rendszer üzemel különösebb gond nélkül, A hibát felderíteni csak alapos helyszín, és rendszer ismeret birtokában lehet, elég sok munkával. |
Bejelentkezés
Hirdetés |










