Fórum témák
» Több friss téma |
Fórum » PC táp javítása
Idézet: „Olyan nincs, hogy valamit nem lehet javitani” Én nem is azt állítottam hogy nem lehet javítani, azt írtam nem ajánlatos! Nézd ezek a tápok újkorukban sem a megbízhatóságukról voltak híresek - nagyon sok meghibásodott számítógép került már hozzám, amit ilyen (és hasonló) tápok tettek tönkre. A kár sokszor többszörösen meghaladta egy normális tápegység árát - Megérte? Annakidején amikor mindenki szűkösen volt, persze hogy megjavítottam az olcsó tápokat is, de ettől jobbak, megbízhatóbbak nem lettek. A Codegent pár alkatrész minőségibbre cserélésével (kettősdiódák, kondenzátorok) egész normális szintre lehetett hozni. A megfutást egyébként nagy gyakorisággal a vezérlő IC körében lévő kondenzátor okozza. Kiszáradva csökken a kapacitása, a feszültség egyre csak nő rajta - egészen addig amíg az IC (vagy valami más) tönkre nem megy. A hiba megtalálásához minimum egy ESR mérő szükséges (multiméter ide nem elég!) - vagy gondolkodás nélkül csere egy márkás kondira.
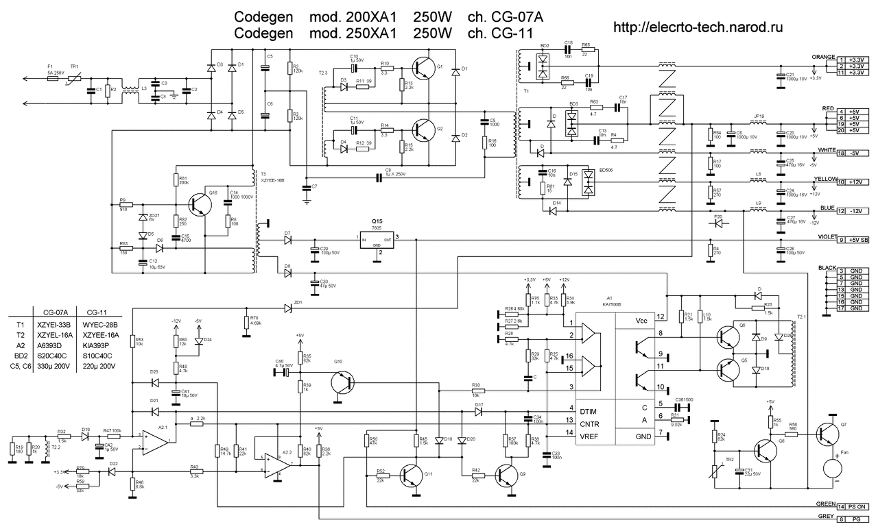
A vzérlő IC melletti C25, C30, és a C33 kondenzátorok állapota a kritikus!
Kösz a választ, át fogom kondizni, aztán majd lesz vele valami. Tudod,én szivesen elbogarászok akármilyen elektromos bazárral, legyen az TV- rádió stb. ESR mérőm nincs, valószinűleg ebben az életben nem is lesz. Ellenben van egy orosz katonai analóg műszerem, amin elvileg lehet kapacitást mérni, mikrofarád nagyságrendben és külön van egy banánhüvely pikofarád méréshez. A gond ott kezdődik, hogy fogalmam sincs hogy kell használni. Annak idején néhány HIR-UAZ-t leselejteztek, a szerszámok, műszerek maradtak. Na ott kaptam két deci rum ellenében, volt vele használati utasitás is persze oroszúl és hiába tanitották velem az oroszt nyolc évig, nem tudtam leforditani, lévén szakszöveg. Na egyelőre ennyi, majd jelzem hogy mire jutottam. Kösz hogy foglalkozol velem.
Üdv. fórumtársak!
Nos van egy POWER lc500h-12 v2.2 500w pc tápegységem! Üzem közben lekapcsolt a gép, mert lenyomta a hálózati kismegszakítót..... kizárásos alapon a pc tápegysége volt a ludas! szétszedtem tápot átnéztem égés, barna foltok, púpos kondik semmi, legalábbis látszatra, szétszerelve rákapcsoltam a hálózatra majd ismét leverte a biztit és arra lettem figyelmes, hogy a toroid folytótekercsnél szikrázott, leszigeteltem a folytót de a táp így se működött viszont ezután már nem verte le a biztit! A kérdésem hogy mekkora folytót kéne bele vennem??? Más is tönkre mehetett benne?? Előre is köszönöm a segítséget!! Idézet: „...A kérdésem hogy mekkora folytót kéne bele vennem??? Más is tönkre mehetett benne?? ” Nem fojtó lesz az - inkább PFC tekercs, vagy áramváltó. Mondjuk ha egy fotót feltettél volna... Ilyen alkatrészt nem igazán kapsz hozzá, jobban jársz ha szervizbe viszed.
Sziasztok!
Az elkókat mindegyiket kicseréltem. 2005Z Ic van benne, azt olvastam, hogy kompatibilis a LPG-899, illetve a WT7520-al.? Tud valaki valamilyen beszerzési forrást, esetleg elfekvőben valakinek?
Sziasztok !
Van nálam egy hibás "Gold MS-400ATX" becenevű táp, 2005 tip. vezérlő IC-vel szerelve. El volt durranva az NTC és a bizti, de ezek cseréje után sem működik. Természetesen leválasztó trafó és 60 W-os izzó beiktatásával próbáltam. Az SB feszültség +1 V körül van, mást nem mértem. A szekunder oldalon - a kimeneteknél több púpos kondit is látok. A kérdésem, hogy érdemes-e a javítására időt szánni és ha igen, akkor mi az amit elsődlegesen nézzek(mérjek) meg ? (persze a púpos kondik cseréje után) Netán bontás és kuka ? Köszi !
Graetz híd?
(bocsánat, ebből még azt is kispórolták - 4db diszkrét dióda van helyette) A hozzászólás módosítva: Máj 23, 2013
Annak a négy diódának az a neve, hogy Graetz-híd, csak nincs gyárilag betokozva, de attól még Graetz-híd.
Ezt én pontosan tudom. Csak abban nem vagyok biztos, hogy 4db 1A-s dióda egyenértékű egy 4, vagy 6A-s Graetz-el.
Az attól függ... simán lehet, hogy a 4db dióda jobban tud hűlni, mint a Graetz tokja.
A rajzodon lévő RL205 típusú dióda 2A-es.
Következő lépés a primer pufferek, fetek, csatolókondenzátorok ellenőrzése.
Zárlat nincs? (nem világít az izzó?)
Ha a múltkori csatolmányra gondolsz, az egy Codegen táp rajza.
MS tápoknál sajnos gyakran találkozom 1A-s diódákkal. Nem véletlenül volt ennek a tápnak a forgalmazása betiltva. (akkor még MS Gold volt a neve)
Én annak idején úgy tanultam, hogy a hűtés a hőleadó felület nagyságától függ.
Vesd össze a kettőt, és megérted hogy a hozzám kerülő tápokban terhelhetőségtől függetlenül miért cserélem ezeket ezeket gondolkodás nélkül. Graetz alatt én még nem láttam megégett panelt, ilyen diódás megoldásnál annál gyakrabban. A hozzászólás módosítva: Máj 23, 2013
Nem világít az izzó, csak egy pillanatra felizzik. A többi dolgot majd csak hétvégén lesz időm megnézni. (ahhoz ugyanis mindent ki kell forrasztani - áramkörben való méregetésből már megjöttem...) Addig is Köszönöm !
Akkor nincs primer oldali zárlat, tételezzük fel hogy ott nincs hiba (bár biztosat csak a mérés mond).
Idézet: „...SB feszültség +1 V körül van” A segédtápkörben lévő alkatrészek (kistrafó, ellenállások, kondenzátorok) átmérése a következő. Leggyakrabban egy ellenállás nyúlik, vagy szakad meg - ezért nem jó a VSB feszültség.
Ok, akkor majd azok is sorra kerülnek. Most csak szemrevételezéssel: a segédtáp meghajtó
J5027-R, a primer tranyók - fetek - ha jól látom D13009K Apropó: a 2005-ös vezérlőnek melyik a láb kompatibilis megfelelője ? SG6105 ? Már ha egyáltalán van, mert én keresgéltem de számomra nem volt egyértelmű... (igen rákerestem, mindegyik tranyó) A hozzászólás módosítva: Máj 23, 2013
pitti!
A DISPAY 300PA tápom elindúl, terhelés nélkül ki lehet mérni a +5 és a +12 V feszültséget, de ha ráteszek egy vinyót terhelének, lefüstöl az egyik elkó. már a harmadik elkóm füstöltettem el, és fogalmam sincs hogy merre keressem a hiba okát. ha megtennéd, /vagy valaki más/ hogy bejelölnéd a mellékelt csatolmányon hogy melyik a valószinüleg hibás alkatrész, megköszönném. A fizetés még odébb van és jó lenne életre kelteni valamelyik tápot. A dana /alaplap:200-ATX Ver.202.B/ alkatrészbeültetése egyáltalán nem egyezik a csatolmányodban küldött Codegen rajzával, a C25-C30-C33 kondihelyek példáúl üresek. De ezzel nem is foglalkozok pillanatnyilag, mert ez el sem indúl.
Melyik elkó füstöl el? (jelöld légyszi a fényképen!)
Milyennel helyettesítetted? Majd keresek a Daná-hoz is rajzot, azt hiszem LC200 ATX jó hozzá. A hozzászólás módosítva: Máj 26, 2013
Ha megírnád, melyik elko füstöl el?! (Bár elkók nem szoktak "elfüstölni".
)A tápegységed "rettentő takarékos" kivitel, majdnem minden lehetséges védelmi és zajcsökkentő alkatrészt kihagytak belőle. ![]() Nem illik számonkérni, ha a mástól kapott rajz nem egyezik a te tápoddal. 2 táp a legritkább esetben egyforma. Ennek még akkor se sok az esélye, ha neves gyártó sorozatából származik, ahol egymást követik a gépek gyári számai. Mindenesetre valamivel nagyobb a lehetősége. A hozzászólás módosítva: Máj 26, 2013
Ha korábbi szériából való a panel, akkor ez a rajz jó hozzá.
(egy fotó az adattáblájáról és a panelről többet segíthetne!) Idézet: „A tápegységed "rettentő takarékos" kivitel...” Hát igen, a biztosíték és az NTC még benne van, de a fojtótekercset, zavarszűrő kondenzátort, varisztorokat, stb. - szóval mindent kispóroltak belőle. A szekunder oldal pufferelése is igen soványka... (írtam hogy nem érdemes foglalkozni vele - dehát?)
Nos kiszedtem a primer oldalon a tranyókat, kimértem, mindegyik jó. Célszerű most ebben az állapotban a többi - passzív - alkarészt is kimérni, vagy pedig visszatenni a félvezetőket és szkóppal folytatni a hibakeresést ?
Harmadik kép, jobb felső sarok, CY1 kondi rendben van? Olyan elpukkant kinézetű. Persze, ettől még nem fog menni, de akkor is.
![]() Ugyanezen a képen, a bejövő 230-as fekete vezeték mellett balról az a kondi pusztul el? A mellette lévő ellenállások rendben vannak? Olyan barnának néznek ki. :-O
Jaa és megkerestem: az én tápomban EZ a lábkiosztású vezérlő van. Ezt csak azért írom mert a fórumban találtam még linkeket a 2005-ös vezérlőre, de azoknak teljesen más a lábkiosztása.
És még egy kérdés: olvastam olyan hozzászólást is, hogy nem mindegyik táp indul el, ha sorba van kötve egy izzó - a tesztelés során. Tehát megpróbálhatom izzó nélkül indítani ?
Ezt a tápot nyugodtan próbálhatod sorbakötött izzóval - PFC-t még hírből sem látott.
Az aktív PFC-s tápok némelyike nem indul vele.
Szia mindenki!
Tegnap nem jutottam a géphez, ezért a késői reagálás. Kezdjük azzal, hogy egy kapitális nagy barom vagyok, mert az elkók azért füstöltek el sorozatosan mivelhogy forditott polaritással forrasztottam be minden csere alkalmával. Valamit tönkrevágott, mert lehet érezni az égett szagot, csak nem tudom behatárolni hogy melyik alkatrésztől jön. /-az elfüstölés nálam azt jelenti, hogy az elkó tetejénél fújja ki a gőzszerű valamit-/ a 10323... képen látszik a helye éppen ki van forrasztva a két-két piros vezeték között a C15 -ös pont. Két fekete pöttyel van bejelölve. Egy 1000 mikroF 16 V -os kondiról van szó, volt itthon néhány darab. A legutolsó kisérletnél még pukkant is valami. Sajnos nincs szerelési gyakorlatom csak a az akarat, a kedv és a szükség. A másik tápot is én vágtam tropára, -a danát- mert volt benne egy felpúposodott kondi, azt polaritáshelyesen kicseréltem gondoltam egyúttal kicserélem a két pufferkondit is, persze lusta voltam az ónszivó szalagot használni, csak felmelegitettem és koppintással lepöccentettem róla az ónt. A gond -mint később kiderűlt- ott adódott, hogy a leolvadt ón rövidrezárta valamelyik alkatrészt és amikor bekapcsoltam, rögtön kinyomta a biztositékot plusz a kismegszakitót it leverte. Ezután kezdtem a panel alját nagyitóval nézegetni és láttam hogy itt bizony gubanc van. A ház alján is van egy füstös égésnyom de a panelon semmi láható olvadás, elszineződés. Még egyszer kiszedtem a puffereket, most már ónszivóval de azokat jó polaritással raktam fel. Na ezekután már próbalámpát használva kapcsoltam be, természetesen világitott. Eddig jutottam tegnap és a t....öm már tele volt az egésszel. Tudni kell, hogy nálam nem egyszerű dolog egy javitási folyamat, mert távolra kiválóan látok, közelre egyszerűbb munkáknál szemüveggel, de pl. forrasztásnál már olvasószemüveget kell használni. Sajna, már túl vagyok a hatodik X-en. Mondhatnátok: minek kinlódsz vele. Hát: Csak. Visszatérve a témára, a másik tápról képet csak délután tudok felrakatni a fiammal, mert nem ismerem ezt a Linuxos rendszert. Erbe te hol látsz itt számonkérést? Csupán tényként jegyeztem meg, hogy az a rajz merőben különbözik az én tápom felépitésétől. Mi ebben az illetlenség? Egyébként is az érintettnek kellene szóvá tenni, amennyiben illetlenséget irok, őt meg láthatóan nem zavarta. Különben az oktatásügyben most keresgélik az illemtanárokat. Na ez igazán illetlen megjegyzés volt de ne haragudj, kikivánkozott belőlem. Hát egyelőre ennyit. |
Bejelentkezés
Hirdetés |









)

