Fórum témák
» Több friss téma |
Mielőtt kérdezel, a következő két dolgot ellenőrizd!
I. A helyes tápfeszültségek megléte.
II. A kimeneten van-e egyenfeszültség.
Élesztés.
Kikapcsolt állapotban az ic253-nál 0,5, bekapcsoláskor az egyik lábán 5,4 a másikon 0.
Az ic 251-nél kikapcsoltan 1,5; bekapcsolva 6 de felugrik 10-re is. Az ic-k egy egy lábánál van egy pont, a mérést az nem a pontozott oldalán hanem az ellenkező oldalt csináltam a testhez képest.
Értem, s a tranzisztorokat mérted e ki? milyen értékeket ad?
EB EC BC BE CE CB
Q121 (C4495; BCE) EB:768; BE:1; EC:1; CE:1; BC:1; CB:767
Q129C(C4468; BCE) eb:626; be:1; ec:1; ce:1; bc:1; cb:624 Q130C(C4468; BCE) eb:627; be:1; ec:1; ce:1; bc:1; cb:624 Q129A(A1695; BCE) eb:1; be:633; ec:1; ce:1; bc:628; cb:1 Q130A(A1695; BCE) eb:1; be:647; ec:1; ce:1; bc:643; cb:1 Az elől lévő betű volt mindig a fekete zsinór.
Sziasztok!
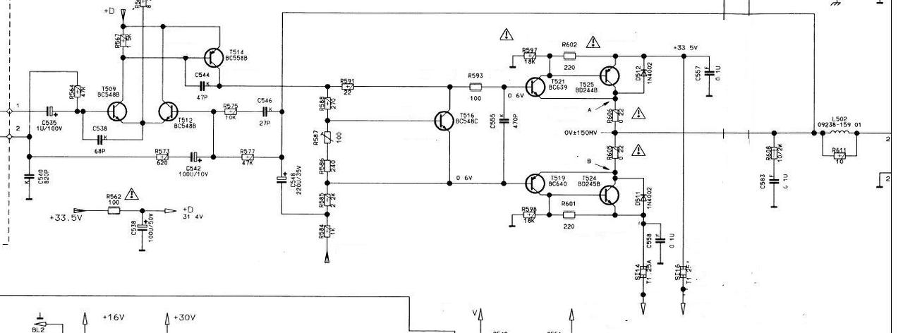
Elővettem újra a grundig erősítőmet mert megjöttek hozzá az új tranyók. Tegnap este kicseréltem mindet sőt még az ellenállásokat is ami szakadt volt. rámértem a kimenetre -13v van kint melyik alkatrész lehet még hibás. Itt a kapcsolási rajz mellékeltem.
Összes tranzisztor új ami a kapcsolási rajzon fel van tüntetve.
Szia! Cseréld ki a C542 100µF 10V kondenzátort, mert a meghibásodás alkalmával túlfeszültséget kapott.
A BÜNÖS Szia Reloop még mindig kinlódok ezzel a vacakkal,szinte minden bekapcsolásnál más mértékkel produkálja a gerjedéses hibát.Ha csatolo kondit cserélek akkor képes 3 percig is jól müködni,aztán kezdi, pattog,serceg,ha a bemenetet rövidre zárom akkor egy pillanatra 3vDc megy kifelé,felbúg aztán néma csend.Ha a potit tekergetem a bemenetnél 0.01mV-2vDc között ugrál,/gondolom abban a pillanatban begerjed/,de ha a potit csak igen lassan tekerem akkor csak alig változik.Volt hogy nem birtam a kimeneti dc.vel lekapcsoltam aztán vissza és megint negyed óra viszonylagos jósággal ment.Minden tranzisztort,kondit cseréltem már rajta,de a kép szerinti jobb oldal nem akarja az igazat.A másik fele a bal oldal hibátlan.Az ellenek mind értéken vannak.
Már fonom a kötelet a nyakam köré. A hozzászólás módosítva: Jún 13, 2013
A rajzon nem látszik azaz áramköri részlet mely a bemeneti differenciál erősítő emitter áramát szolgáltatja. T509 és T512 közös emitterén mekkora a feszültség testhez képest? A normális érték -0,6V lenne.
Még egy dolog ezzel a nyüvessel,a rajzon 0R47 az emmitter ellenállás,én 0R33 tettem be ez volt itthon,bár nem hiszem hogy e miatt gerjedhet.
Szia! Tedd be a puffer kondikat a panelba! 100-1000µF is elég. A testet kösd közvetlen a közös pontjukra. A test vezetősávokat a hibás oldalon vagdosd el és a kondiktól vidd szét csillagpontosan. A hangszóró testet nem szabad a végfok panelre kötni (más erősítőknél sem természetesen)!
Ha ez sem segít kénytelen leszel egy normális NYÁK-tervet készíteni és áttenni az alkatrészeket.
Q121 jo, Q129c jo, Q130c jo, Q129A jo, q130A jo.
Tudod mi lenne az érdekes, ha a bemenö jel vezérli ki teljesen hogy leüljön a pozitiv tápra. (Ezt ugy probálhatod ki hogy C101et és C102 kiforrasztod, s ha egyuttal ott melletük dolgozol kikapcsolt állapotba mérd ki azt a két 100pF kondit (beszerelve is mérheted) C103 C104 C105 C106) Q109 és Q111 bekapcsolásko mijen feszültségek vannak a lábakon testhez képest? (Emiter - GND, Bázis GND és Collector GND feszültségek érdekelnének)
Bent vannak a kondik,2x2200uf 100v,megpróbálom a földet egy pontba hozni,a nyák tervel úgy érted hogy a földet csillagpontosra megtervezni?
A Q109 (lábkiosztását nem tudom) -40 ami az R155-höz megy; +44,9; -40 ami az r127-hez megy
Q111: -38 ami a C111 egyik lábához megy; -45 ami a C111 másik lábához megy; -41 ami az r135 höz megy Miután kikapcsol átfordul ellenkező előjelűvé és lassan csökken.
Ha C101-et és C102-t kiforrasztom, mit csináljak vele ( mérjem meg, hogy jók e)?
Q105 öt cinezd ki s ugy mérj feszültséget, s ha kivan cinezve ellenörizd h neme az a hibás
C101 4,4uF; C103: 106pF; c102:4,4uF; c104:103pF; c105:106pF;c106:106pF
C101 és C102 öt ne rakd vissza, s ugy kapcsold be, s a testhez képest mérj feszültséget a kimeneten (R151 és R152)
R151: -41 bekapcsoláskor, R152 -41 bekapcsoláskor, kikapcsolás után átvált pozitívba és lassan csökken
Mindjart darabokra szedtük az erösitöt s mégis levan ülve negativ tápra.
"Q105 öt cinezd ki s ugy mérj feszültséget, s ha kivan cinezve ellenörizd h neme az a hibás" ezt már megnézted?
Üdv nem akarok beleszólni de ez valószínű vagy meghajtó, vagy végtranyó hiba lesz
Q105: EB:770; CB:734; a többi 1.
Ha Q105 ki van forrasztva akkor hol mérjek feszültséget?
Van benne bőven, amiket eddig mértem jók voltak.
Gondolom nem "eddig",hanem az összest ki kellene mérni.A fóliás oldalt átnézni nem e sérült valahol,az összes elkót átnézni,és újra mérni a tranzisztorokat,ha a táp kiüll a kimenetre ezek elsőre amik okozhatják.Ugyan úgy átnézni a kis tranyókat is.
|
Bejelentkezés
Hirdetés |





ester ő segitsen inkább.

