Fórum témák
» Több friss téma |
Helló:
keresek olyan akku töltő kapcsolási rajzo(ka)t amivel lehet egyszere 6 db 2,4V 1500 mAh-s Ni-cd akkut tölteni. Előre is köszi. Üdv : Gyupi
Szevasz!
Kérdés, hogy milyen szolgáltatásokat akarsz a töltőben, (kisütőautomatika, hőmérsékletfigyelés, polaritáscsere elleni védelem pl) és, hogy milyen töltési módszert választasz, (időkorlát, delta-peak) Igy alaphangon egy 150 mA-es (C/10-es) áramgenerátor lehetne, amit a teljesen kisütött sorbakötött cellákon 14 óráig kellene rajtahagynod... Több linket majd később, addig is egy fesz stabilizátor IC-vel felépitett áramgenerátort kell keresnünk (NiCd charger schematic)
Szeva!
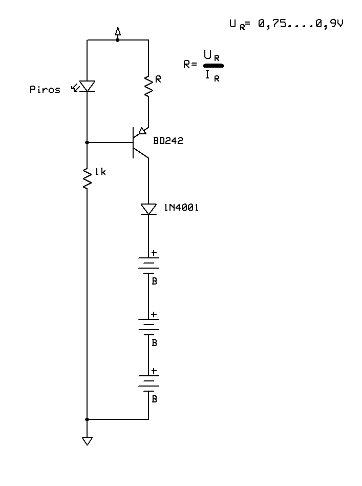
Csatlakozom a tisztelt előttem felszólalóhoz. A szolgáltatások nagyon fontosak. Addig is itt egy szimpla áramgenerátor rajza. Ebből már bármi összehozható.
És itt van még egy:
http://ourworld.compuserve.com/homepages/Bill_Bowden/page7.htm#charge.gif Constans current battery charger A stabi IC-nél az R határozza meg a töltöáramot I=1,25V/R vagyis R=8 Ohm, de erős legyen, mert melegedni fog! Ha nincs kéznél LM317, akkor bármilyen 1 Amperes, 5V-os stabilizátort használhatsz, és a képlet módosul, I=5V/R, igy R=33 ohm, (vagy ahoz közeli). huzalelellenállás lesz.
Ha már nyílt egy ilyen fórum, akkor én is szeretnék egy olyan kapcsolást, amivel 4db AA vagy 4db AAAs akkut lehet tölteni, töltés előtt kisüti őket, töltés végén csepptöltéssel tölt amíg le nem kapcsolom a töltőt, és figyeli az akkukat! És még egy, hogy viszonylag gyorsan (ne 2 nap alatt) töltse fel a 2600mAh-s AA vagy az 1500mAhs akkukat! Már találtam többféle kapcsolást, de mindben több funkció volt, mint amire én gondoltam, azokban be lehetett állítani, hogy hány akkut rakok bele, meg a töltőáramot, meg az időt, ilyesmit, de ezeket jó lenne, ha autómatikusan beállítaná, és nekem elég a fix 4 cellás!
Előre is köszi a segítségeket! ![]() Jah, és ha lehet, a PICet mellőzni kéne, mert még nem tanultam a programozását!
Üdv!
PIC nélkül egyéni gyorstöltőt! Hát..... RT" Évkönyve 2000 számában van egy kapcsolás. ICS1702N típusú IC-t használja, de azthiszem ez az IC nem egy olcsó mulatság. Én most fejlesztek egy gyorstöltőt PIC-el. LCD-kijelzés, max. 4A-es töltőáram, delta-peak detektálás, kisütés, PC-s töltés kiértékelés, REFLEX töltési módszer, teljesen automata működés..... Az akksikat meg nem muszáj sorba kötni. Lehet párhuzamosan is, igaz, akkor a töltési idő megnő. De ilyenkor nem kell a cellaszámot beállítani.
Tény, hogy jobb és sokszor olcsóbb építeni (néha drágább), de szerintem a te esetedben a legideálisabb az ITT található töltő. Nem is olyan drága, 3 ezer Ft. Tényleg jó és pont azt csinálnja amit írtál. Van rajta kisütő funkció, a végén csepptöltés és a töltési idő se olyan vészes. Én is ilyet használok otthon. Árához képest nagyon okos kis kütyü!
Hello!
Bizony extra igényeid vannak, melyeket PIC, vagy spec IC nélkül nehéz kielégiteni. Szerintem ami neked kell az egy gyári töltő max 4000 Ft, kisüt, tölt, csepptölt , teljesen automata 2*2 cellára Ennyiért nem érdemes kínlódni vele. De ha azt mondod, hogy cellánként akarnád tölteni, akkor azokmár jóval drágábbak, (a GP-nek van egy ilyen!) így ki kell választanunk egy akksitöltő IC-t a sok közül és a gyári ajánlást szorozni 4-gyel.A PIC-kel pedig jó megbarátkozni (eSDi), a NET-en találhatsz programot is, Neked elég csak rátölteni...
Én is ezt mondtam neki. Amin én ajánlottam az egyszerre 2-t vagy 4-t tud tölteni...
Majd meg tudnád osztani velünk a fejlesztésed eredményét? Idén már tanultam volna PICet programozni, de passziváltam a félévemet, ezért majd csak egy év múlva fogom tanulni, de most, hogy egyre több PICcel találkozik az ember, lehet, hogy előretanulok egy kicsit!
Na! Akkor legelőször is azt jegyezném meg hogy Assembly-ben programozni (még PIC-et is) egy agyrém. A 3. sor után már nem tudja az ember, hogy mit csinált. Ezért én ajánlom valami BASIC vagy C nyelvre alapozott programozót. Én speciel az OSHONSOFT programját használom, nagyon egyszerű BASIC alapú és szimulátor is egyben.
A töltővel egyenlőre az a helyzet, hogy a PIC szoftvere nagyjából kész, még egy két javítást kell benne eszközölnöm. A kapcsolást meg valamikor mostanában fogom megépíteni, ha lesz rá időm! (Meg napfény a fotózáshoz). Addig is a PC-s kiértékelő progin dolgozom amit Visual BASIC-ben írok. Ha kell, leírom pontosabban a működését és akár a kapcs. rajzot is oda tudom adni. Mára ennyi elég lesz azt hiszem.....
Rendben, köszi, érdekel ez a töltőd, jónak hangzik! Cben már tanultam programozni, meg is lettem belőle 2es.
Ahhoz viszont, hogy meg tudjam írni a PIC-et, kell építenem egy égető/írót...
Ha C-ben 2-es összejött akkor a BASIC sima liba! www.oshonsoft.com itt megtalálsz mindent ami kell. a progit amit mondtam meg PIC égetőt soros/párhuzamos portra a hozzá való szoftverrel együtt. + még egyéb nyalánkságokat. Na de most már tényleg elég mára....(sok volt ma a meló, elfáradtam.)
Hello
Valaki tud olyan kapcsolást amivel lehet tölteni ólom, nicd, metál hibrid, litiumos akksikat gyorstöltéssel elötte kisütéssel cellák számának fügvényében netán a hömérsékletét is mérve? Gondolom ezt egy pic-be bele lehet égetni. És egy kijelzőn mutatná mennyi a töltöttség.
Na! Itt a beígért kapcsolás! Azt hiszem nem maradt le róla semmi. A működést is majd leírom, csak az elég hosszadalmas dolog. Föleg ha részletesen belemászok a PIC programjába. Addig is tanulmányozd a kapcsolást.
Üdv!
PIC-el szinte minden megoldható. Csak az a probléma hogy az ólom és Litium-ion akksikat teljesen máshogy kell tölteni mint a NiCd vagy NiMH akksikat. Szerintem nem is lenne elég egy PIC a feladatra, legalább 2 kellene, mivel nincs elég I/O portja ahhoz, hogy ennyi dolgot el tudjon vezérelni. Főleg akkor nem, ha LCD-t is akarsz rá kötni + a vezérlő gombokat. Ráadásul 3 különböző programot kellene megírni. ami nem kis feladat. Valószínű, hogy már egy komolyabb 18F-es szériájú PIC-el kellene dolgozni, amiben sokkal több program memória van. Egyébként találkoztam ilyen IC-vel, ami tudja ezeket tölteni, csak abból is hármat kellene megépíteni az akksik típusának megfelelően. Ha jól emlékszem a Mitsubitshi vagy a Motorola gyártja az IC-t. A típusát már sajnos nem tudom megmondani, mert már nincs meg az adatlapja.
Egész jó, és nem is tűnik olyan bonyolultnak! Kb mennyiből jönne ki az egész? Arra is gondoltam, hogy mivel még soha nem programoztam PICet, megépíteném a kapcsolást kompletten, csak a PIC helyére tennék egy foglalatot, és ha lenne rá időd, égetnél hozzá nekem egy PICet, és kifizetem!
Hát még nem nagyon számoltam össze, hogy mennyi be jöhet ez ki kompletten! De ha mondjuk nem kell a PC-s része akkor elég tetemes összeggel olcsóbb lesz. A 16F877A kb. 1600Ft, a 4*20-as LCD olyan 3300Ft körül mozog + még a műszerdoboz ami kb. 3000Ft lehet, meg az egyébb dolgok még hozzá. A PIC-et és az LCD-t a Chipcad-nál lehet olcóbol beszerezni. Anno én az LCD boltba vettem de ott 5000 volt, jó ki is nyírtam véletlenül.
Utána a chipcad-tól rendeltem 3300 ért. A másik, hogy hát én postán nem nagyon szeretnék küldeni semmi ilyesmit mert nem nagyon bízok a magyar postában. Szerencsére a chipcad futárral küldi a rendeléseket.... Az viszont megoldható hogy megírom a programját és te beégeted. Itt egy PIC égető rajza, ez a lehető leg egyszerűbb. most én is ezt használom. ICprog nevű progi kell hozzá.
ez tényleg egyszerű, azt hittem, hogy olyasmi kell, mint amit az Urbánnál is lehet kapni, mert az elég drága.. Amúgy ha pesti vagy, vagy esetleg veszprém megyei, akkor meg tudom oldani az átvételt! De nekem az is jó, ha csak be kell égetni a kész programot! Ha esetleg készült hozzá már NYÁK terv, az is majd nagyon jól jönne az építkezésben! Köszönöm az eddigi információkat is, egyre jobban érdekel ez a töltő!
Egyik sem! M.o legdélibb községe ha ez mond valamit. Nyák is van, de még nem tökély....
Az LCD-n jelenek meg a válaszható üzemmódok(kisütés, kisüt-tölt, gyorstölés, csepptöltés), A választható töltőáramok(1-4A), töltés és kisütés közben az aktuális üzemmód neve, az aktuális cellahőmérséklet és cellafesz. A töltés végén pedig az akksiba betöltött kapacitás megközelítő értéke. De ezek még váltözhatnak. lehet még kitalálok valamit, pl. a töltőáramot is kiírathatnám vele. Az égetőhöz még annyit hogy ne használd hosszú vezetékekkel mert nem szereti. A másik feltétele hogy legyen a PC soros portján megfelelő fesz, min 11,5V kell az égetéshez. Általában meg szokott lenni ez a fesz.
"M.o legdélibb községe ha ez mond valamit."
Barcs-nál még lejjebb ami van ? erről volt a TV-be is vmi ott ?
Jaja! valószínű azt láttad! Csepkőbarlang, csak sajna nem lehet lemenni megnézni. pedig itt van egy köpésre. Jólvan inkább elárulom, Beremend!
Szerintem hasznos lenne, ha kiírná az aktuális töltőáramot is. Úgy nézem, hogy lehet vele 1akkut is tölteni, 2,3,4et is, csak a töltőáramot kell beállítani, hogy hány akku van, nem? vagy tévetem?Ha lesznek fejlemények, szólj mindenképpen!
egyébként ITT megnézheted a mostani akksitöltő elődjét. Ezzel nyírtam ki az első LCD + a PIC-et. csak ez még olyan tekergetős vacak volt és soha nem készült el egészben. és csak lassan töltött. De működött amíg működött. Az oldalon találsz még pár megépíthető dolgot.
Jól látod az akksik számát nem kell megadni mivel párhuzamosan vannak kötve. igaz igy a töltési idő függ az akksik számától is és nem csak a kapacitásuktól, mivel így összeadódnak a kapacitások. Akár több akksit is ráköthetsz. max tovább tart a töltés. mondjuk azt sem ajánlom hogy 1 akksira rászabadítsd a 4A-t mert lehet nem viseli el, de ki tudja a töltési módszer amit használok éppen erre van kitalálva hogy nagyobb áramokkal is lehessen tölteni kisebb melegedés és nagyobb töltési hatásfok mellet.
Ha jól tudom, akkor ha pl. beállítok 4A-es töltést, és rákötök 4 akkut, akkor az akkunként 1 Arel tölt, nem? Majd a jövő hétem összedobok egy égetőt, és akkor a továbbiakról tárgyalunk!
Ami van az oldaladon égető, annak a foglalatainak nincs meg véletlenül a NYÁK rajza? Tudom, nem nagy cucc, én is megtervezhetném, de hátha...
Ha egy kicsit figyelmesebb lettél volna észrevetted volna hogy ott van a letöltések között. Express PCB formátumban van. Ha ki akarod nyomtatni akkor tükrözni kell!!!
oh, akkor vak vagyok...
![]() a PCB formátumú fájlokat nem Protellel kell megnyitni? |
Bejelentkezés
Hirdetés |






max 4000 Ft, kisüt, tölt, csepptölt , teljesen automata 2*2 cellára Ennyiért nem érdemes kínlódni vele. De ha azt mondod, hogy cellánként akarnád tölteni, akkor azokmár jóval drágábbak, (a GP-nek van egy ilyen!) így ki kell választanunk egy akksitöltő IC-t a sok közül és a gyári ajánlást szorozni 4-gyel.
(Meg napfény a fotózáshoz). Addig is a PC-s kiértékelő progin dolgozom amit Visual BASIC-ben írok. Ha kell, leírom pontosabban a működését és akár a kapcs. rajzot is oda tudom adni. Mára ennyi elég lesz azt hiszem.....
Ahhoz viszont, hogy meg tudjam írni a PIC-et, kell építenem egy égető/írót...

Utána a chipcad-tól rendeltem 3300 ért. A másik, hogy hát én postán nem nagyon szeretnék küldeni semmi ilyesmit mert nem nagyon bízok a magyar postában.





