Fórum témák
» Több friss téma |
Fórum » Föld, fázis, és nullvezető megkeresése 230 V-os hálózaton
Témaindító: violino, idő: Dec 18, 2007
Témakörök:
Ha az óránál nincs kialakítva a védőföld (általában nincs, ha különálló) akkor elég a háznál kialakítani, és oda tenni a FI relét. Ahol az a bevett szokás, hogy nem a házban van a mérőóra, ott a földet külön acélsodronyon vezetik (tengerparti tapasztalat).
Ha mind a három fázis meg van terhelve, és egyformán, akkor a visszamenő nullán nem folyik semmi. Az első pontig, ahol találkoznak a nullvezetők folyik az áram. De mivel azok azonosak a megfelelő fázisvezetékkel, így gond nélkül elviselik. [OFF]Ha zavaros lett megértelek, kicsit nekem is, akkor megpróbálom újra elmagyarázni.
Köszönöm a gyors választ!
Az az igazság, hogy az óra után szét van választva arra a 15 centire, amíg csatlakozik az ajzatra, ugyanis van egy kis csatlakozó doboz rajt, oszlop-> kábel->óra->szétválik->ajzat, valahogy így néz ki az egész kis ládika. A második kérdésre a választ úgy nagyjából megértettem, van elképzelésem, hogyan lehet.
Naaaaaaaaaaaaa!
Azért az nem igaz, hogy akkor a nullán nem folyik semmi! Mér, akkor fázis-fázis közt fog folyni? Akkor ezek szerint nem is kell, ha nem folyik rajta semmi. Folyik az, nem is akár mennyi! Mind a 3 fázis árama rajta megy vissza, 120 fokonként. Mivel egyfázisú fogyasztók vannak rákötve! És az egyfázisú fogyasztók nem esznek két fázis közt.
Csak próbáld ki! Fogj 3db ( PL: 60W-os normál) izzót. Kösd csillagba és helyezd áram alá. Mérd ki a nulla áramát amikor be van kötve és mérj csillagponti feszültséget a nullához képest, amikor a nulla nincs a fogyasztó csillagpontjára bekötve. Meg fogsz lepődni!
Készíts a bódénál is földelőszondát és kösd össze a bódéba bemenő kábel nullázó vezetékével. A kötéspontnál tudsz védőföldelést és nullát képezni a bódé fogyasztói számára. A földelőszonda telepítésével helyi védelmet alakíthatsz ki. Így ha a bódéhoz menő vezeték nullázója megszakad akkor a földelő szonda fogja a hibaáramot elvezetni amit az FI-relé érzékel és leold. FI-relé nélkül a nulla árama is a földelőszondán keresztül fog folyni, ami dong lehet ha nagy a földelőszonda ellenállása.
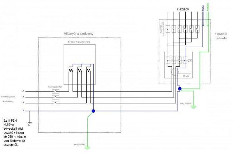
Egy kis plusz infó: _Mi_a_földelés,_és_mi_a_nullázás?_
Képpel is szemléltetve a kialakítást...
Köszönöm szépen a választ és az illusztrációt, így fogok tenni és már biztonságban is vagyok.
Akkor a 2. kérdésemre a válasz: kibírja ugye?
Háromfázisú hálózatban a nulla vezetőn akkor folyik a legnagyobb áram, amikor 1 fázissal terheled 2 fázisos terhelésnél már kevesebb áram folyik át mint a fázis vezetőn,3 fázisú szimmetrikus terhelésen meg semmi...
üdv.:Foxi
Hali!
Ha az elméleted igaz lenne, akkor a nullavezetőre 3x-os keresztmetszet lenne előírva, olyanról pedig még Andersen se hallott....
Rendben köszönöm, akkor már nem kell félnem, hogy égünk a dolog miatt.
Üdv: Kvez
Sziasztok!
Remélem tudtok segíteni.. Vásároltam egy kültéri mozgásérzékelős lámpát amit fel is szereltem kívül a ház falon. A bekötését a szobában egy dobozban tudom megoldani. A fázist meg is találtam, de nem tudom hogyan tudnám megkülönböztetni a 0 vezetéket a föld vezetéktől (mindkettő szürke színű). Van valamilyen módszeretek rá, h. lehet rájönni melyik, melyik? Kössem be ahogy éppen akarom és mérjek rá használat közben egy konnektorban a föld vezetékre és ha nincs áram alatt akkor pont jól kötöttem be? Válaszotokat előre is köszönöm!
Legeygszerűbben ha lenyomod a villanyórát akkor egy közelben lévő konektor földje és a mérni kivánt vezeték közt szakadást kell mérni (sípolni) a műszernek, vagy 0 ohm közelit mérni.
Vagy ha van fi relé, akkor próbalámpát kötve a fázis és PE közé, leold. A másiknál nem.
Viszont ez az egész eléggé veszélyes, mert a két szürke vezeték magában hordozza más helyeken (más konnektorokban is) az összecserélés veszélyét. Én még mondanám a nullbontó kivételét, és na akkor a védőföld megmarad földpotenciálon, és (ha nincs fi relé) a próbalámpa világít.
Na már megint letelt ez a fránya módosítási idő. Tehát: fogyasztó ne legyen bekapcsolva, mert akkor szikrázik egy hatalmasat, ÉS a nullvezeték "lebegő" (nem földelt) oldalán megjelenik a fázis! Összes villanykapcsoló lekapcsolva (kicsavarva), mindegyik konnektorból minden kihúzva!
Köszönöm a válaszokat! Akkor inkább megvárom a "szakit", az a tuti. Csak itt nagyon lassan intéződnek az ilyen dolgok..
Várok tovább..
Sziasztok egy nagyon alapvető kérdést teszek fel amire sajnos nem tudom a választ
egy garázsba szeretnék felrakni egy kismegszakítót a fázist vagy a 0 kell átvinni a megszakítón !!
Sziasztok.
Nemrég beköltöztem egy új lakásba. A lakás teljesen üres volt, csak a lámpa egyéb vezetékek lógtak a falból. 2 vagy 3 vezeték. Utóbbi esetben 1 piros és 2 szürke. Eleinte nem működött pár konnektor amit nem értettem és villanyszerelőt hívtam. Ő egyszerűen összekötötte a szürke vezetékeket páronként. Azóta működnek a konnektorok, felszereltem a lámpákat, gépeket és minden jól működik kivéve 1 szobát. Itt a plafonon van 3 vezeték, 2 szürke és 1 piros. A fázis az egyik szürkében van (ami furcsa mert a konyhában a pirosban volt a fázis). A két szürke vezetéket összekötve működik a szobában lévő hátsó konnektor (ezt én logikáztam ki mert a szerelő valahogy elfelejtette őket összekötni). Megpróbáltam ide is feltenni egy lámpát, a két szürke vezetéket összefogva tettem az egyik, a pirosat a másik csatlakozóba. Így gondolván működni fog a hátsó konnektor továbbra is és a lámpát külön is le tudom kapcsolni. De nem működik és nem értem miért. A kapcsoló egy konnektor pici gombbal. Ha kapcsolgatom akkor a konnektor egyik felén megjelenik/eltűnik kicsi fázis. Bedugtam egy hosszabbítót ebbe a konnektorba amin van ilyen piros lámpás kapcsoló. A furcsa h ez a lámpa akkor sem ég ha látom a kicsi fázist a konnektorban. Ha a lámpa fent van akkor a kapcsoló egyik állása levágja a biztosítékot... valahol itt hagytam abba a próbálkozást.... Ez sajnos egy elég homályos leírás de nincs valami ötletetek h mit csinálok rosszul? Én úgy gondolnám a kapcsolónak a 0-át kéne megszakítania ezzel fel/le kapcsolva a lámpát. Az is lehet h a konnektor/kapcsoló nem oda való mert az előző lakó azt valamiért kiszedte még a lakásátvétel előtt és megígérte h hoz újat és ez a kapcsolós konnektor lett ott végül. Nem tudom h használta azt a lámpát ... de valahogy működnie kellett. Illetve ami nagyon nem tetszett, hogy ebbe a szobába tettem a számítógépet (a hátsó konnektorba dugva amit a két szürke vezeték összekötése aktivál) és a fázisceruza mutat némi feszültséget a házon. Ha húzom az ujjam a gépházon kicsit én is érezem. Szerintetek ez normális? A gép működik mindenesetre. Nagyon köszönöm a segítséget. Üdv, Ákos
Az már eleve nem jól kezdődik hogy "három vezeték lóg ki a falból, egy piros, kettő szürke"...
Megvetted, vagy bérled? Ha megvetted akkor mielőtt nagyon "belakod" előtte rendbe kellene tenni az elektromos hálózatot. Különös tekintettel a védővezető hiányára...
Szia,
Nem tudom mennyire vagy tisztában az alapokkal. Ha a szürke vezetékek nem csőben vannak vezetve, akkor kettős szigetelésű, ún. MMfal vezetéknek kellene lenniük. Ezeknél a külső szigetelés szürke, de belül még van egy fekete, vagy kék réteg. ez segít a megkülönböztetésben. A piros vezeték elvben CSAK védőföld lehet, ez már így van legalább 50 éve. Fázisceruzával méricskélni nem mindig eredményes, mivel más fogyasztón keresztül is jelezhet. Lehet, ez a "kicsi fázis" amiről írtál.
Érdemes lenne az effajta problémákkal foglalkozó topikok mottójának előre felírni:
Az áram alatt lévő vezeték ugyanúgy néz ki, mint amelyikben nincs áram, csak más a fogása.
Sziasztok! Köszönöm az eddigi válaszokat.
Szóval bérlem a lakást így nem nagyon szeretnék nagyon hozzányúlni az elektromos hálózathoz. Csak amennyit muszáj.... A kábelek csőben futnak. Az említett szobánál van még egy fekete kábel is de azt csak keresztülfutni látom a 2 szürke + 1 piros mellett. Nincs külső végződése. A szürke vezetékben nincs másik réteg sajnos. Szerintem az egyik szürkében "nagy" fázis van, a fázisceruza nagyon erősen világít nem úgy mint a "kicsinél". Üdv, Ákos
Kaptam egy amerikai szerkentyűt, villásdugó nélkül.A dugót azért nem tették rá mert náluk egészen más fajtát használnak.Három eres,földelt kábelről van szó.De a színek nem egyeznek a nálunk szokásossal.Fekete-Zöld-Fehér.A készülék szétszedése nélkül, hogyan tudnám megállapítani, hogy melyik a föld, melyik a 0-a. A fekete nyilván a fázis.
Ha amerikai. akkor előbb ellenőrizd le az adatlapján, hogy mekkora hálózati feszültségről működtethető, ugyanis az USA-ban a hálózat 110V! De így első blikkre simán csak 110V. a cucc, ezért kelleni fog hozzá egy 230/110V trafó.
A hozzászólás módosítva: Júl 20, 2013
Szia
Két ér között, lehet mérni ellenállást ( fázis és a nulla ) Pár 10 esetleg 100 ohm körül lesz. De ha modjuk 500W erősítő, akkor lehet 1....2 ohm os ellenállást mérni. A harmadik érnek nincs ellenállása a szerkezet külső fém alkatrészeivel. ( ez a föld ) Vigyázz, lehet hogy más feszültségre, van készítve. üdv. A hozzászólás módosítva: Júl 20, 2013
Lehet 120V-os, de lehet 240V-os is. A csatlakozóból sem lehet egyértelműen tudni; a feliratokat/doksit kell nézni.
Üdv nekem a poznárol 5 szál vezetékem jön melyik lehet a nula ha mindegyik fekete
|
Bejelentkezés
Hirdetés |





Várok tovább.. 