Fórum témák
» Több friss téma |
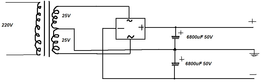
A kért képek bár nem a legszebb protopípus.Kapcsolási rajz mellékelve.
A kondenzátorok ilyen hatalmasak, vagy a trafó parányi? Esetleg nem jól látom? Mekkora ennek transzformátornak a névleges teljesítménye? Milyen vastag (kb.) a szekunder vezeték?
A trafó nem a legnagyobb a kimeő réz szálak 1mm-es rézből vannak.De azért a kondenzátorok is nagyok.Régebben ez a trafó STK-t hajtott 2X100W-osat,tehát a primer teljesítmény megvan,de viszont nem ott veszem le a szekunderről az áramot ami az STK-t is hajtotta mert ott 2X38V lenne de viszont kb 2Xennyi amperrel bír az a vég.
Mérd meg a szekunder feszültséget (25Vac volt üresjáratban) mekkora mikor néma az erősítő és mekkora ha felveszed a hangerőt? Ha ez a változás nagy, akkor túl kicsi a választott szekunder terhelhetősége.
A 2x38Vac rövid úton kivégzi a TDA7294-et. Nem próbálnám
Üresjárati állásba úgy hogy csak az üresen működő erősítő terheli a feszültség 2X18V,ha pedig maghajtom van hogy leesik 2X13-14-re is de itt viszont már torzít az ic.Másik trafót már próbáltam keresni,de nem találtam sajnos.Kb mekkora lenne az a trafó ami ezt az erősítőt kényelmesen elbírja? (feszültségre és amperre) Mert gondolom ez a trafó nem jó erre a célra.
A 2x25Vac szekunder feszültség ideális, 100VA javallt csatornánként.
Szerk.: tippelem a trafó előerősítőnek szánt tekercseit használtad, az sajnos nem bírja. A hozzászólás módosítva: Aug 11, 2013
Valószinü hogy az volt így lehet hogy trafóváltás lessz.Bár még jó kérdés azzal mikorra leszek készen,de azért köszönöm a válaszokat.
Sziasztok, érdeklődnék, hogy van-e valakinek eladó triacos lágyindítója? kb 1000W toroid trafóhoz kéne. 2db híd TDA7294-est hajtanék a trafóval.
Szia. Ez a majdnem csuma, télen volt beltérben. Ezek szerint akkor nem a végfok rossz, hanem egyszerűen melege volt...
Lehet, hogy az IC tok nem jól adja át a meleget a hűtőbordának.
Csak az a furcsa, hogy az egyik vég panel közvetlen meg egy bordára, a másik meg alu tömbbel és mind a kettő ugyan úgy viselkedett... (2 külön borda van a dobozban, mind a kettőt folyamatosan teljes fordulaton fúj 1-1 80*80as ventilátor.)
Az a baj ahhoz ki kéne annyira hajtani ami itthon a 10cm2 szobámban nem a legjobb
Lehetett a hálózati feszültség is magasabb, az is hozzájárulhatott a nagyobb hőfejlődéshez.
Sokszor írtam már - visszafogottabb tápfeszültséggel kezes bárány ez az IC
Lehetséges
Nálunk itthon "csak" 218V a hálózat...
Majd küldök egy kis áramot, mert itt meg 242V van
![]() HAver nagyapjánál is 500 méterre tőlünk...
A reléssel az a bajom, hogy az csak rövid ideig bírja, a triacos hosszabb élettartamú és nem termel annyi hőt sem.
Szia! Mi a tapasztalatod, hány üzemórát bír a relés? Beszéljük meg ebben a témában
A hozzászólás módosítva: Aug 11, 2013
Nem teszünk triakot egy erősítő trafójának primer körébe (mert a jó fülűek simán kihallják), sőt ha lehet még relét se. De ha kényszerből mégis kell valami, akkor az csak relé legyen.
Élettartam és melegedés itt egyáltalán nem szempont. A relék kacsolási száma kiszolgál akár több emberöltőt is, a soros ellenállások pedig nem melegszenek fel a késleltetés tizedmásodpercei alatt. Szerk.: Reloopnak igaza van, nem ide való a téma. A hozzászólás módosítva: Aug 11, 2013
Szia Reloop!
Régebben olvastam, hogy ennek a nyáknak/kapcsolásnak lesz utódja. Végigbogarásztam a topikot, de nem találtam sehol, nem lett új, vagy csak az én figyelmem kerülte el? Egyébként ez elérhető lay formátumban? Előre is köszi. E.
Szia! Azóta elkészült a szimlpa tápos változat, valamint hozzáigazítottam a TDA7293-hoz is.
A Sprint fájlt sikerült véletlenül letörölni, de megrajzoltam újra. Ha szükséges elküldöm.
Amit be is linkeltél, azt készítsd nyugodtan. Esetleg szeretnél rajta valamit célirányosan módosítani?
Igen, egybe szeretném építeni a táppal, a többi részét nem bolygatnám, mert többen írták, hogy ez így nagyon bevált a terveid alapján.
Előástam a második kiadást
ÓÓÓ, nagyon köszönöm!
Ha megrajzoltam rá a plusz dolgokat, úgy is felteszem, hogy megnézzétek, nem követtem e el valami földelési butaságot. Még egyszer köszi!
Szerinted ha normális keretek közt, otthoni házimozizáshoz fogom használni +-25V-ról, akkor kell valamiféle védelem? Gondolok itt valami soros dologra, ami védi a hangszórót, izzó, bizti, valami ilyesmi? A bekapcsolási tüskét elmésen megoldottad, azt látom
|
Bejelentkezés
Hirdetés |











