Fórum témák

» Több friss téma
Fórum » Reloop keverő
 
Témaindító: peet0428, idő: Jún 28, 2011
Témakörök:
Lapozás: OK   2 / 3
(#) peet0428 hozzászólása Jún 29, 2011 /
 
Azon gondolkozom, hogy egyetlen 7815 és 7915 helyett csinálnék egy kis hálózatot. Mégpedig:
A 12V AC-s adapterrel ugye a stabilizátorok +/- ~37V-ot kapnak, ami miatt egyetlen stabilizátornak ~22W-ot kell elfűtenie. Ehelyett a 37V-ot belevezetni egy 7x24-be, ami 13W-ot fűt el, ez tovább egy 7x18-ba, ami további 6W-ot fűt el és innen át a 7x15-be, ami még 3W-ot fűt. Igaz, hogy ez nem ad megoldást az adapter melegedésére, de a stabilizátorokat így könnyebb lenne lehűteni őket, mert nem egy forrása van a (kétszer) 22W-nyi hőnek, hanem több. Vélemény?

Esetleg a 7x18 kihagyható, így a 7x15-nek 9W-ot kellene elnyelnie...de ez már csak részlet.
(#) peet0428 válasza reloop hozzászólására (») Jún 29, 2011 /
 
Esetleg tegyek rá egyenirányítást és egy kis ventivel forgassam a levegőt a dobozában? Esetlegesen vágni a dobozán a ventinek megfelelő méretű lyukat és oda befogatni hogy kivigye a meleget?
Mert legalábbis gondolom nem túl egészséges az, ha melegszik, még akkor is ha nem ég le...
(#) reloop válasza peet0428 hozzászólására (») Jún 29, 2011 /
 
Gyári készülékbe nem nyúlnék bele. Melegszik-melegszik.
Ha fűt a kísérletezési vágy keríts egy toroidot, például ilyet. Lehet az használt is. A szekunderből hajts le annyit, hogy még éppen kielégítően szóljon.
(#) peet0428 válasza reloop hozzászólására (») Jún 29, 2011 /
 
Már így is bele lett nyúlva, mert a 7915 megadta magát (GND szál), az már cserélve lett.
(#) reloop válasza peet0428 hozzászólására (») Jún 29, 2011 / 1
 
Ha bele akarsz nyúlni, cseréld le a stab. IC-k előtti kondikat nagyobb kapacitásúra és/vagy kisebb belső ellenállásúra. Lehet 9V-ról is menni fog.
(#) peet0428 válasza reloop hozzászólására (») Jún 29, 2011 /
 
Jelenleg 220ľF 25V-os kondik vannak az IC-k előtt. Az addig rendben, hogy lecserélem őket 330/470ľF-esre, de nem értem, hogy ez hogy lenne hatással a kimenő jel erősségére. De megpróbálom, mert most hogy így látom, hogy 25V-osak és 37V megy át rajtuk így inkább ha nem is válik be 9V-ról akkor is pakolok bele valami nagyobbat (ártani nem árthat alapon).
(#) reloop válasza peet0428 hozzászólására (») Jún 29, 2011 /
 
220uF? Nem vagyok jártas a feszültség kétszerezős táp méretezésében, de 1A terhelés mellett nagyon soványnak tűnik. 100Hz-es tápnál (kettős egyenirányítás) 1000µF-dal számolnék. Nálad pedig csak 50-szer töltődik a kondenzátor másodpercenként.
Low-ESR kondit akartam ajánlani, de itt a kapacitások értékével és feszültségtűrésével akkora a gond, hogy érdemes egy helyes méretezést végigszámolni.
A 9V AC és a 20-22V stabilizátor bemenő feszültségben ismét kezdek hinni
(#) peet0428 válasza reloop hozzászólására (») Jún 29, 2011 /
 
Bocsi, összekevertem a panelon a be- és kimeneti szálakat. Bemenetek előtt 1000µF-es 25V-os kondik vannak. Mögöttük (közvetlenül a kimenet és a gnd közt) vannak a 220µF-esek.
1000µF-esekbe belemegy a 12V AC, kondikból megy egy-egy diódába és megy rögtön a stabilizátora.
(#) peet0428 válasza reloop hozzászólására (») Jún 29, 2011 /
 
Ha jól nézem ennyi: AC be -> 1000µF kondi -> 1N4007 dióda -> stabilizátor
És a diódából már 37V jön ki 12V AC bemenet mellett. Gondolnék egy olyanra, hogy 1000µF helyére betenni egy kisebb kapacitású kondit - mivel a 7815 és 7915 előtt is ott van külön a kondi és a dióda is -, hogy ne legyen ennyire felpufferolva és akkor már nem 37V-ot kapnának a stabilizátorok. Vagy épp az ellenkezője ahogy írtad: 9V AC mellett nagyobb kapacitású kondik.
Szerinted melyik lenne értelmesebb?
(#) reloop válasza peet0428 hozzászólására (») Jún 29, 2011 /
 
Így emlékeztem, hogy a feszültségkétszerező töltő és tároló kondija azonos értékű. Az 1000µF tároló (stab. IC előtti) kondi a 35V-os járatástól le lehet pusztulva. A csere remek ötlet.
Ha ez nem hoz megfelelő eredményt 9V-os táplálásnál, akkor javaslom mind a 4 kondit 2200µF-re cserélni az előbbi hsz. -emben leírt okfejtés alapján.
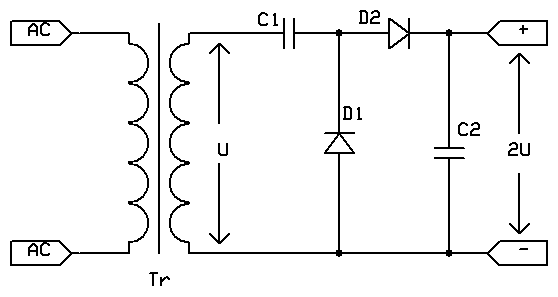
(#) reloop válasza peet0428 hozzászólására (») Jún 29, 2011 /
 
Találtam egy rajzot, hogy lehessen az alkatrészekre hivatkozni.
(#) reloop válasza reloop hozzászólására (») Jún 29, 2011 /
 
A puffer állomány bővítésének határt szabhat a kondik mérete. U=9V AC esetén lehet a C1 16V-os, a C2 25V-os.
Kapacitásban ha a hely engedi lehet a 2200µF fölé is menni.
(#) peet0428 válasza reloop hozzászólására (») Jún 29, 2011 /
 
Háromszor átnyálaztam, szóval talán jó. Ebben az elektronikában így vannak a dolgok...

x.jpg
    
(#) reloop válasza peet0428 hozzászólására (») Jún 29, 2011 /
 
Már én is visszafejtettem a fotóid alapján, nem valami esztétikusra sikerült, majd letisztázom.
(#) peet0428 válasza reloop hozzászólására (») Jún 30, 2011 /
 
9V AC-vel növelés nem jött össze. 2200µF-eseket raktam (ahogy voltak az 1000µF-esek ezek is 25V-osak) és igaz, hogy kevésbé, de búg.
12V AC-vel a csökkentés viszont bevált. Először 470µF kondikat pakoltam bele; érezhetően kevésbé búgott, de még búgott. 680µF-el már - hallásra - nem búg. 7815 20V-ot, a 7915 22v-ot kap. Viszont ha már rádugtam a crossfader-t akkor az már elevett annyi áramot hogy, hogy a 7815-re már csak 19V jutott és elkezdett eszeveszettűl búgni. Visszatettem a 7815-höz menő kondi helyére az 1000µF-es kondit és így már jó, így crossfader rádugása után is 20.3V-ot kap.
Végerősítőn hallani hogy egy minimálisan még búg, de legalább már nem 20W-okat kell elfűteniük a stabilizátoroknak - ahhoz képest, hogy milyen melegek voltak szinte hidegek.
Az adapter meg ettől függetlenül szépen lassan beforrósodik. 12.9V-ot ad le terheletlenül, keverőre dugva 12V-ot (+/- 0.2V ingadozás).
(#) reloop válasza peet0428 hozzászólására (») Jún 30, 2011 /
 
Mellékelem a kapcsolási rajzot. Ilyen típusú táp méretezésével még nem volt dolgom. Itt tudnak segíteni.
Továbbra is rejtély, hogy 12V AC tápláláshoz hogyan kerülhettek a 16 ill. 25V -os kondenzátorok
(#) Hp41C válasza peet0428 hozzászólására (») Júl 3, 2011 /
 
Szia!

A 7815 és 7915 -nek a kimenő feszültségnél minimum 3V -tal nagyobb bemenő feszültség kell, így továbbra is tetemes teljesítményt alakítanak hővé. LDO stabilizátoroknak 0.6 .. 1V is elegendő.
Ha a 7815 helyett LM2940-15, a 7915 helyett LM2990-15 típus tennél be, a nyers bemenő feszültségük +/- 16V -ra lecsökkenthetők. Az LM2940 és LM2990 stabilizátorok kimenetére kell egy-egy 22µF/25V tantál kondenzátor.

A bemenő feszültség 9V ACeff -re lehet lecsökkenteni.
(#) reloop válasza Hp41C hozzászólására (») Júl 3, 2011 /
 
Ha nekem kéne megoldani a problémát, megszabadulnék a feszültségkétszerezőtől.

Táp 001.jpg
    
(#) Hp41C válasza reloop hozzászólására (») Júl 3, 2011 /
 
Ez a megoldás kb. 30W -ot alakít hővé (ha mind a 3 kimeneten 1A -rel számolunk). A melegedés nemhogy csökkenne, hanem még nőne is...
Ha még az egy tekercses transzformátort is megtartjuk, három egyszerű kapcsoló üzemű táppal az elfecsérelt teljesítmény kb. 4 - 4.5W -ra vihető le. A kapcsolási frekvencát 20 kHz fölé válaszva, a zajokat nem lehetne hallani, a kapacitások is kisebbek lehetnek, de alacsonyabb ESR -ű példányok kellenének...
(#) tunnerman hozzászólása Máj 17, 2012 /
 
Reloop Rmx40 dsp keverőmből kiment egy alkatrész vagy megsérült.Mi az alkatrész neve, vagy tudtok rola mondani valamit??
(#) reloop válasza tunnerman hozzászólására (») Máj 17, 2012 /
 
Szia! A gomb magasságát egyeztesd: Bővebben: Link
(#) tunnerman válasza reloop hozzászólására (») Máj 20, 2012 /
 
Gombokat átnéztük, nem azokkal van a gond. az alján lévő csatlakozo tűkkel lehet a probléma...
(#) reloop válasza tunnerman hozzászólására (») Máj 20, 2012 /
 
Nálam garanciális időn belül jelentkezett ez a hiba, a szerviz jól ismert hibaként fogadta, komplett panelt cseréltek benne.
(#) at22 hozzászólása Jún 16, 2012 /
 
Hali! Mindenkinek! Van egy 2 csatornás keverőm jaytec djm-3. Az a problémám vele hogy, az egyik oldal tökéletes,de a másik csak monóba szól és csak az egyik ütem kijelző dolgozik rajta de ha rá dugom phonora akkor jó sztereóba szól. Szét szedtem de nem látni semmit rajta. Ha valaki tud segítsen már előre is nagyon szépen köszönöm. Itt a kép róla mind a 2 csatornáról.
(#) Pityu179 hozzászólása Aug 17, 2013 /
 
Sziasztok, jó reggelt!

Lenne nekem egy Reloop RMX 20 típusú keverőpultom. Tápkábelt nem kaptam hozzá, így egy sima 12 voltos adapterrel szerettem volna kipróbálni. A gond ott kezdődött, hogy elnéztem az adaptert és véletlen egy 7,5 voltost dugtam rá. 2-3 másodpercre felvillantak a ledek, azután se kép, se hang. Semmire nem reagál. Égett szagot vagy ilyesmit nem produkált.
Kérlek benneteket, segítsetek, hol kezdjem a hiba felderítését.
Köszönöm előre is mindenkinek.
(#) reloop válasza Pityu179 hozzászólására (») Aug 17, 2013 /
 
Szia! A kisebb feszültségű adapter elvileg nem okozhatott kárt, azt az esetet leszámítva, ha az üresjárati feszültsége túlságosan magas volt. Kis trafóknál ez előfordulhat. Mérd meg az adapter kimenő feszültségét! Nem írod, de gondolom AC kimenetű.
A keverő csak az előírt táppal fog rendesen működni, elég kacifántos feszültség többszöröző van benne.
Ha az előírt adapterrel sem működne bontsd szét, és ellenőrizd a stabilizátorok kimenetén az egyenfeszültségeket.
Ilyennek gondolom az RMX 20-at is.
A hozzászólás módosítva: Aug 17, 2013
(#) Pityu179 hozzászólása Aug 24, 2013 /
 
Sziasztok. Adott egy Reloop RMX 20-as keverőpult, ami 12 volt váltó helyett 12 volt egyenáramot kapott. A helyes adaptert használva müködik még mindig, viszont mindent maximumra kell tekerni, hogy valamit halljon az ember. Ugyan azt produkálja, mint amikor egy erősítőben meghal a végfok. Kérdésem: szerintetek hol kezdjem?
Üdv!
(#) Pityu179 válasza reloop hozzászólására (») Aug 24, 2013 /
 
Szia, a válaszod alapján megoldódott a probléma, köszönöm. Viszont most itt az újabb páciens. Ki gondolta volna, ez is RMX-20. Üdv!
(#) reloop válasza Pityu179 hozzászólására (») Aug 25, 2013 /
 
Szia! Az egyenfeszültség sem tud kárt tenni benne. Ismét a tápfeszültségek ellenőrzését ajánlom.
A hiba azért elég szokatlan. Nézzd meg több bemenetnél is! Mindre ez jellemző?
(#) skate00 hozzászólása Aug 25, 2013 /
 
Hello

Egy pár hónapja vásároltam egy Reloop Rmx 20-as keverőt.
A keverő jól működik, leszámítva egy problémát amit szinte minden használatkor jelentkezik.

Bizonyos időközönként elmegy a Master R kimeneten a jel. A kivezérlésjelző is ezt mutatja. Úgy tapasztaltam hogy a probléma akkor keletkezik gyakrabban ha gyengébb a jel.

Erre a problémára csak egyetlen ideiglenes megoldást találtam eddig.
Valamelyik Chanel R bemenetét, át teszem Line ról, Phono ra, (persze ilyenkor töredékére csökkentem a hangerőt, majd átkapcsolom 1 másodpercre a Phono/Line kapcsolót, ilyenkor kap egy magasabb jelet, visszadugom Line ra, vissza a kapcsoló, és minden megy tovább rendesen. Na most ez igen nagy probléma egy mixelésnél ezek az időközönként megjelenő technikai problémából adódó megállások. )

Segítségeteket várom.
Üdv:
Roli
Következő: »»   2 / 3
Bejelentkezés

Belépés

Hirdetés
XDT.hu
Az oldalon sütiket használunk a helyes működéshez. Bővebb információt az adatvédelmi szabályzatban olvashatsz. Megértettem