Fórum témák
» Több friss téma |
Szia!
Tényleg nem kötötted rá a végfokra a negatív tápfeszültséget?
Hali!Ekkora marhaságot még én sem hallottam,hogy egy szimmetrikus feszültséggel működő végfokból ki hagyni a - polaritást.Ki volt ez a jó akaró?Sajnálom szerencsétlen TDA-t,vagy esetleg meg úszta?Ilyenkor tuti halál.
A hozzászólás módosítva: Aug 25, 2013
A kimenetről volt szó, nem a tápfeszültségről.
A védelem honnan látja a végfok GND-t?
Már sikerült megoldani a problémát. Az lm1036-os topikban az egyik hozzászólásodban megtaláltam a megoldást. A 12V + és - ágát is be kell kötni a test mellé.
Még egy problémám van. Az normális hogy a potmétert kb fél hangerőn kezd el hangosítani? A másik pedig, hogy "üresen" is zúgnak a hangfalak. Azon kívül sikerült indítani csak picit halknak tűnik nekem az egész. Mély van benne bőven az nem kifogás.
A hangerő szabályzás problémára találtam megoldást, köss két diódát a hangerő poti test lába elé: Bővebben: Link
A búgást földhurok, vagy árnyékolás hiány okozza, majd szépen kigyomláljuk
Keresek itthon két diódát majd holnap beleteszem és kipróbálom. A búgásra már tettem kísérletet. Az lm1036 tól menő jelkábelt rosszul kötöttem be. (árnyékolást nem kötöttem be) Azt megcsináltam reménykedtem benne, hogy attól javulni fog a helyzet, de nem így alakult. Remélem tudsz majd segíteni benne.
![]() A másik észrevételem, hogy a londlesst ha "kikapcsolom" akkor is ugyan akkora a maximális hangerő. Szóval gyakorlatilag nem erősít semmit a hangon. Talán csak minimálisat de nem észrevehető. 80W 8ohm hangfalat az egyik oldalra kötve max hangerőn elviselhető (nem veri szét a hangfalat) hangerőn megy. Erre értettem hogy halk kicsit nekem. A hozzászólás módosítva: Aug 25, 2013
Készíts egy képet, amin a teljes kábelezés látszik! Ha van rendszer a vezetékek színében, oszd meg velünk, ne kelljen találgatni.
Csináltam 3 képet. Bejelöltem mindegyiken melyik vezeték mit csinál.
Ha majd eljutsz odáig, szerintem a cikkek közt található lágyindító kapcsolás egyszerű és korrekt.
Lágyindító
Úgy látom a hangszín panel három testvezetékkel is csatlakozik a végfokokhoz. A jel vezetékkel párhuzamosan egy-egy, valamint a csillagpontról is jön egy szál. Próbáld meg, hogy vagy csak a csillagpontról kapjon testet, vagy csak a két végfoktól jövő test vezeték maradjon. Melyiknél tapasztalsz kevesebb zúgást?
Rákérdezek még, az LM1036 panelt 12V-os feszültségstabilizátorról táplálod?
Földhurok ügyben először azt próbálnám meg, hogy az előfok GND-t és csillagpontot összekötő kábelt megszakítanám (leforrasztanám az előfok nyákjáról).
Az, hogy az előfok egyszer földelődik a csillagpont felé, egyszer pedig a jelkábel árnyékolásán keresztül a végfok nyák felé, azon keresztül ismét a csillagpontra - már földhurok. Egyébként az előfok honnan kap, és milyen tápfeszültséget?
Szia!
A loudness nem a teljes hangerőt növeli, hanem a mélyét és a magasét. Kis hangerőn van jelentősége, hogy a hangzás jobban illeszkedjen az emberi hallás karakterisztikájához. Olvasnivaló. A hozzászólás módosítva: Aug 26, 2013
Hello!Azt szeretném megkérdezni, hogy valakinek nincs-e meg ennek a panelnak a kapcsolása esetleg a beültetése?
A hozzászólás módosítva: Aug 26, 2013
Nem hinném, de ez egy kettős híd. Itt a fórumban ilyent biztosan találsz.
Ha nem kap testet se végfokról se közös pontból akkor zúg mint állat. Ha csak a végfokról kap testet akkor zúg ugyan úgy. Ha csak a közös pontból kap testet valamivel halkabb. Ha viszont lekötöm a bemenő jelet a végfokról akkor nincs zúgás.
A hangszín és a végfok közötti vezetéket sodord össze, vagy cseréld árnyékoltra.
Nézd meg mi történik ha csak az egyik végfok van a hangszínre kötve. A másiknak ne csak a jel, hanem a testvezetékét is válaszd le a kísérlet idejére.
Na megszunt a brumm. A jelkabel harisnya reszet leforrasztottam a vegfok panelhoz is es a az alaplapon levo jeltestre is es hirtelen megszunt a brumm. Nem ertem hogyan de megszunt. Azert koszonom az otleteket es a reszletes magyarazatot.
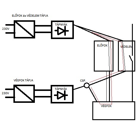
Amennyire össze tudtam rakni, a csatolt kép szerinti összeállítást érzékelem, amiben a piros vonal mutatja, hogy miért áll fenn a földhurok esete.
Azt meg lehetne oldani valahogy, hogy a védelem a végfok tápjára legyen kötve? Akkor nem kéne a védelem GND-jét összekötni az előfok táp GND-jével, és így nem alakulna ki a hurok.
A hangszín és a végfok közötti vezeték árnyékolt. Ha csak az egyik van rákötve is ugyan ez a jelenség.
lukacsp: A védelem váltóáramot kap, a hangszín pedig 7812-vel stabilizált tápot kap. Igaz ugyan az a trafó hajtja mind 2-őt. A védelembe csak a csillagpontból megy egy vezeték.
Azt sem tartom kizárva, hogy így van a bekötés (kép).
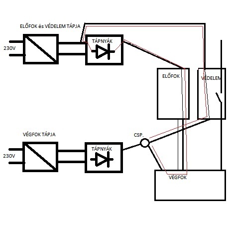
A végfok tápjáról kéne megoldani a védelem táplálását. Próbáld meg megtáplálni a védelmet a második kép alapján, így az előfok tápjához nem lesz köze. Szerintem ez a megoldás kulcsa. A hozzászólás módosítva: Aug 26, 2013
Idézet: A segédtrafón két független szekunder-tekercs van? „A védelem váltóáramot kap, a hangszín pedig 7812-vel stabilizált tápot kap. Igaz ugyan az a trafó hajtja mind 2-őt.”
Szia! Védelem. A linken lefelé görgetve láthatod a táp leírását.
Az nagy baj! Nézd amit az imént írtam Péternek!
Ha átkötöm a végfok tápjára akkor megszűnhet ez a probléma? Akkor viszont a 7218-ra ami van a védelmen hűtőbordát kell tennem, mivel így is 21V körüli áramot kapott ami miatt 10 perc után már jelentősen felmelegedett. 23V akkor nem lesz káros a védelemnek? Mert az adatlapján 12-15V írnak megengedett tartománynak. Annyit tudok, hogy a 7812 35V-ig lehet terhelni.
Látom nem érthető. A védelemnek egy teljesen független szekunder feszültséget kell biztosítani! "Need independenct power supply!"
De értem. Akkor a végfok tápjára kössem át a védelem tápellátását? Jelenleg így van (kép)
Ha átkötöm akkor a "csokiba" kössem? mert annak a végén így néz ki. 23v gnd gnd (ez a kettő egy vezetékkel össze van kötve) 23v
Ha a csokiba kötöd az miért lenne független? A 23VAC mint helyesen megállapítottad, amúgy is túl magas a 12V egyenfeszültség előállításához.
Egy közbevetőleges kérdés: a feszültségstabilizátortól csak a +12V jön el? Onnan nincs közvetlen test (0V) víve az LM1036 panelra? Egyelőre ne kötözz semmit, beszéljük meg!
Pontosan így néz ki a bekötés.
A 12V-os tápról a hangszínre menő testvezetéket nem látom - pedig nagyon nézem
![]() A hangszín táp AC-re kötött védelem csúnya hurkot okoz, még egy 12Vac-re lesz szükséged. Készítettem egy ábrát amire egyelőre csak a test (GND) vezetékeket raktam fel, hogy jobban áttekinthető legyen. |
Bejelentkezés
Hirdetés |















