Fórum témák

» Több friss téma
Fórum » Ez milyen alkatrész-készülék?
 
Témaindító: csaby, idő: Dec 25, 2005
Témakörök:
Lapozás: OK   509 / 1206
(#) blasz válasza granpa hozzászólására (») Szept 14, 2013 /
 
Szia nincs gáz a trafóval,legfeljebb annyi hogy 15 éve nem volt használva,ezen kivül rendesen üzemel,nem tudok áramot mérni,de izzót sorba kötve teljesen kialszik,ahogy a pufferek feltöltődnek,de lehet rosszul gondolom.
U.i ez akkor forrósodik fel amikor sinussal megterhelem az egész véget,normál üzemben nem melegszik.Bocsi ez lemaradt
A hozzászólás módosítva: Szept 14, 2013
(#) blasz válasza blasz hozzászólására (») Szept 14, 2013 /
 
Maga a trafók vadi újak,vagyis sose kerültek üzembe.Régi Mechanikai Labor gyártású 15 évet minimum pihent.azért gondolom azzal baj nem lehet ott azért volt ellenőrzés még.Meo.
(#) granpa válasza blasz hozzászólására (») Szept 14, 2013 /
 
Azért érdekes lenne olyankor áramot mérni, mert az melegíti.
(#) blasz válasza granpa hozzászólására (») Szept 14, 2013 /
 
Ami a képen van az egy másik darab ebből van sok,amikkel problémám van azok be vannak építve már.

DSCN2100.jpg
    
(#) Csongi_ válasza resystance hozzászólására (») Szept 14, 2013 / 1
 
Hogyha megolvasztod az ont a labakon, es onszippantoval felszippantod, akkor keves on szokott rajtamaradni.
(#) Sebi válasza mikulamotor hozzászólására (») Szept 14, 2013 / 1
 
Ez egy elég szépen megépített házi gyártmányú készülék, aki elkövette, az tudta mire, miért készült. Ha visszarajzolod, akkor többen is tudnak majd felelni.
Mindenesetre jó hosszú 3-as csavarjai voltak...
(#) mpetrooo hozzászólása Szept 15, 2013 /
 
Üdv.

Sürgésen kéne nekem egy egy NEM elektrolit kondi Háztartásba miben találhatnék nagyobb kapacításut?

üdv,
Máté
(#) blasz válasza mpetrooo hozzászólására (») Szept 15, 2013 /
 
Tv rádió,videó,stb,de ne szedd szét azért a müködö készülékeket
(#) mpetrooo válasza blasz hozzászólására (») Szept 15, 2013 /
 
Nem akartam köszi. Van itthon egy pár nem működő elektronikai cumó. Akkor majd azokból szemezgetek....
(#) granpa válasza mpetrooo hozzászólására (») Szept 15, 2013 /
 
Mit jelent a nem elektrolit nálad? Polaritás függetlent? Fénycső armatúra, 4.2uF.
(#) erdgab válasza mpetrooo hozzászólására (») Szept 15, 2013 /
 
Villanymotor üzemi kondenzátort 1-25µF/450V -ig 1000 forint alatt lehet kapni újat,nem érdemes annyira bontani,de mindenki maga tudja.
(#) mpetrooo válasza granpa hozzászólására (») Szept 15, 2013 /
 
Polaritás független. EgyenirányÍtásból fogok kiselődást tartani. És az egyik áramkör amit bemutatok az olyan, hogy egyik kapcsoló azt csinálja hogy megfordítja a diódát(így másmilyen előjelű áram lesz) és egy másik kacsoló meg berak egy kondit(ami ugye pufferkondi). És azért kéne polaritás független hogy ne durranjon szét Persze ezt majd mind oszcilloszkópon fogjuk figyelni.
(#) mpetrooo válasza erdgab hozzászólására (») Szept 15, 2013 /
 
pont van egy 4µF-esem. ugye kiadja ezt a kapacítást, hogyha kb 15 Volton használnám?(mert 450V-os)
A hozzászólás módosítva: Szept 15, 2013
(#) erdgab válasza mpetrooo hozzászólására (») Szept 15, 2013 /
 
Természetesen,a kondi tűrési határain belül kell gondolni és a kapacitás nem feszültségfüggő.
(#) kadarist válasza mpetrooo hozzászólására (») Szept 15, 2013 /
 
Azt a mindenit, feszültségtűrést a kapacitással meg a feszültséggel miért vonod párhuzamba?
(#) mpetrooo válasza kadarist hozzászólására (») Szept 15, 2013 /
 
hát mivel nincs sok gyakorlatom, gondoltam hogy a 15V és a 450V az eléggé nagy külömbség, gí lehet hogy nem adja köszi mindent
(#) kadarist válasza mpetrooo hozzászólására (») Szept 15, 2013 /
 
Az a feszültségtűrés értéke, tehát, hogy maximum mekkorát visel el.
(#) mpetrooo válasza kadarist hozzászólására (») Szept 15, 2013 /
 
Rendben Köszönök mindent. Ma is sokat tanultam
(#) kadarist válasza mpetrooo hozzászólására (») Szept 15, 2013 /
 
Sokat tanultál és még mennyit fogsz!
(#) kukker91 hozzászólása Szept 16, 2013 /
 
helló ezt az alkatrész auo-012h2 Magyarországon be lehet szerezni ?
(#) Kiscsako hozzászólása Szept 17, 2013 /
 
Sziasztok!
Remélem jó helyen teszem fel a kérdésem.
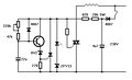
Meg kéne javítanom egy fóliaheggesztő elektronikáját, annak is az időzítő tagját. Gyakorlatilag az összes félvezető tönkre ment benne. Mindegyik típusát le tudtam olvasni egy kivételével, ennek sajnos lerobbant az "arca". Egy TO-92 tokozású (gondolom tranzisztorról) lenne szó, de nem tudom milyen típust rakhatok bele (a rajzon piros kérdőjel). Megjegyzem a működése is homály elöttem. Megpróbáltam visszarajzolni a nyákról, szerintem nem hibáztam

Légyszi segítsetek!

Kapcsrajz.pdf
    
(#) Sebi válasza Kiscsako hozzászólására (») Szept 17, 2013 /
 
Meglehetősen kockázatos kapcsolás...
Ez egy elengedés késleltetett relé: mikor megkapja a hálózati feszt, a relé meghúz, majd a kondi feltöltődése után elejt. A robbant alkatrész kis tirisztor, mert jó esetben mindössze 15mA körüli áram folyik rajta. Mivel ellenállás osztóval állítja elő a működtető feszt, ezért minden körülmények között biztosítani kell, hogy az osztónak legyen terhelése, különben felugrik a fesz akár 320V-ra. Bekapcsoláskor a relé-LED az osztó "alsó" tagja, lejárt idő után pedig a felrobbant tirisztor - mint rövidzár.
Lehet, hogy megszakadt a LED (szokott!), ezért pusztított a 320V.
A berajzolt pár alkatrésszel ez nem fordulhat elő: relé szakadás esetén a 30V-os zener fog, LED hibánál pedig a három dióda (piros LED esetén. más színűnél - amiknek magasabb a nyitójuk, tehetsz ide is egy zenert,pl ZPY 5V6)

Szerk: előbb tranyóra gondoltam, de akkor nem marad ejtve a relé...
A hozzászólás módosítva: Szept 17, 2013

Kapcsrajz.GIF
    
(#) pucuka válasza Sebi hozzászólására (») Szept 17, 2013 /
 
Így meg ki fogja kikapcsolni a tirisztort?
(#) Sebi válasza pucuka hozzászólására (») Szept 18, 2013 /
 
Gondolom, a folyamat a következőképp zajlik: zacskó a fűtőszálra fektet - fedél rászorít, ami mikrokapcsolóval feszt ad az áramkör bemenetére - várakozás, míg a kondi feltölt, ezalatt hegeszt - relé ejt, fűtés leáll a csukott fedél ellenére. Aztán fedél felnyit, mikrokapcsoló bontja áramkörünk tápját, tirisztor kialszik, vár az újabb lecsukásra...
A hozzászólás módosítva: Szept 18, 2013
(#) Sebi válasza (Felhasználó 13571) hozzászólására (») Szept 18, 2013 /
 
Hát - igen, ahogy ránéztem a rajzra,láttam,hogy nyűgös. úgy látszik a relé volt éppen olcsóbb a gyártáskor... lehetne triac-kal is kapcsolni a fűtést, de a kis tirisztorra akkor is szükség van, mert ez őrzi meg a kikapcsolt állapotot, amíg a tetőt fel nem nyitják.
Érzékeny triac már 5mA-rel gyújtható, nem kéne 5W-os ellenállás.
Hogy tetszik?

MKR2.GIF
    
(#) Kiscsako válasza Sebi hozzászólására (») Szept 18, 2013 /
 
Szia!

Köszönöm a részletes magyarázatot, így már világos a működése az áramkörnek.
Az hogy van kockázatos pontja, ... talán mert kínai
Van sok KT505-ös tirisztorom, az gondolom megfelelő a helyére, kicserélem a hibás alkatrészeket, és próba.
Köbzoli:
Gondolkodtam én is, hogy valamilyen időzítővel felváltani a jelenlegit, de egyenlőre nem akarok nagyon mélyen belepiszkálni, mihamarabb termelnie kéne. Proli007 szerint is jó lehetBővebben: Link
Köszönök minden segítséget!
(#) adam950 hozzászólása Szept 19, 2013 /
 
Sziasztok!
Segitséget szeretnék kérni javitok egy HIFONICS ZXI9000 autoerősitőt,több tranzisztor zárlatos benne,tipúsa MAP6808V ebből van benne 12db és nincs komplemeter párja,mivel tudnám helyetesiteni,mert ilyen tranzisztort nem tudok sehol rendelni?
Köszönöm a segitséget!
(#) mikipro hozzászólása Szept 20, 2013 /
 
Nemrég kerestem a Hitachi 1001DL ic-t. Amit találtam egy orosz oladalon azt most mellékelem. Egyébként PWM, a régebbi Delta tápokban található. Okos szerkezet, de mivel a 230V-os oldalon van, könnyen meghibásodik. A mellékelt rajz részlet DELTA DSP-250AB-7 B
A hozzászólás módosítva: Szept 20, 2013
(#) HA3GX hozzászólása Szept 20, 2013 /
 
Sziasztok,

ez milyen kamera, és hogyan kell bekötni? Ami leolvasható róla: cm-700
3 kivezetése van, gondolom: +5V, GND, video
Közvetlenül TV-re lehet kötni, de a bekötéssel gondban vagyok. A GND megvan, az a középső láb, de a többivel nem akarok lottózni.

cam.jpg
    
(#) Sebi válasza HA3GX hozzászólására (») Szept 20, 2013 /
 
Szép a fotó, de maszatos a panel...
Szerintem nem 5V kell neki, mert ahogy látom, az infra LED-ekből legalább 3 (de inkább az összes) sorba van kötve. A nagy 680 ohm lesz az előtétje és ez 3 esetében is csak 2..3mA, ami kevés neki. Tehát 12V-os és azon megy be, amire a 680 ohm van kötve (talán még van egy kis RF fojtó sorosan). A video elkóval jön ki, 100 µF körülin.

Ja! És nem megy tönkre, ha elkötöd.
A hozzászólás módosítva: Szept 20, 2013
Következő: »»   509 / 1206
Bejelentkezés

Belépés

Hirdetés
XDT.hu
Az oldalon sütiket használunk a helyes működéshez. Bővebb információt az adatvédelmi szabályzatban olvashatsz. Megértettem