Fórum témák
» Több friss téma |
Egy két infó nem ártana a készülékről .Saját , vagy kéztől , vagy boltban vásárolt , volt e már javítva.Esetleg érte e valamilyen külső behatás .
Javítva még nem volt! Most kaptam egy rokontól! Nála kezdte ezt a hibát,és nem foglalkozott vele! Én megvettem tőle olcsón. Külsőleg ép és szép, nem látszik rajta semmi! SAMSUNG LE40A616A3F tipusa!
Értem .Akkor a következő kérdésem , hogy milyen forrásból csinálja ezt .Ezt úgy értem , hogy scart ról esetleg DVD , vagy tuner bemenetről .És ha lehetséges ezeket ki kellene próbálni , hogy minden forrásból csinálja , vagy csak mondjuk a tunerről.
A hozzászólás módosítva: Okt 2, 2013
Scartról próbáltam,egy DVD lejátszóval!
Ha bekapcsolom a tv-t akkor a jobb olbala hangyás,a másik fele meg feketébe megy át! Kipróbálom amit tudok még!
Igen ugyan az a hiba! kép van nem vibrál,de a bal oldali részen belassul a kép (nehezen tűnik el) és erőteljesebbek a színek!
Nos nekem T con hibának tűnik , de felteszek egy két képet , hogy miket kellene átnézni , és kiméregetni.
Csatlakozásoknál kábeleknél kontakt hibát keress főleg a T con panelen , Tápegységet kimérni , invertert , és main boardot , és T cont is. Főleg kondenzátorok .Lehet soknak fog ez tűnni . Ezeket végig kell zongorázni .Talán ha minden előtt csinálsz egy olyat , hogy ha le van véve a tv hátulja , akkor egy keményebb műanyag rúddal a T con panel kábeleit kicsit ütögetve , és lesz a rá reakció , de ezt megcsinálhatod a tv bármelyik részével. Ha nem lesz reakció , akkor nem marad más hátra mint amiket leírtam szép sorjában kiméregetni. A hozzászólás módosítva: Okt 2, 2013
Ebben az esetben felesleges az invertert és a tápot méregetni, inkább a kijelző felső nyákján kellene oxidációt és levált COF kábelt keresni.
Rendben köszönöm a segítséget,holnap lebontom és megnézegetem! Ha elakadok,vagy ha van változás írok!
Sziasztok!
Az lenne a kérdésem, hogy egy LCD tv-ben, a táp részen, felpúposodott 2db 1000µF-os és 1db 820µF-os kondi, az utóbbiból 3db van benne, de a másik 2 jó. Ma körbe jártam három boltot is de egyikben sem tartanak 820µF-os kondit. Szerintetek kicserélhetem ezeket 1000µF-osra, vagy összehozzam az értéket 2 kondiból? Mennyire kritikus ezeknek az értéke? Előre is köszönöm.
Szerintem nem lesz belőle baj, ha a két 820µF-es kondit picit nagyobbra cseréled! Főleg hogy ez nem is szabvány érték, 680µF az előtte, és 1000µF az utána lévő szabvány érték a sorban!
Szia! Köszönöm,akkor kicserélem őket 1000-re. Az az érdekes hogy még 680µF-os sem volt,mert hogy állítólag az sem szabvány érték.
Mindegyik szabvány érték, mert többféle szabvány is létezik, inkább nem gyakoriak mifelénk.
Sziasztok! Van egy Lg lcd tv-m. Típusa: rz-26lz55 és egyik napról a másikra csíkos lett a képe a képen látható módon. Szerintetek mitől lehet? Előre is köszönöm.
Szia!
Ha digi vagy upc beltéri egységes televíziót nézel, akkor szerintem az összekötő scart vagy rca kábel árnyékolásával lesz a probléma. Megoldás: Húzz ki minden más eszközt a tévéből (dvd pc stb) csak a box maradjon. Ha a hiba így is fennáll, akkor cseréld ki a box és tv közötti összekötőkábelt. (rca vagy scart ált.) Ha egyik sem hoz eredményt, írj vissza és kitalálunk még valamit. Üdv!
Hello!
Digi volt rákötve, de sajnos nem csak ennyi a probléma. Nem volt rákötve semmi a bemenetekre és ha váltogatom akkor AV1, AV2, S-video -nál ilyen a kép, de kompozit és Pc bemeneten nincs ilyen zavar.
Lehet, hogy zajos lett a tuner tápja, szkóppal rá kellene nézni a tápokra.
Sziasztok!
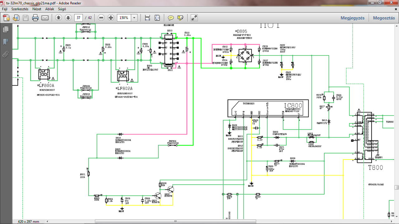
Még új vagyok az oldalon, és bocsi ha rossz helyre írok, segítségkérés ügyében! Szóval adott lenne egy tnp0ep009 panasonic tv táp, és nincs standby feszültsége! A trafó hot részén sem kap feszültséget, gyanakodtam az mr4040 igbt-re, ma vettem újat, de így se működik! A puffer kondin van 27xvolt, szóval odáig eljut a lényeg, csak tovább nem... Mindent kimértem (ellenállás, dióba, tranzisztor, de semmi hiba)! Kondikat kicseréltem! Szóval csak a az igbt gyújtására tudok már gondolni... Esetleg tudnátok tippet adni? (Diódákat, és az ellenállásokat terhelés alatt mértem ki!)Javítottam már pár egyszerűbb dolgot, de ez számomra kihívás lett! Köszönöm előre is! Üdv. Constant Mr4040 A hozzászólás módosítva: Okt 7, 2013
A gyújtó részén a kondikat, bc847b-t, ellenállásokat cseréltem újakra, de még mindig semmi... Azt hiszem túl egyszerű a hibája... :/
Szia!
Ezt inkább egy tévészerelős topikba kellene beírnod.
Azt merre találom? Küldenél egy megfelelő linket? Köszönöm!
Már itt is vagyunk! A hálózati pufferkondi sarkain kellene mérned és nem a testhez képest. A mért 27x volt eléggé kevés, itt 300V feletti feszültségnek kellene lenni. Az IC800 VIN lába és a pufferkondenzátor negatív lába között mekkora a feszültség?
Üdvözök mindenkit!
A SAMSUNG LE40A616A3F típusú LCD tv-vel kapcsolatban tennék fel pár képet, mert nem igazán tudtam elmagyarázni a hibajelenséget! Mi okozhatja ezt a hibát? Folyamatosan tűnik el az előző kép,de lassan! Jobbról balra!
Szia!
Érdekes, hogy a "Nincs jel" felirat megmarad.
300-304volt van a kondinál, meg a vin lábnál! A kondi pozitív lába a vin-re megy közvetlenül!
Teszt erejéig, adtam a standby táp résznek feszt, egy egyenirányítóval, + 3a biztivel, és bekapcsolt egy pillanatra, kattant ahogy kell, de a bizti azonnal oldott! A tv elejébe 5a bizti van, most azért oldott ki mert gyenge volt, vagy valami más miatt? Illetve ha nagyon rejtélyes az egész, megoldható h folyamatosan menjen, és a főkapcsolóval lehessen ki-be kapcsolni? A hozzászólás módosítva: Okt 7, 2013
Az se sok, de mindegy is. Elárulnád a kapcsolási rajz forrását, mert úgy könnyebb lenne a hibakeresés.
Meg van. Nincs zárlat a tápegység kimenetén? Az ott lévő kondenzátorok jók? A primer oldaliakat is átvizsgáltad, cserélted?
Nem látok zárlatot, viszont a kimenőnél nem cseréltem kondikat! Primer oldalon csak az elkókat cseréltem!
Kimérni hogy tudnám a kondikat? Külső aksival töltsem fel, és nézzem meg h tartja-e a feszt? Csak multiméteren van! :/ Ha kiszedem a trafót, milyen ellenállás értékeket kéne kapnom?
A trafót ki ne vedd! Az elektrolitkondenzátorokat cseréld, ha nincs kapacitásmérőd. Még SMD-tranzisztorhiba is lehet és ellenállás szakadás. A primer oldali összes ellenállást ki kellene mérni.
Nem veszem ki akkor!
![]() Alul minden kis smd ellenállást kimértem, a két bc847b cserélve lett! Terhelés alatt mértem a magam módján, egy izzóval, és úgy is jó értéket kaptam! Pill és cserélem a kondikat! |
Bejelentkezés
Hirdetés |









Mindent kimértem (ellenállás, dióba, tranzisztor, de semmi hiba)! Kondikat kicseréltem! Szóval csak a az igbt gyújtására tudok már gondolni... Esetleg tudnátok tippet adni? (Diódákat, és az ellenállásokat terhelés alatt mértem ki!)








