Fórum témák
» Több friss téma |
Sziasztok!
Egy (pontosabban 2) léptetőmotort szeretnék vezérelni egy ilyen potival. Középállásban állnak a motorok, kitérítve pedig a forgás irányát és fordulatszámát lehetne szabályoni. Még nincsenek meg a motorok; én bipolárisra gondoltam, de minden megoldás érdekel. Tudom, hogy már van léptetőmotoros topic, de ott a pc-s, szoftveres vezérlésről van szó, itt pedig önálló hardveres megoldásokat várok.
Hello, "Névleges ellenállás 10 mohm" bajok lesznek ezzel, ha ez nem sajtóhiba!
Szerintem sajtóhiba, de találtam ugyanilyet 5K, 10K, 50K és 100K -s kivitelben, tehát ez nem lesz gond.
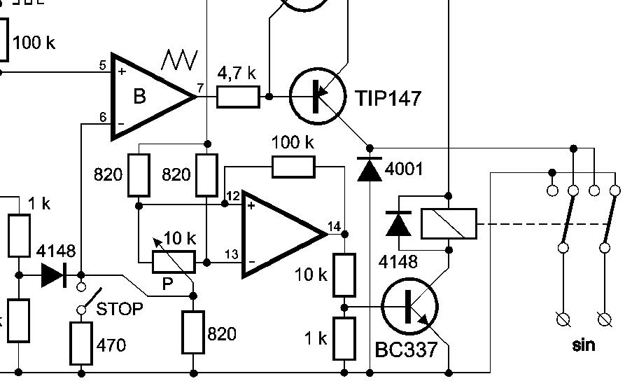
Kellene először egy ablakdiszkriminátor. (bonyolult lesz PIC nélkül!) Ez érzékelné a poti állását hogy jobbra van e, vagy balra, középen a hiszterézissel. Majd a neheze, egy műveleti erősítős kombináció, amely a növekvő, ill. csökkenő ellenállást egyforma irányú feszültség változássá alakítja. Erre van itt egy példa, ezt kellene megérteni. ..itt.. A modellvasút tápegységnél ilyet alkalmaznak.
Na nekem már tiszta, nem is olyan vészes...A mellékleten látható módon kell összekötni csupán a poti két végét, az irányt az OPA jelzi. A kapott feszültséggel egy VCO-t kell vezérelni, ami a léptetőmotor fordulatszámát határozza meg. például egy CD 4046-tal lehetne. Tudsz követni?
Ez nekem túl bonyás megoldásnak tűnik...
Szerintem az X és Y poti leosztott feszét egy A/D-re kellene küldeni, valamilyen proci (Atmel vagy PIC) úgyis fog kelleni a kapcsolásba, mert ezzel a legegyszerűbb a két léptetőmotor vezérlése és A/D is van némely típusban. A többit programból viszonylag egyszerűen meg lehet oldani. Diszkrét alkatrészekből ez egy alkatrész temető lesz csak. Én legalábbis így csinálnám... Tovább egyszerűsíthető a motorok meghajtása, ha nem ragaszkodunk a bipoláris meghajtáshoz, bár akkor kisebb nyomatékot tud csak leadni a léptetőmotor. Mondjuk erről nem tudunk semmit, hogy mekkora teljesítményt kell leadnia 1-1 motornak...
Sajnos nem alkalmazhatunk "számítástechnikát" legalábbis én úgy értelmeztem a topiknyitó első hozzászólását. Tény, hogy nem egy IC lesz, de nem oly vészes ez! Egy komparátor, egy VCO. Lehet, én is megcsinálom, CNC vezérléshez elég kényelmes, egy impulzusszámláló számológéppel kiegészítve...egészen elindult az agyam!
Köszönöm az eddigieket! Kicsit hülyén fogalmazam, de a számítástechnikát úgy értettem, hogy a PC-t akarom kihagyni; nem cnc-t akarok, hanem valami egyszerű, önálló egységet. Ehez telljesen jó a PIC, csak kár h nem értek hozzá
Ha léptetô motorral csinálod, akkor nem tudod megkerülni a vezérlését, ehhez vagy céláramkört használsz (drága) vagy valamilyen egyszer? procit, esetleg kapukból építed fel a léptetô logikát.
Ha a léptetômotor helyett sima DC szervót használnál, akkor már jóval egyszer?bb a helyzet, pár m?veleti erôsítôvel és egy H hiddal megoldottál minden kívánalmat analóg módon. Esetleg olcsóbb is egy DC motor mint egy léptetô például : ablaktörlô motor...
Rádiótechnika évkönyve 1994, 127. oldal itt találsz ilyen vezérlőt amit eredetileg modellekhez készült és DC motorhoz. Magát a vezérlőt is egy PWM jellel kell meghajtani, amit egy NE555-el könnyen meg tudsz építeni, a joystick egyik potiját kösd rá, így a motor fordulatszáma arányos lesz a kitéréssel a vezérlün található potival pedig a középállás is beállítható.
És például ezzel lehetne kezdeni valamit?
Még átgondolom, aztán lehet, h DC motor lesz belőle. Esetleg valaki be tudná nekem szkennelni azt a Rádiótechnika évkönyve 1994, 127. oldalt?
Nem ismerem ezt az IC-t, a leirás szerint 2 db kell 1 motorhoz + a vezérlô logika, mert az nincs benne, én legalábbis úgy látom. Amit én láttam az az L297/L298 páros. Ebbôl az L298 a driver az L297 pedig a szekvenciát állítja elô. Kell neki egy léptetô inpulzus sorozat és egy forgásirány, a többit Ôk ketten elvégzik. Adatlap
Sajnos nem olcsó a kettô együtt majd 3e forint/motor. Ha mégis léptetôben gondolkodsz, akkor 4 m?veleti erôsítô egy VCO + 1 kevés logikával elôállítható a szükséges vezérlô jel. De a felhasználást behatárolja a driver max 2A-es terhelhetôsége. Ha mégis szervóban gondolkozol, akkor felejts el az RT kapcsolást, mert idôközben megnéztem és már nem kapható a benne szereplô NE544 IC, kihalt típus, sorry. Amit te szeretnél arra a modellezôknél használatos szabályzó tudja. Sokan használják az M51660L tipust, kevés alkatrész kell hozzá. Nem túl drága 6-700 forint, mondjuk kell hozzá 4 teljesítmény tranyó, cserébe igen bika meghajtó építhetô belôle, nem ritka a 30A-es kiegészítés sem. szervo kapcsolások Ha nincs nagy teljesítmény igényed, akkor nagyon régi 5,1/2 colos floppikból kinyerhetsz steppert + drivert. Csak a bekötését kell "feltérképezni"
Azért ezt az ic-t kérdeztm, mert lehet ingyen mintát rendelni belőle.
A motoroknak kb 1-2 kg-ot kellene forgatni kiegyensúlyozott, csapágyazott tengelyen, amihez a floppi kicsit kevés, de nyomtató már talán szóba jöhet (esetleg egy fordulatszámcsökkentő áttétel is növelheti nyomatékot). Max kb 90-120°/sec sebességre lenne szükségem. A léptetőknek nagy előnye a tengely rögzítése álló helyzetben.
Csigahajtóműves motor, mint az ablaktörlő motor, az is tudja ezt, nem tudod visszafelé tekerni, mert önzáró.
Vissza térve az UC3770-re, nekem nem sikerült egy példa kapcsolást sem találnom, szóval lehet ingyen van, de eléggé lutrinak tűnik. Nem igazán tiszta, hogy akkor most milyen vezérlést vár az embertől. 4 darabot küldenek egyáltalán mintának? De ha még tudjuk is használni, mivel állitjuk elő a léptetési szekvenciát? Lehet használhatjuk az L297-et erre a célra? Túl sok az ismeretlen ezen a területen. Sajna ennyit tudok csak a dologhoz hozzátenni...
A csigahajtóműves motor jó ötlet. Hétvégén nekiállok összerakni vmit...
Az UC3770-et én sem akartam erőltetni, csak felvetettem.
helló. szeretnék egy léptető unipoláris motort joystikkal vezérelni ugy hogy a jostik két motort irányitson. az egyik a horizontális a másik a vertikális mozgásért feleljen és még az lenne a lényeg hogy a joystikal a sebeeségét is tujam vezérelni ha pedig nullla állásban van joy akor pedig fékezzen vagyis inkább tartson a motor? nem igazán értek hozzá de ha valami értelmes rajzot vagy nyáktervet lehetne szerezni valahonan akkor megköszönném vagy ha ez lehetettlen valami olyan megoldásra lenne szükségem ami a egy dc motort ugyanilyen elven mozgat és finoman induljon menjen és álljon meg 12v os lenne a jó. amugy meg házi jimmy jib hez kéne. kamerát fog mozgatni.
előre is köszönöm.
helló ferci akkor ezze biztosan fog menni ??
gondolom ezt nekem irtad ? köszönöm szépen
helló akkor most valaki tudna valami koplott kapcsolási rajzott adni ahhoz hogy a léptető motor egy joy mozgását kövesee le?
sziasztok
engem is érdekelnne ez a rász, annyi hogy a kaépcswolásba lehetne pic tudnátok vmi jó kapcsolást adni? előre is köszi
Hali Ferci! Ez a kapcsolás egész jó, de kell az elejére valami vevőegység és az nincs, pedig abban lenne a lényeg a JOY. Ha neked van olyanod megoszthatnád velünk is
Köszi!
Sziasztok!
Ha még él ez a topic, konkrét kérdésem lenne. Sikerült "kitermelnem" MITSUMI M49SP-2K motort és hozzá való AN8495SB vezérlőt. Hogyan lehetne egyszerűen pl. joystick-al e rendszert működtetni?
... anélkül lenne a legjobb, de segítséget jelentene PC-vel változat is. (Síppal, dobbal, nádihegedűvel...)
Milyen (a legegyszerűbb) elektronika szükséges a motorvezérlő analóg (joystick, potméter) működtetéséhez?
Véleményem szerint legegyszerűbben mikrokontrollerrel lehetne ezt megoldani. De magamból indultam ki.
Köszönöm a válaszod!
Sajnos én is most még csak itt tarok, de keresem az egyszerűbb megoldást.
Egyszer kipróbáltam PC-vel, működött, de a joystick kissé "rezgett", igy nem volt szép az eredmény. Lehet, hogy egy kondi megoldotta volna ezt a problémát, de nem foglalkoztam vele tovább...
Sziasztok. Nekem egy hasonló kérdésem lenne ami már az oldalon elhangzott, de nem kaptam rá belőle választ.
(#223330) sipos.janos84 Az én kérdésem is ugyanaz. hogy tudok egy joystickkal két léptetőmotort irányítani sebességet és irányt is változtatni? Mik szükségesek hogy ezt megtudjam csinálni? Előre is köszönöm a segítségeteket!
Hello, programoznod kell tudni. Két motort tudsz küzvetlenül mozgatni az lpt portról, de látom messze lehet, igy célszerűbb step-dirt használni, igy egy step-dir dekódert is építened kell. Vagy valami soros vonalon is viheted, ahogy kivánod
Szevasztok, nekem is hasonló jellegű a problémám, bár egy fokkal egyszerűbb: sima unipoláris steppermotort kellene meghajtanom (nyomtatóból bontott), méghozzá úgy, hogy lenne két nyomógombom, az egyiket nyomva tartva jobbra, a másikkal pedig balra forogna, amúgy meg fixen állna (áram alatt maradna).
Tudom, hogy sok ehhez kapcsolódó topik van már, de sajnos a dolgomat nehezíti, hogy csak AVR-t tudok programozni, és nulláról még sosem írtam programot... egyszóval még ha alkatrész igényesebb is jobban szeretném "hagyományosan" megoldani (XOR kapukkal meg ilyesmi). Előre is köszönöm. |
Bejelentkezés
Hirdetés |






köszönöm szépen





