Fórum témák
» Több friss téma |
Fórum » MIG/MAG/Co2 hegesztő készülékek házilag
Témaindító: electorkalandor, idő: Feb 19, 2009
Témakörök:
24V-os a motorod? A képen ahogy áll a potméter 42V-ra van állítva...
42V-os. Esab MEK4S előtolóba van beépítve a sajátja helyett a Wel1-3, mivel az áramforrás saját készítésű. A kép nem az enyémről készült.
Sziasztok.
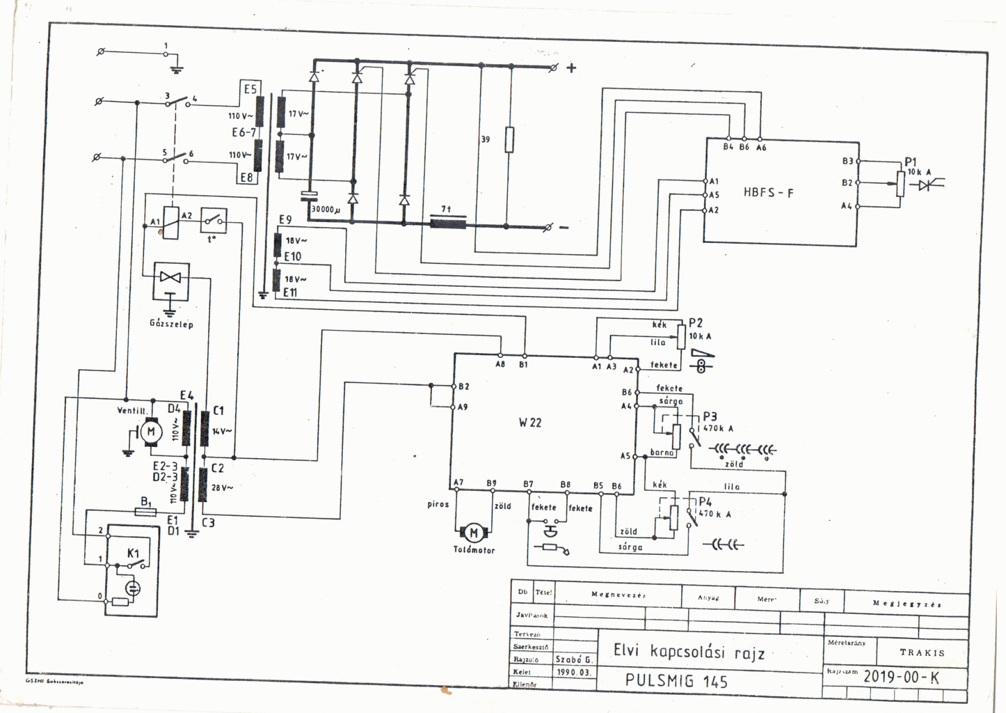
Egy magyar gyártmányu (Transservice Budapest) CO hegesztöhöz (pulsmig 145) keresek kapcsolási rajzot,vagy jó minöségü fényképeket a tirisztor vezérlöröl.A gépen minden müködik csak a teljesitményét nem lehet kissebre állitani.Elöre is köszönöm a segitséget.Üdv Zoli.
Teszek fel a gépröl képeket,igy hátha találkozott már valaki ezzel a tipussal.Üdv Zoli.
Üdv mindenkinek!
Csak érdekességkent teszem föl ezt a szerkezetet - úgyemlékszem nem találkoztam ilyennel itt.
ha jól emlékszem ez az:
http://kepfeltoltes.hu/131029/1367892643003_www.kepfeltoltes.hu_.jpg
Van egy másik is:
http://kepfeltoltes.hu/131029/1099725500002_www.kepfeltoltes.hu_.jpg
Szia.Ez a 2-es képnek a kapcsolásija?Nekem az 5-ös kellene mert arrol mennek a vezetékek a tirisztorokra,és ugy tünik hogy egy IC hiányzik róla.
Szia Andris . Érdekes én is most találkoztam egy ilyen előtolóval - bár szét is bontottam .
Ez az 5-ösé. 747-es kell oda, mint amilyen a többi. Nekem talán van ilyen működő panelem valahol...
A 2-es kép egy W-22-es vezérlés.
Arra a panelra vevö lennék.A 6-os képre nem néznél rá?Van ahol elvágták az áramkört és vannak rajt átforrasztások.
Esetleg képet tudnál róla feltenni?Üdv Zoli
Jövőhéten tudok feltenni képet róla, de második rajzomon ott van a HBFS-F név, ami olvasható a peneleden. Tehát biztos hogy ez a kapcsolási rajza. Nem értem miért nem tudod belőle megcsinálni.
Köszi a segitséget,de öszintén szolva nem müszerész vagyok,csak egy lelkes amatör.Már 5 éve probálom javítani ill. javítattni de rajz nélkül eddig nem sok sikerrel.Talán most sikerül.
Azok a módosítások azért vannak a nyákon, mert az eredeti kártya áramgenerátoros jellegű szabályzó volt, Co-nál viszont feszültség generátoros jellegű szabályozás kell. Ezért az IC4 helyén a poti alapjelét az IC 4 kimenetére "drótozták". Az IC1-2 IC-k a szinkronjelet biztosítják(és némi jelformálást)Az IC3 pedig a szikronjelek pillanatnyi helyzetét hasonlítja össze az IC 4-től érkező alapjellel. Az IC4 nem invertáló bemenete kapta az egyenirányító tirisztoroktól a 100Hz-es áramjelet , invertáló bemenete pedig a poti által módosított áram alapjelet. Mivel a drótozás következtében a 100Hz-es jel nem jut az IC3 bemeneteire, így nem tudja összehasonlítani a szinkronjellel a tirisztorok begyújtásának időpillanatait sem. Emiatt aztán a gép fullgázon,vagy alapáramon megy.
Örülj neki hogy nem találkoztál ilyennel. Ennek az MSG 60-nak a szabályzója egy nagy rakás ***. WEL 1.3-at bele egy Graetz hiddal kiegészítve(az állórész gerjesztés miatt) szelepet AC 42V-ra cserélni és jobb lesz mint új korában.
Szia István!Köszönöm a magvas minősítésedet!Tehát a mechanika-szerinted-megfelelő?-előrébb olvatam közben,hogy valami cégnél sorra ceréltétek az elktronikákat-van Well 1-3.-asom. (elég deltásan tolja a mechanika az 1mm-es huzalt a 4m-es munkakábelen-az elektronikát megkerülve 38v-ról megjárattam)
Most akkor teljesen tanácstalan vagyok.Az IC-4 akkor kell bele v. nem,ill.az eredeti paneljajz szerint nem is müködik?Semikron skkh 31/080 tipusu tirisztor van benne 3 db de az egyiknek a vezérlöszála nincs is bekötve.Ennek a gépnek pulzálo hegesztést kellene tudnia?Üdv Zoli
Üdv GAtesz! A képen látható egyenirányító hídban lévő "zöldre festett" diódák száma érdekelne! Javításra hoztak hozzám egy hegesztő gépet, amelyben "ilyen" diódák vannak. Csakhogy a 6db közül egyiken sincs semmilyen szám, betű sem. De még a hegesztőn és a vezérlő paneljén sincs semmilyen adat. A tulaj szerint 260 ampert tud. A segítséged előre is köszönöm!
Az SKKH 31 gondolom párhuzamosítva van, mert egyébként igen sovány lenne . Ez a gép nem tud pulzáló hegesztést, legalább is azzal a vezérlőkártyával,amit lefotóztál.
Az IC 4 kellene bele,de nem áramgenerátoros üzemmódban, mint ahogy a rajzon szerepel,hanem feszültséggenerátorosban. Ahhoz viszont nem kell a mérősönt, és kissé át kellene tervezni a feszültségmérést, mert így nagyon puritán és rengeteg gond lenne a zavarok miatt. Summázva a dolgot, ez a kártya csak erősen kompromisszumos használatot tesz lehetővé.
Kettönek (SKKH) van bekötve a vezérlése,a 3.-ra csak a +- megy rá.Akkor lehet hogy nem is ez a vérlökártya volt benn eredetileg?Esetleg valami ötlet hogy mivel müködne jól?Köszi a segitséget. Üdv Zoli.
Valószínűleg eredetileg nem ez a tirisztortípus volt benne,hanem fémtokos 100A körüli orosz.
Ahhoz ez a vezérlőkártya is jó lehet, de nincs logika abban,hogy miért is áramgenerátoros kártya van benne. Elképzelhető,hogy az eredeti kártya egy másik típus lehetett, de akkor viszont az átalakításnak kell hogy nyoma legyen a gépben.
Átalakítást én nem látok rajta,a tirisztor a jobb also sarokban van ami látható a képen,a másik kettö mögötte és az egész trafostol egy alu lapra van felfogatva.A vezérlö panel helye a bal felsö sarokban a kondik mellett van a bentlévö paneltól balra,és ezek is egy alulapon távtartókkal.
Nem tudom,hogy eredetileg lehettek-e kondik a gépben, de ha tettek bele,az súlyos tervezési hiba. Ugyanis a tirisztorok csak akkor tudnak kikapcsolni, ha van a feszültségnek nullátmenete. Ha a tirisztoros egyenirányító után pufferkondi van, akkor nem lesz nullátmenet, mert a nullátmenet idején a kondi tartja fenn a feszültséget, tehát a tirisztor nem tud kikapcsolni. Ilyenkor kényszerkommutációt, vagy oltható tirisztort használnak, de itt bizonyosan nincs ilyen.
Tehát próbáld meg a kondikat kiiktatni, és úgy próbáld ki a gépet. Persze ebben az esetben kell kimeneti fojtó is, hiszen az áramot valahogy simítani kell.
Légyszíves tedd fel úgy,hogy menthető legyen. Nekem csak az oldallal együtt menthető ebben az állapotban.
A rajzot elnézve már érthető a működése. De mitől pulsmig?
http://kepfeltoltes.hu/131104/pulsmig1_www.kepfeltoltes.hu_.gif
http://kepfeltoltes.hu/131104/pulsmig2_www.kepfeltoltes.hu_.gif Egyébként ha lemented az oldalt, csinál egy mappát, amiben megtalálod a képet "getfile" néven. Semmi köze a pulzáláshoz, ahogy a rajzból is kiderül. Külföldre készült, de visszaküldték a németek anno. Nem sok van belőle.
Köszönöm!
Egyébként eléggé trükkösen oldották meg a tirisztor kiolthatóságát, hogy mellette még a kondiknak is jut szerep.Egyébként a tulaj által feltett a fotón nem látszik a fojtó. Vagy csak én nem látom?
Szia.A kondik elképzelhetö hogy utolag kerültek bele.Folytónak a teteje látszik a képen a kistrafo felett,a kék teskábel megy rá a gép jobb alsó sarkában.Igy visszaolvasva akkor mégis volt ben kondi?Köszönöm a segitséget,igy akkor már javítható a panel.Üdv Zoli.
|
Bejelentkezés
Hirdetés |




















