Fórum témák
» Több friss téma |
A tápot át kell alakítani +/-10V-tal alacsonyabb feszültségűre, a fotó így tárgytalan.
Az hogyan lehetséges?A trafó letekercselhetetlen.Tehát nem átalakítható sajnos.Megincsak másik trafó?A pufferek oldalankénti 63V 9800uF+100nF-os szűrés.
A hozzászólás módosítva: Okt 14, 2013
Ez a tápfeszültség sok egy ilyen filigrán jószágnak. Két ésszerű megoldást tudok javasolni: hirdetés útján elcseréled a trafót vagy építesz erre egy másik erősítőt. Nem Te vagy az első aki szembekerül ezzel a problémával.
Akkor szerintem csere lessz.Azért köszönöm a segítséget ismért Reloop.
Bocsi, gondolom 1000X volt már kérdés, de az erősítő mute/standby nélküli hidalt kapcsolásához valakinek van NYÁK-terve?
Annyi kérdést szeretnék még feltenni hogy most összeraktam egy másik tápot és terheletlenül lejön róla 2X45,5V (ez már egyenirányítva,pufferelve.Ez már megfelel az erősítőnek?
Nem.
Ha még mindig 4 Ohm terheléssel szeretnéd használni, akkor menj le +-35V körüli üresjárási feszre, ahogy reloop tanácsolta. Az adatlapban vannak kivehető teljesítmény - tápfeszültség diagramok különböző terhelő impedanciák esetére. Nézd meg a 4 Ohm terhelő impedanciához tartozó diagramon mi a legnagyobb tápfeszültség ahol még meg van rajzolva a görbe (+-30V). Ez nem véletlen. Ha nagyobb tápfeszről használod mint a specifikáció, akkor nagy az esélye, hogy a megnövekedett drain áramerősség okozta disszipáció miatt az IC belsejében lokális hősokkok érik a félvezető alkatelemeket, így az IC tönkremegy. Van aki írja erre: rá kell pakolni 100 m2 hűtőbordát , és akkor lehet nyúzni. A probléma ezzel az elmélettel az, hogy az IC szilícium lapkáján keletkező disszipációs hő nem tud végtelen gyorsan, és nem tud teljes mértékben átadódni a tokozásnak, a tokozásról a szigetelőlemezre, onnan a hűtőbordára szintén véges idő alatt tud eljutni, hogy végül a környezet felé szétsugárzódjon. Az, hogy a lapkán keletkező hő nem tud végtelen gyorsan átadódni a hőkapacitástól, az hogy nem tud teljes mértékben átadódni a termikus ellenállástól van. Lényegében: az IC végtranzisztorait durván specifikáció feletti tápfeszültséggel úgy is ki lehet nyírni, hogy a hűtőborda közben hideg.
Akkor ha nagyobb inpetanciáju hangszóróra kötöm maradhat ez a tápfeszültség?Mert akkor már most nem variálnék többet az erősítőn maradna így ahogy van.
Mennyi a tápfeszültség, ha mondjuk megterheled mindkét ágát 2A-el?
Akkor a + és - ágon (egyik,eggyiken) 39V-jön le mindkettőn.Az úgy már megfelelő feszültség?
Miért kell ennyit körözni egy trafó feszültségen? Még felületesen szemlélve is többször olvasom a jó értéket. Mi értelme megkérdezni, hogy a 100=35-el? aztán a nemleges válasz után: és a 85 már egyenlő? majd a következő lépésben: de az 50 már egyenlő ugye?
Rommá gyalázzátok ezt a príma fórumtémát.
Terheld 8 Ohm impedanciával, és ne használd házibuli erősítőnek, akkor OK lehet.
Alkotó kollégával egyetértek. Ha kettőt-hármat visszalapozol egy fórumtársnak ugyan ez volt a témája, és mivel irreálisan melegedett neki a végfok, inkább úgy döntött leteker a trafóból. Így elrugózott rajta egy darabig, aztán csak belátta, hogy nem véletlenül írtak specifikációt a gyártók az IC-hez. A hozzászólás módosítva: Okt 17, 2013
Akkor szerzek hozzá hangfalat és meglessz máris az erősítőm amit annyira szerettem volna.Köszönöm a kitartó válaszadást.
Na sziasztok!
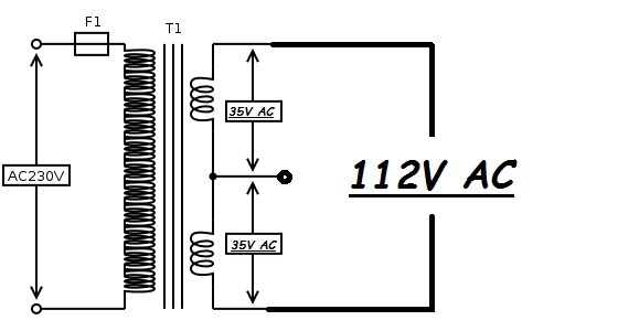
![]() Egy sikeres műtét után ismét itt vagyok veletek ![]() Fel tennék egy kérdést, amire kezdőként nem tudok rájönni, hogy is van... :S D-Audio weblapján látok egy 7294es IC-vel szerelt erőlködőt, meg akarom építeni, megvan a trafó is...(régi Sony erősítőből lett kiszerelve 2x35V AC) Itt ez a kapcsolás: http://www.d-audio.hu/images/amp05_tap_2x45v.png Az IC-nek maximum +/-40V feszültséget lehet adni, a rajz pedig ehhez tartozik.. Pedig a kimeneten DC 90V jön ki... Na ez most hogy van? A hozzászólás módosítva: Okt 22, 2013
Ha bekötik a O-val jelölt közepet (GND-t) akkor lesz +-45V. Szerény véleményem szerint az is sok, pedig 32v AC a trafó. A Tied 35V AC kb. -+49V DC......
Szerintem hanyagolom ezt a témát..
![]() Lemértem a trafómat, ott a kép. Ez lehetséges ? O_o
Nézd csak milyen IC van abban a KIT-ben!
Köss a mért szekunderre valami terhelést, például egy 230V-os izzót! Az elnyomja az esetleges zavarokat.
Upsz, bocsánat, Ezt akartam linkelni
Végeztem egy gyors mérést, egy 230V, 75W-os Tungsram ízzót használtam, dettó ugyan azokat a feszültségeket kaptam, egyenirányítva ugye még magasabb, gondolom így kiesett az alkalmas intervallumból ...
A hozzászólás módosítva: Okt 22, 2013
A szekunder terhelés alatt eshet valamenyit a feszültségből.
Annál linknél olvasd el az ajánlott tápfeszültséget! Ne a maximumra méretezz, mert kalkulálni kell a hálózati feszültség ingadozásával is.
Sziasztok! Sikerült kiváltani az STK025-ös végfokot a TDA7294-el. Nagyon szép dinamikus a hangja. S elsőre gond nélkül fel is éledt. A staby-mute funkciót kellett csak kiismerni. Nagyon meg vagyok vele elégedve! Bárkinek ajánlhatom után-építésre!
Akinek a nehezen beszerezhető STK IC-ket kell kiváltani, annak a DTA7294-es ( vagy a TDA7293-as ) nagyon jó alternatívát ad! THX!
Hát sajnos az a gond, hogy 3-szor próbáltam TDA IC-vel erősítőt kovácsolni, csak túl kezdő voltam, (vagy csak buta?) mert azt hittem pozitív és negatív kell (a Nullát figyelmen kívül hagytam....)
Reloop tollából születtek "nullátlan" változatok, egyke és hidalt kialakításhoz is. Persze ott is van nulla, csak másképp. Ennek jelentős hozadékai vannak, pl. az 1 biztosítékkal való védelem, az egyetlen tekercses trafó vagy a földhurkolódás kizárása/csökkentése témában.
Sziasztok!
Megépítettem a hidalt 7294-es kapcsolást az lenne a kérdésem ,hogyha minden alkatrész bent van csak 1 Ic nincs akkor be lehet indítani mint 1*100W-os?
Az a lényeg, hogy az az IC legyen bent amelyik "direktben" kapja a bemenetet.
Ha az az IC van csak bent amelyik a bemenetét a másik IC kimenetéről akarja kapni, akkor nem fog szólni. A hangszórót a beültetett IC kimenete és a GND közé kell kötni.
Köszönöm.
Megcsináltam de meg sem mukkan.A jel eljut az Ic-ig. A tápfesz Váltó 24V azaz terhelve kb 31V lesz.
A bordára elszigetelve kellene feltenni az IC-t. Az áram is eljut az IC-ig?
|
Bejelentkezés
Hirdetés |




, és akkor lehet nyúzni. A probléma ezzel az elmélettel az, hogy az IC szilícium lapkáján keletkező disszipációs hő nem tud végtelen gyorsan, és nem tud teljes mértékben átadódni a tokozásnak, a tokozásról a szigetelőlemezre, onnan a hűtőbordára szintén véges idő alatt tud eljutni, hogy végül a környezet felé szétsugárzódjon. Az, hogy a lapkán keletkező hő nem tud végtelen gyorsan átadódni a hőkapacitástól, az hogy nem tud teljes mértékben átadódni a termikus ellenállástól van. 










