Fórum témák
» Több friss téma |
Elmondtál mindent! Rajzold le és kösd be.
Ohh, köszönöm
akkor máshonnan közelítek. Halvány lila sejtelmem sincs, hogy mit hova dugjak. Na jó, azért van valami, de bizonytalan vagyok, ezért is kérdeztem, hogy mit hova.Tehát, nem tudom, hogy hova tegyem a bejövő két fázist és nullát, illetve nem tudom, hova rakjam a készülékhez menő fázist és nullát.
Hello!
A VS425-31 nem megfelelő, mert azon három záró, és két bontó érintkező van. Tehát VS425-22-es típus kell. üdv! proli007
Szia, Köszönöm.
És akkor a 22 es működik majd 1 fázissal két bejövő két különböző órából és egy (fázis+nulla) fogyasztóval? Üdv, Breva
Hello!
Oda nem írtam, de gondoltam kitalálod, hogy a kék a nulla, a fekete a fázisvezetőt jelenti.. Ha nincs kapcsolt fesz, a mágneskapcsoló elejtett állapotban van, és a normál hálózatról kap feszültséget a terhelés. Ha van, behúz, és a kapcsoltról. De ha kapcsolgatod a kismegszakítót, akkor egy kapcsolót is betehetsz, ugyan erre a feladatra. Az nem fogyaszt, mint a mágneskapcsoló. De mágneskapcsolóval, ha nincs a kapcsolton feszültség, visszavált a normálra. De lehet ez volt a szándékod, bár ezt nem írtad.. üdv! proli007
Szia, Az tiszta volt így a színekkel. Köszönöm. A lényeg az lenne, hogy amint írtam van két órám és hozzá egy fogyasztóm. Mind a két órából jön a fázis és a nulla is, ám a fogyasztóhoz csak szimpla kell (egy fázis, egy nulla). Törtem a fejem, hogy miként tudnám megvariálni és hát erre a mágneskapcsolós dologra jutottam mert nem találtam sehol olyan kapcsolót amivel szezon végén egyszerűen át tudom a bejövő fázis és nullát kapcsolni a másik órára. De ha van ilyenre kapcsoló, akkor inkább olyat vennék. Lehet, hogy én voltam fogyatékos a boltban és nem értették mit akarok, ezt kaptam
... Üdv, Breva
Hello!
GANZ KK0 6005 Fázis-nulla: 4-6 normál 2-8 kapcsot 1-5 terhelés Grátiszként nulla állás is van rajta, tokozottat vegyél. üdv! proli007
Sorolható választókapcsolók: http://shop.traconelectric.com/categories/05_05_02
Köszönöm szépen, tök jó. Egy bajom van, hogy nem tudom hova rakni. Van egy elosztószekrényem amiben ott vannak a biztosíték tartó sínek. Valami olyan kapcsolót keresnék ha lenne, ami rá is fér. Lehet, hogy áthúzok még egy vezetéket a fogyasztóhoz... (ohh nem is kell mert 3 fázisra húztam eredetileg). Szóval így gyorsan írás közben meg is beszéltem magammal. Ugyan tényleg szebb megoldás lenne a biztosíték táblára tenni egy kapcsolót, de ha úgy nem, akkor ezzel a ganzossal. NAGYON köszönöm a tippet, tök jó.
Talán elkerülte a figyelmed az előző hozzászólás, pont sínre való kapcsolókat linkeltem.
Köszönöm, mivel nekem ez kínai ezért nem tudom melyik kell nekem, gondolom 2pólus? Üdv,
Hello!
Bizony a kétpólusú. De ha rá kattintottál volna a típusára, akkor láthattad volna, hogy ugyan az a számjelölése, mint amit a VGK-nál írtam.. üdv! proli007
Köszi, költői volt a kérdés. Tök egyszerű, nem vagyok egy elektromos antitalentum ám bizonytalan annál inkább. Köszönöm a segítséget.
Van egy LC2D25P7 típusú mágnes kapcsolom de már pár napja küzdök a bekötésén. A következő képen akarom megoldani van 3X25A nappali és van 3X25A éjszakai áram . A mágnes kapcsoló bal felső oldalára bekötöttem a nappalit a jobb felső oldalára meg a éjszakai a jobb alsó részére meg bekötöttem a éjszakai bejövőt amin menne a fűtés de azt akarom hogy ha nincs éjszakai áram akkor váltson át nappali köre. Ha a A1-re rá kötöm a + A2-re meg a - akkor beh húz de ha másik oldalon is bekötöm ugyan azt akkor megbolondul mert az is be akar húzni.
Az lenne a kérdésem mit hová kössek a előlapon hogy Valcsák egymást? http://media4.rsdelivers.cataloguesolutions.com/LargeProductImages/RF609027-01.jpg Idézet: „mit hová kössek a előlapon hogy Valcsák egymás” Mellesleg van külön topic rá... A "Valcsák" nagyon tetszik
Sziasztok!
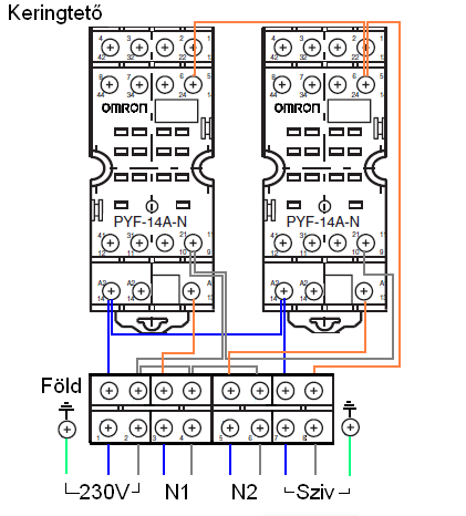
Segítséget szeretnék kérni. Van 2 db szobatermosztát Siemens RDE10.1 2 db MY4 220/240AC (S) 2 db PYF14a-n BY OMZ Abban kérném a segítséget hogyan kössem be a relébe őket hogy utána az kapcsolja a keringetőt Azt tudom hogy a 13 -14 az a tekercs pontja 9-töl 12-ig az közös pont 5-töl 8-ig az záró pont 1-töl 4-ig az bontó pont
Hello!
Te tulajdonképpen azt szeretnéd, hogy bármelyik termosztát bekapcsol, működjön a keringtető szivattyú? Mert akkor ez egy VAGY kapcsolat. Egy-eyg termosztáttal kapcsolsz egy-egy relét, amiknek a záró érintkezőjét párhuzamosan kötve kapcsolod a szivattyút.. üdv! proli007
Igen pontosan azt akarom elérni vele termosztát bekapcsol, működjön a keringtető
Hello!
Mindössze ennyit kell tenned. Remélem el tudsz igazodni rajta. üdv! proli007
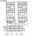
Most akkor a 13-14 is nullát kősek ne fázis?
Hello!
Úgy kösd, ahogy a rajzon van. A relék 14-es lábára nullát. Egy-egy relék 13-as lábát kösd össze a termosztátjának Q14-ével. A termosztátok Q11- lábára kell adni a fázist. stb.. üdv! proli007
Hello!
- Általában mindenhol jelölve van L-fázis-fekete. N-nulla-kék. F-földellés-zöld/sárga - A betáp 230V érkezik valahonnan. Kék a nulla, Fekete a fázis, zöld-sárga a védőföld. A zőld/sárgát a reléket tartó fém alaplemez földelő csavarjára kötöd. (Ez lesz egyben a szerelőpanel földelése is.) - Az N1-N2 termosztát felé menő kábel két erét a Q11 és A14-re kötöd a termosztátnál. (Q11-fekete, Q14-kék) - A szivattyú három kék-fekete-zöld/sárga vezetékét értelem szerűen a szivattyúra kötöd. üdv! proli007 A hozzászólás módosítva: Okt 22, 2012
Amint látom a narancssárgát azt rajz szerint kössem mert egyszer Fázis 2X meg Nulla ami megy a 14 be
Hello!
Ne törődjél vele, csak minden vezeték oda menjen ahova rajzoltam... Úgy kösd ahogy látod. A narancs nem nulla, csak egy kapcsolt fázis. Azért rajzoltam más színnel, hogy látható legyen. A termosztátnál, meg azért lesz kék, mert a termosztáthoz menő kábelben úgy sem lesz más szín, csak fekete-kék, ha háromeres akkor meg még egy zöld/sárga) Ez alapján már csak betudod kötni nem? üdv! proli007 A hozzászólás módosítva: Okt 22, 2012
Sziasztok! Van egy régi vmk kapcsolóm de csak berreg nem húz be .Kötéshiba ,vagy más is lehet
Egyenáramot szeretne
Hello!
Szedd szét, csiszold fel polírpapírral a csúszó és a vasmag záródó felületeit. Kézzel is próbálhatod benyomni, könnyen kel hogy járjon. (Kontaktusok felületeit már úgy is érdemes felpolírozni.) Ha nagyon zúg, ne járasd így mert leéghet. Ha ez nem használ, menetzárlatos a tekercs, vagy már le van égve. Kötéshiba csak akkor lenne, ha a tekercsen típustól függően nincs meg a 230 vagy 400V. üdv! A hozzászólás módosítva: Ápr 2, 2013
köszönöm szépen
Azért én sem
Idézet: „Egyenáramot szeretne” csak viccből írtam, Bővebben: Link Mert ugye azt nem tudjuk, hogy milyen kapcsoló, mivel táplálva és miért berreg. Meg hogy a berregés előtt működött-e rendesen vagy csak most került elő a lomtárból és összerakva "a vezérlést "berreg". Meg a "berregés" és "búgás" között is van különbség
Abban szeretném a segítségeteket kérni ,hogy van egy ganz kk gil időrelém és szeretném ha sima mágneskapcsolóként működne. Meg lehet-e oldani? Egy 1.1 KW-os 230V-os motort szeretnék gombbal indítani. Ha valaki tudna egy egyszerű rajzot csinálni róla azt megköszönném.
|
Bejelentkezés
Hirdetés |




akkor máshonnan közelítek. Halvány lila sejtelmem sincs, hogy mit hova dugjak. Na jó, azért van valami, de bizonytalan vagyok, ezért is kérdeztem, hogy mit hova.









