Fórum témák
» Több friss téma |
Légyszi írd le mik ezek a különbségek okulás céljából.
Előre is kösz.
Ez a téma jó ötlet volt, elméleti síkon már én is foglalkoztam vele, majd télen folytatom az agyalást. Egyébként sokféleképpen meg lehet valósítani, de én láttam már nem maszek burványolást is és az is viszonylag egyszerűen működött. Kézi begyújtásos és folyamatosan működik, be van állítva a kazán vízhőmérséklet és gyakorlatilag ez a szabályzás alapja. A levegőbe be fúvást is egyszerű nyílás szabályzással oldották meg. A helységek hőmérsékletét a radiátoroknál szabályozzák. Ez egy nagy teljesítményű szerkezet (100kW), így ehhez van egy puffertartály is. Mellékelem az "elmélkedésem" kezdeti termékét. Ezen még lesz mit változtatni.
A hozzászólás módosítva: Nov 11, 2013
Még egy gondolat:szerintem az egyik legfontosabb része a dolognak pont a befúvott levegő mennyisége, nyomása.Nyilván ezt úgy kell megválasztani és beállítani, hogy a pellet tökéletesen elégjen,(füstgáz elemzővel kellene beállítani) de ne is legyen feleslegesen több levegő befúvva,mert az már a kazánt, kéményt hűti feleslegesen.Ha ezeket nem vesszük figyelembe, akkor igaz ugyan hogy elég a pelletünk, de a hatásfok nem lesz a legjobb.
Zajlik itt az élet úgy nézem.Örülök,hogy mást is foglalkoztat a téma.
Szép kis kapcsolást raktál össze,igaz nem tudok még rajta teljesen eligazodni de hátha lesz itt valami nagy mester aki bele néz.Minden esetre ez jó,hogy te legalább már próbálkozol a kapcsolással.Nekem szinte meg már mindenem kész ami a mechanizmust illeti de még valami vezérlést is ki kéne találnom ami életre kelti az egészet.
Tökéletesen egyet értek veled.Minden nagy összhangban kell,hogy legyen mert ahogy irtad a hatásfok kárára megy. A ventilátort ha jól tudom figyeli egy nyomás érzékelő a gyárinál.
Idézet: Ilyenről viszont nem tudok,hogy lenne bennük.Szerintem a gyári coccoknál ez egy tökéletes összhangban van pl: ha 1.fokozatban van a ventilátor akkor pl: csak 3s-ig működik a csiga motorja.És igy növelve vagy csökkentve az értékek. „(füstgáz elemzővel kellene beállítani)” Gondolom én.Hogy igy van e az már más dolog.
Ez a füstgázelemző egy kézi műszer,amivel meg kellene mérni a füstgáz összetételét.Nem az égőfej része!A beüzemeléskor kell(ene) használni.Ezt az égőfej leírása tartalmazza.
A csigaidők úgy vannak ahogy írod, tehát minden fokozatban más ideig megy a csiga, 1-esben a legkevesebbet, 5ösben a legtöbbet. Ugyanígy a befúvott levegő nyomása is 1-esben a legkisebb, 5-ösben a legnagyobb.
Most már vágom mire gondoltál,csak be kalibrálni a motyót.
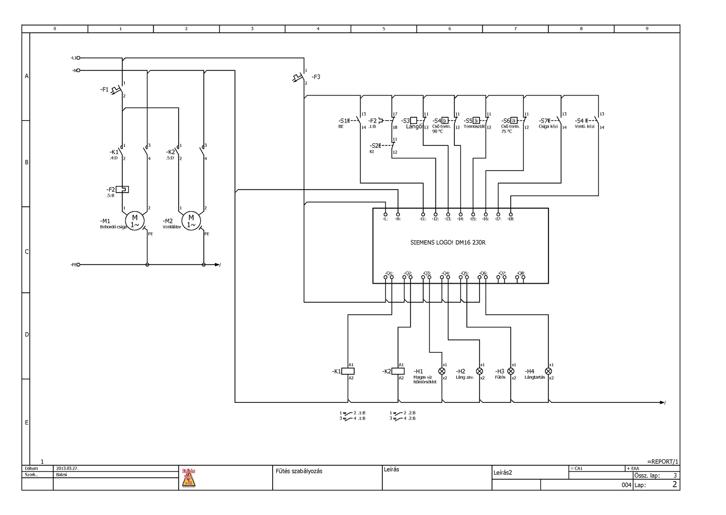
Itt azért nem árt tisztában lenni azzal is, hogy mivel akarunk benne tüzelni. Mivel errefelé a terménytisztítás melléktermékét szokás felhasználni. Ebben az esetben nem lehet fix értéket beállítani egész fűtési szezonra, mivel az alapanyag minősége sokszor eltérő. Ezalatt gondolok a fűtőértékre, valamint nedvességtartalomra. Az általam említett készüléknél van egy felfűtési beállítás, mely 3s csigahajtást jelent 40-60s-onként, illetve van a tűztartás, melyre akkor kapcsol át, ha elérte a beállított vízhőmérsékleti értéket. A felfűtésnél folyamatos a ventilátor üzeme, a tűztartásnál időszakos. A SIEMENS LOGO jó kis gyakorlási lehetőség, természetesen lehet más márkákkal is próbálkozni, viszont nem biztos, hogy ezek a leg költséghatékonyabb megoldások.
Először is Boldog Új Évet kívánok mindenkinek!
Véletlenül tévedtem a topikra és olvastam végig a küzdelmeket. A témának van egy fórum oldala, ahol nem kifejezetten pellet égető rendszerről van szó, hanem apríték égetőről. Ebben a topikban házi készítésű eszközök építéséről számolnak be a résztvevők, a kezdeti lépésektől a vezérlésig. Sok a segítő szándékú tag. Magam is egy ilyen berendezés építésében vagyok, már eléggé finist közelítem. A téma topikbeli szakértőjének Toya3-at tekintik nem véletlenül. Apríték égető házilag Érdemes az összes hozzászólást elolvasni, nagyon tanulságos.
Szép Napot uraim!
Én lennék ez a "földön kívüli" a ki össze rakta ezt a pellet égetőt "üst alatt". Asz kel,l hogy mondjam ezen a fórumon mindenkinek tökéletesen igaza van! Ennek a vezérlését időzítőkön , egy - két számoló ic-n meg rengeteg RELÉN alapszik egy pár vissza csatolással. (Igazi alkat rész temető!) Ha jól emlékszem 20db relé olyan 16db 555ic ebből lettek a PWM-ek, időzítések , késleltetések, monostab, astab stb. A relék kapcsolgatása dönti el a logikai folyamot olyan kőkorszaki módon. Minden műveletet külön behelyezhető nyák panelra szereltem amit egy alaplapra kell rányomni, hogy ha hiba van minél könnyebb legyen kinyomozni. Ráadásul ennek a fejlesztése utólagosan nagyon nehéz. Ebből a gondolatból tovább menve azon voltam, hogy ezt a monstrum vezérlést lecseréljem. Decemberben vettem egy APB PLC-t bánom , hogy nem ezzel kezdtem. Fele annyiból meglehet oldani a vezérlést , sokkal könnyebb hozzá állítani a hidraulikához a kazánt és ráadásul itt azt is megtudtam oldani, hogy önszabályozós lett a égető. Füst gáz alapon változtatja a vetni fordulat számát és az adagolás mennyiségét. Ha erőt veszek majd magamon akkor leírom a komplett vezérlési folyamatot. (sajnos folyamatábrám nincs) Addig is raktam föl egy két képet a készülésről.
Gratulálok! Látom, hogy komoly munkát végeztél. Én annak idején az első lépcsőt kihagytam, de igy sem volt egyszerű. Jó néhány előre nem látható dolog a beüzemeléskor derül ki. A teljesen automata üzem ennél a tüzelőanyagnál okoz némi fejtörést.
A füstgáz visszacsatolásról néhány szót irhatnál. Emlékeim szerint a begyújtás utáni első 15 perc a kritikus tüzeléstechnikai szempontból.
Nem akarok zsákba macskát árulni így elárulom, hogy az égető kazánba még nem járt.
De folyamatosan tesztelve van több óra folyamatos üzemben.Persze a PLC program tesztelése kazán nélkül lehetetlen lesz. De ettől függetlenül van tapasztalatom a témában egy Osztrák márkának vagyok az egyedüli szervizese itt Magyar országon. Na az égetőmnek köze nincs hozzá mert inkább szervizesként a problémákat láttam meg ott amiket el akartam kerülni az ennyiménél. A füstgáz vissza csatolás ezeknél a készülékeknél csak tűz meglétére engednek következtetni. Csak a lambda szonda alapján a szekunder levegőt vezérlik PID alapon.(ez kevés látszik hogy mennyire kínlódnak) A begyújtás utáni idő természetesen a "kirtikussab" erre még nem lehet felállítani egy visszacsatolást. Gyújtáshoz több anyag kell, hogy elérjünk egy szintet, majd utána mire kialakul egy olyan tűzfészek amiben már nincs olyan anyag mi még nem gyulladt meg (gyújtásból fenn maradt)ahol mindig csak annyival kell számolni amit beadagolunk. Nálam ez az idő 8 percre van állítva. A fűst gáz vezérlésem nem igazán egy PID vezérlés. Van egy alap beüzemelési érték (venti., adagolás) Amit ha letellett a 8 perc módosítjuk az értékeket, méghozzá úgy hogy a fűst gáznak van egy MAX és egy MIN értéke ha alatta van akkor növelek egyet a ventin ha fölötte akkor csökkentek. Ha elérem a venti határ értékét akkor módosítom az adagolást. Amúgy a pelletnél a folyamat elégé azonosnak mondható nem nagyon változik eléggé kiszámítható, hogy ha mindig tiszta rostlyal indit az ember hideg kazánban és azonos az előzővel a pellet.
Köszönöm a kielégitő válaszod! Akkor ha jól értelmezem a visszacsatolás a füstgáz hőmérséklete és nem az összetétele alapján történik.
Praktikus módon egy analóg bemenetet használva. Feltételezve a rugalmas paraméterezés lehetőségét a plc-ben. Nálam a 8 perc az 5.5-16min volt pellet minőségégtől függően. Ez egy elég nagy tartomány ezt a programnak le kell tudni kezelni. Sok sikert és kitartást a munkádhoz!
Nem szeretném rossz irányba terelni a fórum menetét, de van itt egy dolog ami miatt személy szerint problémásnak látom a pellet fűtést, annak ellenére, hogy erre álltam rá.Ez pedig a pellet beszerezhetősége,ára.Ahol én lakom Győr-Moson-Sopron megye nagyon nehézkes a beszerzés, és egyre drágább.Gyártóról nem tudok Mosonmagyaróvár 80km-es körzetén belül.Ahol lehet venni az mind kereskedő, és általában külföldről hozzák a pelletet.Legutoljára 75Ft/kg áron vettem tőlünk 80km-re,(ez a legközelenbbi gyártó tudomásom szerint) és mondták hogy még feljebb fog menni az ára. Az igaz hogy ez din+ os pellet,mert az égőm "hivatalosan" csak ezzel működik rendesen, de lassan már nem fogja megérni pellettel fűteni, egyre csökken ez "előnye" más fűtésekhez képest.
Persze az ország más részein lehet hogy jobb a helyzet.Nálunk ez van. Tudom van más pellet is, mindenféle anyagból csinálnak, változó méret,fűtőérték, nedvességtartalom, homoktartalom stb. jellemzi ezeket.A saját készítésű égőnek itt lenne "létjogosultsága", hogy minden típusú pelletet el lehessen égetni vele optimálisan, üzembiztosan. A hozzászólás módosítva: Feb 23, 2014
Szerintem sohasem érte meg. A vásárolt berendezés ára drámai. A pelleté szintén és még bizonytalan is. Akiket én ismerek csak alternatívaként használják vagy "zöld tudatosságból" Ez alapból is hamis. Ha ez a tüzelés elterjedne az országban 10-15 év múlva nem lenne fa.
Nyilván nem azokról beszélek akik tudnak venni olcsóbban elfogadható áron szerezni jó minőségű pelletet, Bizonyára ők vannak kevesebben. Ennek ellenére csinálnék magamnak hobbiból mert szeretem a hangját. Megnyugtat ! mig a gázóra idegesit
Tisztelt fórumozók!
Véleményem szerint megoldható a pellet égő vezérlése amatőr módon is. Nekem egy apríték égetőm van, asztalosipari melléktermékkel etettük, óriási mennyiséget volt képes elfogyasztani, a hatásfok nem nagyon számított, az is előny volt, hogy elfogyott a hulladék: nyers meg száraz fűrészpor, csiszolópor. A vezérlés nincs túlbonyolítva: kettő darab időzítő relé szabályozza az előtoló (csiga) motor "kitöltési tényezőjét" (például 10 másodpercig megy, 10 másodpercig nem). A levegő mennyisége úgy van szabályozva, hogy a ventilátor és az égéstér között van egy retesz (igazából két fele oszlik a levegő: primer és szekunder levegő, a kettő közötti arány kb. 10/1, tehát két retesz van, a primer és a szekunder levegő külön szabályozható), amely kézzel van beállítva úgy, hogy a kazánban a láng kékes színű legyen (a láng színét egy hőálló üveggel lezárt kémlelőnyíláson keresztül lehet megfigyeli. A visszagyúlás úgy van megoldva, hogy a csiga házára rá van erősítve egy olyan biztonsági szelep, amilyent a vegyes tüzelésű kazánoknál használnak a túlhevülés védelemre, tehát amikor a csiga eléri a 95 Celsius fokos hőmérsékletet, a szelep nyakon önti vízzel a csigában található aprítékot. A valóságban nem gyúl vissza, mert kevertük a száraz gyaluforgácsot nyers fűrészporral ami csak az égetőben, magas hőmérsékleten tudott meggyúlni. Száraz gyaluforgáccsal begyújtottuk, utána jöhetett a nyersebb is.Jó tudni, hogy ezt az égetőt soha nem hagytam felügyelet nélkül működni!. Az ezzel a berendezéssel szerzett tapasztalataim alapján, egy ilyen égető vezérlését én a következő elgondolás alapján oldanám meg: Azt előrebocsájtom hogy mikrokontrolleres PID vezérlést alkalmaznék. Azt nem szeretném elmagyarázni, hogy mi az a PID, nem egyszerű, de sok leírás van róla az interneten. Aki ilyenre adja a fejét annak elég jelentős mennyiségű elméletet kell megtanuljon. Az égető teljesítményét a levegő mennyiségével határoznám meg. A pillanatnyi fűtőanyag mennyiségét igazítanám a rendelkezésre álló levegőmennyiséghez, szintén PID és PWM. A megfelelő arányt lambda szonda jelének értékelésével kell meghatározni. Biztonsági áramkörnek egy teljesen különálló mikrokontrollert használnék a megfelelő hőérzékelőkkel, akár füstérzékelővel, lambda szondákkal, külön táppal. Tehát egy processzor szabályoz, a második pedig több lépcsőben felügyel, szükség esetén riaszt és ha kell, akkor tilt is. Ugyanakkor nem szabad elfelejteni a klasszikus thermohidraulikus biztosításról sem, amely ha minden kötél szakad akkor locsol. Még senki nem említette, de fontos hogy egy ilyen égetőre pernyeleválasztót is kell szerelni. Hogy miért, azt megtapasztaltam a saját bőrömön (szó szerint)
A vezérlés fizikailag szerintem könnyen megépíthető.A szoftware kifejlesztése nem lesz egyszerű, de ez az előnye a mikrokontrollernek, hogy nem kell új áramkört építeni, ha új ötletünk van
Üdv!
Érdekelne hogy valaki esetleg tudja-e hogy ezen a vezérlőn hogyan lehet beállítani a pontos időt, ezt leszámítva szinte bármit megtaláltam a kézikönyvében!? |
Bejelentkezés
Hirdetés |







