Fórum témák
» Több friss téma |
A bar mód ugye az az adatlapban az első kapcsolás lesz és a 0-5V signal source pedig a potencióméterrel szabályozott bemeneti feszültség, aminek függvényében világítanak a LED-ek? AZ eredmény pedig ilyen lenne:
Youtube link LM3914
Utána néztem a dolgoknak, youtube, google, adatlapban olvasgattam, amit értettem. Lényegében valóban jó lenne ez az IC a feszültség vizualizására, am akár bar módban, akár egymás után építve 2 ugyanilyen IC-t, a bemenetére, ami alapján felgyulladnak a LED-ek, az mindig csak 5V-os tartomány. Nekem 0 vagy 1V-tól kellene 20V-ig legalább.
Egyszerű, fogsz két ellenállást, és készítesz egy osztót 20V /4 = 5V
Csak kiegészíteném próba válaszát...
Ut = 20V P1 = 47K ohm. ( Ez csak példa a feszültségosztó kiszámításához. ) Rporos = ? ULM314-be = 0-5V ( 5V Max. ) = Ut / 4 = 20V / 4 = 5Volt Rporos = P1 * 4 = 47000 ohm * 4 = 188000 ohm. Az Rsoros ellenállásnak 200k ohm -os ellenállás is megfelel ( ha 47K ohm -os a hangerőszabályzó potenciométer ) , mert az LM314-est ( a referenciafeszültségekkel ) könnyen be lehet állítani, a kívánt kijelzési tartományra. A hozzászólás módosítva: Jún 26, 2013
[off] Egy nulla lemaradt! Helyesen 188000 ohm !
Van egy kis hiba még a számításban.
A P1 az Rsoros 1/4 része. ( Vagyis a 188K / 4 = 47K. ) S így a tényleges soros ellenállás értéke: 188K - 47K = ~150K ! A hozzászólás módosítva: Jún 26, 2013
Üdv ismét.
Számolgattam az adott képletek alapján. A következő értékek jöttek ki. Az Uki=20V ugye az adott. A P jelen esetben egy 5k és egy 1k poti összege,tehát P=6kOhm. Rsoros=P*4=6000*4=24.000 Ohm Rtényleges soros= 24.000-6000= 18.000 Ohm Ezen értékek felhasználása esetében 2db egymás után épített,kibővített LM3914-es IC építenék,ami még mindig ugye 0-5V-ig kapja a jelet, de 20db LED-et hajtok meg,tehát egy LED 1V-ot jelent így. Kérlek titeket,hogy nézzétek át a kapcsolást,hogy jól gondoltam-e a dolgokat,ha nem,akkor legyetek szívesek korrigálni egy rajzzal. Az egyszerűség kedvéért a fesz. szab. IC előtti elektronikát most ne nézzük. A hozzászólás módosítva: Júl 19, 2013
Meg még az lenne a kérdésem,hogy az Ut-t miért osztottátok el 4-gyel? Azért kell 4-gyel osztani,hogy kijöjjön az 5V?
Időközben találtam egy kapcsolást a neten, én is összeraktam a videóban használt programmal. Ha bar módban használunk egy IC-t, akkor 1db LED 2V-ot jelent. Kaszkád kapcsolás esetében pedig LED-enként 1-1V. A program szerint műküdik, a valóságban nem biztos, ill. a kaszkád kapcsolást nem tudtam összerakni a programban.
Itt a videó
Hello!
Kissé kusza a dolog amit teszel. Szerintem nem a szimulátor programok lelki világába kell elmélyedned, hanem az IC adatlapjában. A szimulátorban egyáltalán nem biztos, hogy minden funkció valósághűen el van készítve, hogy kaszkád vagy akármilyen kapcsolásban is megfelelő legyen a működése. ezek után már nem tudom, hogy egy poti állását szeretnéd kijelezni a 20 pontos Led-kijelzővel, vagy 0..20V-ig voltonként feszültséget mérni. De.. - Az IC a Rhi és Rlo lábai közötti feszültség tartományt bontja 10 felé, és ha a bementi feszültség ebbe a sávba esik megjeleníti a Led-eken. Vagy is ha Rlo láb GND-n van, és Rhi +5V feszültségen, akkor 0..5V bemeneti feszültségre fog felgyulladni a 10 Led. - Hogy az Rhi-Rlo lábak feszültségét be tudjuk állítani, az IC-ben van egy belső refrencia egység. Ahol a Ref-Out és Ref-ADJ lábak között, mindig 1,25V feszültséget állít be az IC. Vagy is addig növeli(csökkenti) a Ref-Out feszültségét, míg a két láb között, 1,25V nem áll be. Ha pld. a Ref-Out és Ref-ADJ lábak közé, egy 1,2kohm-os ellenállást teszünk, valamint ugyan ekkora ellenállást a Ref-ADJ és GND lábak közé, akkor a Ref-Out láb a GND-hez képest kb. 2,5V feszültségre kerül. Ha a felső ellenálláson 1,25V van, akkor azon folyó áram, 1,25V/1,2k=1,04mA. Ugyan ez az áram fog átfolyni az alsó ellenálláson is, vagy is ha az is 1,2k akkor azon is 1,25V feszültség lesz. A kettő összege lesz a Ref-Out feszültsége. (A számítás annyiban sántít, hogy a Ref-ADJ láb működéséhez is kell áram, ami kb. 0,1mA. Vagy is az alsó ellenálláson ennyivel nagyobb lesz az áram. Vagy is 1,04mA+0,1mA=1,14mA. Tehát az alsó ellenálláson eső feszültség, 1,2k*1,14mA=1,36V. Vagy is a kettő összege 1,25V+1,36V=2,62V lesz. Ezt mindig figyelembe kell venni a referencia feszültség számításánál.) - Ha most ezt a 2,62V feszültséget kapcsoljuk a Rhi és Rlo lábak közé, akkor a kijelzés 0..2,62V között lesz. A belső refrencia feszültség persze nem lehet akár mekkora (pld. 20V) mert annak minimális értéke 1,25V, maximálisan pedig kb. az IC tápfesz-2V lehet. Ha pld. +5V referencia feszültséget számolunk és 20V bementi feszültséget szeretnénk mérni, akkor óhatatlan a tényleges bementi feszültség leosztása 1:4 arányban. Vagy is amikor a bementi feszültség 20V, akkor az osztó után 5V-ot kapjunk. Ezért kell a bemeneten egy pontos 1:4-es osztó. De ha nem az, az sem gond, mert a Ref-Out feszültséget hozzáigazíthatjuk a leosztott feszültséghez is. Tehát a bemeneti osztó lehet "hozzávetőlegesen" pontos is, de ekkor a referencia osztó alsó tagját változtatva állítjuk be a méréshatár tetejét. - Pld. ha az osztót 100kohm/33kohm-os ellenállásból állítjuk össze, akkor a feszültség 20V bementi feszültség esetén Uki=R1/(R1+R2)*Ube értékű. Vagy is Uki=33k/(100k+33k)*20V=4,96V értékű lesz. Azaz a Ref-Out feszültséget erre kell beállítani, hogy a 10. Led 20V-nál jelezzen. - A referencia osztó felső 1,2kohm-os tagján 1,25V esik, akkor az alsó tagján 4,96V-1,25V=3,71V lesz. A felsőn az áram (mint már számítottuk) 1,02mA, alsón 1,12mA. Vagy is az alsó tag ellenállása R=3,71V/1,14mA=3,25kohm (~3,3k). Természetesen az IC belső feszültségeinek és áramainak szórása miatt, jobb, ha a 3,3k ellenállás helyett egy 5kohm-os trimmert használunk, és ezzel állítjuk be az utolsó Led jelzését. - Ha két IC-t kaszkád szeretnénk működtetni, akkor az "alsó" IC referencia feszültségét pld. 0/2,5V-ra, a "felsőét" 2,5/5V-ra kell beállítani. Ekkor 0..2,5V-ig az alsó IC fut fel, aztán a felső 2,5..5V között. A Rhi-Rlo lábak között, a belső osztó ellenállásának összege 10kohm. Így simán megtehetjük, hogy a két belső osztót sorba kapcsoljuk, és így kötjük az +5V referenciára. ekkor "automatikusan" teljesül a 0..2,5 és 2,5..5V-os tartomány. Az 5V referencia feszültséget egyetlen IC-vel is előállíthatjuk. - De van még egy feladatunk, amivel tulajdonképpen kellett volna kezdeni a számítást. Hiszen az 1,2kohm-os ellenállást, mint kiindulási alapot, önkényesen választottuk. Viszont a referencia fokozatnak még egy szerepe van. Ezen keresztül állítjuk be a Led-eken átfolyó áramot is. Ami tulajdonképpen kb. tízszer nagyobb lesz, mint a refrencia osztó által felvett terhelő áram. Avagy ha a Ref-Out és Ref-ADJ lábak közé 1,2kohm-ot kapcsolunk, akkor a Led árama Iled=1,25V/1,2k*10=10,4mA lesz. Természetesen itt is van eltérés, mert a Rhi-Rlo lábakat is a referenciára kötjük, és ez is terheli a referencia feszültséget. Ha pld. 5V referenciát választunk a kaszkád módban, akkor 5V/20k=0,25mA-el nagyobb lesz az 1,04mA áram. Vagy is a Led-ek árama kb. 13mA-re adódik. (Természetesen a "nemhasznált referencia fokozatot is terhelni kell, ugyan ezzel az árammal. Vagy is ha ott 1,25V refrencia feszültséget állítunk be a Ref-ADJ láb GND-re kapcsolásával, akkor 1,25V/1,3mA=960ohm ellenállással kell terhelni a referenciát. Különben a két IC Led-árama nem lesz azonos nagyságú. - Ha a két IC-t nem vonal, hanem pont kijelzéssel szeretnénk működtetni, akkor az adatlap szerinti összekötést kell alkalmazni a két IC között. (Hogy egyik tudjon a másik helyzetéről.) Az 5V referencia használata miatt, az IC-k tápfeszének kb. +8V felett kell lenni. Ha ez nincs, más referencia értéket (és bemeneti osztót) kell választani. De a tápfesz nem lehet akármekkora, mert az IC maximális feszültsége és a tok disszipációja azt behatárolja. (vonalmód mellett, 10 Led áramával számolva.) Remélem a kissé hosszúra nyúlt magyarázatot elolvasod, és segítségedre lesz az alkalmazásnál.. üdv!
Holnap el fogom olvasni amit írtál,biztos tanulságos lesz. Csak most nincs időm,de addig arra válaszolok,hogy a potik segítségével szeretném vizualizálni a feszültséget,kaszkádba kapcsolva két IC-t,így egy LED-re 1-1V jutna. A lényeg,hogy ezt szeretném megvalósítani,egy tápegységbe szeretném beépíteni,hogy jeleztessem,hogy milyen értéken van a feszültség. Tehát,tápegységbe és ahogy nő a feszültség,úgy villanak fel a LED-ek,remélem így már meg tudtam magam értetni
A félreértés lehet abból,hogy ugye csavarni kell a potit,hogy változzon a fesz.
Ha tápegységben van, akkor nincs értelme a poti állását figyelni, mert ott a kimenő feszültsége azt kell mérni vele. Vagy más a cél? DE ha még is a poti állását szeretnéd látni, akkor meg kár vacakolni, sztereó potit kell használni, és arra a referencia feszültséget kötni. Már is automatikusan teljesül a mérés. Feltéve, hogy lineáris a poti..
A hozzászólás módosítva: Júl 20, 2013
Sziasztok!
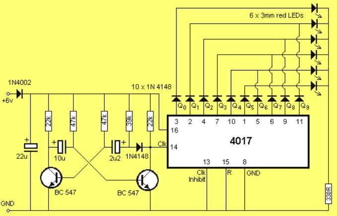
Szükségem lenne egy olyan (könnyen beszerezhető elemekből álló) egyszerű kis kapcsolásra, ami egy gomb nyomkodására 3 Ledet léptet. Olyasmi kellene, hogy alapból nem világít egyik se. Gomb nyomás után világít az első, újbóli nyomás után az első kialszik és világít a második, újbóli nyomás után kialszik a második és világít a harmadik, újabb nyomás esetén nem világít egyik se. És ez a minta ismétlődne. Ha csak több gombbal lehetne megoldani az sem probléma. Köszönöm a segítséget! Üdv. : jog27
Szia! Ami neked kel az a CD4017.
Alapkapcsolás 5 LED-del:_Link_, Vezérlési leírás az órajel és RESET bemenetekről:_Link_. Az 5 LED-es kapcsolásban csak annyit kell változtatni, hogy a Q0 kimenetet üresen kell hagyni. ( Az MR és Q4 összekötésre sem kell LED-et tenni. Ez csak egy sima átkötés. ) A LED-eket így kösd rá a megfelelő kimenetekre:_Link_. A nyomógombbal párhuzamosa kell majd kötni egy 10-100nF-os kondenzátort. Ez azért kell, hogy az áramkör ne legyen nagyon " ideges". ( Prell vagy pergésmentesítés. ) Elsőre lehet bonyolultnak tűnik ez az IC, de ahogy megismerkedsz vele ( és az adatlapjával ) egyre barátságosabb lesz. IC tokot feltétlen tegyél neki!
Sziasztok lehet hogy elsőnek nem jó helyen tettem fel a kérdésemet ugyhogy másolom ide
Sziasztok! Ezt szeretném valahogy leutánozni! Biztos láttátok már közelről nagy divatja kezd most lenni! Szerintetek hoyg van megoldva léptetővel PIC-el? vagy sima egymást kapcsoló tranyókal? az árából kiindulva nem hiszem hogy mindegyik szálba lenne egy egy microchip! Mit gondoltok hogy érdemes leutánozni? Mondjuk itt találtam egy videót aminél 1:10 nél látszik valami IC és mintha mátrixba mennének a szálak, de ez lehet hoyg csak az én tudatlanságom! A tranyós valahogy egyszerűbbnek tűnik! Köszi!
Szia!
Nem akarok butaságot mondani, de szerintem köze lehet a Knight Rider-es futófény effekthez, amihez nem feltétlen kell egy PIC. Ha jól emlékszem, láttam olyan kapcsolást, ahol egy 555-ös IC-vel van vezérelve egy-egy sor LED. Mellékeltem egy rajzot. A 4017-es IC-t ki lehet bővíteni egy szintén 4017-sel és így már 12 LED-et is lehet vezérelni. A vezérlést egy astabil multivibrátor adja, a 22kOhm-os ellenállások változtatásával vagy a kondik változtatásával lehet szabályozni a léptetés sebességét is. Nem próbáltam még,de ez szerintem oda-vissza fut.
Igen az is esélyes!
Egy 4017-es és kondi hogy halványodjon a led ne pedig rögtön kialudjon!
Ennéla verziónál már csak egy valamit kellene megoldani hogy amikor befejezte az utolsó leddel a futást akkor ne rögtön induljon az első...
NAgyobb kondit berakni ami tovább töltődik és utánna kapcsolja a tranyót? de ahhoz nagyon nagy kellenne.... ?!?!
Személy szerint még nem építettem meg ezt a kapcsolást, de szerintem működőképes. Ha nagyobb kondit teszel be,az is csak a billenés idejét fogja befolyásolni,nem azt,hogy a folyamat végén x másodperc múlva (x=több idő,mint ami az átbillenéshez kell a folyamat során) billenjen újra. Annyi ötletem lenne, hogy astabil helyett egy 555-tel felépített szintén astabil multivibrátorral üzem közben is szabályozható billenési időt tudnál produkálni.
Íme a kapcsolás. Megfelelő számítások után összeállítva a kapcsolást célszerű R2 helyére mondjuk egy 47kOhm-os potmétert szerelni, ezzel állíthatod az időt. Remélem tudtam segíteni.
Szia! Sajnos egyszerű futófénnyel kicsit nehezebb lesz megoldani. Az igazi megoldás a PIC-es mikrokontroller lenne. Bár ehhez sajnos a programot meg kell írni és be kell égetni a tokba. Igaz a hardver cserébe nagyon egyszerű lesz.
Érdekes effekteket lehet összehozni a léptető tárolókkal vagy más néven shift regiszterrel is. A shift regiszteres kapcsolások előnye, hogy szinte a végtelenig bővíthetők. Tényleg csak a fantázia szab határt. A vezérlő jelek előállítása sem bonyolult. Az órajelbemenetre és az adatbemenetre kell vezérlőjel. Az órajel a futás sebességét. Az adatbemenetre érkező jel a futási mintát adja. ( Érdekes effektet lehet összehozni ha PL egy jelformálón keresztül HF jellel vezéreljük a léptető tárolókat. ) Szóval a vezérlésre több lehetőség is van. Csak a fantázia szab határt... PL:_Link_ A hozzászólás módosítva: Nov 17, 2013
Példa-01:_Link_. Példa-02: Link ( Ez az áramkör önmagában is működőképes. )
NEm is a program írás és az égetés a gond, hanem a pic relativ drága ára, mert nem hiszem hogy szabad beleugrani különböző e-bay-es csodákba!
Na sajnos azokhoz a shift regiszterekhez én még hülye vagyok! Marad minimáldizájnos kis PIC-es megoldás 10-13 leddel! De ebbe a shift regiszteres dologba kicsit beleolvasok, mert érdekesnek tűnik!
Idézet: „pic relativ drága ára” Nem tudom hol nézted az árakat, de az biztos, hogy mikrokontrollerrel jössz ki legolcsóbban, minthogy ic halmokat kötözgetnél. Idézet: „Az igazi megoldás a PIC-es mikrokontroller lenne” Hagyjuk el a PIC-et nyugodtan! Annyi féle uC van hogy az megszámlálhatatlan, nem csak a MicroChip gyártmányai.
Szia simpi!
A 877-es PIC az egy másik projekthez kell, ott programozott futás lesz egy LED szív, DE az is módosult már 887-re a belső rez. miatt. Idézet: „NEm is a program írás és az égetés a gond, hanem a pic relativ drága ára, mert nem hiszem hogy szabad beleugrani különböző e-bay-es csodákba!...” Egy picit tévedsz! Ha alaposan körülnézünk, és az SMD technológia sem gond, PIC használatával olcsóbban lehet ilyesmit megoldani, mint tranzisztor+ kondenzátor kombóval. Megjegyzem, a DIP kontrolleres megoldás sem vészesen drága. Érdekességképpen mellékelem egy nyáron készült felmérésem eredményét. A lista a teljesség igénye nélkül készült, a relatív drága megoldásokat kihagytam. * Mod: A He-fóruma nem bolt, hamár listát küldesz tedd úgy, ahogy én javítottam! A hozzászólás módosítva: Nov 18, 2013
Hello! A PIC-et érted, a Shift regisztert nem? Az érdekes. Mert abban is van Shift, csak az utasítás.. De hogy legyen egy kézzelfogható Shift is..
üdv!
Sziasztok Mesteremberek!
Egy számomra érdekes feladvánnyal érkeztem hozzátok. A mellékelt kapcsolási rajzot már bővítettem egy fényerő szabályozó potival. Annyit tud a kapcsolás, hogy az 555-ös astabil kapcsolásban az RB potival előállított órajellel kapcsolgatja a 3 LED-et /vagy 1db RGB-t/. Kondi nélkül durvák az átmenetek, kondival pedig átúsztatja a színeket, meg ugye tudok így fényerőt is szabályozni. Annyival szeretném bővíteni még, hogy mondjuk egy nyomógomb segítségével /esetleg többel/ 1-1 szín menjen csak. Konkrétan kék,zöld,piros,kék-zöld,kék-piros,zöld-piros,kék-piros,kék-zöld-piros. Nyilván ezek sorrendje felcserélhető,a cél ezen 7 szín kikeverése. Lényegében egy RGB Kontroller-t szeretnék építeni, csak egy lebutított, alap verziót. A léptetéses dologhoz 2db CD4017-es IC-t gondoltam, csak azt nem tudom, hogy hogy oldjam meg, hogy kapcsoló nélkül hogy tartsam egy stabil színállapotban a kapcsolást, tehát ha ráadom a delejt, akkor az 555-ös és a 74LS90 áramköre megy, a nyomógomb megnyomása után pedig már nem keveri a színeket, hanem stabilan világít egy. Ha végigmentem az összes kombináción, akkor újra mehet a az 555-ös és társa áramköre, bár ez nem feltétel, de így lenne ésszerű. Érdekes feladvány, nagyon szívesen csamcsognék az általatok kivitelezett verzión. Tisztelettel A hozzászólás módosítva: Dec 9, 2013
Szia! Érdekes feladat. De meg lehet oldani. PL szín megtartásához elég csak az órajelet lekapcsolni ( kikapuzni ) a 7490-es számlálóról. A kapcsoló helyett nyomógombot is tudsz tenni. ( Nyomógomb mint kapcsoló téma. )
A másik kérdés a programok kiválasztása. Ha tíz színkombináció elég, akkor a 4017-es jó választás. De a színkombinációkhoz egy logikai hálózatot kell készíteni. ( &, OR, AND, STB - kapukkal. ) Ezt a logikai hálózatot nem nehéz elkészíteni. Egyszerűbb kacsolásoknál a igazságtáblázat:_Link_-ból is el lehet indulni. Egy táblázatban fel kell venni a 4017-es kimeneti állapotait. S a táblázat egyes lépéseihez még a kombinációs hálózat kimeneteit is fel kell tüntetni. Ezután csak az egyes lépések logikai állapotához kell kaput keresni. ( Érdemes az egyszerűségre törekedni mert alkatrész temető lesz belőle. Ahol lehet csökkenteni kell a felhasznált elemek számát. ) Amikor minden lépés logikai kapcsolata elkészült, már csak a megfelelő alkatrészt kell megkeresni egy katalógusból. ( De a barátunk is segít ha tudod mit keresel. ) Csak halkan jegyzem meg, hogy diódákból kialakított VAGY kapcsolattal is meg tudod oldani a kombinációs hálózatot. Egy példa a diódás logikai hálózatra:_Link_ Igaz sok 2Ft-s dióda fog kelleni de cserébe, ha a nyákot is úgy készíted el, szabadom "programozhatod" az áramkört a diódák áthelyezésével. Kombinációs hálózatot Karnaugh (karnó) - igazságtábla:_Link_ is tudsz készíteni. Ezzel a módszerrel nagyon bonyolult logikai hálózatokat is "könnyen" el lehet készíteni. A 7490-es áramkör és a tranzisztorok közé 7408-as AND kaput kellene tenned.
Ha tudnál mikrokontrollert programozni akkor sokkal több lehetőséged lenne a színek és fényerősség beállítására, s kevesebb alkatrész kellene hozzá...
Az az igazság, hogy mikrokontrollert nem tudok programozni, a logikai kapukat meg már vagy 7 éve is van, hogy tanultam, bár a füzetek megvannak.
Annyira ma haladtam elméletben, hogy a 4017-est megszerkesztettem úgy, hogy nyomógombos indításra mindig 1-1 szín világít, ill. a kombinációkat párhuzamos kapcsolással oldottam meg /pl.:piros-kék/ egy következő kimeneten. Tehát ez már adott. Ahhoz kellene ez a logikai kapu, hogy az 555-ös színkeverő részéről a 4017-es nyomógombjának egyszeri lenyomására váltson színkeverésből egy adott szín megtartására? Kicsit bonyolult ez így nekem első nekifutásra, de ha ez megoldható, akkor ma lehet neki is kezdek a tervezésnek, csak kellene még egy kis segítség |
Bejelentkezés
Hirdetés |





A félreértés lehet abból,hogy ugye csavarni kell a potit,hogy változzon a fesz. 
üdv! 






