Fórum témák
» Több friss téma |
Mielőtt kérdezel, a következő két dolgot ellenőrizd!
I. A helyes tápfeszültségek megléte.
II. A kimeneten van-e egyenfeszültség.
Élesztés.
Rendben,nagyon köszi a gyors választ.
Köszi! Megpróbáltam minkét dolgot, nem segített.
Viszont megtaláltam a megoldást. Az erősítő tápföldje, és a motorvezérlő tápföldje közé (2 teljesen más tápról vannak hajtva) beiktattam egy 100nF kondit, és megszűnt a zavar, ráadásul megszűnt az a zaj is, ami eddig megvolt nyitott bemenetnél, feltekert hangerőnél.
Alap koncepció szerint nem kellett volna. Miért kéne egy motor elektronikát egy erösítövel összetestelni? Logikailag könnyebben átcsusszanhat mindenféle berregés ha galvanikusan kapcsolódnak, nem?
A hozzászólás módosítva: Nov 15, 2013
Üdv. A csillagpont a lényeges, ha megnézel egy gyári erősítőt a földek "így vagy úgy "de közösek.
A hozzászólás módosítva: Nov 15, 2013
A Kim. DC-t próbáltad már állítani?
A hozzászólás módosítva: Nov 15, 2013
Sziasztok!
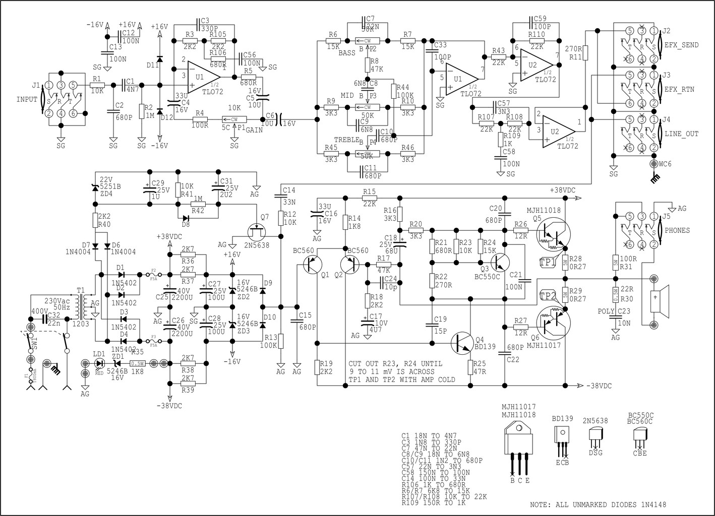
Megépítettem ezt az erősítőt gitárhoz. Annyi gondom van vele, hogy a GAIN potméterrel ha állítom a hangerőt akkor csak a leges legvégén tolja rá a kakaót nem úgy viselkedik mint egy hangerő poti. Ez mitől lehet vagy jól van ez így?? Vagy valamelyik alkatrészt kellene módosítani? Köszönöm.
Szia!
Ez nem hangerőszabályzó, ezért ne is várj el olyan hatást tőle. Ez annak az erősítőrésznek az erősítését állítja be, amelyre rá van kötve.
Szia! Tégy bele fordítottan logaritmikus (C) potenciométert.
Szomorúan látom, hogy nincs a boltok polcain, pedig létező kategória. Próbáld meg a "Hol kapható" témában feltenni a kérdést.
Kiváltani nem kehet valamivel? Vagy megoldani valahogy?
Mivel tudnám az erősítést növelni egy kicsit? A hozzászólás módosítva: Nov 15, 2013
Rakj egy logás <10kOhm-os potit a C5-6 közötti részbe.
Erősítésnövekedést vagy a 10K Gain poti értékének növelésével, vagy R4 növelésével tudsz elérni. (utóbbi a minimális erősítés beállítására szolgál) A hozzászólás módosítva: Nov 16, 2013
Potinak egy 50 k jó lenne, az ellenállást milyenre cseréljem pl 470 ohm? Akkor így mennyivel lesz nagyobb az erősítés? Az utolsó fokozatnál is lehetne erősíteni rajta?/ R107, R108, R109,/
Sziasztok! Reloop fórumtársamnak! Szia István! a segítségedet kérném,hogy már egy korábbi hozzá szólásban írtam,hogy össze raktam az Orion SE-260 as végfok modult,ami itt-ott tökéletesen,és elsőre be is indult,de van ami nekem nagyon szemet szúr,hogy a kimeneti DC-t nem tudom lejjebb vinni 0.06v nál.A korábbi hozzászólásra az a válasz jött,hogy ez is jó érték,de én szeretném le vinni 0.01-0.02 V ig ha lehet.Tudnál segíteni?Köszöntem előre is.
Hello!
Na hát átépítettem a beag aet 453 dobozából ezt a kis erősítőt és egyből megszűnt a zúgás végre ![]() 2 óra szenvedés után kélszen lett 1*125W vagy 2*60W 8ohmon RMS (kimért adat) Gondoltam megosztom veletek! VÉlemények jöhetnek
Hali! Ugye mondtam hogy ott a dobozzal nem kóser valami.
Igen!Túl közel volt a trafó és a hűtőborda, de ebbe volt hely és így lett megoldva, de mostmár semmi zaj szerencsére
Egy kicsi azért van, de az nem sok!Viszont a 100nF-s kondikat rajtahagytam, van benne 8 db a atápokban
Akkor ez is meg oldódott.
Már csak tető kéne rá
Ez a gerjedések meleg ágya volt.
Pontosan!Azért szerettem volna átépíteni valami normális kinézetű/elrendezésű formába + van a asulimba egy tanári kar álltal épített mű annak az "ellenfelének" akartam
Következő projekt?
építsd meg az Orion se-260 as végfok modult,nem fogsz benne csalódni.
Előbb élvezem ezt
![]() Majd az mj-s panel lesz a akövetkező projekt, már be van rakva csak azt is esztétikailag megkéne csinálni
Helyes-helyes
A hozzászólás módosítva: Nov 16, 2013
Azért szokás az első fokozatban erősíteni, mert így jobb jel-zaj viszony érhető el. A következő fokozatokban is lehet, de ezek az előzőek zaját is erősítik. A 10k-tól mióta kisebb a 50k? (<=kisebb; >=nagyobb) Az erősítés mértéke U1Au= 1+(P1+R4/R3+R105)
Ezt írtad- "Erősítésnövekedést vagy a 10K Gain poti értékének növelésével"
Vagy nem jól értelmeztem! Én a GAIN potit cseréltem 50 Kilosra. A hozzászólás módosítva: Nov 16, 2013
Az 50k potival is keveslem az erősítést, tudom még valahogy növelni?
|
Bejelentkezés
Hirdetés |










Én a GAIN potit cseréltem 50 Kilosra.




