Fórum témák

» Több friss téma
Fórum » Erősítőhöz való hangsugárzó védelem (koppanásgátló)
Lapozás: OK   10 / 196
(#) liman válasza proli007 hozzászólására (») Dec 13, 2007 /
 
koszi a valaszt
Irele az a rele tekercsen at folyo aram igaz?
nem az amit kapcsolok vele?
(#) proli007 válasza liman hozzászólására (») Dec 13, 2007 /
 
Igen!

Előfordul, hogy csak a tekercs ellenállása van ráírva, akkor: Irelé=Urelé/R.

üdv! proli007
(#) liman válasza proli007 hozzászólására (») Dec 13, 2007 /
 
ok koszi igy asszem mar menni fog
(#) Sword hozzászólása Dec 14, 2007 /
 
Üdv!

Már régebben megépítettem a Majki féle hangszóróvédő cuccot. Ma rákötöttem az elkészült erősítőm kimenetére +adtam neki tápot, de nem történik semmi. A ledek világítanak (mind a 3), de a relé nem húz be, vagyis nem zárja a jel vezetéket....
Saját tápja van, egy 24V-os trafó egyenirányítva, ez kb 36V egyenfesz. Zárlat nincs az elektronikában, mert kötöttem a táppal sorban egy izzót és nem pilácsolt.
(#) proli007 válasza Sword hozzászólására (») Dec 14, 2007 /
 
A linket, vagy hsz. számát, mindig tedd hozzá, mert nem biztos, hogy ugyan arról fogunk, beszélni.

Ha külön tápról tápláltad, akkor is az U~ pontot az erősítő trafójáról, és az U- pontot az erősítő minusz tápjáról be kell kötni. Ja és a két GND vonalat is össze kell kötni.

üdv! proli007
(#) Sword válasza proli007 hozzászólására (») Dec 15, 2007 /
 
Okés.

Tehát a - tápot az erősítő tápjáról kéne vennem?
Igazából próbáltam már az erősítő tápjáról is hajtani, GND is be volt kötve, próbáltam végfokkal és a nélkül, de eredmény ugyanaz: világít az összes led, de a relé meg se nyikkan. A fő probléma a, hogy még a Clip led is világít, ennek pedig csak akkor kéne ha áram kerül a megfelelő tranyóra, viszont végfok híján ez nem lehetséges.
Mivel ennek a kimenő áramát figyeli.
A relé még akkor sem húz be, ha közvetlen rá adom a feszkót, tehát gyanítom, hogy valahol rövidzár van és az áram inkább a rövidzár irányába folyik el, így a relé tekercse nem kap áramot. Legalábbis sejtésem szerint...
(#) Sword válasza Sword hozzászólására (») Dec 15, 2007 /
 
Most lekötöttem a relét és úgy tűnik, hogy az működik, tehát valahol lesz v.mi rövidzár, vagy vmelyik tranyó hibás.
(#) Sword válasza Sword hozzászólására (») Dec 16, 2007 /
 
Hátha akad v.ki, aki ad v.mi tippet. Most eljutottam odáig, hogy találtam egy hibás diódát (mindkét irányban vezetett), kicseréltem, de a helyzet nem változott.
Leföldeltem a panelt és így a clip led már nem világít, ami már jó jel, de tovább már én sem tudom.
(#) proli007 válasza Sword hozzászólására (») Dec 16, 2007 /
 
Tedd fel a rajzot, és a nyákot.

üdv! proli007
(#) Sword válasza proli007 hozzászólására (») Dec 16, 2007 /
 
Üdv!
Mellékeltem az eredeti kapcs rajzot, nyáktervet, beültetési rajzot PDF-ben+ a kész panelről egy képet.
Igaz itt-ott eltér az eredetitől, de ez főleg a relé résznél van (2 váltós relé 4 helyett) illetve mivel nem fotózásos módszerrel készült így kicsit elnagyolt, de kétlem, hogy ez lenne a baja.
(#) proli007 válasza Sword hozzászólására (») Dec 17, 2007 /
 
- A nyáknak, az alkatrész oldalát is fotózd le, mert innem úgy látszik, mitha a relétekercs egyik lába be sem lenne kötve. (biztos nem így van)
- Add rá a tápfeszeket, a két AMP pontot, kösd a GND-re. A GND-hez képest, mérd meg minde tranzisztor lábán a feszültséget, plussz a tápfeszt, és írd meg.

üdv! proli007
(#) Sword válasza proli007 hozzászólására (») Dec 17, 2007 /
 
B@sszus, pedig csináltam is róla képet, mondom úgyse fontos....
Kicsit nagy a kép, kivághattam volna, bocsi, csak kapkodok.

DSC04825.JPG
    
(#) Sword válasza Sword hozzászólására (») Dec 17, 2007 /
 
Üdv ismét!

No lemértem ezt azt:

Dobok egy rajzot, ezen a tranyók szerepelnek mind 3 lábuknál mért fesz. értékekkel. Remélem pontos, kicsit szarakodik a multiméterem, bár az elem még új

Tranya.JPG
    
(#) vicsys válasza Sword hozzászólására (») Dec 17, 2007 /
 
A T5 mindegyik lábán ua.-t a feszt mérted? Nem tudom, furik ezek az értékek. Ezekszerint T5 csuma zárlatos.
(#) proli007 válasza Sword hozzászólására (») Dec 17, 2007 /
 
Egyenlőre a T2-vel van bajom, gondolom Led ég.
Mért értékek:
C=30,5V
B=25,2V
E= 29V

Ez lehetetlen!! B-E= +0,65V nak kellene lenni, itt ez -3,8V. Emitterben semmi képpen nem lehet nagyobb feszültség, mint a bázisban!

Számított értékek kb.: (200 bétával számolva)
C=30,5V
B=29V
E=28,4V
R2= 1,5V (lábain)
R5=26,2V (lábain)
D7=2,2V (Led lábain)

Hiba lehet:
- Nem jó a tranyó
- Valami el van kötve, vagy láb cserélve

Próba:
Bázis-Emmttert rövidrezárva, Led elalszik. (Legalább is pici a fénye)

ui.
Elég furcsa, hogy az összes GND lábat -0,1...0,15V hibával méred. Valahova rossz helyre eszed a műszert a panel GND helyett.
A -30V tápot is kösd rá! :yes: Folyt köv.

üdv! proli007
(#) proli007 válasza vicsys hozzászólására (») Dec 17, 2007 /
 
Nincs még minusz táp, és a T5 azon van.

Üdv! proli007
(#) Sword válasza proli007 hozzászólására (») Dec 17, 2007 /
 
A két AMP Bemenetet kötöttem össze, erre raktam rá a mérőműszer fekete vezetékét (test ugyebár).
Csak mondom, nem vagyok benne biztos, hogy teljesen korrektül mér, pcit gyengül az elem meg van halva, vagy fél perc, amíg bekapcs után lemegy a kijelzett fesz 0
A - táp gond lesz, vagy nemtudom...
Egy darab diódahíd van a tápomon. +/- jelzéssel, gondoltam jó lesz... Túl misztikus nekem ez a plusszos táp, +/- os táp téma.
(#) Sword válasza Sword hozzászólására (») Dec 17, 2007 /
 
T2 tranya B-E rövidrezárva --> Protect led elalszik.
(#) proli007 válasza Sword hozzászólására (») Dec 17, 2007 /
 
- Azt kértem, hogy a két AMP bemenetet egyenlőre rakd a GND-re. (mint ha a hangszórók be lennének kötve, és arelé húzva lenne.
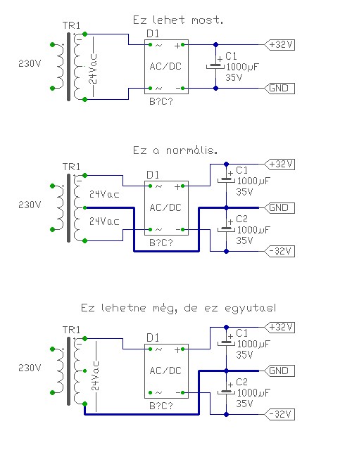
- Ezt a +- táp problémát nem értem. A GND-hez képest, kellene egy +30V-nak és egy -30V-nak lenni! (Eredetileg ez lenne a végfokok +- tápjai.)
- Hát ha a tápod, most csak egy trafó tekercsből és egy greatz-ből áll, akkor abból nehezen lesz +- 30V. Csak akkor lehet egy graetz, ha a trafó középmegcsapolásos, és akkor az a pont a GND.
Ha gond, lerajzolom.

üdv! proli007
(#) Sword válasza proli007 hozzászólására (») Dec 17, 2007 /
 
A végfok két graetz-el van megoldva, +/- ez műxik is rendesen. Csak egyéb okokból nem erről a tápról hajtom, egyrészt ez csak 21V terheletlenül, másrészt ha fullon a végfok megrángatná cseppet a tápot akkor a relé elejtene, így kcisit necces.
Viszont az eredeti építőtől megkérdeztem és ő azt mondta, hogy mehet külön tápról is, nem lényeges, csak szerinte tök felesleges. Mindegy.
Viszont akkor valahogy át kell alakítanom ezt a tápot, most van rajta egy trafó, graetz kocka, 1000µF +1µF kondér. Abban a hitben voltam, hogy ha az ellenkező irányban folyik az egyenáram a plusszhoz képest az már mínusz. Bocs, full amatőr vok, igaz nem is tanultam soha ilyesmit
Ezt az AMP bemenets dolgot, meg félre érthettem, elnézést.
Viszont köszönöm a segítséget!
(#) proli007 válasza Sword hozzászólására (») Dec 17, 2007 /
 
Na, itt vannak a tápok.

Mára tovább szunya!

üdv! proli007

POWERS.jpg
    
(#) proli007 válasza Sword hozzászólására (») Dec 18, 2007 /
 
- Ha a védelem minusz tápját, nem az erősítőről fogod járatni, nem lesz jó a Clip jelzése. Az pont azt figyeli, hogy az erősítő kimenete (a kivezérlés hatására), minusz irányban mennyire közelítette meg a tápot. (kb. 9V azaz -Ut ből 9V vissza)

a.)
- Ha bekötötted a -Ut is, akkor a következő feszültségekre lehet számítani a Clip részen: (-Ut=-32V mellett, az alkatrészek lábain mérve)
R12=19V
R13=0,65V
R14=31,5V
R15=11V
R16=0V
C4=11,6V
D6=19V
Led=sötét

b.)(+-Ut=+-32Vmellett)
Az U~ bemenetet bekötöd, egy 100kohm-os ellenálláson keresztül, az -Ut-re
- Ekkor a relének meg kell húzni.
- Feszültségek a hatássorrend szerint:
100kohm=16,8V (U~ és -Ut között)
R6=9,4V
R8=37V
C1=-5V

R7=23,2V
C2=8,8V
R9=7,4V
D4=0,7V
R3=0,65V
R1= a relé áramától függ

Persze az értékek számítottak, és csak akkor érvényesek, ha a tápfesz+-32V. kisebb eltérések lehetségesek, viszont jelentős mértékű nem. Ha a tápfeszültség más, akkor az értékek közel arányosan módosulnak. (Nem teljesen, mert félvezetők is vannak!pld. BE közötti ellenálláson szinte nem.)

üdv! proli007



(#) Sword hozzászólása Dec 18, 2007 /
 
Rendben, nagyon szépen köszönöm a fáradozásaidat
Asszem most csinálok egy csepp széjjelséget
(#) Sword válasza Sword hozzászólására (») Dec 18, 2007 /
 
Az az igazság, hogy működik, sztem egyszerűen csak szarul volt bekötve, ami a tudatlanságomnak köszönhető leginkább. De legalább tanultam belőle.
Még egyszer köszönöm a segítségedet!
(#) proli007 válasza Sword hozzászólására (») Dec 19, 2007 /
 
Idézet:
„De legalább tanultam belőle.”


ÁMEN!

üdv! proli007
(#) Sword hozzászólása Dec 19, 2007 /
 
Sosem késő elkezdeni
(#) shelby14 hozzászólása Dec 19, 2007 /
 
Hello!
Valaki tudna nekem segíteni szintén koppanás ügyben? A helyzet az, hogy amint bekapcsolom az erősítőt áramra( készenlét) azon nyomban koppanás, majd sistergés a hngszóróból. A hangygszórók és a bekötésük ok. Hangosításnál a sistergés is arányosan hangosodik. még kezdő vagyok, gimnazista. Légyszi segítsetek! Ha tud vki vmit, légyszi írjatok:

msn pedig:petrenceke@hotmail.com
De az oldalt tovább is látogatom!
(#) Sword válasza shelby14 hozzászólására (») Dec 19, 2007 /
 
Tehát akkor a zaj arányosan nő, ahogy tekered fel a potit? Nyitott bementtel nézted vagy be volt dugva az IC kábel v.hova? Mert v.színű, hogy a kábelen szed fel v.mi zajt és ugye, ahogy növeled a kivezérlést úgy erősíti a zajt is. Szerintem.
A koppanás meg természetes ha hirtelen rákerül a tápfesz a végfokra. Erre való az az áramkör, maivel annyit szívtam Csak akkor kapcsolja be a hangszórókimenet, ha stabilizálódott a tápfesz. Ezt manuálisan is megoldhatod: Az erősítő előlapján kikapcsolod a hangfal kimenetet és úgy kapcsolod be az erősítőt, majd után rákapcsolod a hnagfalakat is. Nem tesz jót a hangszóróknak az ilyen nagy lökés. :no:
(#) shelby14 válasza Sword hozzászólására (») Dec 20, 2007 /
 
Kösz, h. válaszoltál! Az előlon nem lehet lekapcsolni a hangszórókat, ill. mivel kiszakadt a hangfal csatlakozója, a hangfal kihúzása egyenlő minden alkalomkori csoki-csavarhúzással (elég furcsán nézne ki mindig). A készülék alapból produkál koppanást, ha csak a tápot dugom be is. Nem nagy teljesítményű, épp hogy csak bérházban lehetne vele szomszédot idegesíteni 50/80w-os Videotonnal (talán). Valami kondenzátor kellene vagy zavarszűrő ( ismerősök ezt mondták, de nem voltak benne biztosak) A földelést megoldottam radiátorra való kötéssel(mivel nincs földelt aljzat és a végfok sem olyan kábellel csatlakozik) Hogy lehetne ezt megoldani?

Ill. ha itt vagyok, nem tudna vki még egy kérdésre választ adni:
AVideoton hangfalba lett régen beépítve egy autórádió, és annak megmaradt a helye. Jelenleg jó bass-reflex lyukként üzemel, mivel alapból zárt a hangszóró. Nos érdemes-e ezt a rést befedni hasonló vastag falemezzel v. vmi mást is berakni oda, esetleg hagyjam így? Hozzáteszem, pill. nem mélynyomó funkciót tölt be

Ha vki tud vmit, kérem jelezzen itt v. a nagypetrenceke@freemail.hu vagy msn-en a petrenceke@hotmail.com-on. THX
THX Sword!!!
(#) szamóca válasza shelby14 hozzászólására (») Dec 20, 2007 /
 
Tehát, amit ki tudtam hámozni az írásodból.
1. van egy erölködőd ami be-ki kapcsolásnál koppan.
Tudni kéne hogy van-e benne hangszóróvédő áramkör vagy nincs. Ha van, akkor ezekszerint rossz, de én inkább azt gyanítom hogy nincs is. (gyári vagy házi gyártmány? esetleg típusa?)
2, Azt hogy "sistereg", számos dolog okozhatja. Jó lenne egy fénykép is a belső felépítésről
3,Nem ártana cserélni a törött csatikat, neked is könnyebbé válna a használat.
4. Bár ez a Vidi hangdoboz kérdésed kicsit fűzött off, de...
Eredetileg gyanítom hogy zárt hangdoboz volt, tehát az a helyes ha "visszafalazod" a lyukat rajta.
Amig nagy hangerőnél el nem száll a mélyhangszóród, a túlzott memránkilengés miatt.
Következő: »»   10 / 196
Bejelentkezés

Belépés

Hirdetés
XDT.hu
Az oldalon sütiket használunk a helyes működéshez. Bővebb információt az adatvédelmi szabályzatban olvashatsz. Megértettem