Fórum témák
» Több friss téma |
Fórum » Akkumulátor töltő
Sziasztok,
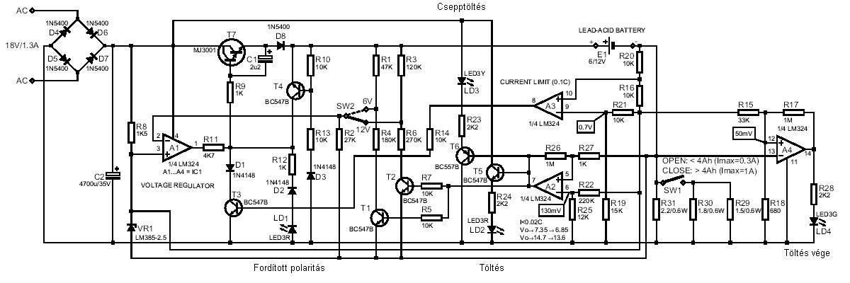
a képen látható töltővel rendelkezem. Ez egy no name töltő, 6V, illetve 12V-os akkumulátorok töltésre jó. Kapocsfeszt mérve, mind 6V, mind 12V rendelkezésre áll, de egy lemerült akksira téve, lakatfogóval mérve max 1.5A-t ad le. Egy H4 55W izzót is alig tud ,,megszólaltani". A töltési áramot jelző ledek nem működnek. Gyárilag, papíron 6A töltőáramot képes leadni. A képen látható nagy fehér ellenállást( azt hiszem áramszabályzó ellenállásként szerepel) most tettem bele, mert az eredeti elégett. Egy elektronikai szaküzletben 2.2 Ohm-os ellenállást ajánlottak. Lehet ez a baj? Üdv!
Sokallom a 2,2 Ohm-ot. Nem csoda, ha nem adja le az áramot. Ha feltételezzük, hogy 14 V a kimenőfeszültsége, a kapcsokat összezárva 6,36 A folyhatna. Az akku 12 és a kimenet 14 V-ja között legfeljebb 1 A. Javaslom, cseréld ki 0,2 Ohm-ra. Nem biztos, hogy a LED sor pontos töltőáramot fog mutatni, de legalább működik.
![]() Pontos értéket a LED sor kalibrálásával lehetne meghatározni. Ehhez valószinűleg cserélni kell a 8 lábú IC-t. Nézz körül, nem látsz-e más égett ellenállást is!
Sok a 2R2. Egy általam mért hasonló típusban tekercselt huzalellenálláson 4,5A-nál 150 mV-ot mértem. Egy LM358 erősíti a jelét, ez hajtja meg a kijelző LED-ek tranzisztorait.
A hozzászólás módosítva: Jan 7, 2014
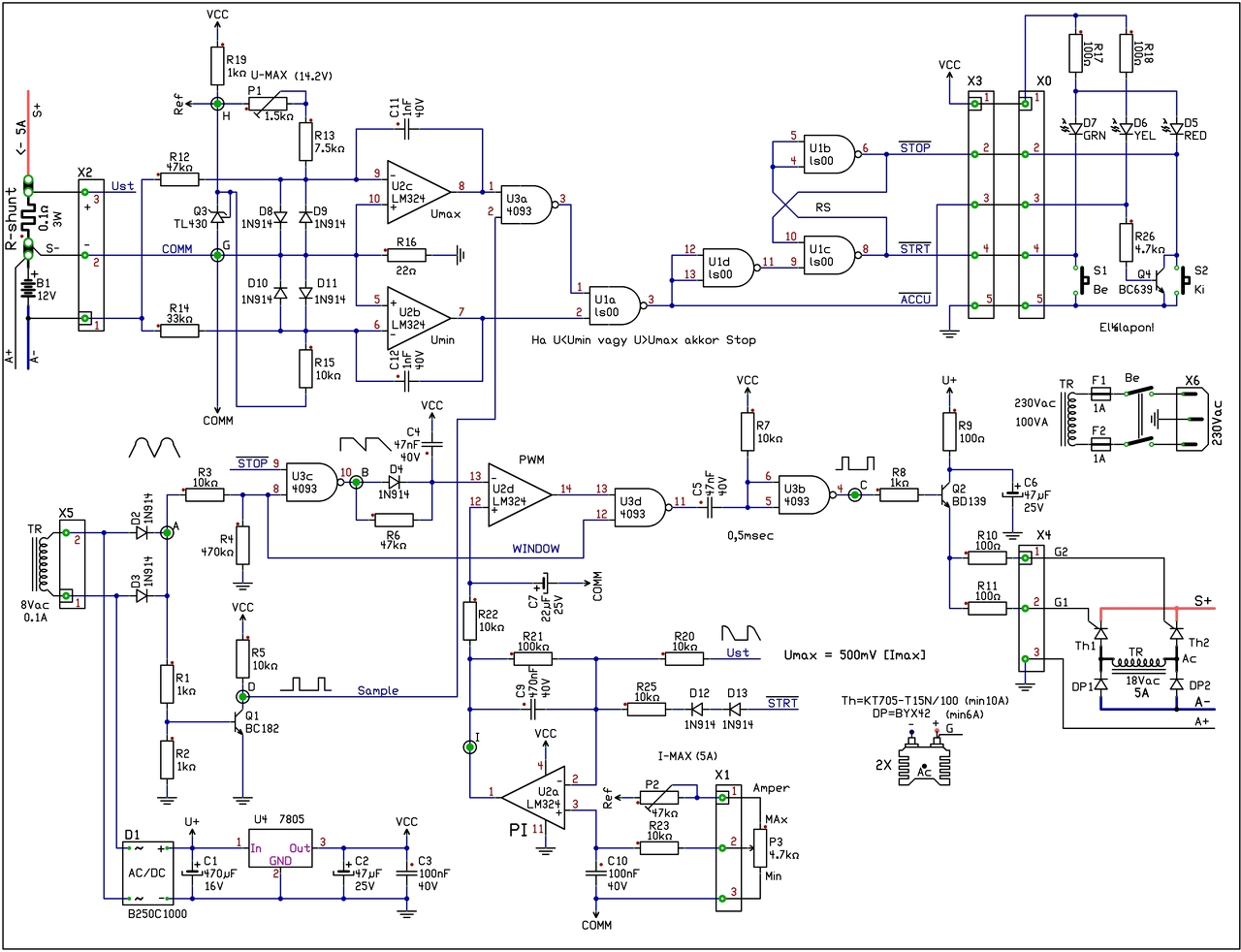
Sziasztok. Megépítettem, a kapcsolást. Működik is, csak nem lehet állítani a minimum-maximum értékeket. Hiába tekergetem a potmétert, nem történik semmi. 13,6v-meghúz, és 9voltnál elenged. Rámértem a pótméterekre, és azok rendben vannak. Itt a nyomtatott áramkör. Lehet hogy itt baltáztam el valamit? Jaa igen. 24 voltos aksit kéne figyelnie, és ehhez van átalakítva a kapcsolás.
Segítségeteket előre is köszönöm. A hozzászólás módosítva: Jan 7, 2014
Közben megoldódott a probléma. A tranzisztort fordítva kötöttem be.
Sziasztok,
a Panelnél látszik, hogy az ellenállás mellett van még hely, illetve, még az is látszik, hogy ez párhuzamos. Tehát ha veszek mondjuk még 2-3 különböző értékű ellenállást, és teszek rá egy olyan fogyasztót, mely áramfelvétele nem változik, pl. izzó és teszek rá egy lakatfogót, akkor már tudok szórakozni az ellenállások értékével nem de? Mármint a ledek kalibrálásánál, mert párhuzamos kapcsolásnál reciprokkal számolva, különböző értékű ellenállásokkal lehet játszani. Lesz annak valami következménye ha két ellenállás nem egyforma? Illetve ha a ledek több ampert mutatnak, mint a tényleges, akkor csökkenteni, vagy növelni kell az ellenállás értékét? Sok a 2R2. Egy általam mért hasonló típusban tekercselt huzalellenálláson 4,5A-nál 150 mV-ot mértem. eezt nem értem. Nem sokat konyítok az elektronikához, légyszi magyarázd el...
Szevasztok!
A lakatfogó nem igazán jó. Itt egyenáram van, vagy lüktető kétoldalas egyenirányított. Vagy egy digit műszer, a trafó szekunderében AC áram mérésben. Üdv.
Kb. 0,033ohm Huzalellenállásból lehetne megcsinálni. A huzalellenállás hosszát addig változtatod, amíg 4-5 A terhelésnél megközelítőleg ezt a feszültségesést méred a huzalellenállás két végén. Több darab 0,2 ohmmal, vagy hasonló kis teljesítményellenállásokból is összehozhatod is összehozhatod. Ami a képen van az is huzal belül, csak magas az értéke. Ha működőképes az elektronika, akkor már a LED-eknek is kéne mutatni az áramfelvételt. Az elektronika a töltést nem befolyásolja. Ja és a huzalellenállást ha sikerül üzletben beszerezni, méter/ohmban van megadva az ellenállása, így tudsz kalkulálni, mennyivel kezdd a kísérletezést.
Hát sajnos egy másik problémával szembesültem. A maximum feszültséget be tudom állítani 28,6voltra, de a minimumot, csak 23,6voltra. Ennél feljebb nem megy mert akkor már kitekerem a potit. Hogyan próbáljam orvosolni ezt. Most 5k pótméter van benne a 2k-os helyett. Segítségeteket előre is köszönöm.
Tiszteletem!
Kaptam egy Pro User EBC10A akkumulátor töltőt semmi elektronika, csak a váltó kapcsolója van meg összekötve a trafóval, ampermérő és a hátulján egy biztosítékfoglalattal. Amit a hátulján lévő leírásából kivehető: Bemenet: AC 230V 50Hz 160W Kimenet: DC 12V 7,2 A dc gyors töltés 2,2 A dc normál töltés Minimum 20Ah akkumulátorokhoz. Szeretnék belőle ismételten akkumulátor töltőt építeni, tudnátok hozzá ajánlani egy kapcsolási rajzot, nyáktervet, beültetési rajzot. Hogy mit tudjon, automata töltés és talán csepptöltést. Bocs kicsit sokat kérek, de nagyon szeretném megépíteni. Sokat nem konyítok az elektronikához de már építettem egy PWM-et vízbontáshoz és azóta is működik ![]() Segítségeteket előre is köszönöm! Tisztelettel: Darfol A hozzászólás módosítva: Jan 8, 2014
Keress egy szimpatikus kapcsolást itt a képek között.
Üdv!
Ez tökéletesen megfelelne szinte mindent tud. De az én trafóm a 230V oldalon 3 vezetékes azon van a normál és gyors töltés választó kapcsoló bekötve. Tehát a 230V ághoz nem nyúlt senki. A "12 V" oldalon minden hiányzik, a trafóból három vezeték jön ki, két vezeték egybeforrasztva a harmadik egyedül árválkodik . Valamikor régebben megmértem, pontosan nem tudom 23 - 24 V mértem de megmérem majd, mert ahogy utána olvastam fontos adat.Köszönöm!
Hello! Ha megnézed, a kapcsolást, akkor láthatod, hogy a Maximum és minimum feszültség középértékénél, kell a két poti közös pont feszültségének a zéner feszültségét kiadni. (Nem adtad meg a beállítandó minimumot, csak a maximumot. Ha mondjuk az egyszerűség kedvéért a maximum 29V, a minimum 22V, akkor a középértéke ennek 25,5V.
- Ha a zéner feszültsége 12V, akkor az R2+P2-őn kell, ennek a 12V feszültségnek lenni. Ezzel ki lehet számolni az osztó áramát. I=Uz/(R2+P2)=12V/(10k+5k)=0,8mA. - Az osztó felső tagját képviselő R1+P1 ellenállásán a feszültség ekkor 25,5V-12V=13,5V. Az áram, mint számoltuk, 0,8mA. A felső tag ellenállása így R=U/I=13,5V/0,8mA=16,9kohm. ebből a potid 5k, vagy is R1=R-P1=16,9k-5k=11,9kohm. Vagy is így P1-nek 12kohm-ot kell választani. Most lehet a potik állásához tartozó kapcsolási értéket számolni. A középértéket nem kell, mert ahhoz számoltuk a 25,5V-ot. Vagy is ettől a feszültségtől felfelé és lefelé lehet állítani a komparátort. Nézzük, a maximumot: - Ekkor a P2 le van tekerve. Az osztó alsó tagja az R2, felső, pedig R1+P1+P2 lesz. Komparálás akkor van ha az R2-ön van a 12V. Az áram így I=U2/R2=12V/10k=1,2mA. - Felső tagon a feszültség, ekkor U=I*(R1+P1+P2)=1,2mA*(12k+5k+5k)=26,4V - Az aksi feszültsége az alsó tag és a felső tag feszültségének összege. Umax=12V+26,4V=38,4V. Vagy is a maximumot, 25,5V..38,4V-ig lehet állítani. Nézzük a minimumot: - Ekkor a P1-et fel van tekerve. Az osztó alsó tagja R2+P2+P1. Felső tagja R1. Alsó tagon nézzük az áramot. I=Uz/(R2+P2+P1)=12V/(10k+5k+5k)=0,6mA. A felső tag feszültsége U=R1*I=12k*0,6mA=7,2V. - Az aksi feszültsége ekkor szintén a két tag összege vagy is Umin=12V+7,2V=19,2V. Vagy is a minimumot 25,5V..19,2V között állítható be. Remélem ez alapján, már ki tudod számolni a megfelelő ellenállás értékeket. Mivel Te a potik ellenállását két és félszeresére emelted, a szabályozási tartomány is nőt. Ha ez nem tetszik, akkor célszerű, az R2 értékét is ennyivel növelni, és ahhoz számolni R1 értékét a mutatott módszer szerint. üdv!
Üdv!
Viszont ez számomra egyszerűbbnek látszik, de lehet tévedek.
Hello!
Ugyan ez a töltőm van (volt), nekem menetzárlatos lett a trafó. A szekunderén 12,9V-ot mértem, ezzel pedig ugye 12V-os aksit tölteni nem lehet. Meg van a kapcsolási rajza is, csatoltam. A kérdéses ellenállás a rajzon 2x0,1 ohm 5W, ezért van ott két ellenálláshely is kialakítva. Az enyémbe 1 db 0,05 ohm 5W van építve, ami az előzőekből érthető is, tehát mindenképp sok oda a 2,2 ohm. Cseréld ki az ellenállást és a trafód szekunderét is mérd meg, hátha úgy jártál mint én
Üdv!
Igazad van dönteni nekem kell. Viszont előszedtem a volt akkumulátor töltőt (ami maradt belőle). Rosszul emlékeztem rá. A kimeneti oldalon három vezeték van jobb és bal oldalon egy-egy vezeték a középső van egybetekerve, forrasztva. Ma megmértem és gyorst öltésre kapcsolva 11,6 V mértem úgy, hogy a középső vezetékhez képest jobbra és balra lévő vezetékeken mértem. Normál töltésre kapcsolva 9,8 V. Viszont megmértem úgy is, hogy a két szélső vezetéken mértem csak, így gyors töltésen 23,6 V míg normálra kapcsolva 20 V. Remélem jó ez a trafó építéshez. Ez mellet a kapcsolás mellet döntöttem és ennek a megépítésében szeretném kérni a segítséget. Segítséget és a választ, válaszokat előre is köszönöm! Tisztelettel: Darfol
Üdvözlet Mindenkinek.
Első sorba Proli007-nek írok, mert az ő általa tervezett kapcsolást építettem meg. Működik is rendesen ahogy kell. Most a dobozolásnál tartok és segéd táphoz használt 8V-os trafó helyett egy 2x9V-os Puskás trafót építenék be mert a másik 9V kellene a digitális műszerhez. Viszont terhelés nélkül 11.5V-ot mérek rajta. Nem okoz ez problémát a töltő kapcsolásában?
Ehhez a trafóhoz ne építs csoda elektronikát! Ha csak a diódák vannak a kimenetén, lehet vele tölteni. Bármi szabályzást akarsz, ahhoz kevés a feszültsége. Legfeljebb FET-es PWM-mel lehet szabályozni illetve korlátozni a töltőáramot. A középkivezetés > kétutas egyenirányítás miatt csak egy dióda nyitófeszültség esik a kimenőfeszültségből, így használható.
Már az is egy érdekes jellemző, hogy az előlapon "12 Volt 10 Amp" szerepel, miközben a max. töltőáram 7,2 A.
Hello! A feszültség különbség, csak annyi problémát okozhat, hogy melegedhet az 5V-os stabi. De a külön trafóval képződhet más gond is. Az áramkör ezt a feszültséget használja a fázishasításos jel szinkronizációjához. Ha a "főtrafó" és a Puskás között a fázistolás jelentős, akkor az vezérlési gondokat fog okozni.. De ezt csak akkor tudod meg, ha kipróbálod. üdv!
Hello! Köszönöm a gyors választ. Eddig is külön trafóról működött csak az nem volt ilyen nagy feszültségű. Igazad van majd kipróbálom, a stabit meg hűtőbordára teszem.
Üdv!
Az ég adta világon semmi nincsen a transzformátoron kívül az akkumulátor töltő házban. Se egyenirányító sem pedig elektronika. Valaki kibelezte. A 23 V kevés (váltó) és az elöbbi hozzászólásomban is váltófeszrő beszéltem, bocs de ez lemaradt. A hozzászólás módosítva: Jan 9, 2014
Üdv!
Valami ilyesféle elektronika lehetett benne itt mert vannak az ampermérő alatt kis lábak mire a nyák volt szerintem felfogatva, elején két led is lehetett, egy Full és egy Reverse felirat van a nyílások alatt.
Sziasztok!
Segitséget szeretnék kérni tőletek egy régi 12v akkutöltő bekötéséhez! A gyári trafó régebben szénné égett benne,most bele lett téve egy szintén régebbi nagy rádió trafója amin van egy piros,egy fekete(fázis-nulla),és egy zöld amire nem lett kötve semmi,a trafó másik felén két piros szál megy az egyenirányitókhoz itt vagyok elakadva,erről tennék fel képet!Az a gond,hogy az egyenirányitókról lejövő áramot mérve multiméterrel lehet dc illetve ac módban is mérni mindkettő esetben 7 v körüli értéket mutat!Egy másik használatban lévő aksi töltőt mérve csak dc módban mutatja az értéket,ebből gondolom,hogy nem jól van valami bekötve!? Nem aksi töltésre szeretném használni,hanem egy 12v -os ablaktörlő motort szeretnék PWM szabályzón keresztül forgatni! Köszönöm a segitséget!
Hello! Az még nem biztos, hogy jelent valamit, hogy a műszer DC és AC-ben is mér. Ugyan is ott hullámzó egyenfeszültség van, amit a műszer annak néz aminek akar.
Tegyél a DC-re szűrőkondit. Akkor csak egyen lesz rajta. Valamint a feszültség sem ennyi lesz. (Trafót egyenirányítót nem mérünk minimális terhelés nélkül, mert átver a műszer!) Amúgy kép nincs.üdv!
Mértem a V-ot miközben forgatta a motort ekkor olyan 17 voltot mutatott!
A képeket csak most csináltam!
Akkor nincs gond. Amúgy a motor, mikor jár, visszaindukálja azt a feszültséget, és azért mérhető. üdv!
Tehát akkor nem fogja hazavágni a PWM szabályzómat?
Csak még az a problémám,hogy a PWM szabályzóm 9-55 volt között működik,nemtudom milessz ha rákötöm a 7v-ot? |
Bejelentkezés
Hirdetés |

























