Fórum témák

» Több friss téma
Fórum » Li-Po - Li-ion akkumulátor és töltője
 
Témaindító: yokesz, idő: Máj 30, 2006
Témakörök:
Lapozás: OK   71 / 336
(#) Prome hozzászólása Márc 7, 2014 /
 
Felmerült egy mellék kérdés:
Ha egy lipó akkura CREE ledet kötök, s az több áramot vesz fel mint amit az akkunak a C érték szerint le szabadna adni, akkor az akku ugye tönkremegy.
Ha azonban a led villog mondjuk 30 Hz-el, s kb. a fele a kitöltési tényező, akkor az akku tönkremegy mert z ideje felében több áramot ad le, s hiába nincs a másik felénél áramleadás, vagy pedig ilyenkor átlagolódik, s úgy számít neki, mintha fele annyi - még megfelelő - áramot adna le?
(#) nedudgi válasza Prome hozzászólására (») Márc 7, 2014 /
 
Idézet:
„Ha egy lipó akkura CREE ledet kötök, s az több áramot vesz fel mint amit az akkunak a C érték szerint le szabadna adni, akkor az akku ugye tönkremegy.”
Ez így, ebben a formában igaz ugyan, de... Komoly feladat olyan LiPo akkumulátor és Cree LED párost találni, amelyik megfelel a feltételeidnek. A LiPo akku az 1-2C áramot az esetek túlnyomó többségében elviseli komolyabb károsodás nélkül. Tehát keresni kell olyan Cree LED-et amelyik ezt az áramot kibírja. Ráadásul, hogy a LEDnek se legyen baja, megfelelő méretű hűtőfelületet kell kapnia, hogy a réteghőmérséklete ne emelkedjen a 65-70 Co fölé.
Idézet:
„Ha azonban a led villog mondjuk 30 Hz-el, s kb. a fele a kitöltési tényező, akkor az akku tönkremegy mert z ideje felében több áramot ad le, s hiába nincs a másik felénél áramleadás, vagy pedig ilyenkor átlagolódik, s úgy számít neki, mintha fele annyi - még megfelelő - áramot adna le?”
Ha jót akarsz magadnak, és a környezetednek, akkor a 30Hz villogást megszorzod százzal, különben oda jutsz, ahol a fénycsöves világítás hőskorában jártunk: fejfájás, fáradtság, rossz közérzet.
A fő kérdés: mennyi ideig akarsz világítani arról az akkumulátorról, mit akarsz megvilágítani?
A hozzászólás módosítva: Márc 7, 2014
(#) noi válasza proli007 hozzászólására (») Márc 7, 2014 /
 
Helló!
Ez a '33mH is megfelelő lesz' is jó ötlet volt Nem is az összeg a gond, hanem az arány. Nem gondoltam, hogy a tekercs többe kerül, mint az összes többi alkatrész. Drága a réz...
Node megvan minden alkatrész (egyetlen boltból), jövőhét elején össze is rakom! Jó hétvégét!
-- Köszönöm, Norbert
(#) Ktulu válasza noi hozzászólására (») Márc 8, 2014 /
 
A rajzon a tranzisztor valószínű BC557, nem BC547.
(#) Prome válasza nedudgi hozzászólására (») Márc 9, 2014 /
 
Nem világítás lesz hanem alkalmi fényjáték.
Hosszas nézése valóban idegborzoló lenne de nem vallatni akarok vele, csak pár perces érdekességeket.
Nem tudom, ez az 1S-es 3.7 Voltos akku vajon mennyi áramot bír károsodás nélkül?
A Kínaiak nem ismerik az adatlap fogalmát...

1316504-2.jpg
    
(#) dpeti válasza Prome hozzászólására (») Márc 9, 2014 /
 
ha nincsen ráírva mennyi a discharge rate, akkor default 1C-sként kezeld, azaz 200mA
(#) Prome válasza dpeti hozzászólására (») Márc 9, 2014 /
 
Hát ez az... Az a CREE ledemet nem bírja ki...
3 Voltnál 1 Ampert vesz fel. (3 Wattos).
Az ugye 1000 mA, messze nem 200...
A kérdés akkor az, ha maximum 20% kitöltési tényezővel hajtom az akkut mondjuk a példa szerinti 30 Hz-el, akkor ez az akku számára 200mA lesz s nem megy tönkre?
És mi van, ha nem így vezérlem, hanem van mondjuk 20 ciklusom, ami hol magas hol alacsony mondjuk 100 Hz-el, s ebből max. 4 magas (20%) de ezek pl. egymás mellett vannak?
A hozzászólás módosítva: Márc 9, 2014
(#) nedudgi válasza Prome hozzászólására (») Márc 9, 2014 /
 
Félek, az 1C is sok lehet. Gondolom, az akkumulátor már megvan, és a mérete is meghatározott.
(#) Prome válasza nedudgi hozzászólására (») Márc 9, 2014 /
 
Jól látom hogy ez 0.2 C?
Olyan nagy baj nincs mert nem a "hiába megvett" kategória, hanem a "máshoz már egy ideje használom", erre is használnám, de nem akarom kinyírni kategória.
Szóval akkor azt mondod erre nem alkalmas.
És az 0.2 C mit is jelent?
Ez hány mA-ral terhelhető akkor?
Jól gondolom, hogy 200*.2=40 mA?
Mondjuk ezt nem értem, mert ez 2 led lenne. Ellenben ez jelenleg villanymotort hajt meg...
A hozzászólás módosítva: Márc 9, 2014
(#) nedudgi válasza Prome hozzászólására (») Márc 9, 2014 /
 
Azért nem kell annyira félteni azt az akkumulátort. Ha nagyobb árammal terheled, az élettartama és kapacitása radikálisan csökken. Legfeljebb száz ciklusnál nem bír többet. A legközelebbi majd olyan típus lehet, ami jobban bírja a strapát.
(#) Prome hozzászólása Márc 9, 2014 /
 
Na jó de nem akarom más eszközöm akkuját tönkretenni...
Ennek semmi értelme nem lenne.
Eleve olyant kell használni ami jó a célnak.
(#) nedudgi válasza Prome hozzászólására (») Márc 9, 2014 /
 
Így van. Keres olyan akkut, ami bírja.
(#) Prome hozzászólása Márc 9, 2014 /
 
Más kérdés:

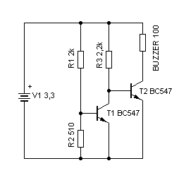
Ennek mi lehet a kapcsolási rajza?

A feladata az, hogy ha 3.3 voltra csökken a lipo feszültsége, akkor elkezdjen sipolni mint az állat.
De úgy kellene megcsinálni, hogy két cellát is mérjen s bármelyik csökken le, sipoljon.

06250009.jpg
    
(#) proli007 válasza Prome hozzászólására (») Márc 10, 2014 / 1
 
Hello! Három ellenállás van benne és nem tudod a rajzát? Pld. ilyen, de az ellenállásokat Te nézd meg mekkorák, mert én nem látom, csak a négert az alagútban..
Két oroszlánt meg úgy kell fogni, hogy ötöt megfogsz és hármat elengedsz..üdv!
A hozzászólás módosítva: Márc 10, 2014
(#) Prome hozzászólása Márc 10, 2014 /
 
Köszi

A funkció számít.
Az alapján kérdezném. S kb. így néz ki ezért a fotó.
Itt is a suly sokat számít.
Buzzernek a közönséges alaplapból kiforrasztott jó?
És akkor ez 3.7 Voltnál nem sipol de 3.3-nál igen?

Lehet magasabb kéne 3.3 Voltnál. Vitáznak hogy a LiPo akkut hány voltig szabad lemeríteni...
(#) Prome hozzászólása Márc 10, 2014 /
 
Most olvasom. 3.7 Voltnál kell sipolnia s a fölött nem. 4.2 V-ról indul.
Ez az áramkőr vajon mennyit fogyaszthat mikor nem sípol?
(#) Prome válasza proli007 hozzászólására (») Márc 10, 2014 /
 
Tudtok esetleg olyan hangkeltő eszközt, ami kisebb ennél az alaplapból kiszerelhetőnél? Mert minden gramm számít. Mi a legkisebb de még hangos hangkeltő eszköz? Két villanymotort kell túlkiabálnia.
A másik, ez a kapcsolás csak példa, de nem jó.
2 cellát kell figyelnie, s bármelyik meg 3.7 Volt alá sípolnia kell.
Viszont a súly miatt jó lenne ha nem kellene az egészet megduplázzni.
(#) nedudgi válasza Prome hozzászólására (») Márc 10, 2014 /
 
Te csukott szemmel repteted azt a helikoptert? Gondolom, kék fény nem világít rajta, tehát használj kék ledet a buzzer helyett, az elég feltűnő. Ki mondta, hogy 3 voltig történő kisütést nem bír el egy LiPo akku? Erre van bizonyítéka is, vagy csak dumál a levegőbe?
(#) Prome válasza nedudgi hozzászólására (») Márc 10, 2014 /
 
Élettartam csökkenésről van szó. Hiába birja el egyszer kétszer ha utána egy hónap után dobhatom ki...
A kék fény tűző napban is látszik?
(#) Prome hozzászólása Márc 10, 2014 /
 
Bizonyíték? Sose közjegyző jelenlétében tölti és használja...
(#) Mec válasza Prome hozzászólására (») Márc 10, 2014 /
 
A 3.7V-os LiPo akkuk névleges feszültsége 3.7V, teljes töltésnél 4.2V, a "gyári" alarmok 3.3V-nál szólalnak meg azt írja a Hobbyking. Evlileg 3V-nál tovább nem szabad meríteni, de ahány helyen olvastam, annyi verzió van.

Komplett alarmok, nekem is ilyen van 2s verzióban, jó hangos:
http://www.hobbyking.com/hobbyking/store/RC_PRODUCT_SEARCH.asp?strS...+alarm
(#) Prome hozzászólása Márc 10, 2014 /
 
hát ez az...
ahány vélemény, annyi verzió.
viszont 2 tranyó, 3 ellenállás s egy rossz alaplapból guberált izé az egész.
cellánként.
itt van a fiókomban darabokban, több idő elmenni érte mint megcsinálni...
(#) nedudgi válasza Prome hozzászólására (») Márc 10, 2014 /
 
Úgy értem a bizonyítékot, hogy gyári adatlap, 10-20 darab akkucellán végzett tesztelés eredménye, vagy valami hasonló. Ha ilyet nem produkál, akkor csak ...
(#) Prome hozzászólása Márc 10, 2014 /
 
Ép ezt írom, a teszteredmény nincs hitelesítve...
De ki az aki közjegyző előtt tölti és repteti a helikoptert?
*
Így a kör bezárul.
Ettől függetlenül én az optimális megoldást keresem, mégcsak nem is a gyárit.
A hozzászólás módosítva: Márc 10, 2014
(#) nedudgi válasza Prome hozzászólására (») Márc 10, 2014 /
 
Nem kell ide közjegyző.
A kínaiak ismerik az adatlap fogalmát.
(#) Prome hozzászólása Márc 10, 2014 /
 
De akkor miért tart sokkal tovább az a LiPo amit csak 3.7 Voltig merítenek?
(#) Prome hozzászólása Márc 10, 2014 /
 
Most akkor tanuljak meg neked hirtelen angolul?
Nem egyszerűbb összerakni 3 ellenállásból és 2 tranzisztorból egy Lipó őrt, mint mások tapasztalatát vitatni?
És hiába tanulok meg angolul attól még nem fogja jobban viselni az LiPo akku a túlmerítést.
(#) Prome válasza nedudgi hozzászólására (») Márc 14, 2014 /
 
Na meg van a CREE led.
3 Wattos.
Megvan a LiPo akku is ami bírja.
800 mA 20C 3.7 V
A kérdésem az, mekkora áramkorlátozó ellenállás kell hozzá?
2 Cellás akku (7.4V) de 2 CREE led lesz 1-1 celláján
(#) Prome válasza Prome hozzászólására (») Márc 14, 2014 /
 
5 ohm jött ki. Ez lehetséges?
(#) Barret hozzászólása Márc 15, 2014 /
 
Meddig lehet feltölteni egy 3,7v-os akksit?
Próbálta már valaki?
4,32-nél járok,és még megy feljebb.
Teljesen hideg.
Következő: »»   71 / 336
Bejelentkezés

Belépés

Hirdetés
XDT.hu
Az oldalon sütiket használunk a helyes működéshez. Bővebb információt az adatvédelmi szabályzatban olvashatsz. Megértettem