Fórum témák
» Több friss téma |
Sziasztok!
(Analóg áramköri téren elég kezdő vagyok, ezért előre kérem a türelmeteket ha sokat kérdezek) Nos, az én problémám a következő: Adott egy viaszkés (12vAC trafóról, 0.570A átmenő áramerősséggel) Kérdésem, hogy miként oldható meg a fesz. szabályzás nagyjából 4-6vAC kezdő és 12vAC végfeszültség között? Potméteres vezérlés kell, de ha nem IC-vel oldom meg, hanem a potméterrel direkten szabályzok akkor kell vagy 10W-os huzalpoti az pedig nem fér el. Van esetleg egy olcsó kapcsolás ötletetek amiben IC, poti és pár kondi+ellenállás kell csak? Már ha Váltóáramot lehet így szabályozni?! Köszönöm, Richárd
Bizonyara van meg mit tanulnom... milyen az a viaszkés izé? Egy trafo fajta vagy szabalyozasi forma? Az ellentmondas azert van szamomra, mert a topic cime: "Viaszkés (AC) feszültségszabályzás", ez egy szabalyozasi format sugall. Viszont kesobb: "Adott egy viaszkés (12vAC trafóról, 0.570A átmenő áramerősséggel)" ez viszont egy trafo tipusra utal?
Szia,
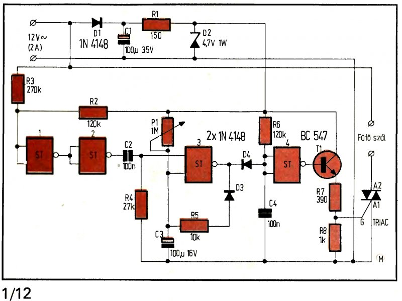
keress rá itt a „Habvágó építése” topicra, a harmadik oldalon ott a kapcsolási rajz.
Viaszkés. Hogy lenne az trafó fajta?! Nem értjük egymást
Á csak egy kicsit kötődik, ezen az esti órán az "újonccal"...
Inkább adtál volna neki egy linket: De hogy on is legyek:Itt a rajz, ami kell hozzá A hozzászólás módosítva: Márc 23, 2014
Gondoltam, azért nem akartam felkapni a vizet. Azt kérném, hogy aki csak kötekedni akar, az írjon PM-et és mások felzaklatása nélkül lejátszhatjuk.
Egy kicsit egyszerűbbet esetleg? IC-vel nem lehet játszani? A hozzászólás módosítva: Márc 23, 2014
Az előző irományomban ott van a rajz is, időközben módosítottam.
A 4db ST jelölésű elemek mit takarnak?
És az R1 mellett jobbra milyen típusú diódát jelöl a rajz?
Összesen négy invertáló schmidt trigger egy tokban mondjuk Cd4013 tipus.
A dióda lehet 1W teljesítményű zener, például ZY 4V7 A hozzászólás módosítva: Márc 23, 2014
Meddig terhelhető KB (Betáp 2A, addig?)
Hány Voltig szabályoz le? Mi lenne, ha csak natúrba sorba kötnék egy 5 wattos, 10 ohmos potit a késsel? Működne váltóárammal? A hozzászólás módosítva: Márc 23, 2014
A terhelhetőséget elsősorban az alkalmazott transzformátor teljesítménye, és a triak paraméterei határozzák meg.
Mindenesetre egy viaszkéshez bőven sok is... Nem a "volt-tól- volt-ig tartomány az érdekes, hanem az áram folyási szöge. Az viszont nagyon széles határok közt változtatható, és így a kés hőmérséklete is a pincehidegtől a viaszcseppentésig akárhová is beállítható.
Úgy is működne, csak a potit jó távol kell tenni a viasztól.
Külön fémházban lesz.
![]() Akkor holnap megpróbálok bevásárolni egy komolyabb potit, ha nincs akkor megépítem valahogy amit küldtél.
Ha egésznapos használatra kell, akkor az elektronikusat , de ha csak alkalmanként, akkor a sima potis kivitelt kell választani.
Hello! Jó poti, lehet drágább lesz, mint az áramkör. De Mex CD4093-at szeretett volna írni.. üdv!
Rendben, köszönöm a segítséget urak!
IC terén bevallom én is agyaltam, mert a sematikus ábráját nézve másnak tűnt.
Hello!
Ha a potit szabályozható ellenállásként kötöd be, akkor kicsi a változtathatóság. kb. 8..12V. Ha feszültségosztóként, akkor 14..21W lesz rajta a terhelhetőség. Lévén hogy a poti ellenállása 12V/0,57A=21ohm a poti meg 10ohm-os. üdv!
Nem teljesen értem, bocs.
Egy kicsit kifejtenéd bővebben?
Miért, ez a potméteres megoldás nem működhet?
Nekem az lenne a legegyszerűbb, de már annyira bekavarodtam, hogy azt sem tudom milyet vegyek és hogyan kell bekötni... :/ A hozzászólás módosítva: Márc 24, 2014
Szia.
Olvasom a bonyolódást... Mindenesetre köszönöm proli-nak a javítást, valóban elnéztem az ic számozását. Neked csak annyit: tényleg mérlegelni kellene a használatok számát, és ettől kell függővé tenni a kés táplálását. Jó a poti is, csak drága, meleg, és időnként büdös is lehet. A 10 ohm- al szerintem sorba kell kötnöd a kést, és próba. Ha esetleg van az asztalfiókban 10 ohm körüli és 5W terhelhetőségű ellenállásod, akkor először azzal kellene próbálkozni, tudnál viszonyítani (még a poti vásárlás előtt).
Eredőben talán össze tudok hozni, mert van itt sok 5 és 10 wattos 0.22-1 Ohmosom.
Most mindent mérlegelve, a te kapcsolásod lenne a legjobb, de az hogy működne konkrétan? Fázisszögeltolással?!
Nem az én kapcsolásom, szerintem valamelyik ezermesterből való, és a habvágós topicban található. Mindenesetre igen, a triac gyújtását állítja be széles szögtartományban.
Áruld el már mihez használnád?
Tényleg viaszkéshez kell!
![]() Megépítem valahogy. Multival ha mérem, akkor feszültségcsökkenést tapasztalok? A hozzászólás módosítva: Márc 24, 2014
Igen, de jobban jársz, egy analóg voltmérővel, sokkal "képiesebb".
Viszont a legpraktikusabb a kés hőmérsékletének mérése. Javítottam pár elektronikát régebben, azok primer oldali szabályzásúak voltak, olyasmi mint a köbzoli által linkelt rajz. A hozzászólás módosítva: Márc 24, 2014
A CD4093-as IC-n a Vdd és a Vss lábakat nem kell bekötnöm?
A hozzászólás módosítva: Márc 24, 2014
Ha nem kötöd be, akkor nem kap tápot...Tudod ez annyira egyértelmű, hogy nem is mindig tüntetik fel a kapcsolási rajzon.
A hozzászólás módosítva: Márc 24, 2014
Bocs
Nekem ez még olyan mint a kotta, de amíg lesznek hozzád hasonló segítőkész emberek, addig van esélyem beletanulni.Honnan kap tápot? Mármint hány voltot?
Hello! A hibát ott követted el, hogy amikor a potiti a fűtéssel sorba kapcsolod, az eredő ellenállás a kettő ellenállásának összege lesz . Vagy is 31ohm. A 12V feszültsége mellet ekkor 12V/31ohm=0,387A lesz. Nálad meg az áram változatlan maradt. Az 5,7V-ot sem tudom honnan vetted, mert ekkora áramnál a 10ohm-on 3,87V feszültség esik.. üdv!
|
Bejelentkezés
Hirdetés |





IC-vel nem lehet játszani? 





