Fórum témák

» Több friss téma
Fórum » Viaszkéshez feszültségszabályozó
Lapozás: OK   1 / 1
(#) Ricas hozzászólása Márc 23, 2014 /
 
Sziasztok!

(Analóg áramköri téren elég kezdő vagyok, ezért előre kérem a türelmeteket ha sokat kérdezek)
Nos, az én problémám a következő:
Adott egy viaszkés (12vAC trafóról, 0.570A átmenő áramerősséggel)
Kérdésem, hogy miként oldható meg a fesz. szabályzás nagyjából 4-6vAC kezdő és 12vAC végfeszültség között? Potméteres vezérlés kell, de ha nem IC-vel oldom meg, hanem a potméterrel direkten szabályzok akkor kell vagy 10W-os huzalpoti az pedig nem fér el.
Van esetleg egy olcsó kapcsolás ötletetek amiben IC, poti és pár kondi+ellenállás kell csak? Már ha Váltóáramot lehet így szabályozni?!

Köszönöm,
Richárd
(#) Saggitarius válasza Ricas hozzászólására (») Márc 23, 2014 1 /
 
Bizonyara van meg mit tanulnom... milyen az a viaszkés izé? Egy trafo fajta vagy szabalyozasi forma? Az ellentmondas azert van szamomra, mert a topic cime: "Viaszkés (AC) feszültségszabályzás", ez egy szabalyozasi format sugall. Viszont kesobb: "Adott egy viaszkés (12vAC trafóról, 0.570A átmenő áramerősséggel)" ez viszont egy trafo tipusra utal?
(#) Gabi válasza Ricas hozzászólására (») Márc 23, 2014 / 1
 
Szia,
keress rá itt a „Habvágó építése” topicra, a harmadik oldalon ott a kapcsolási rajz.
(#) Ricas válasza Saggitarius hozzászólására (») Márc 23, 2014 /
 
Viaszkés. Hogy lenne az trafó fajta?! Nem értjük egymást
(#) mex válasza Ricas hozzászólására (») Márc 23, 2014 / 1
 
Á csak egy kicsit kötődik, ezen az esti órán az "újonccal"...
Inkább adtál volna neki egy linket:

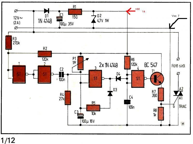
De hogy on is legyek:Itt a rajz, ami kell hozzá
A hozzászólás módosítva: Márc 23, 2014
(#) Ricas válasza mex hozzászólására (») Márc 23, 2014 /
 
Gondoltam, azért nem akartam felkapni a vizet. Azt kérném, hogy aki csak kötekedni akar, az írjon PM-et és mások felzaklatása nélkül lejátszhatjuk.

Egy kicsit egyszerűbbet esetleg? IC-vel nem lehet játszani?
A hozzászólás módosítva: Márc 23, 2014
(#) mex válasza Ricas hozzászólására (») Márc 23, 2014 /
 
Az előző irományomban ott van a rajz is, időközben módosítottam.
(#) Ricas válasza mex hozzászólására (») Márc 23, 2014 /
 
A 4db ST jelölésű elemek mit takarnak?
És az R1 mellett jobbra milyen típusú diódát jelöl a rajz?
(#) mex válasza Ricas hozzászólására (») Márc 23, 2014 /
 
Összesen négy invertáló schmidt trigger egy tokban mondjuk Cd4013 tipus.
A dióda lehet 1W teljesítményű zener, például ZY 4V7
A hozzászólás módosítva: Márc 23, 2014
(#) Ricas válasza mex hozzászólására (») Márc 23, 2014 /
 
Meddig terhelhető KB (Betáp 2A, addig?)
Hány Voltig szabályoz le?

Mi lenne, ha csak natúrba sorba kötnék egy 5 wattos, 10 ohmos potit a késsel? Működne váltóárammal?
A hozzászólás módosítva: Márc 23, 2014
(#) mex válasza Ricas hozzászólására (») Márc 23, 2014 /
 
A terhelhetőséget elsősorban az alkalmazott transzformátor teljesítménye, és a triak paraméterei határozzák meg.
Mindenesetre egy viaszkéshez bőven sok is...
Nem a "volt-tól- volt-ig tartomány az érdekes, hanem az áram folyási szöge. Az viszont nagyon széles határok közt változtatható, és így a kés hőmérséklete is a pincehidegtől a viaszcseppentésig akárhová is beállítható.
(#) mex válasza Ricas hozzászólására (») Márc 23, 2014 /
 
Úgy is működne, csak a potit jó távol kell tenni a viasztól.
(#) Ricas válasza mex hozzászólására (») Márc 23, 2014 /
 
Külön fémházban lesz.

Akkor holnap megpróbálok bevásárolni egy komolyabb potit, ha nincs akkor megépítem valahogy amit küldtél.
(#) mex válasza Ricas hozzászólására (») Márc 23, 2014 / 1
 
Ha egésznapos használatra kell, akkor az elektronikusat , de ha csak alkalmanként, akkor a sima potis kivitelt kell választani.
(#) proli007 válasza Ricas hozzászólására (») Márc 24, 2014 / 1
 
Hello! Jó poti, lehet drágább lesz, mint az áramkör. De Mex CD4093-at szeretett volna írni.. üdv!
(#) Ricas válasza proli007 hozzászólására (») Márc 24, 2014 /
 
Rendben, köszönöm a segítséget urak! IC terén bevallom én is agyaltam, mert a sematikus ábráját nézve másnak tűnt.
(#) Ricas hozzászólása Márc 24, 2014 /
 
Szerintetek ez megfelelő? POT4W-10R

Illetve jók a számítások? (mellék)

poti.PNG
    
(#) proli007 válasza Ricas hozzászólására (») Márc 24, 2014 /
 
Hello!
Ha a potit szabályozható ellenállásként kötöd be, akkor kicsi a változtathatóság. kb. 8..12V.
Ha feszültségosztóként, akkor 14..21W lesz rajta a terhelhetőség. Lévén hogy a poti ellenállása 12V/0,57A=21ohm a poti meg 10ohm-os. üdv!
(#) Ricas válasza proli007 hozzászólására (») Márc 24, 2014 /
 
Nem teljesen értem, bocs. Egy kicsit kifejtenéd bővebben?
(#) Ricas válasza (Felhasználó 13571) hozzászólására (») Márc 24, 2014 /
 
Miért, ez a potméteres megoldás nem működhet?
Nekem az lenne a legegyszerűbb, de már annyira bekavarodtam, hogy azt sem tudom milyet vegyek és hogyan kell bekötni... :/
A hozzászólás módosítva: Márc 24, 2014
(#) mex válasza Ricas hozzászólására (») Márc 24, 2014 / 1
 
Szia.
Olvasom a bonyolódást...
Mindenesetre köszönöm proli-nak a javítást, valóban elnéztem az ic számozását.
Neked csak annyit: tényleg mérlegelni kellene a használatok számát, és ettől kell függővé tenni a kés táplálását.
Jó a poti is, csak drága, meleg, és időnként büdös is lehet. A 10 ohm- al szerintem sorba kell kötnöd a kést, és próba.
Ha esetleg van az asztalfiókban 10 ohm körüli és 5W terhelhetőségű ellenállásod, akkor először azzal kellene próbálkozni, tudnál viszonyítani (még a poti vásárlás előtt).
(#) Ricas válasza mex hozzászólására (») Márc 24, 2014 /
 
Eredőben talán össze tudok hozni, mert van itt sok 5 és 10 wattos 0.22-1 Ohmosom.

Most mindent mérlegelve, a te kapcsolásod lenne a legjobb, de az hogy működne konkrétan? Fázisszögeltolással?!
(#) mex válasza Ricas hozzászólására (») Márc 24, 2014 / 1
 
Nem az én kapcsolásom, szerintem valamelyik ezermesterből való, és a habvágós topicban található. Mindenesetre igen, a triac gyújtását állítja be széles szögtartományban.
Áruld el már mihez használnád?
(#) Ricas válasza mex hozzászólására (») Márc 24, 2014 /
 
Tényleg viaszkéshez kell!

Megépítem valahogy. Multival ha mérem, akkor feszültségcsökkenést tapasztalok?
A hozzászólás módosítva: Márc 24, 2014
(#) mex válasza Ricas hozzászólására (») Márc 24, 2014 /
 
Igen, de jobban jársz, egy analóg voltmérővel, sokkal "képiesebb".
Viszont a legpraktikusabb a kés hőmérsékletének mérése.
Javítottam pár elektronikát régebben, azok primer oldali szabályzásúak voltak, olyasmi mint a köbzoli által linkelt rajz.
A hozzászólás módosítva: Márc 24, 2014
(#) Ricas válasza mex hozzászólására (») Márc 24, 2014 /
 
A CD4093-as IC-n a Vdd és a Vss lábakat nem kell bekötnöm?
A hozzászólás módosítva: Márc 24, 2014
(#) mex válasza Ricas hozzászólására (») Márc 24, 2014 /
 
Ha nem kötöd be, akkor nem kap tápot...Tudod ez annyira egyértelmű, hogy nem is mindig tüntetik fel a kapcsolási rajzon.
A hozzászólás módosítva: Márc 24, 2014
(#) Ricas válasza mex hozzászólására (») Márc 24, 2014 /
 
Bocs Nekem ez még olyan mint a kotta, de amíg lesznek hozzád hasonló segítőkész emberek, addig van esélyem beletanulni.

Honnan kap tápot? Mármint hány voltot?
(#) mex válasza Ricas hozzászólására (») Márc 24, 2014 /
 
4.7V a stabilizált táp.
(#) proli007 válasza Ricas hozzászólására (») Márc 24, 2014 /
 
Hello! A hibát ott követted el, hogy amikor a potiti a fűtéssel sorba kapcsolod, az eredő ellenállás a kettő ellenállásának összege lesz . Vagy is 31ohm. A 12V feszültsége mellet ekkor 12V/31ohm=0,387A lesz. Nálad meg az áram változatlan maradt. Az 5,7V-ot sem tudom honnan vetted, mert ekkora áramnál a 10ohm-on 3,87V feszültség esik.. üdv!
Következő: »»   1 / 1
Bejelentkezés

Belépés

Hirdetés
XDT.hu
Az oldalon sütiket használunk a helyes működéshez. Bővebb információt az adatvédelmi szabályzatban olvashatsz. Megértettem