Fórum témák
» Több friss téma |
Amik két funkciósak, azok nem, mert olvadó szál van bennük.
A regenerálódó (visszaálló) hőbiztosítót klixon-nak (is) hívják. A túláram megszűnése után visszaállót pedig multifuse néven keresd. A hozzászólás módosítva: Márc 28, 2014
Sziasztok!
Tudja valaki hogy mi ez az alkatrész, vagy mire való?
Szia!
Ez egy túlfeszültségvédő. Bővebben: Link.
Szia!
Köszönöm. Kerestem a gugliban, de úgy látszik rosszul.Köszi.
Hali
Az a 47 µF-os kondi mutatja, hova megy a 24 v (+) (-). A többi lábat elkezded egy kb 600 ohmos ellenállással testre húzogatni, valamelyiknél fel kell, hogy pörögjön. De, ez önmagában nem fog stabilan működni szerintem, mert a pontos fordulatot a nyomtató vezérlője szabályozza. Szóval vigyázz, mert esélyes, hogy addig pörög amíg szét nem szakad. Üdv
Azt hiszem egy az egyben semmivel. De stabkocka + teljesítménytranzisztor kombinációval pótolható, ha van elég hely a beépítésre.
Hello! De azt tegyük hozzá, hogy akkor a "Low Dropout" már megszűnt.. üdv!
Beállítható kivitelnél sok értelme nincs az LDO-nak...
Idézet: Leszámítva azt az esetet, amikor kevés a feszültségtartaléka az áramforrásnak. „Beállítható kivitelnél sok értelme nincs az LDO-nak...” A hozzászólás módosítva: Márc 29, 2014
Én inkább úgy fogalmaznék, hogy megnövekedett a dropout az UBE értékével. Az eredő droput feszültség még mindig jobb lehet, mint egy hagyományos stabilizátornál.
Sziasztok.
**** Apróba tedd fel! -moderátor- A hozzászólás módosítva: Márc 29, 2014
Mondjuk: LM1084-ADJ a L@mex -től: [32-16-90].
Sziasztok! Még egyszer mert ez előző kérdés eltűnt! A pirossal jelölt alkatrész mi lehet? Be lehet itthon szerezni vagy helyettesíteni mással? 10 darab van belőle a fordulatszám szabályzón és az egyiknek el van színeződve a hűtőfelülete.
Beszerezhető valahol ilyen? Vagy ennek megfelelő?
Az ebay-on megrendelheted, kb. 3 dollár. De biztosan máshol is van. Helyettesítő példányt (cross reference) nem találtam.
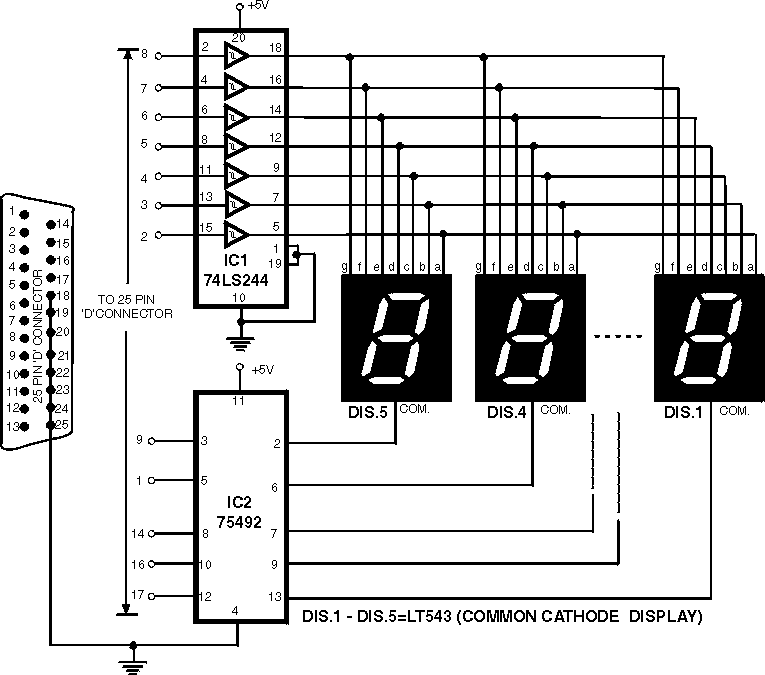
Üdv Mindenkinek!sürgős segítség kellene,mert nem találok semmit,sehol 75492-t mivel tudom helyettesíteni?Mellékelem a rajzot,hátha úgy könnyebb,vagy más megoldás is szóba jöhetne.Előre is köszönöm.
Ez csak 6db inverter-meghajtó kapu.
Szerintem ezt kiválthatod valamilyen NPN tranzisztormezővel, vagy 6db NPN tranzisztorral.
Az IRF3205Z majdnem pont azonos (0.5mOhm-al nagyobb az RDS-e), de jóval nagyobb áramot elvisz. Még nála is robosztusabb a IRL2203N, de csak +-16V a gatefesz. maximuma, szóval ha nem olyan nagy, az is vidáman megfelel. Gondolom, hídban, kapcsolóüzemben működnek. Külföldről csak ezért ne rendelj, itthon kb. 400 forint, szerintem sok helyen kapni. Ha jellemző az égés és a hiba, akkor a hűtést kell javítani, mondjuk egy-egy hűtőbordával vagy szellős dobozzal.
A hozzászólás módosítva: Márc 31, 2014
Idézet: 250ma tud, azért akármi nem jó helyette. A 7 szegmensesek közös katódosak NPN tranyóval kéne egy rajz hogy gondoltad. Szerintem talán ezzel kéne kitalálni valamit Bővebben: Link „Ez csak 6db inverter-meghajtó kapu”
Igen, ez jó helyette, de az LS244 kimeneteivel kell soros - legalább 100ohm - ellenállás, mert nincs előtétje a LED-eknek!
Nem igazán vagyok otthon az ilyen témákban sajnos. A szellős doboz megoldott mert a kaszni alatt nincs leburkolva egyáltalán. A képen látszik a hűtőborda is. De van csatlakozási pont ventillátornak rajta. 7,2v-s akkuról megy egyébként. Nem tudom hogy ez így mond-e valamit arra hogy amit linkeltél az megfelelő-e.
És így néz ki alulról.
Sziasztok!
Kellene egy gyors segítség, Ebbe a kapcsolásba közös anódos vagy közös katódos kijelzők kellenek? A cikk szerint közös katódos de szerintem közös anódos! Köszönöm! Bővebben: Link A hozzászólás módosítva: Márc 31, 2014
|
Bejelentkezés
Hirdetés |















