Fórum témák
» Több friss téma |
Szia! Az áramkörön érdemes egy kicsit még változtatni e hiba kiküszöbölésére, mégpedig az ami nálam is jelentkezet, hogy a kisütés pillanatában lerántja az egész áramkört. Az 555 ös körök felé be kéne tenni egy diódát és egy 2200µF 36V kondit. Ezt Zolibával és Reloop Pistivel kibeszéltük. Mondjuk én mást építettem, de ez a jelenség volt kb. Nálam az Attiny85 kontrollert rántotta le. Szerintem Zoli ezen is dolgozik még.
Az a furcsa hogy amíg 7812-vel volt stabilizálva az 555-nek az áram addig 24VAC-ról hibátlanul ment. Most hogy zeneresre alakítottam, 28VAC miatt, így csinálja ezt csak, de majd kipróbálom az ötletet, csak még nincs nyersanyag.
Jelentem megoldottam a dolgot
a potival sorba kötöttem még 300k-t és igy kb 1hz-re esett vissza a freki. Nem a legjobb megoldás, de a célnak megfelel. Köszönöm a segítségét mindenkinek!
Érdeklődnék, hogy mi a véleményetek a hálózati transzformátor kiváltásáról egy kapcsolóüzemű rezonáns tápegységre. (akár skori, vagy cinopata leírása alapján) Sajnos a transzformátorok ára igencsak felugrott. Az alternatív beszerzési források meg igen beszűkülnek
Az a baj hogy a 2x100va toroid így is kb 60 fokra felmelegszik, bár csak az egyik tekercsét használom. Lehet párhuzamosan kellene kötnöm?
Sziasztok! Beszéltem ma a F.rex céggel a 60e forintos szulfátoldóról. Pár kérdésem volt a tőltővel kapcsolatban. Első kérdésem az volt, hogy csinálja a szulfátoldást? Válasz: 16V tal és 100Hz el tőltik 24 órán keresztül és már kész is. Persze ők is azt mondták, hogy teljesen 10V ig le kell meríteni az akkumulátort. Állítólag 1500 darab akkut mentenek meg évente ezzel a tőltővel a cégüknél. Innen kezdeve, én elveszítettem a fonalat.
Üdv. Mindenkinek
Ja és még azt megkérdeztem, hogy érdemes e megismételni vele a tőltést, annyit mondott, hogy nem, mert a másodiknál már nagyon kicsi a további javulás.
Hát megmondom öszintén, a kapcsolásodban vagy kapcsolásotokban jobban hiszek. Kellett volna a belsejéről képet kérnem. A hozzászólás módosítva: Ápr 10, 2014
http://www.desulfatorsystems.com/howitworks.htm
Itt valami olyasmiről írnak, hogy 10-100kHz el tőltik, vagy bombázzák az akksit. Lehet, hogy megkéne próbálni kapcsüzemű táppal tőlteni kondenzátorok nélkül, vagy építeni hozzá egy állítható PWM et. Szóljatok rám, ha rosszakat írok. ![]() Lehet, hogy a F.rexes is 100kHz et akart mondani. A hozzászólás módosítva: Ápr 11, 2014
Szép napot!
Meddig kell "tölteni" az akkut? Ugye feszt nem nagyon lehet rendesen mérni. Honnan tudom, hogy használt az akkunak? Eddig egy izzóval megterhelve 12.6v-on, leesett a fesz 12v alá és a varázsszem (vagy mi a csuda) piros volt,akár hogy töltöttem. Tegnap ez zölddé vált, de mérni már nem volt időm. Ez azt jelentheti, hogy javult/megjavult?
Nem, ha az a Forexes 60eFt-os, ami nekünk van, akkor sima analóg technika, nincs benne sok minden. 100Hz lesz az, sima trafó, Graetz-es egyenirányítás, áteresztő tranzisztorok és figyelő elektronika, melegszik is rendesen. Sok eredményt nem tudunk felmutatni vele.
Egyébként anno, mikor én beszéltem velük, rendszerről volt szó. Nem ez a töltő, hanem egy komoly "doboz", a merítő és a regeneráló töltő egyben, LCD kijelző, programozható ciklusszám. Ugyanis akkoriban azt mondták, hogy 3-4 merítés/kisütés is kell, hogy látszódjon valami.
Köszönöm. Gondoltam. Akkor jó drága dobozba tették. Köszi a választ. Üdv.
Szia! Abban a cellában ahol a varázsszem van, ott a savsűrűség javulhatott. Ez még nem jelent semmit sajnos. De kitartást kívánok Neked.
Sziasztok.
Most értem a végére ennek a topiknak az olvasásával. Időközben elkezdtem én is automata szulfátoldó-töltő vezérlésének tervezését PIC felhasználásával. Az elv ugyanaz, ami itt bemutatott Zoli és kollégája. A főáramkör is ugyanaz lesz, amit itt javasolt. Még csak a fejlesztési stádiumban vagyok, ezért kérdeznék. A feszültség mérésének idejére (nincs impulzus töltés) mennyire nő meg az akksi feszültsége? A cikkben olvastam, hogy Zoli 18,5V-ra állította be kezdésnek. Tapasztalat van már? Ahol tartok: 1. Minimum akku fesz 9V, ez alatt kikapcsol (vagy be se lehet kapcsolni) a szulfátoldás. 2. Maximum akku fesz 18V, ez felett kikapcsol (vagy be sem kapcsolható) a szulfátoldás. 3. Állítható az automata kikapcsolási feszültség szintje 12-17V között. 4. Állítható a periodus idő 100-900ms között. 5. A "töltő" impulzus fix 20ms. 6. A feszültség mérési mintavételezés 10-szeres, ennek átlagával van számolva. 7. Beállítható a mérés ciklusideje (milyen idòkőzönként mérjen). 8. Hangjelzés, mely menüből kikapcsolható. A müködés: 1. Setup menűben állíthatók be az üzemelési adatok. Beállítás után eepromban tárolódnak, így a bekapcsolás után nincs szükség uj beállításra. 2. Beállítjuk a periodus időt. Ezt encoderrel tesszük meg, ugyanúgy, mintha poti lenne. 3. Az akku feszültséget folyamatosan kijelezzük. 4. Indítjuk a szulfátoldást. Ekkor nincs akku fesz. mérés. 5. A beállított időkőzönként megmérjük az akku feszültségét. Ilyenkor nincs " töltés" 6. Ha a beállított érték alatt van, akkor ujra indítjuk a "töltést", ha felette van, leállítjuk. 7. Bármikor lekapcsolhatjuk a folyamatot. 8. A kezelőszerv egy rotációs enkoder, mely egyben egy nyomógomb is. Kijelzésre 4*20 karakteres lcd kijelző. Természetesen tudom, hogy így bonyolultabb lesz az elektronika, mármint a szoftver, de az az igazság, hogy pár hónapja kezdtem el foglalkozni a PIC programozással, és ez jó tanulópénz. Megdolgoztatja az embert. Ebben van szinte minden, eeprom irás olvasás, pwm, lcd kezelés, rotációs encoder lekezelés, stb... A hőmérséklet figyeléses lekapcsolás még hátra van, de nem tudom, hogy a tapasztalat mit kíván. Kell bele? Mindenkinek várom az észrevételét, tapasztalatát. Köszönöm a lehetőséget. A hozzászólás módosítva: Ápr 12, 2014
Dícséretes tervek, hajrá!
Ahol tartasz: 3. 12-17V-ig nem kell, a legkisebb értéket 13,8V alatt nincs értelme beállítani. Működés: 5. A töltés megszakítása után mérve az akku feszültsége magasabb, mint a nyugalmi. Idő kell a beállásához.
Nem feltétlenül idetartozik,de van benne egy (szerintem) ötlet.
Idézet: Már írtam a véleményem az L-C "pofozásos" regenerálásról. „A kedvezöbb hatásokat a következők szerint éri el az AC jellegű Protoncserés gyors töltő rendszer: 1. Más alapelven működik a kémiai energiává történő konverzió, mint a DC (molekulasodródás) töltésnél. 2. Az akkumulátorok töltése változó impedancia orientált AC (Protoncsere) töltéssel történik. 3. Egyenfeszültségre ültetett hangfrekvenciás váltakozó árammal hozza létre a töltés során bevitt elektromos energia kémiai energiává történö konverzióját.”
Csak zselés akkuk törlthetőek így. Ott van rögtön alatta...
Idézet: „Nem feltétlenül idetartozik,de...”
Idézet: „"Elektronikus szulfátoldó (Akku aktivátor)"”
Szia Zoli.
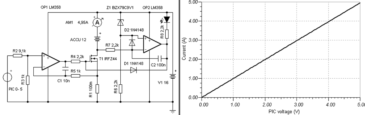
Köszi, h megosztottad a tapasztalatodat. Ezen iránymutatással egyezve, akkor teszek bele hőfok figyelést is. Őtletem az lenne,h a differenciál méssel majdnem egyezve, ugy csinálnám meg, hogy egy hőmérő szenzort használnák. 1. Beolvasom vele a kőrnyezeti hőmérsékletet, ezt eltárolom, és ehhez vidzonyítva mérem az akku hőmérsékletét. Persze ez lehet automata is, sőt a hiszterézist, hogy mennyi különbségnél kapcsoljon ki, azt is be lehet állítani a menűben, de ez is lehet fix. Mit szólsz hozzá? Természtesen mások véleményé t is várom. Esetleg abban tudna e valaki segíteni, hogy egy fesz.vezérelt áramgenerátoros kapcsolást hol találok? 0-5V ----> 0-5A ez lenne a cél. Akkor ezt a szulfátoldó vezérlést kiegészítenem egy akku töltővel, ami a beállítottárammal töltené az akksit. A többi körítés már adott... Köszönöm.
Szia! Akkor lehet, hogy mindjárt kipróbálok egy félretett erősítőmet akku tőltésre. Négyszögjelet ráküldök a bemenetére, a kimenetre egy dióda. Aztán a hangerővel meg megnézem mi mászkál el. Érdekes lehet amit írtál.
![]() Az is lehet, hogy valami Rockzenét küldök az akksi felé. A hozzászólás módosítva: Ápr 13, 2014
Hello! Megrajzoltam, hogy ezen ne múljon a boldogságod. Az első OPA az áramszabályzó, a második egy védelem, hogy 9,1V aksi feszültség alatt, vagy fordított polaritás esetén ne tudja tölteni az áramgenerátor. Ha a teljesítmény táp 16V, akkor kb. 15,3V-ig tölthető az aski. Ekkor maximum 35W a Fet disszipációja. Jobb hőelosztás érdekében 2-3 Fet is párhuzamosan köthető, vagy egy "bikább" Fet is alkalmazható. üdv!
Már bocsi, de nem tudsz olvasni? Vagy neked "igazi" zselés akkud van? (autóban nem használnak zselést, mielőtt azt hiszed, neked az van, mert valamelyik nagytudású eladó azt mondta, mert nem ismeri az AGM akkuk felépítését...)
Kedves watt! De tudok olvasni. A repülőmben a képen látható van 14Ah .
30-40e forint körül van az ára. Fejreállítom nem folyik ki semmi belőle. Odyssey akku. Nem beszélek nagytudású eladókkal. Légyszives ne kiabálj velem. Köszönöm szépen. A hozzászólás módosítva: Ápr 13, 2014
Köszönöm a segítséget.
Természetesen találtam már kapcsolási rajzot, de ha többől válogathat az ember, az jobb. Ott van még. Szimuláció is, az is segíthet. Most nem rég fejeztem be az akkutöltő savas akkukhoz topikot is, perdze csak a tavalyi évtől kezdödően olvastam. A második opa nem szükséges, ott a pic analog bemenete, az méri az akku feszültségét. A toöbbi már csak programozás kérdése... Persze ez már nem ide tartozik... Üdv. A hozzászólás módosítva: Ápr 13, 2014
Engedj meg még eg kérdést proli007.
Miért használtatok diff. Hömérést az automata lekapcsoláshoz? Köszönöm.
Hello! Az ok egyszerű, mert a külső hőmérséklet változhat, és így meglehetősen egyszerű megoldás adódott. Az 555 a komparálást is elvégzi precízen, és az információ tárolást is. Így tulajdonképpen csak a hőmérséklet differenciát kell beállítani. üdv!
A te akkud nem zselés, nem lehet így tölteni, ha elolvasod értően amit a szerző írt. Nem kiabáltam veled egyébként, nem tudom honnan veszed...
Köszönöm a kiigazítást. Rosszul értelmezhettem az olvasottakat. Szép napot Neked.
Szép napot mindenkinek!
Végre sikerült megcsinálni rendesen a szulfátoldót, erre kevés használat után (kb 4x6óra) elszállt a graetz-híd. Mondjuk csak 4A-es volt, úgyhogy érthető. Kicseréltem, mivel úgy tűnt ezen és a fet-en kívül más nem ment tönkre. Szóval kicseréltem amit kellett, de nem akar jó lenni. A kimenetre kijön a 40V és annyi, semmi impulzusosság mint régebben. Valami ötlet hogy mi lehet a baj? (a köbzoli féle kapcsolásról van szó) |
Bejelentkezés
Hirdetés |





a potival sorba kötöttem még 300k-t és igy kb 1hz-re esett vissza a freki. Nem a legjobb megoldás, de a célnak megfelel. Köszönöm a segítségét mindenkinek!








