Fórum témák
» Több friss téma |
Szia! A választott tranzisztor áramerősítési tényezője rendkívül alacsony. Helyes, hogy cseréled.
Igen le kell nem az igazi így..., bár igen jól szól így is 4 ohm-on, csak hát a potit is megviselte a rajta átfolyó áram...
Igen fix lett, de az állítást is nehezen bírta...
Sziasztok!
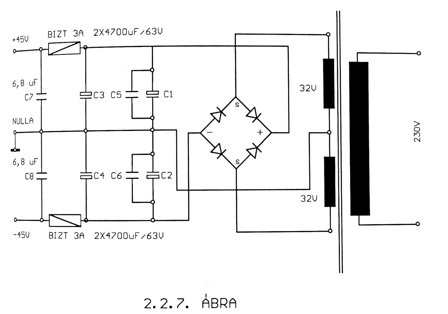
Épülget az én kicsikém is. Duál monó, független táppal, 1 trafó. Egyenlőre egyik oldal és béta változat (a nyák eléggé bénára sikerült, nem megy ez a vasalás,jópárat kukáztam..), most este gyorsan csak beledugdostam az alkatrészeket, forrasztani már nem volt kedvem. 1%-os fémréteg ellenállatok, becsatolónak 4 variációs lehetőség van: Wima MKP10 - 1µF/400V, MKP4 - 1µF/630V, Remix 1µF/400V és egy K73-16 1µF 63V PETP Mylar. Majd a hang eldönti, ha egyáltalán meghallani majd a különbséget. Szerintetek? Becsatoló után egy Nichicon MUSE KZ van, a 330µF -os kondik egyszerű low esr változatok. Kicsatolónak 2x2200µF/40V Siemens elkó egy K73-16 társaságában. Ez még lehet változni fog, ROE vagy ELNA, szintén hangtól függ. Tanács? Köv. héten remélhetőleg megérkeznek a tápba szánt kondik is és a trafóm is úton van. Oldalanként 19.400µF/63V - 1x10.000µF + 2x4700µF összeállításban, Vishay BC -. Lassan neki kell állnom a dobozterveket is véglegesíteni, barkácsolni. további képek Bővebben: Link A hozzászólás módosítva: Ápr 6, 2014
Jó estét.
A kicsatoló kondi nem kritikus alkatrész, a becsatoló annál inkáb majd a teszteken kiderűl melyik a befutó sokat lehet vele játszani. A tranzisztorok is beleszólnak lehet azt is cserélgetni ha van rá türelem. A nyákot nem szabad túl finom csiszolópapírral csiszonlni nekem a 200-as körüli vált be jobban mint a 400-as, azóta szinte elsőre sikerül persze ha a nyomtatás elég sötét. A hozzászólás módosítva: Ápr 6, 2014
Estét!
Türelem az van, attól függetlenül, hogy egyszerű egy kis szerkezet, már jó ideje szöszmötölök vele. De legalább hallottam már szólni, így tudom,hogy megéri a "fáradozást". Kipróbálom a csiszolópapíros tippet, eddig 500-as papírral csináltam, utána alkonekkel zsírtalanítás - mindezt gumikesztyűben.Műnyomó papír, nyomtató rendesen beállítva. Én a vasalóra gyanakszom. Vagy túl erősen nyomom, ezért "folynak" meg a vonalak, vagy túl meleg. Esetleg a kettő együtt. Már azon vagyok, hogy inkább megkérek valakit aki tud levilágítani, csinálja meg nekem.
Mosódik vagy megfolyik nem mindegy ha folyik akkor túl sőtét vagyis vastag a festék, én a vasalót max-ra állítom és nyomom ahogy birom és nem folyik meg.
Probáld meg 200-as körüli papírral és utána már ne zsírtalaníts én nemszoktam.
Értem. Megpróbálom mindenképp!
Lehet az volt a baj,hogy a nyomtató beállításainál azt hiszem úgy van,hogy "tonal darkness",na azt az alap 8-as értékről maxra toltam. Az a vicces,hogy 2x már sikerült szépre vasalni és pedig (elvileg) ugyan úgy csinálok mindent. De most randa,girbe-gurba,valahol utába kellett javítani filccel is... De nem adom fel! A hozzászólás módosítva: Ápr 7, 2014
Bocsánat, hogy bele vau, de a vezetősávok között a "lebegő" fóliaszigetek ha nincsennek földpotenciálon, nem fognak szórt kapacitásként működni?
Semmi gond,minden építő jellegű kritikát szívesen fogadok,amiből tanulhatok!
Tehát,szórt kapacitásként működne ha ott hagyom őket? nem szakmai szempontok alapján hagytam benne. Ennyire még nem értek hozzá,sajnos
bár az megvan, hogy kvázi mint egy nagy "kondi" lenne,a lebegő réz csíkok. csak nem gondoltam volna,hogy ekkora jelentőssége van itt / minden esetben.
A mai világban eléggé sok az elektromos berendezés, wifi tv, pc, és nem tudni hogy mit szed össze ha pici anntennaként, vagy kondiként működik...én kétoldalas nyákkal építettem meg úgy hogy az alkatrész oldalról nem marattam le a rézfóliát csak az alkatrészláb körül és így árnyékolásként viselkedett persze földelve...
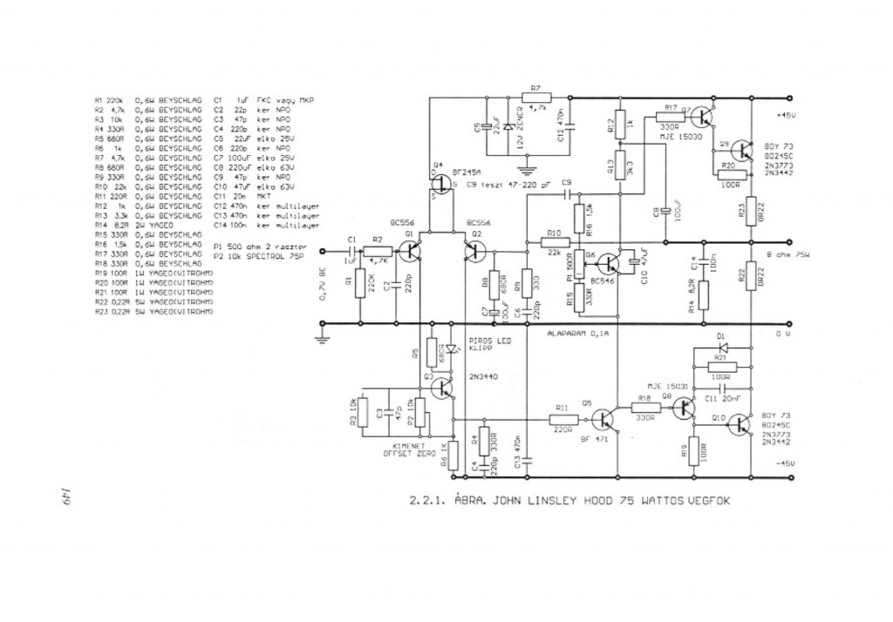
Sikerült megszerezni a rajzokat a JLH 75 wattos változathoz. Ha valaki szemezgetne vele, megosztom a rajzokat.
köszi a tippet! Jogos!
Még végiggondolom, aztán majd meglátjuk mi sül ki belőle. Egyenlőre úgy sem végleges, mert nem vagyok megelégedve a nyákkal úgy ahogy van.
Hát lehet nálam van valami baj, de így hogy járattam pár órát a szerkezetet és össze melegedett, össze érett megérkeztek a fülszaggató mélyek is!
És erre mekkora bordák kellenek? Érdemes rá üzemet nyitni?
Ez nem annyira fűt, 0.1A a nyugalmija, a többi a 75W-nál jön elő, mint bármelyik hasonlónál.
Kedves Fórumtársak!
Elkezdtem építeni a JLH 75 wattos változatát, azonban kissé elakadtam. Mellékelem a rajzokat, és fotót. A 2n3440 és BF471 helyettesítő kellene, ill. maradt a rajzon egy kérdőjel. Az átkötések még hiányoznak.
Szia! A végtranzisztortól legalább 50, de inkább 100 feletti áramerősítési tényezőt várunk el. Ez szegény elakad 2,5 tájékán. Abszolút nem erre találták ki.
kiegészíteném annyival, hogy a rajzolt kép a forrasztási oldal, az alkatrészek a másik oldalon vannak.
köszönöm a segítséget!
Szia!
Köszi az infót! Nemrég kezdtem foglalkozni a témával, még zöldfülű vagyok. Egy működő , amolyan deszka verziót már sikerült összerakni, most épp "csinosítgatási" stádiumban van. Hozzám került egy adag a fent említett tranzisztorból, gondoltam hátha.. De akkor apróhirdetés lesz belőlük.
Sziasztok! A szöveghez tartozó kép, ami lemaradt és nem egyértelmű nekem.
Köszönöm!
Sziasztok! Most szeretnék kérni egy kis segítséget. Nem nagyon akar elindulni ez az "átkozott"
A negatív feszültség felől rendben van, de a pozitívnál nagyon leesik. ?
A pozitív oldal csak úgy tud több áramot felvenni, ha a kimeneten terhelés van. Az élesztés ezen szakaszában még üresen kéne hagyni, és mérni a kimeneti egyenfeszültséget.
Mekkora a tápági áramfelvétel?
Köszönöm, erre figyelni fogok! Szerintem az is gond, hogy tranyó lábakat felcseréltem, és 2 kondit is benéztem.
Jó hétvégét!
Elkészült a 2N3055-ös végtranyókkal az erősítő, le is fixáltam a potit helyettesítő ellenállásokat.
Nagyon jól szól meg minden de: a problémám a következő: adott egy HS100-as orion, kicsit tuningoltam rajta fóliakondi a hangváltókba, cat6-os kábelezés, na de meg is lett az eredménye nagyon jó szól egy DAC-al, de van egy SoundArt L2 hangfal ez 6 ohm-os... maga a hangfal vifa hangszórókészlettel van amolyan audiophile és nem szól vele jól, és nem tudom összehozni a két cuccot, az L2 -őn elveszik a magas és az énekhang sem az igazi, de a mély az brutálisan jó....viszont más erősítővel (onkyo) pedig kifogástalanul szól... ha lenne valakinek valami ötlete hogy hol keresgéljek....
Véleményem szerint nincsen hibád. Az A osztály lényege a mély tónusú meleg hangzás. A JLH még az A osztályúak közül is kiemelkedik ezzel a tulajdonságával. Régebben a vinyl lemezek korában a hangszedők rengeteg mechanikus lekövetési hibából eredő intermodulációt termeltek, ami miatt a hang magasba húzott és karcos volt. Az ilyen hangnak nagyon jót tett az A osztály meleg hangja.
A mai digitális technikának mások a hibái és a stúdiókban lévő erősítők is ( amiken a hangot monitorozzák a keverés során) olyan hangúak, amiket 20 évvel ezelőtt a kukába dobtak volna. Végeredményben lehetséges, hogy ezért hallod részletgazdagabbnak, csilingelőbbnek a másik erősítőt.
Nagyon bölcs gondolatok. Benne van a lényeg, az jó, ami tetszik, és minden más lényegtelen szempont.
|
Bejelentkezés
Hirdetés |































