Fórum témák
» Több friss téma |
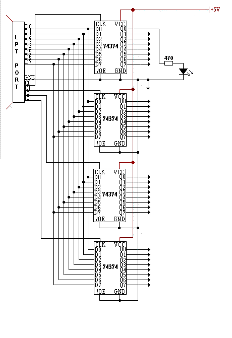
Sziasztok!Megépitettem a discolitez 32 deluxe kapcsolást ... Aminek a kapcsirajza a mellékelt képen látható.A problémám az hogy mikor bekapcsolom a számitogépet akkor az áramkörben lévo ledekböl 17kigyullad és égve marad addig amig benem kapcsolom a winampot és a discolitez programot hozzá és nem kezdi el a villogtatátsát a ledeknek...Mitöl lehet ez?Mikor bebootol a vindows akkor egy pillanatra kigyullad az öszes led de mikor bebootolt akkor 17 led égve marad a többi elalszik.Ha valakinek volt hasonló gondja segitsen!Köszi
Ez nem hiba. Tudod, az LPT-t elsősorban nyomtatók csatlakoztatására találták ki. A régebbi nyomtatókat inicializálni kellett. A bekapcsoláskor pontosan ezek történnek meg. Win alatt a helyzetet tovább bonyolítja a PnP funció a párhuzamos porton. Az LPT portos vezérlés topikban elég jól ki lett vesézve ez a probléma pár hete.
nem probléma, az lpt porton ugyanis post kód kijelzés is folyik, így amikor a ledek villognak, azt láthatod.
amikor felbootolt a gép, akkor beáll az FF érték (ennek megfelelő ledek maradnak égve) majd mikor jön a windows, akkor ő is kavar egy csöppet, és valami kaotikus akármi marad rajta.
Van egy régi nyomtatóm ltps és az is megrántja az irófejet bootkor és winxp töltésekor.
Üdv!
Sajnos a gépemen rossz az LPT portom ACK(10-es) lába. Elvileg ez bemenet, és mégis 4 V körüli feszültséget lehet rajta mérni. Így nem tudom rajta használni a PIC-égetőmet, nem olvassa vissza az adatokat, sőt tönkre is teszi a PIC-et. Egyébként a kimenetek jól működnek. Mostanra már kezdem unni, hogy mindig egy más gépet kell használnom égetéshez. Szerintetek van értelme szét kapni a gépemet, hogy megpróbáljam megjavítani a portot, vagy esélytelen a dolog? A választ előre is köszönöm. Üdv.: mate_x
Nem járnál jobban, ha vennél egy LPT portot? 2 .000 Forintért nem érdemes rizikózni a működő gépet.
Üdv!
Na megvettem a párhuzamos port kártyát, de valamiért nem működik, már 2 órája itt szenvedek vele. Betettem szépen a gépen a helyébe, a windows ki is írta, hogy új hardver: párhuzamos port meg mniden, fel is telepítettem kiírta, hogy Új hardver telepítve van használatra kész, de ennek ellenére nem működik Annyi történik, hogy az égetőmön világítanak a ledek, de semmi más, a hardver csekk-ben nem lehet szépen kapcsolgatni a ledeket( más gépen tökéletesen működik az égető). Ha valaki tudna segíteni, az jó lenne. A választ előre is köszönöm. Üdv.: mate_x
2 óra az nem szenvedés. 2 hét az már az!
Nézd meg az eszközkezelőben az LPT port címét. Milyen égetőd van? Milyen égetőprogram? szerk.: átkéne menni ebbe a totyikba.
Szia!
Már megnéztem a 3as port az. Az oshonos égetőt használom, az oshon16f égető programmal, de ezekkel biztos nincs gond. A port telepítő cd-jén van valami port tesztelő, de az is valami olyasmit ír, hogy valami gond van, de a windowsos eszközkezelőben pedig azt írja, hogy: "Ez az eszköz megfelelően működik.". Úgyhogy fogalmam sincs mi a fene van .
Nekem ez szerepel ott(csatoltam).
Köszi, hogy próbálsz segíteni
Az égetőprogiban:
Options-->Change Parallel Port Number-nél milyen szám van? Ha 1, akkor írd át 3-ra!
Sajnos az volt az első, hogy átírtam 3as-ra
, ennyire nem vagyok analfabéta
Csak segíteni akarok.
Lehet a BIOSban kéne állítani...
Lehet(szinte biztos mert mást nem tudok elképzelni). Sajnos a BIOSos állítgatásokkal annyira nem vagyok otthon. Majd holnap csinálok valamit, de már elég álmos vagyok, úgyhogy köszi az eddigi segítséget és jó éjszakát!
Sziasztok!
Na megnéztem a BIOS-t, ezek a pci csatlakozók disablere voltak állítva, át állítottam őket enablera, de még így is ugyanaz van, mint eddig.
Sziasztok!
Azt hiszem rájöttem a problémára, csak megoldani nem tudom... Ez az oshonos pic programozó szoftver szerintem csak a sima alaplapba forrasztott lpt porttal tud kommunikálni, mert ezzel a pci-s illesztőfelülettel valamiért nem tud kapcsolatba lépni. Valaki nem tud valami megoldást? A választ előre is köszönöm.
Az oshon nem tudja kezelni a magasabb LPT Port címeket. Próbáld meg a programommal, ha olyan PIC-et használsz amit kezel. Bővebben: Link
Ez működik az EC00h címen is. Ha a WPB-vel kapcsolatban szeretnél kérdezni, kérlek gyere át a linkelt topicba! A PCI-os panelek címeit nem lehet módosítani, legfeljebb a port nevét, de az galibát okoz, mert sok program az LPT1 alatt az alaplapi port címét érti, tehát az sem megoldás. Idézet: „Sajnos a gépemen rossz az LPT portom ACK(10-es) lába.” Lehet, hogy késve, de a WPB tudja kezelni a BUSY vonalat az ACK helyett. Ha jól tudom van még más égetőszoftver is, ami képes erre...
Szuper, de melyik verzió? A PCI-os, vagy a BUSY megoldás az alaplapon?
Egyenlőre a PCI-set próbáltam, most tanulnom kell, de este szerintem kipróbálom a busysat is.
Ha az is jó lesz, akkor a kártya majd jó lesz valamire. Jövök egy itallal neked
Üdv mindenkinek.Nekem a problémám az lenne,hogy van 1 ibm a31-es laptopom amin nem űködik az lpt port.Csináltam 1 kapcsolást csak ledek vannak rajt,hogy lássam mikor melyik kimenet működik.Asztali gépemen jó a panel.Ibm gépen folyamatosan világítanak a ledek.Mit kell beállítani a gépen és hol?
Üdv!
Megépítettem ezt az eeprom égetőt (Easy I˛C Bus interface), de sehogy sehogy sem akar működni. Ponyprog-ot használtam, ki akartam olvasni egy eeprom-ot, de folyton azt írja ki hogy ellenőrizze a hardver csatlakoztatását. Bios-ban átállítottam az LPT portot "auto"-ra, címnek megadtam neki a 378-at de így se jó. Mit tehetek még? Kösz előre is!
Sziasztok! Letöltöttem két LPT vezérlő programot, bit-enként lehet vezérelni a portot, de menet közben nem történt semmi, nem változott a kimeneti állapot. Kerestem a topikban hasonló problémára választ, de nem találtam. Esetleg kihagytam port engedélyezés, vagy ilyesmit?
Szia,
A részleteker írd le! Mi a program neve (link?), milyen operációs rendszeren, milyen gépen (asztali, laptop).
progik: Diaglitzer, ICONTROL, k74_win . Ezek elvileg bitenként vezérelnek. Rendesen futnak is, csak nem jelenik meg a kimeneten.
A gépem asztali, xp rendszer, 2,0giga , 512 mb,A diaglitzer az lpt port pack fórum 1. hozzászólása, a többiét is innen a forumokról töltöttem le.Bővebben: diaglitzer A többit hirtelen nem tudom. A memo problémára mit értesz ? mert nem lehetetlen. Kicsit szutyok a gép, amikor vettem nem frissítettem a op. rendszert, ami nagy hiba. Amugy csak egy sorba kapcsolt led+ellenállás a stekkerem, ezt akartam brahibol villogtatni, de nem villog, hanem folyamatosan ég. |
Bejelentkezés
Hirdetés |





. 

, ennyire nem vagyok analfabéta
.
A gépem asztali, xp rendszer, 2,0giga , 512 mb,