Fórum témák
» Több friss téma |
Szia! Szimmetrikus Zener-rel jó lesz, ha a tápfelezősre gondolsz.
Igen a tápfelezősre gondolok, konkrétan a mellékelt kapcsolási rajzra, viszont így bajban vagyok, mert kellene valami egyszerü mikrofon előfok ami megy szimetrikus tápról, mert amiket láttam egy-két tranyóval az mind féltápos. Amiatt vetettem fel a szimetrikus tápos mikrofon előfokot, mert gondolom féloldalra rántana a tápot ha asszimetrikusat készitenék el.
A hozzászólás módosítva: Aug 7, 2014
Az egytápos mikrofon erősítőnek mérd ki, vagy számold ki az áramfelvételét, és folyass ugyan ennyi áramot a másik tápfélen. A szimmetrikusan alkalmazott Zener ezt automatikusan megoldja, az nem gond ha a negatív oldali Zener-re nincs fogyasztó kötve, az előtét ellenállás árama a döntő.
Ahaam. Értem szóval a lényeg hogy mind a 2 oldalt legyen meg ugyan az a zéneres kis valami, nem baj ha nincs leterhelve, hisz ugyis terheli a zéner az ellenálláson keresztül. Akkor most keresek valami kis egyszerü mikrofon előfokot, és a megfelelő témában kérdezgetek ha valami nem világos. Köszönöm.
Sziasztok!
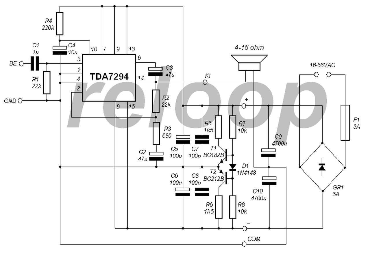
Mi okozhassa azt hogy a Tda7294 híd kapcsolt végpanelt ha bekapcsolom azaz tápot adok neki és a Stand-by/Mute szálat hozzáérintem a pozitiv táp hoz szépen bekapcsol gyönyörűen szól, de ha kiakarom kapcsolni elveszem a Pozitív tápról a Stand-by/ Mute szálat akkor is szól tovább és nem kapcsol ki mindaddig amíg le nem kapcsolom a tápot de akkor egy hatalmasat koppan majd kiugrik a hangszóró.Elvileg ki kéne kapcsoljon ha leveszem a bekapcsoló szálat ha jól tudom nem? Igazából hogyan szokták BE és KI kapcsolni a TDA erősítőket külön kapcsoló kell a Trafó bekapcsolására amit először kapcsolok fel hogy feszültség alá kerüljön,majd utána egy külön kapcsoló a Stand-by nak hogy bekapcsoljon? És lekapcsolásnál pedig azzal kezdeni hogy a Stand-by t kikapcsolni és utána jöhet a Trafó főkapcsolója. Így tudom elkerülni a koppanást?
A készenlét és a némítás 3,5V felett szűnik meg, és 1,5V alatt ismét aktív. Ha elveszed a kivezetését a pozitívtól akkor a 10µF kondik rendkívül sok ideig tárolják a töltést. Kösd testre és gyorsan le fog kapcsolni.
Ekkora teljesítményű erősítőt amúgy esztelenség kimeneti DC védelem nélkül járatni, az pedig alapból megoldja a koppanás mentes ki-be kapcsolást.
Ez élő pédája hogyan pusztítsd el a hangszóródat vagy a tda7294 et. Ha koppanásmentes kapcsolást akarsz akkor a standby mute és a pozitív szálat vezesd ki egy kapcsolóra és ha bekapcsolod az erősítőt akkor csak másodjára kapcsold a stby mute funkciót,lekapcsoláskor értelemszerűen fordítva ha nem akarsz kopigátlót
Sziasztok!
Hát úgy néz ki akkor mindenképp kell bele kimeneti dc védelmet tennem. És mi a véleményetek arról hogy a végfok panelba nem forrasztanám bele a TDA 7294 es ic ket hanem kb 15-20 cm hosszan PC tápnak a kimeneti vezeték kötegéből bontott vezetékekkel kötném össze, ez azért lenne nagyon jó mert nagyon pici helyre beférne a panel a borda mellé állítva, fele helyet foglalna vagy még annál is kevesebbet variálható lenne az elrendezés nagyon mert minél kisebb méretet szeretnék neki. Csak azt nem tudom hogy nem e rontana a teljesítményen.Viszont ha baj van könnyedén cserélhető lenne az ic mivel a vezetékek ic felöli oldalára mini tű tűzősarukat tennék zsugor csővel szigetelve. A hozzászólás módosítva: Aug 9, 2014
Na erre voltam kíváncsi , ijen eszem ágába nem jutott volna hogy gerjedhet, tényleg a táp mellet futna a bemeneti jel gondolom amiatt, el is felejtem az egészet kszi a választ!!Marad a panelban ahogy kell!
Mindenképp építs be egy dc védelmet javaslom,igaz nekem szépen bontott még akkor is mikor nem volt, de ki tudja véletlen elszáll az ic kicsücsül a dc a hangszóróidnak meg reccs bő füst kíséretében kifüstölnek.Itt az apróhirdetések menüben találsz jó kis koppanásgátlót jó áron, Kínai cucc de teszi a dolgát nekem is ez van.
Olvadó biztosítékkal nem lehet megvédni a hangszórókat DC fesz től ha esetleg elszáll az IC?
És Kit ben amit úgy kell összeszerelni nem lehet kapni DC hangszóró védelem áramkört? A hozzászólás módosítva: Aug 10, 2014
De igen kapni,google a barátod
Azért linkelek egyet, tessék:Koppanásgátló Kit
A hangszóró védő áramköröknek nagy előnyük van. A mellett, hogy védik a hangszórókat a károsodásoktól, ez alatt azt értem, hogy van olyan kapcsolás ami a bekapcsolás pillanatában eltolja a a hangszóróra kimenő jelet így ez által védve a hangszórót (ez a koppanásgátlás), de ugyan ez kikapcsoláskor is. E nélkül az áramkör nélkül ha az IC (-k) elszállnak akkor sok esetben magával viszi a hangszórókat is. A védelem beépítése ajánlott kifejezetten az ilyen "balesetek" elkerülése miatt. Ahogy zotya is javasolta a kittet azt én is javaslom beépíteni. Ezek kaphatók sztereó kivitelben is. A gond csak annyi szokott lenni ezekkel, hogy külön tápról kell hajtani őket mivel pl az én esetemben 34V DC már sok neki mivel csak 15V max áramerősséget bírnak el. De egy külön táp beépítése előny is lehet, mivel ha később kivezérlésjelzőt vagy hangszínszabályzót építesz be azok is hasonló áramerősségen üzemelnek.
Olvadóbiztosítékkal nem tudod megvédeni a hangszórókat a pusztulástól pl egy buli kellős közepén, amikor elkezd búgni és végkitérésig tolja a membránt majd megsüti a tekjercset. Hogy miért? Nem biztos hogy időben oldana az a biztosíték,sőt szerintem egyáltalán nem oldana le.Szerintem ezt a 3 ezer ft ot ne sajnáld rá ha már megépítetted eddíg is.
Tápegységet bányászhatsz hozzá 12 voltosat például rossz aktív pc hangszóróból,vagy más már kidobásra ítélt cuccból, erről táplálhatod mondjuk a ventillátort is,vagy kivezérlésjelzőt.
Azért a túlvezérléstől és a torz jeltől sem ment meg ez az áramkör, ezt tegyük hozzá
![]() Amikor látom hogy a keverőpultot is "karácsonyfának" használják és hallani hogy szegény limiter sem bír már a bevitt torz jellel mit kezdeni akkor szoktam szigszalagos "limitert" alkalmazni.A karácsonyfa effektus az amikor a master kimenet jelző már csak pirosban ég + 5-10 dB nél.Ilyenkor már biztos a kivitt torz jel amit az erősítő ugyanúgy felerősít ekkor nem fog leoldani a koppanásgátló, viszont a hangszóró károsodhat.
Köszönöm hogy segítettetek, mindneképp fogok venni bele Dc védelmet, erre korábban nem is gondoltam de valóban sajnálnám a 100 ezer ft os Új Reflex mega r300 as hangfalpárt ha véretlen megsütném dc vel.Kicsit több károm lenne mint az a pár ezres védelem.
Sziasztok! Mint mar emlitettem keszuloben van 4 darab tda7294 feltapos panel. Kesz van mindegyik, de figyelmetlensegbol forditva tettem a panelre a 100 µF kondikat, eszerint adtam tapot is neki, (2panelnek, utanna rajottem hogy mi a bibi).Megforditottam az elkokat, a masik 2 panel poccre indult. Szerintetek a masik ketto amek forditott tapot kapott az meghalt? Azt produkalja az egyik hogy halvanyan felizik a primerben az ego a kimeneten -15V van, a tap vissza van esve+/-18.7 V ra. A masik pedig halvanyan izzik egyszercsak teljes fenyerore valt. Ezeknek az icknek annyi? Ezeken mar csak a csere segithet?
Szia! Nem bírja a fordított táplálást. Ebből az a tanulság, hogy az IC lábkiosztását kell követni. 13 pozitív, 15 negatív. Ez a módszer még a tükörképként maratott panelt is lebuktatja.
Jó csak én véletlenül fordítva tettem be a helyi szűrést és aszerint tápláltam be, ez azt jelenti hogy ic csere... Azért köszönöm!
Sziasztok!
Normális ha a TDA 7294 híd kapcsolt végfok +-38v ról üzemeltetve 8 ohmos hangszórónál nagyobb hangerőnél be kerreg a hang?Ez a jelensége a maximális kimenő teljesitménynek talán?2x27v os 330 VA os troid trafóról megy, oldalanként 20.000uf puffer. Nagyon furcsa jelenség ilyennel még nem találkoztam, nem torzít hanem kerregős csúnya hangja van,több hangszóróval próbáltuk,hangszórón mértem a feszt 22-23 v nál kezdi a kerregést nem is mertem tovább tekerni a hangerőt,lejeb vettem 20v ot mértem kb ingadozva akkor még nem csinálja, de elég rendesen megcibálja itt már a 8 ohm os 40 cm es tölcséres mély ládámat. Köszönöm! A hozzászólás módosítva: Aug 19, 2014
Hűtés megfelelő? Nem arra gondolok mekkora a borda, hanem kellően jó-e a hozzá való csatlakozás. Az IC saját furatán való felfogás, ha csillám is van alatta, akkor aligha lehet kielégítő.
Pl. a hőmegfutás okozhatja a védelem ki-be kapcsolgatását.
Ha jó látom szilikon lapot használsz. Ez sajnos a csavarnál belapul és az IC lábak felőli oldalán alig nyomódik össze. Igen korlátozottan tudja így átadni a hőt a bordának. Amit hallasz az a TDA7294 hővédelme.
Alkotó kollégának kimondottan szép megoldásai vannak hőelvezetésre, tallózd a téma képeit! Bővebben: Link
Nekem hála égnek ilyen jelenséget nem produkált a ketyere. Sőt meg is lepődtem, mert ha kézzel tapintom az IC-ket szinte hideg, de a borda viszont már érezhető a hő.
Egyébként az IC-ket csillámmal és hővezető pasztával (fehér) raktam a bordákra. Számomra elképesztő, hogy ennyire levezetik a hőt az IC-kről.
Más jellegű kérdés.
Szerencsére sikerült egy nagy teljesítményű toroid trafót beszerezni. 4*23V-ot képes leadni, egyenként 5A, 250W teljesítményben. A villanyóra pörög, kapcsoláskor pedig karácsonyfát játszik a lámpa. Még nem építettem hozzá lágy indítót. Szerintetek felesleges erről hajtani a TDA hidakat? Más nagyobb teljesítményű erősítőt is építhetek ennek segítségével?
Azt elfelejtettem mondani hogy nem használok semien szigetelést az IC k alá csakis hővezető pasztát de azt becsülettel körbe ki van nyomódva rengeteget tettem alá, Bordákon ugye negatív táp fesz van de nembaj burkolaton belül van átszellőztetve ventilátorokkal.És nem melegszik fel egyáltalán első pár másodpercben is ezt csinálja hidegen is,de holnap még kísérletezek vele csökkentem a táp feszt, nem tudom jól e számolom ki de így sem volt töb 50 60 w nál a kimenő teljesítmény amit a hangszórón mért feszültségből számoltam ki de ugye ez nem pontos szkóppal lehetne megmérni a valós kimenő teljesítményt .Mért feszültség 22v de itt már kezdett kerregni csúnyán (22vx22v=484 /8 ohm al=60,5w, Ha jó a képlet akkor hol van a 150w 8 ohm on?
Ha az IC tokon nem tapasztalsz melegedést, akkor a termikus korlátozást kizárhatjuk.
Ellenőrizhetnéd külön-külön a hídfeleket a biztonság kedvéért, ilyenkor a hangszóró egyik vezetéke a testre megy. Teljesen egyforma teljesítményt és kivezérelhetőséget várunk.
Ez azt jelenti hogy egy híd kapcsolt végmodult tudok használni 2 külön csatornán monóba 2x70w al 2x4 ohm ra,vagy hidalva 1x 170w al?Mert ezt nem is tudtam!
A hozzászólás módosítva: Aug 20, 2014
Ha belegondolsz abba a szituációba, hogy két soros 4 ohm-os hangszóró kerül a híd kimenetére, belátható a hangszórók közös pontja a vezérléstől függetlenül földpotenciálon lesz.
Amit ajánlottam, ennek direkt megvalósítása. Ebből láthatóvá válik, ha az egyik erősítőfél hibásan működik.
Megnéztem amit mondtál,GND hez képest a kimenet egyik szála szól ugyanúgy mint a híd kimenet mindkét szálán, a másikon semmi csak nagyon halkan búgás de alig hallani néma .
A hozzászólás módosítva: Aug 20, 2014
|
Bejelentkezés
Hirdetés |












