Fórum témák
» Több friss téma |
Helytelenül! Hertz bácsi tiszteletére a róla elnevezett egységet NAGY betűvel kell írni, MHz. A prefixumok pedig nem véletlenül vannak megkülönböztetve kis-és nagy betűkkel, mert más nagyságrendet jelölnek.
![]() Mod: Kérésre utólag kijavítva! A hozzászólás módosítva: Ápr 26, 2014
Ám legyen! A lényeget szerintem mindenki értette....
A 5-ös kivezetése és a pozitív táp között van vélhetőleg egy tekercs, azt kellene kissé összébb nyomni. (A szivacsosra tippelek) A 12-es kivezetés környékén is lesz valami tekercs, azt szintén, de csak ha érzékenységi problémáid lesznek. Ha a tekercset állítod, akkor egy másik rádióval figyelheted, hogy 95.7MHz-en van e valami "adás". Közben a forgókondi legyen a skála aljától egy kissé fentebb, hogy legyen azért tartalék. A tekerccsel úgy is kísérletezhetsz, hogy beledugsz egy ferritmagot. Ja és a 9-es kivezetésen mérhető feszültség is segítségedre lesz!
A hozzászólás módosítva: Ápr 26, 2014
Én nem tudom miért fáradság a shift gomb használata. Ha mobilon fárasztó, akkor nem kell mobilt használni. Nem kötelező.
MHz, kHz, TDA7021T (nagybetűvel, és egybeírva. Nem kell hátast dobnod, csak meg kell tanulnod ennek a szakmának a nyelvét. Különben nem ércsük egymást. Úgye t(T)e sem szeretnéd ha kisbetűkkel írnák a neved. nemecsk Elnézést a kifakadásért, de oly sokszor oly sok helyen kifogásoltam.
Köszi Medve! Megpróbálom! Ez viszonylag könnyűnek tűnik. Sajnos eme körben kissé analfabéta vagyok, de fejlődök
multivibrátort építettem már az egységhez. * A hozzászólás módosítva: Ápr 26, 2014
Bocsánat, én egy kicsit félreértettem a dolgokat. Még akkor írtam, amikor még nem adtad meg, hogy a CCIR sávban vesz a készülék. Úgy gondoltam, hogy ő még a szocializmusban készült, és így OIRT sávban van. Ezért javasoltam a tekercs rövidítést. Így most már természetesen az induktivitásokat növelni kell egy picit, de szerintem a ferritmag már túl sok lenne, hiszen csak 4-5 MHz-et kellene csökkenteni. Amúgy én már sikerrel és véglegesen alkalmaztam apró, vékony vasszöget is magként, kevésbé növeli, amit paraffingyertya olvadékkal rögzítettem.
Sziasztok!
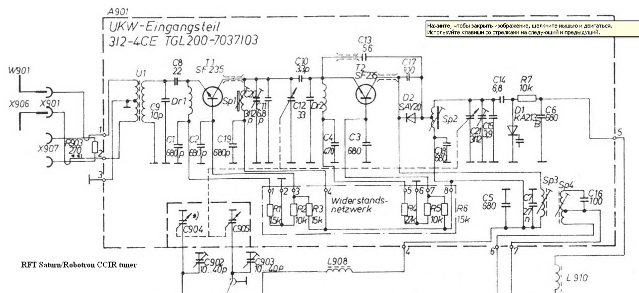
Nemrégiben sikerült teljes értékűen áthangolni egy VEF222-es rádiót, ugyanis a gyári doksijában benne van mind az OIRT mind a CCIR normás tuner rajza, illetve a kondik értékei (mellékelem, hátha valakinek kell). Ugyanezt szeretném elkövetni egy RFT Robotron rádióval is, amihez szintén van rajzom, viszont ennek a CCIR normás tunerja csak 104MHz-ig működik. Hogy lehetne kiterjeszteni a teljes sávra a vételt? Több ilyen rádió roncsom is van, ezeknek a tunerkockáit szeretném egy-egy csöves gépbe áttenni.
A hangoló elemek előtt van egy soros "rövidítő" kondenzátor. Ennek növelésével állíthatod be a sávátfogást. Csak ügyelni kell a hangolandó körök együttfutására. Ha van rajz, és az eredeti kondik ismeretében némi számolást igényel.
Ezt én most meg nem mondom, de a hangoló kapacitással párhuzamos trimmerrel a kezdő kapacitást állíthatod, a sorossal a végző kapacitást, és vele a sávhatárokat.
Ha kicsi a soros kapacitás, akkor csökkented a sávátfogást, a kezdő és végző kapacitás arányát. Ha növeled, akkor jobban érvényesül a hangolóelem sávátfogása.
Köszi a segítséget, mostmár van SDR-em, azzal rá tudok nézni, hol jár az oszcillátor, csak fölöslegesen nem akarom eltekergetni.
Az együttfutást hogy tudom pontosan beállítani? Ha a kicsatoló tekercsen 10,7MHz körül mérek, akkor elvileg jó? Illetve ha jól gondolom, az egész sávon végighangolva ugyanott kell maradnia?
Soha sem fognak teljesen együtt futni. Ezért szokás az együttfutást a skála 1/3, és 2/3 -nál beállítani. Így az együttfutási hiba a skála közepén pozitív, a két végén negatív hiba lesz. Így lehet minimalizálni az együttfutási hibát. A 10,7 MHz az mindíg ugyanott marad, hiszen az csak a vételi frekvencia, és az LO különbsége. Az érzékenység változik az együttfutási hiba miatt.
Tehát akkor 93 és 103 MHz-en kell 10,7MHz-nek lennie a különbségnek, de lehetőség szerint minél jobban közelíteni kell a többi helyen is? Az érzékenység változás meg a KF szűrők és a KF freki +- eltérése miatt keletkezik? Méréshez elég egy-egy adó ezeken a frekiken? Mondjuk mire nekilátok próbálok szerezni egy FM transzmittert generátornak.
Szerintem nagyon összekeversz valamit!
Ismételd át a szuperheterodin elvet szerintem. (A kicsatoló tekercsen, ha az a helyi oszcillátoré, a mindenkori vételi frekvenciát+10.7 MHz-et méred. A keverő kicsatoló tekercsén helyes a 10,7, de az mintegy "adódik" a szűrő miatt, amit hálistennek nem kell hangolni. De ha LC, akkor sem kellene hozzányúlni.) Idézet: „Az érzékenység változik az együttfutási hiba miatt.”
Jelenlegi ismereteim szerint a pirossal begrétázott kicsatoló tekercsen a a modulátor és az oszcillátor kör frekvenciáinak különbsége van, ami jó esetben 10,7MHz. Ez után már csak a kerámiaszűrő és a modulátor van a rádióban.
Az együttfutási hibát így értelmeztem. Lehetőség szerint ezt kéne úgy megcélozni, hogy beférjen a kerámiaszűrő átviteli görbéje alá? A hozzászólás módosítva: Jún 2, 2014
Szia!
Az együttfutást úgy értelmezd, hogy a modulátor (bemeneti kör) rezonanciafrekvenciája és az oszcillátor frekvenciájának különbsége a lehető legszélesebb tartományban legyen 10,7 MHz. A kerámiaszűrő után kell még egy középfrekvenciás erősítő és egy demodulátor is.
Na valahogy így gondoltam én is! Le is rajzoltam, kiegészítve a pucuka által vázolt hibával.
A rádió többi része ebben az esetben érdektelen, csak a tunerkockát akarom működésre bírni.
Akkor fussunk neki mégegyszer.
A modulátor kör rezonancia frekvenciájának, és a helyi oszcillátor (LO) oszcillátor frekvenciájának kéne minél pontosabban együtt futni. Ekkor a vételi frekvencián (fv = fosc - fKF felső keverés) lesz a vevő a legérzékenyebb. A vételi frekit az oszcillátor meghatározza, kvázi erre kell ráhúzni a modulátor rezonancia frekvenciáját. A gond az, hogy a hangoló elemek (akár forgó, akár dióda) azonos kapacitásúak, és elég jól együttfutnak, viszont az oszcillátornak nagyobb valamivel a frekvencia átfogása, mint a modulátor kör(ök)nek. A modulátor körök sávátfogása 108/87,5 ~ 1,23, nem egyenlő ugyebár 118,7 / 98,7 ~ 1,29 el, ami az oszcillátor sávátfogása. Ezért kell ügyeskedni a hangoláskor, hogy a vételi frekvencián amit az oszcillátor frekvenciája meghatároz, a vevő a legérzékenyebb legyen. Amit bekarikáztál, az a kimeneti sávszűrő, azt 10,7 MHz re kell hangolni, ill egész pontosan a KF erősítő sávközepi frekvenciájára. Ez különösen meghatározza a KF erősítőben alkalmazott kerámia szűrő pontos frekvenciája. Az oszcillátor sávátfogása a C115, és a C121 kondenzátoroktól függ, amit az utóbbival állíthatsz. A modulátor kör sávátfogása a C111, és a C110, valamint a C120 kondenzátoroktól függ, amit az utóbbival hangolhatsz. A modulátor kör kisebb sávátfogását a C110 "rövidítő" kondenzátor biztosítja.
Sziasztok, van egy salute 001 orosz rádióm, amihez kapcsarjzot keresnék ill. áthangolási segítséget... előre is köszönöm.
Szia!
A lap alján kattints a "cxeмa"-ra.
Szerintem nem kell áthangolni, végy hozzá egy CCIR-OIRT konvertert (vakera). A sávátfogás különbsége nem oldható meg.
Meg lehetne oldani, de jó sok számolást igényelne, amit még elmondani sem egyszerű.
Sziasztok!
Két hét a nagymamánál, és hazajövök egy néprádióval, meg egy Unitra Beta dss 201-el. Ezt szeretném áthangolni. Megtaláltam a rádió hangoló elemeit, és az URH tuner kapcsolási rajzát. Nincs semmilyen műszerem, csak multiméter, így át lehet hangolni? Nem kell hogy 100%-os legyen, csak hogy a class FM-et fogja. (103.3MHz)
Sajnos, a tuner kapcsolási rajza nem látható, így csak általánosságban. A hangoló elemek környékén kell kutakodnod, azzal párhuzamosan vannak pár 10 pF -es kondik, azokat kell kisebbre cserélned. (úgy nagyjából az értékének kétharmadára) nem kell hozzá sok műszer, egy szignálgenerátor sokat tud segíteni, de egy két erős, és gyengébb adó is megteszi.
Békánál megtalálható:
Most olvasom, nem volt oda az áthangolás műveletéért... A hozzászólás módosítva: Júl 5, 2014
Én az egyik OBI áruház elektromos hulladékai közül szedtem ki ezt a rádiót kissé sérült, szétesett állapotában. Valaki elkezdte az áthangolást, de nem fejezte be, csak beletúrt. Ez rosszabb, mintha hozzá se nyúlt volna. Nem volt mihez viszonyítani. Én a megfelelő tekercsek menetszámait csökkentettem, a magokat tekergettem, végül kb. 91-104 MHz tartomány állt be tűrhető érzékenységgel. A sztereó dekódere se működött, ezért ua758-cal csináltam egy másikat, azzal jó lett. Ezzel biztos nem sokat segítettem, csak azért szóltam hozzá, hogy érdemes belefogni az áthangolásba, mert sikerülhet.
Háát, én kiszedtem a tunert, rendbe tettem, visszatettem és áthangoltam. Úgy ahogy. Lehet, hogy csak szerencsém volt, Békával ellentétben. A hozzászólás módosítva: Júl 5, 2014
Szia! Nekem sem volt régebben semmilyen műszerem, mióta van, azóta sem használom ilyesmihez. Tapasztalatom van, és jó hallásom. E kettő bőven elég az áthangoláshoz. Sajnos az Unitrákkal elég rossz tapasztalatom van, mivel azok eredetileg OIRT-ra készültek, nem elég kondenzátorokat kivenni, tekercseket újra kell gyártani, e mellett sávszélesség probléma mindig marad, de ha nem kell 100%-os legyen, akkor nem gond, hogy a forgókondenzátoruk is kevés benne a 88-108 MHz átfogásához. Azt hiszem van ott a forgó oszcillátoros oldalával sorba is kondi, de hiába veszed ki, a teljes sávot soha nem fogja átfogni. Na ebben pont nincs padding kondenzátor, viszont 3 hangolt köre van, az oszcillátorral kell kezdeni, itt:Unitra sem dicsérik ezt a rádiót, de meg lehet csinálni. Sok sikert!
A hozzászólás módosítva: Júl 5, 2014
Köszönöm a válaszokat!
Békát ne linkeljétek be többször, én is olvasom Valaki meg tudja mondani, hogy pontosan melyik kondenzátorokat kell kicserélni, és milyen értékűre? (Van-e egyáltalán 6,6pF-es kondi?) Feliratozva van a panel, tehát ha lehet beültetési számokat mondjatok, nem szeretném tönkretenni. Meg egykérdés: A végfok bizostítékja 1.6A-s de mekkora feszültségű? Patkolni nem szeretném. |
Bejelentkezés
Hirdetés |






multivibrátort építettem már az egységhez. 


Ismételd át a szuperheterodin elvet szerintem. (A kicsatoló tekercsen, ha az a helyi oszcillátoré, a mindenkori vételi frekvenciát+10.7 MHz-et méred. A keverő kicsatoló tekercsén helyes a 10,7, de az mintegy "adódik" a szűrő miatt, amit hálistennek nem kell hangolni. De ha LC, akkor sem kellene hozzányúlni.) 

