Fórum témák
» Több friss téma |
Fórum » Labortápegység készítése
Sziasztok!
Nem pont ebbe a fórumtémába illik, de talán itt foglalkoztak vele a legtöbbet. Az univerzálisan felhasználható, 200mV-os, ICL7107-el felépített műszernek, egy másik lehetséges megvalósulását szeretném figyelmetekbe ajánlani. Remélem sikerült kiküszöbölnöm a korábbi hiányosságokat.
Jó lett. Igaz hogy nincsenek lábak közt elmenő vezetékek, viszont vannak alkatrész alatti átkötések. Ezt én személy szerint nagyon nem szeretem.
A kettős kijelző olcsóbb, viszont szerintem csúnya. Olyan, mintha egy órát néznék, ahol el van választva az óra digitjei a perc digitjeitől. Egyébként én is készítettem egy jobb nyáktervet mint Topié, hasonló szempontok alapján mint te. Pl. nálam is rajta van a táp is a panelon. Viszont én több paneltervet is készítettem, olyat ami áramot mér, olyat ami feszültséget, és olyat is amin egy jumperrel lehet választani hogy áramot vagy feszültséget mérjen. Mindezeket két verzióban; váltakozó feszültségről működőt és DC-ről működőt is, ami a negatív tápot maga állítja elő. Sőt, ezeket a verziókat külön-külön 3, 3,5, 4 és 4,5 digites változatokban. 3,5 digit alatt ICL7107-el, 3,5 digit felett ICL7135-el.
Ha nem vagyok pofátlan, közkinccsé tennéd itt, nekünk? Sztem sokan hálásak lennének...
Még nem vagyok velük készen. Hiszen a lehetséges verziók száma elég sok (3X2X4), ezért sok áramkörről van szó. Persze nem is vagyok kész mindegyik paneltervvel.
De mostanában fontosabb projekteken dolgozom,ezért nem tudom hogy mikor fogom befejezni. Amíg nincs kész, addig meg nem publikálom. Egyébként a dolog nem merül ki ennyiben, mert gondoltam még arra is, hogy készítek minden lehetséges hiba okára kiterjedő leírásokat is hozzájuk... Sőt, végigolvastam elég sok panelmérőről szól topicot itt a hobbielektronikán, és egy doc-ba kimásolgattam azokat a részeket a fórumból, amik valamilyen panelmérővel kapcsolatos problémáról szólnak. Ezek segítségével szeretnék majd egy valamiféle HIBA/LEHETSÉGES OK/MEGOLDÁS leírást is készíteni.
Az átkötések léte, vagy hiánya, valóban eléggé megosztja a barkácsolókat. Az én egyeni álláspontom a témában az, hogy jobb az átkötés, mint a kivitelezhetetlen nyákrajzolat. És ha alkatrésznek tekintjük az átkötést, akkor talán ő a legmegbízhatóbbak egyike, mert gyakorlatilag tönkretehetetlen.
Az egyéb kiegészítő alkatrészek (előtétek, söntök, kapcsolók) alkalmazását minden egyes alkalmazási esetben egyedileg vizsgálnám meg. Nekem kimondottan nem volt célom a mindenre jó műszer elkészítése. Ez egy alapműszer, amit most éppen az aksitöltőmbe fogok szerelni, ahol a sönt egy 2mm vastag huzalból van, és csak rá kell kötnöm a műszert, így már kész is az ampermérő. Ellenben amit irtál, az betette a bogarat a fülembe, így lehet ,hogy átkapcsolhatóra csinálom, hátha egyszer a töltő feszültséget is meg akarom tudni (eddig sose érdekelt). A 3,5-től több digites kijelző, és a hozzájuk tartozó A/D konverter valószínüleg, csak egészen specifikus helyekre szükséges. A mindennapi élet (mármint az enyém) nem igényel ilyen mérési pontosságot. (nagyon halkan mondom, hogy nem is vagyok biztos azok nagyobb pontosságában.) A dupla kijelző, gyakorlatilag összeér és a terv szerint kivitelezve a számok távolsága hajszál pontosan egyforma. Sőt ha elé rakom a füstszínű plexi ablakot, akkor egyáltalán nem látszik semmi más, csak a világító szegmensek. Egyébiránt, ha egyszámjegyeket használsz, akkor 4 különálló kijelző van, 3 köztes csíkkal. A nagyobb tápegységed hogy van? sikerült meggyógyítani az említett kis anomáliákat? Átmenetileg most SPAFI kapcsolását építettem meg. Ha igaz, éppen holnap áll össze teljesen, akkor lesz vizsgálható állaptban. Üdv: ALkotó Idézet: „A nagyobb tápegységed hogy van? sikerült meggyógyítani az említett kis anomáliákat?” Nem, időm nem sok volt azóta vele foglalkozni. A 80Hz-es jelösszetevő okát egyáltalán nem is néztem. Az árammérés tízszeresítését és kompenzálását próbálgattam, de még nem jött össze olyan kapcsolástechnika, amiben nem szólnak bele egymásba a kompenzáló és az erősítést végző/osztó potik. Tehát vagy hitelesen mérek áramot, vagy 0.000-át mutat terheletlen kimenet esetén. A kettő együtt egyenlőre nem megy. Lomexben megvettem az M20-as dobozt, amibe terveztem a tápot. Kicsit arébb kellett tennem a vízszintes panelon a távtartók furatait, így mostmár a dobozban lévő gyári furatokba lehet felfogatni az áramkört és nem kell semmit gányolni a dobozon. Úgyhogy szeritem nagyon profin fog kinézni. Üdv.!
Engem nem az átkötések léte zavar, hanem hogy az alkatrészek alatt van.
Ahogy mondod; ha az átkötéseket alkatrésznek tekintjük (márpedig azok), akkor olyan mintha pl egy ellenállást, vagy egy tranzisztort tennénk egy ic vagy kijelző alá. Ez szvsz gusztustalan, majdnem annyira mintha például egy ic-t 17 fokkal elforgatva tennék le a panelra. De hangsúlyozom, hogy ez csak az én személyes véleményem. A nagyobbik tápomban az ICL7135 alá mondjuk én is tettem egy átkötést, azóta is szúrja a szemem. Idézet: „A dupla kijelző, gyakorlatilag összeér és a terv szerint kivitelezve a számok távolsága hajszál pontosan egyforma.” Nem arról van szó, hogy a számok távolsága ugyan akkora, hanem hogy a két kijelző közt van rés, a két-két szegmens közt meg nem. De plexit elé rakva ez tényleg lényegtelen. 4,5 digitnek egyébként én sem látom annyira értelmét, maximum a 3,5 digitesek hitelesítésére használható. Inkább a 4 digit szerintem érdekesebb.
Egyébként nekem is nemsokára kész a labortáp
A függőleges panelt nézzétek csak meg rendesen. Nem furcsa rajta valami?És a vizszintes nyák, egészen jól sikerült szerintem.
Az ICL7107-et a panel másik (alkatrész)oldalára kell ültetni!
Az ic, az télleg nem jó helyen van, a tranyókat szigetelve szereld!!!
Üdv
+ Jdani! Nem ártana hővezető pasztát használni, így nem sokat ér a borda...
(A borda furatát sorjázd le mert kilyukaszthatja majd a csillámlemezt!) Egyébként ha ez az első építésed akkor nem rossz, mondjuk kicsit kókány, de a lényeg hogy működjön.... Üdv.!
nemnem. Az az ic jó helyen van. Csak az ic lábait, teljesen fel kell hajlitani, és ugy beletenni. És azért teszem erre az oldalra, mert nekem a kijelző nem ott lesz,. hanem egy külön lapon. Azért, mert a kijelző nagyobb, és más a lábkiosztása.
szabi83 pontosan hogy érted azt h. szigeteljem le a tranyókat? ÉS ott az a hűtőborda, de az kicsi, azért van rajta venti. De azt aventit lehet kötni arra a 12V-os trafóra ami a tápba megy? nekem egy 2x 12V-os 208 mA-es trafó lesz benne. ÉS hát arra gondoltam h. arra fogom rákötni. ÉS hát a 24V-os trafó nem 50W-os hanem 100W-os. Na az nem gond? az kb 4A. ÉS a félvezetőhidam is pont 4A. Azt nem kelessz kicserélni? vagy a 100W-os trafó nem is jó bele?
A 100W-os trafó nem gond, így biztosan nem fogod túlterhelni! A diódahidat viszont érdemes egy kicsit túlméretezni. Nem tudom mennyit eszik az áramör, de szerintem nyugodtan rákötheted! Ált. a negatív ág kevesebbet szokott fogyasztani, akár erre is kötheted a ventit. (-12 a venti földje, és a táp földje a venti + kábele)
A tranyókat azért kell leszigetelni, mert a hűtőfüle azonos potenciálon van az egyik lábbal(ált. középső), és a két tranyó hűtőfüle nem azonos potenciálon van, és ha ezt egy bordára csavarozod szigetelés nélkül, akkor egy szép kis zárlatot tudsz okozni. Idézet: „Az az ic jó helyen van. Csak az ic lábait, teljesen fel kell hajlitani, és ugy beletenni.” Tehát végülis ki akarod fordítani az ic-t, hogy az ICL7107 felirat felé nézzenek a lábak? Ha igen, akkor ez a képeken nem látszik. Na de hogy fog szegény IC így kinézni?! Ha mindenképpen ezt a megoldást választod, akkor javaslom hogy ne kézzel hajtogasd át a lábakat! A ventid egyenfeszültségről működik vagy váltóról? Idézet: „pontosan hogy érted azt h. szigeteljem le a tranyókat?” nálam ez a sorrend: borda, paszta, szigetelő (csillám), paszta, tranyó és a csavarra való -megfelelő- műanyag szigetelő cucc(nippel). szigetelő cuccok: Bővebben: Link Bővebben: Link Bővebben: Link valahogy így: kép Üdv
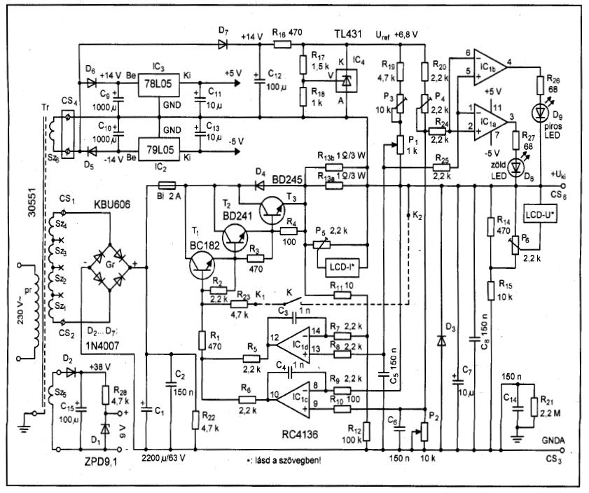
Keresem az Urbán féle labortáp rajzát (ezt egységcsomagként árulja, és ahhoz ad dokumentációt). Ha valakinek megvan, azt megkérem tegye fel, vagy küldje el nekem. Szeretném megnézegetni.
A venti egyenáramról működik. (a proci hűtéséről szedtem ki régebben) már találtam, és vettem oylan szigetelő akármit. És akor hűtőpaszta is muszály?
Egyébként az ic-ből rendeltem 4 mintát, tehát a véletlenül letörgelnek a lábai, vanmásik pót ic :d És van benne gey ilyen 1000uf-s kondi. Nem is figyeltem beforrasztásko, hogy hogy néz ki, csak most vetemészre, mintha szét lene nyilva. Ezt a kondit cseréljem ki? WORD csodákra képes, tessék használni :hehe: javítva, legközelebb tessék figyelni!szabi83 Szabi beelőzött... Pedig már én is rajta voltam az ügyön. Frankye
hopáré. Bocsi hogy nagybetűvel irtam, de nem vettem észre
Egyébként az IC nem fog hülyén kinézni, mert dobozba lesz az egész labortáp a kijelzővel, és a trafóval együtt
Attila86, azt alakította át, bár nem hiszem, hogy a rajzon változott valami
csak extrákat kapott.. :hehe:
Beletrafáltál, pont ezt a vonalat szeretném tisztán látni. Attila86 már megvan, Urbán még kellene. Így korrekt lesz az összehasonlíás (vagy ha akarod "tanulságtétel")
Remek, köszönöm! Most már nálam a labda.
emg tudnátok nekem mondani, hogy hova kössem a 24V / 12V / 12V / és a kimenetet?
Bővebben: Link
A 24V az SZ2 nevezetű sorkapocsra megy, ami a linkelt képen a bal felső sarokban van. A 2db 12V egyikét a bal alsó sarokban lévő SZ1-re kell kötni, a másik 12V-ot pedig a jobb felső sarokban lévő SZ3 sorkapocsra.
Bajtársak!
Áttanulmányoztam Attila86 labortápját, és annak Urbán-féle eredetijét is. Ha jól sejtem, mindkettőből elkészült több példány is, Urbánt még egységcsomagként is árulják. Mindezek ellenére van két dolog, ami borzasztóan csípi a szememet. Egyik a biztosíték. Már az is határeset, hogy egyáltalán van, mert dobozolás után mindig szét kell szedni az eszközt a cseréhez, de végül is, ha teljesen megsemmisül a stabilizátor panelje, akkor megvédi a trafót. De az értéke 2A!!!, sőt még ráadásul gyors kiolvadású. Ha most tudjuk, hogy Urbán 3A, Attila86 2A névleges (mondhatjuk üzemszerűen megengedett) áramot ígér nekünk, akkor törött lábú, macskabolha legyek, ha az a biztosíték pár perctől tovább bírja. Persze az amatőr nem buta, hamar rájön, és berak egy nagyobb biztit. Másik ügy már sokkal rázósabb, nem lehet az előzőhöz hasonló „Gordiuszi**” leleménnyel megoldani. Ez az áteresztő-tranzisztor. (Muszáj közbe szúrnom, hogy Attila86 24V-os szekunder előírása nem elég a 30V-os stabil egyenfeszültségű kimenethez, Urbán 30V-ja meg már talán túlzottan sok tartalék, de a kettő közt ott van az igazság). Számoljunk egy kicsit. Induljunk ki mondjuk 28V-os szekunderből. Ezt egyenirányítva és pufferelve 28x1,41-0,7=38,78V (kb. 0,7V esik a greatzen, és ez terheletlen érték). Most tételezzük fel, hogy mondjuk 5V-ra állítjuk be a tápot, és gonosz módon ki akarjuk venni a határérték 3A-t (Urbán). Ekkor ugye a különbség 38-5=33V-ot, el kell valahol tüntetni. Éppen erre van ott a BD245. Azon esik ennyi, és közben folyik a 3A, ami barátok közt is 33x3= majdnem 100W. (Tudom, hogy van veszteség, meg szekunder feszültségesés, meg más irányokba is folynak még áramok, de a főcsapás azért ez.) Nos ha én BD245 lennék, borzasztóan csúnya szavak jutnának eszembe, ha ilyen, vagy ehhez hasonló körümények között kellene léteznem. Mondjuk van az a hűtési intenzitás, ami képes ennyi hőt elvezetni, de az egészen biztos, hogy nincs arányban a tranzisztor megduplázásának költségeivel. (mondjuk pl. valamilyen folyékony gázzal lehűthetnénk mínusz százegynehány fokra, csak nehogy szupravezető legyen belőle. Ez tréfa, nehogy megcsináljátok!!) Fontos kiemelnem, hogy véleményem szerint a labortápnak korlátlan ideig, nagy megbízhatósági mutató mellett kell tudnia, a határértékeinek maximumait is. Véleményezzétek a dilemmáimat, nekem kell szemcseppet használni, vagy valóban nagyon irritatív dolgok vannak a levegőben, amik joggal marják a szememet, és azonnali szellőztetés szükséges. (** Az ipse nem vacakolt a híres csomó kibogozásával, hanem elnyisszantotta azt)
Szerintem jól számolsz.
A legtöbb tápegység/erősítő....stb.-nél a disszipáció a tervező számára csak valami elhanyagolható apró probléma. Az olvadóbetét no comment, bár ha a kiolvadásához szükséges áramot nézem, ami több a névlegestől, akár el is bírhatja , persze nem az 50% pluszt! Szerintem a 21. században olvadóbetétet szekunder oldalra rakni egy ilyen áramkörben piciny anakronizmus. Ha korrekt labortápokat megnézel, akkor vagy több leágazásos trafót kapcsolgat vagy kapcsolóüzemű előszabályozást tartalmaz, adott hőfok elérése esetén forszírozott ventillátoros hűtéssel, mely nem csak a bordát de a házat is szellőzteti. Ettől még ha ismered a korlátait szerintem használható kapcsolások, csak picit át kell gondolni a hűtést és a soros áteresztőelemet. -szerintem-
+ 50 %-ot nagyon sokáig ki szoktak bírni a biztik, ha jól emlékszem a tapasztaltakra.
A tranyó egyértelműen brutálisan alul van méretezve, még akkor is, ha terhelve úgysem lesz 38V a betáp, hanem inkább csak 32V. Minimum 2 db BD249 kellene jó hűtéssel a hosszú idejű stabil működéshez. (Egyébként 5 V kimenet az nem is igazán gonosz. A zárlatot is bármeddig kell bírnia.) |
Bejelentkezés
Hirdetés |





A függőleges panelt nézzétek csak meg rendesen. Nem furcsa rajta valami?








csak extrákat kapott.. :hehe:






