Fórum témák
» Több friss téma |
Helo
Van nekem egy távirányitó ami aliveleg 433-as frek. és 5 V-on üzemel van a vevő egységén egy Aurek BC-NBK vevő és az adoján meg valami kis kör alaku valami. (fénykép is lesz ha kell). A fő kérdésem az lenne hogy ezt át lehetne ugy alakitani hogy 3 gonb az adón 3 különböző relét müködtesen a vevőrészen PIC nélkül, és valami egyszerü megoldásal.?(((Láttam már azt a ciket amibe ugyanez a vevő van benne csak azt nincs leirva amire én kiváncsi vagyok.))) (Az adón 3 gonb gyárilag van és van rajra valami 10 huzogálható egybefügő többlábu fehér kapcsolók is aminek hirtelken nem jut eszembe a neve.)
Ha van benne kóder/dekóder IC páros, akkor alapból 4 csatornád van, tehát 4 relét is kapcsolhatsz. Persze nem közvetlenül az IC-vel.
2262/2272 vagy HT12D-12E, esetleg ezek klónjai, ilyet keress rajta. Az adatlap alapján lehet kódolni, valószínű az a kapcsolósor arra való, ha jól értettelek... Üdv Inhouse
Hu köszi pont ijen van rajta HT12 e vagy f nemtom pontosan de ijen van rajta.
Az a gond hogy ezen gyárilag van 1relé bekötve és akkor 2-3 rellét kelene még hozzá bekötni és nem tom hogy ezt hogy oldajam meg mijen kapcsolással ,hova kösem a relt meg mit kel még beszerezni? a képeket a mai nap folyamán feltöltöm hátha az segit valamit. Ráadásul a panel sem jó már vagyis elégé megviselt és szeretném vezetékkel helyetesiteni.
Ugy döntöttem képeket mégsem tudom felrakni mert túl homályosak és nem látszik rajta semmi de már megnéztem hogy a vevő egységen HT12F jelü van az adón meg HT12E jelzésü ezköz van.
a kapcsolósoron az adó részém 10db fehér pöcök van a vevőn pedig 12db. Akkor hova kellene bekötnöm a dolgokat? Valami kapcsolási rajzot tud valaki adni? Ja és ha 4 nacsorna van akkor meik csatornához meik kapcsolóérsz van rendelve,mijen a felosztása??
Ha már tényleg eléggé megviselt, inkább nyákot kellene neki csinálni, főleg, mert rádiós az átvitel. A digitális részre csak-csak lehet drótozni, de a vevőáramkört el is hangolhatod ezzel.
Egyszerű, de okos darabok a HT-k. Az adón az a Idézet: DIP-kapcsolók, az adó és a vevő azonosítását teszik lehetővé: a vevő csak annak az adónak a jelét hajlandó érvényesnek tekinteni, amelyiknek a címe megegyezik a sajátjával.„valami 10 huzogálható egybefügő többlábu fehér kapcsolók” Ha most csak egy relét hajt meg a vevő, akkor kérdés, hogy HT12D, vagy HT12F van benne. Ez utóbbinak nincsenek adatkimenetei, csak az érvényes vételt tudja jelezni a VT lábán. A HT12D-nek viszont van 4 adatvonala is, és ezen megjelennek a távirányító gombjainak állásai, ha rendben befejeződött az átvitel, és a következő vételig meg is tartják az állapotukat. Teszek fel róluk adatlapot, abban a komplett kapcsolást is látod adóra-vevőre. PS: most vettem észre, hogy közben megírtad a vevő típusát, és HT12F. Ezzel, mint fent is írtam, nem fog menni a négy csatorna vétele.
Kösz ezzel most sokat segitettél.
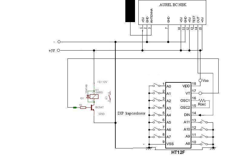
Akkor ezek szerint ha 4 relét akarok rákötni akkor venni kel egy HT12D jelzésü decoder és betenni az eddigi helyére.???A kapcsolását kezdem kapisgálni és tán menni fog.Akkor a kimeneti pontra rögtön mehet a relé ijen kapcsolássalhttp://88.151.101.28/kapcsolasok/files/topi_4342/relay.gif Kb menyibe kerül egy HT12D szerkezet?
Beteheted az eddigi helyére, viszont a 12-es DIP-kapcsolóból csak 8 kell neki, mert az adatlábain (D8...D11) most már nem a cím egy része lesz lekódolva, hanem a távirnya gombjainak állását kapod, azaz bemenetről kimenetre változnak azok a pontok. Ez annyit jelent, hogy vagy kiveszed a DIP-et és teszel helyette 8-ast, vagy benne hagyod az érintett lábaknál szétkapcsolva, és a lábakról úgy vezeted ki a vonalaidat.
A relé meghajtására a majdnem jól linkelt kapcsolás alkalmas, az ellenállást akár nagyobbra is állíthatod a relé soros ellenállásától függően, de ezzel is működni fog.
Ja, és itt az első találat a vételre, nem veszélyes, 1138 Ft. Lehet, hogy van olcsóbban is, keress rá a nagyobb kereskedőknél.
Kösz mindent
Ha meglesznek a dolgok jelentkezem.
Csináltam egy kapcsolási rajzot (igaz csak Paint) és szeretném megkérdezni hogy szerintetek ez jól van e igy?
Működni fog? Kép: Hivatkozás
Az a két láb a belső RC oszcillátor két pontja, az adatlap szerint egy 51 kOhm-os ellenállást kéne rá tenni, 150 kHz sajátfrekihez. Próbálj meg egy 50 kOhm-osat, ha nem jön be, akkor egy 47 kOhm-os ellenállást meg vele sorban egy 4k7-es potit, hangold addig, míg nem jó az átvitel, utána a kettőt leméred, és keresel egy megfelelő ellenállást.
Ha végképp nem sikerül, meg kéne nézni az adón, hogy ott milyen ellenállást tettek a két OSC láb közé, neked ugyanolyan kell a vevőn.
Hello!
Én úgy tudom, hogy az adó részhez 455kHz-ez kerámiarezonátor kell, ehhez a vevőnél 51k passzol. Nekem van egy ilyen HT12-es kóder/dekóder párosom infrával... CS
Ez így csak "1 csatornás". Ez az IC ennyit tud.
Ha HT12D-vel csinálod, akkor van 4 különálló csatornád. Ott már ne a VT-t használd, hanem a 4db data lábat. Üdv Inhouse
Lehet... Én az MC145026/MC145027 párost szoktam használni, HT1-vel még nem építettem.
Egyébként a HT12D adatlapja is RC oszcillátort mutat példaként, 51 kOhm ellenállással, 150 kHz belső frekvenciához.
Gyárilag 39 KOHM-es ellenálás van benne.
Az adóegység meg 12V-ról müködik és abba már megint más van.Azt is megnézem hogy hanyas és akkor ki lehet számolni hogy mijen frekvencián megy. Vagy tévedek?
Nem tévedsz. Viszont az adatlapot sem nézegeted
A decoder adatlapjának 5. oldalán, az encoder adatlapjának pedig a 9. oldalán ott van egy-egy szép nagy diagram, ami a belső frekvencia, az Rosc ellenállás, valamint a tápfeszültség összefüggését vesézi ki. Ha el tudod olvasni az ellenállás értékét, és ismered a tápfeszültséget, egy vonallal már meg is kapod a frekit. Sőt, mindkét diagram alatt ott van, hogy az egyes encoder-ekhez mekkorára illik választani a decoder frekvenciáját.Most hirtelen azt nem értem, hogy ha eddig ez az adó-vevő páros jól működött, illetve a korábban csatolt rajzodon továbbra is csak egy relé meghajtása szerepel (azaz nem cseréltél sem encoder-t, sem decoder-t), akkor miért is kell a frekvenciával foglalkozni?
Én épp azért mondom mert megnéztem azokat az ábrákat és a működéshez egy frekvencián kell lenie. Nem?
Egyenlőre ezzel a decoderel akarom megcsinálni hogy érdemes e vele foglalkozni ha ez igy müködik már egyszerübb csak a z OSC ellenálást kicserélni és még 3 relét hozzákapcsolni uj decoder esetén, mert aszem nem fogok uj nyákot használni hanem az eredeti panelen az öszekötetéseket a hibás helyeken megszüntetem és vékony szigetelt vezetékekkel helyetesitem. Vagy csinálok mégegy ugyanijen kapcsolást de már a D12-essel és lesz 2 vevő egységem. Az eddigi távirányitó mikor megszereztem akkor hibás volt és volt a relé részem valami forasztgatás, a panelen nem voltak jók az öszekötetések kiégetett részek a forasztásnál a lábak mozogtak, de a vevőérsz és decoder a Dippel ébresztett némi reményt...... :buck:
Nem kevered te a vivőfrekvenciát a működésivel?
Úgy van benne az adatlapban, HT12E encoder esetére, hogy a decoder működési frekvenciája az encoder-ének kb. az ötvenszerese legyen.
Hát az biztos
Biztosan jobban tudod mint én.Ezért irtam és kérdezek dolgokat a fórumon. Sima villanyszerelőtanonc még ijeket nem tud de ez inkább nem is ehez a szakmához tartozik, de engemet érdekel, a közös a ketőben hogy áramal megy és ez a lényeg
Sziasztok!
Nem akartam új témát nyitni, főleg, hogy nem is tudtam volna minek elnevezni ![]() Olyan problémám van, hogy van nekünk egy nagyon régi TeleMax gyártmányú műhold-vevő beltéri egységünk, aminek a távirányítója kezdettől olyan, hogy csak nagyon pontos célzás esetén vezér a gépet. Ez azt eredményezi, hogy 1-2m-nél messzebbről szinte lehetetlen vele dolgozni (5m-ről is viszi, csak egy 5m-es élére állított zsaludeszka mellé kell fogni szorosan). A Videoton TV távunk pedig hogyha felviszem az emeletre és belecélzok vele a WC-be akkor is gond nélkül irányít. Mostanában vettünk helyette egy nagy lapos TV-t és attól már jobb lenne távolabb ülni 1m-nél. Mit lehetne ezen tuningolni, hogy jobb legyen? Üdvözlettel Marci
Szevasztok!
Egy egyszerű de mégis elgondolkodtató problémára keresem a megoldást! A HT12E Encoder IC-vel küldött adatot a HT12D típusú Decoder IC- fogadja és a adat kimeneten (D8-11) megjelenő jel állapota álandó addig még nem törlöm, vagy küldök egy újabb adatot. A problémám az hogy a gombnyomást követően (HT12E_AD8-11) a jel állapota ami a kimeneten van (HT12D_D8-11), állandó! Hogyan küszöbölhető ki hogy a jel addig legyen jelen még a gombot nyomva tartom, ha elengedem a gombot akkor a jel megszünjön a (HT12D) adat kimeneten! Üdvözlettel! hbe
Szia!
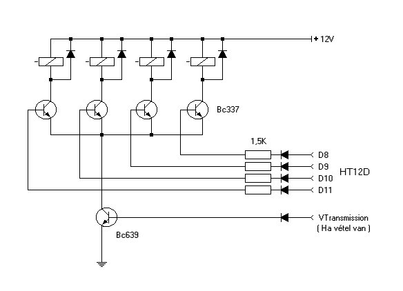
Javaslom ezt a kínai kp zár vezérlőben elkövetett megoldást. Tulajdonképpen egy és kapcsolat tranzisztorokkal... Távirányítós kp zár vezérlő általam visszarajzolva Üdv Inhouse
Mivel jártál azóta erre, esetleg írnál valamit....?
Üdv Inhouse
Üdv!
Elnézést kérek csak isszonyat elvagyok foglalva, nem volt időm foglalkozni vele! Köszönöm a segítséged! Megnéztem a kp vezérlő kapcsolását így futtába és beugrott a megoldás ezáltal egyszerűen megoldható 5db tranzisztorral elvileg. Még gyakorlatba ki kell próbálnom, összedobtam egy rajzot talán működő képes. hbe
Szia!
Ha kérdezni van időd, nekünk meg válaszolni, akkor legyen már egy reagálásra még... Szívesen. Üdv Inhouse |
Bejelentkezés
Hirdetés |





A decoder adatlapjának 5. oldalán, az encoder adatlapjának pedig a 9. oldalán ott van egy-egy szép nagy diagram, ami a belső frekvencia, az Rosc ellenállás, valamint a tápfeszültség összefüggését vesézi ki. Ha el tudod olvasni az ellenállás értékét, és ismered a tápfeszültséget, egy vonallal már meg is kapod a frekit. Sőt, mindkét diagram alatt ott van, hogy az egyes encoder-ekhez mekkorára illik választani a decoder frekvenciáját.
Biztosan jobban tudod mint én.






