Fórum témák
» Több friss téma |
Szia!
Azért ez nem ilyen egyszerű. A GI(L) időrelé nem mágneskapcsoló. A mágneskapcsoló a működtető feszültség ráadásakor zárja az érintkezőit és TELJESÍTMÉNYT (akár több 100A típustól függően) kapcsol. Az időrelé a vezérlőjel hatására időzített feladato(ka)t hajt végre. Viszont igen kis áramokat (<8A általában) képes kapcsolni. És ezt sem igazán motorikus fogyasztóként. A te motorod kb 5A körüli áramfelvételt produkál és induktív fogyasztó. A megoldás egy mágneskapcsoló és motorvédelem egybeépítése. Azt tudod nyomógombbal működtetni. Ebbe, ha szeretnél valami időzített indítást vagy leállítást, akár az időreléd is beépíthető. Ha leírod mit szeretnél, szívesen küldök egy kapcsolást.
Sziasztok! Bekötöttem az ELKO VS425-22 mágneskapcsolót a lentebb talált (Proli007) rajza szerint, mivel ha nem vagyok otthon napokig piciny házamban gáz hiányában elektromos fűtés van. Azt szerettem volna, hogy ha van vezérelt, akkor arról menjen. Ahogy jött a vezérelt áram, levágta a vezéreltnek az 1 fázisú FI reléjét
Gondoltam, hogy esetleg a mágneskapcsoló olyan gyors, hogy a FI relé még úgy érzi megy a bappali és a vezérelt is együtt.......... bekötöttem a mágneskapcsolót a vezérelt FI relé elé, hogy ha így működik, majd veszek még egy FI relét a kapcsolt körre is, hogy biztonságos legyen. Erre már nagyon szépen kapcsolta a vezérelt áramot a rendszeremre, és levágta a 3 fázisú FI relémet ..........Hűt most vakarom a fejem mitévő legyek. 5-ször átnéztem mindent, a bekötés jó, a vezéreltnek a fázisa és a nullája is külön be van kötve, és az húzza meg a kapcsolót. Mit lehet tenni? Biztosan más is csinált már ilyet, csak nálam nem működik valamiért? Köszönöm előre is az ötleteket!
Hello! Elsőként azt kellene megnézni, hogy a vezérelt és normál fázisa azonos fázis-e. De még ha azonos, a FI relével akkor is gond lehet, mert terhelés alatt ha az érintkező bont, nem biztos hogy az ív kialszik azon idő alatt, míg a záró kontaktus zár. És már is folyhat áram egyik kör felől a másik felé. Ezt meg érzékelheti a FI relé. üdv!
Hello! Köszi az infót, valami hasonló íves dologra gondoltam én is. Azt, hogy azonos e a fázis, nehéz lenne megnéznem, mert gyönyörűen le van blombázva a csodás "kis" 150 ezres doboz amit letettek. máshogyan meg gondolom nem tudom kimérni, mert utána vannak a megszakítóim amit én kezelni tudok. (vagy ha van veszérelt áram, feszültség alatt egyszerűen nyomjam rá a szakadásvizsgálót minden fázis és a vezérelt közé? Na ezt még nem próbáltam.)
És szerinted mi lehet a megoldás? Az üzletben ahol a mágneskapcsolót vettem, azt mondták erre a célra szokták vinni. akkor nekik még nincs FI relé, vagy elé kötik be (de akkor vennem kell még egyet, hogy a kapcsolt körre is rakjak?) Köszi, kellemes hétvégét! A hozzászólás módosítva: Márc 8, 2014
Hello! Ahhoz, hogy megállapítsd azonos fázison van-e kettő vagy sem, nem kell a semmi plombázott dologhoz nyúlni. Mindössze, amikor a kapcsolt villany is meg van, meg kell mérni a két fázis közötti feszültség különbséget. Ha nincs közöttük feszültség, azonos a két fázis, ha 400V van köztük, akkor másik fázison van a kapcsolt.
Ha van feszültség, akkor a normálnál a három fázis közül azt kell választani, amelyiken nincs feszültség a kettő között. Ha azt mondják ehhez szokták vinni és jó is (alapvetően az ívoltás megoldásától, és a kontaktusok távolságától/zárási-bontási idejétől függ a dolog, csak én nem ismerem ezeket a mágneskapcsolókat és sok adatot sem látok róla), akkor várhatóan a FI relék szólnak bele a dologba. üsd!
Köszi szépen
eszembe sem jutott a feszültségkülönbség mérése..... pedig egyértelmű.Jövő héten kipróbálom hogy ugyanarra a fázisra kötöm......... bár a másik kettőn meg ugyebár nincs annyi amperem
Sziasztok
Segítséget szeretnék kérni nálunk olaj mágneskapcsoló kapcsolja be a 380V-os szivattyút, de van olyan gond vele hogy elég gyakran szaggatva húz be. A mágneskapcsoló Mol 28-as. Már az összes vezetéket átnéztem benne nem-e érintkezési hiba lenne, de nem, a réz érintkezőket az olajkapcsolóban is meg a nyomáskapcsolóban is megtisztítottam fényesre, de így is szaggatva húz be. A rendszer valahogy úgy áll össze hogy a nyomáskapcsoló ha bekapcsol adja az áramot az olaj mágneskapcsolónak ( a Mol 28-nak), szegényben már alig volt olaj is azt tettünk bele de nem javult a helyzet. Valakinek van valami ötlete hogy mi baja lehet ?
Hello! Próbáld meg a nyomáskapcsolót egy sima kapcsolóval helyettesíteni, és ha kipróbálod, akkor megtudod melyik a ludas. De nagy valószínűséggel a nyomáskapcsoló nem kapcsol határozottan, vagy kicsi a hiszterézise, vagy a nyomás leng valamiért, mikor indul a szivattyú.
Meg is próbálkozok vele.
Sziasztok!
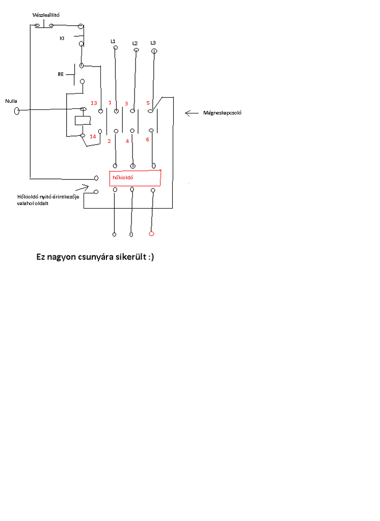
eszterga gépet szeretnék bekötni. Amit szeretnék megvalósítani: mágneskapcsoló +hőkioldó (ez adott), 3 fázisú főkapcsoló, és egy vészleállító. A mágneskapcsolóról linkeltem fotót. Tud valaki segíteni, hogy kössem be? Esetleg kell még valami a rendszerhez? Köszi
Hello! Szerintem fotók helyett (v. mellett) a kiválasztott alkotórészek típusszámát is írd meg. Valamint úgy gondolom, hogy egy esztergánál, forgásirány váltásra is szükség van.. Akkor pedig irányváltó kapcsoló, másik mágneskapcsoló. stb. is szükséges lesz.
Hello!
Kicsit pontosabban fogalmazok. Kaptam egy esztergát, amin gyárilag egy mágneskapcsoló volt hőkioldóval. Ez nem működött (nem húzott be) és ezt szeretném kicserélni, illetve átalakítani. Jelenleg az eszterga hátoldalán a doboz így néz ki : 3 fázis bemenet 3 fázis kimenet. Ide szeretném a Siemens 3TA 21 11-0A típusú mágneskapcsolót bekötni úgy, hogy pluszba legyen egy vészleállító is. Irányváltó kapcsoló van beépítve gyárilag (típusát nem tudni/látni). a Motorról az adattábla. Illetve a bekötése (Sajnos csak telefonos képeket tudok készíteni). Köszi
Helló. Az irányváltás és a sebességváltás a gépben van, ha jól értelmezem. Ugy látom két sebességes motor.
A betáp oldalra kell kötni a mágneskapcsolót.
Szia!
Köszi, majd kipróbálom ez alapján. A Be ill Ki kapcsoló az nyomógomb lenne? Illetve eddig nem volt 0-a bevezetve az esztergához.
Igen, ott nyomógombra gondoltam. Ha nincs nullád, a mágneskapcsolóba fázist kötsz, de akkor 400v-os a mágneskapcsoló tekercse. L1 vagy L2
A hozzászólás módosítva: Szept 21, 2014
Sziasztok!
Központi fűtés keringtető szivattyúja jelenleg nappali áramról megy. Olyan vezérlést szeretnék hozzá csinálni, hogy amint megjön az éjszakai akkor arról menjen, egyébként kapcsoljon vissza. Van egy DIL 0-52-es mágneskapcsolóm. Ha ez jó hozzá akkor hogyan kössem be, ha nem, akkor mire van szükségem? (tök amatőr vagyok )
Annyira kicsi a fogyasztása, hogy nincs értelme átkapcsoltatni.
Sziasztok !
Háromfázisú villanymotorra szeretném rákötni a képen látható hővédő relét és a mágneskapcsolót Melyik a helyes sorrend, hálózat - hővédőrelé - mágneskapcsoló - villanymotor vagy hálózat - mágneskapcsoló - hővédőrelé - villanymotor ? Ehhez a mágneskapcsolóhoz még kell egy ki meg be kapcsoló csak akkor fog működni ? Elektromágnesre hogy kell rákötni, hogy reteszeljen a mágneskapcsoló ? Előre is köszönöm a segítséget ?
Hello! Természetesen kell még egy KI és BE nyomógomb. A rajzon még egy vészleállító nyomógomb is van, ezek általában mechanikusan is önreteszelő gombok. De nem törvényszerű a használatuk. A rajz gondolom minden kérdésedre választ ad.
Rajz nagy segítség ezzel megtudom oldani a problémám .
Köszönöm szépen a válaszod !
A 40ADC mellett fontos lenne a főáramkör feszültségszintje is.
pl. 48VDC-ig, a Schneider-nél a normál készülékeket általában lehet alkalmazni, felette csak DC-re gyártott készüléket. 220VDC-re már a normál készülékeknél a katalógus megadja mennyi főáramköri érintkezőt kell sorbakötni és nem minden készüléket lehet használni. Ha a főáramkör 12-24V akkor autórelék között könnyen találhatsz megfelelőt. Hopsz közben áthelyezték. A hozzászólás módosítva: Dec 3, 2014
Üdv!
Jobb híján más topikot nem találtam, talán ez a megfelelő hely a kérdésre, mivel egy kapcsolási módra szeretnék fényt deríteni. A kapcsolás amit keresek, egy működő berendezés része, egy fázisjavító berendezés. Nagyon lehetőségem nincs rá, hogy visszafejtsem a kapcsolást, és valami trükkös megoldás lehet, nem lehet túl komplikált. A berendezés elég öreg, több évtizedes, tehát ma már nem biztos hogy köztudatban van a kapcsolás. De rátérek a működtetésre: Nem tudom pontosan hány db mágneskapcsolóval üzemel, 5, vagy 6db, de minimum 3db kell a reprodukcióhoz. A behúzás-öntartás egy null állapotba visszaálló forgókapcsolóval indítható. Ami úgy működik, hogy jobbra balra elfordítható, de visszaáll rugó erő ellenében közép állásba. De ez felfogható talán két független nyomógombnak, amit egy kezelőszervvel lehet működtetni. (Vannak ilyen modul szerűen, igénynek megfelelően összerakható nyomógombok, kapcsolók. /Akik még nem ismernék/) A kikapcsolás ugyan ez, plusz egy harmadik kapcsoló, ami az egész mk sort egyszerre kapcsolja ki. Ez fix állású. Ennek az áramkörben való elhelyezkedése nem kérdéses, vagy a betáp eleje, vagy a felfűzött nulla végén... El is hagyható... A működés úgy történik, hogy mindig csak az ellentétes irányú kapcsoló állásnál húz meg egy mk. Hiába fordítom kétszer jobbra, vagy balra, akkor csak az első lép be. Pontosabban a kezdés bal, de ez szerintem részletkérdés, fordítva is lehetne... Szóval, a logikai ábra: B-1f., 2J-2f, 3B-3f, 4J-4 fokozat Valahogy fel van fűzve az mk sor, de nem tudok rájönni a logikájára. A két be nyomógombos öntartásból próbáltam kiindúlni, nem sok sikerrel. Ha záróéritkezőre fűzöm fel a fokozatokat, és kétfelé veszem, akkor az indításnál két mk húz meg egyszerre. Ami mondjuk egyértelmű. Remélem nagyjából érthető amit írtam! ![]() Köszönök minden segítséget!
Helló.
Egy kis segítségre lenne szükségem. Egy ház áramellátását mágneskapcsolón keresztül szeretném kapcsolni. 1X32A. Kérdésem, hogy az alábbi mágneskapcsolónál, a 7,5kw, az érintkezőnként ,vagy a 3 érintkezőn egyszerre mehet? Siemens sirius 3RT2518-2AP00Bővebben: Link
Itt az adatlapja. Arról az oldalról amit LINK-eltél. E szerint kontaktusonként.
Akkor, ha párhuzamosítom az érintkezőket, meg sem kottyan neki 1 fázis 32A, ha jól értem. Vagyis egy érintkező is elbírja, de ha a két No-t összekötöm, akkor már biztos lehetek a dologban, hogy nem lesz melegedés, vagy egyéb.
Sziasztok!
Adott egy 3 fázisú kompresszor mágneskapcsolója, ami eddig úgy működött, hogy rendelkezésre állt a 3 fázis és a nulla. Védőföld nem volt, mert 4 pólusú volt a csatlakozója. Ezt a megoldást nem preferálom, hogy nincs föld, bár a nullázás még elmenne, csak ahhoz normális keresztmetszet kellene. Szóval a kérdés mit kezdjek ezzel a mágneskapcsolóval ami egy DIL 0-52-es és 220V-os a behúzótekercse. Nyilván a legkézenfekvőbb a tekercs cseréje 380V-ra (400V), ha sikerül szerzek, ha nem van e valami használható megoldás? Amire gondoltam pl. egy dióda egyutas egyenirányítással az áram (és a feszültség) felét levágja. Az effektív érték 200V lesz arról el kellene mennie egy 220V-os tekercsnek. Vélemények? XVIII. Csak egy helyen kérdezz! A fórumon egy kérdést egyszerre csak egy helyre tegyünk fel. A hozzászólás módosítva: Jún 9, 2017
Dióda nem lesz jó. Egyenirányít - felmágneseződhet. Jobb megoldás egy előtétlámpa (értsd:ellenállás), ami egyúttal visszajelzés lehet.
Szerintem méretezett "feszültségosztóval" megoldható, ha az izzós megoldás nem kell.
Megméred a tekercs ellenállását pontosan (levonva a mérővezeték ellenállását), és az előtétellenállást ahoz számolod ezzel a kalkulátorral: Feszültségosztó méretezés... Neked a harmadik kalkulátor kell, beírod a bemenő feszültséget, a tekercs feszültséget, valamint a tekercs ellenállását (R2). A kalkulátor megadja az előtétellenállás (R1) értékét. De utánna számolj teljesítményt is, mert az R1 ellenállás eléggé fűteni fog érzésem szerint. Ha kis teljesítményűt hsználsz, akkor simán leég. |
Bejelentkezés
Hirdetés |




Gondoltam, hogy esetleg a mágneskapcsoló olyan gyors, hogy a FI relé még úgy érzi megy a bappali és a vezérelt is együtt.......... bekötöttem a mágneskapcsolót a vezérelt FI relé elé, hogy ha így működik, majd veszek még egy FI relét a kapcsolt körre is, hogy biztonságos legyen. Erre már nagyon szépen kapcsolta a vezérelt áramot a rendszeremre, és levágta a 3 fázisú FI relémet ..........
eszembe sem jutott a feszültségkülönbség mérése..... pedig egyértelmű.



) 

