Fórum témák
» Több friss téma |
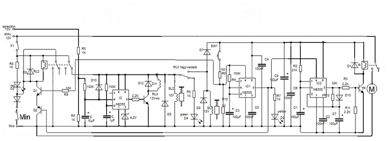
Hello! Az már felmerült nálam is, hogy a 3 másodperces indítás lehet, hogy hosszú, ezért is írtam, hogy kifejezetten jó, ha a "0"- '1' időzítést külön tudom állítani. Tervezésben nem befolyásol, mérések után tudom változtatni, és max. más értékű ellenállást forrasztok be. Időzítés esetén mekkora kéne?
Ami az üzemanyagot illeti. Már gondolkodtam vmi üzemanyagszint mérőn én is, ami túl alacsony szint esetén már az indítást sem engedi meg, ill. leállítja a motort (pl.: K1-gyel sorba kötött kapcsoló, érintkező, ami alacsony szint esetén bont). Ha ez nem valósul meg: pl motor leáll nem fogy újraindítani, ha az RL3 meghúzás után a tápját diódás VAGY kapcsolattal megoldva akkuról és aggregátorról kapná. Akkuról csak másodlagosan menne, így K1 bontásáig maradna öntartó.
Hello!
- "Időzítés esetén mekkora kéne?" Ebben a bekezdésben, mintha a kérdés nem a bekezdésben leírtakra vonatkozna. Mert nem értem.. - Megállítani a motort üzemanyag hiány (vagy más hiba) esetén, talán ésszerűbb az RL2 öntartásba vezérlésével. Jelzi is, és nem kapkod, ha a leállítás ki-be kapcsolgatna.
Hello!
-Az időzítéses kérdésem az RL3-mal kapcsolatos felvetésedre vonatkozik. -Ha üzemanyag hiány miatt kéne leállítani, és azt az RL2-vel akarom, akkor valami módon legalább kéne tudnom, hogy a tartály minimum szintjét mikor érem el. Ha ezt tudnám, annak még az lenne az előnye, hogy túl alacsony szint esetén már indítani se tudnék. De sajnos amiket találtam folyadékszint mérőket, egyiket sem igazán aggregátorhoz találták ki. Van a tartályon egy egyszerű visszajelző, de szerintem nem valami megbízható. Ötletem még nincs rá, a tartályt meg annyira nem akarom szét "berhelni". -Egyéb hiba alatt mire gondolsz? Idézet: Ezt én nem értem igazán.„Jelzi is, és nem kapkod, ha a leállítás ki-be kapcsolgatna.” -Kicsit bővítettem. Ha vmi miatt leáll a motor, magától sose fogy újraindulni. -Tettem be egy C9-et értékét lehet, hogy változtatni kell még. Lényege, hogy egy sikertelen indítás után pár másodpercig egyáltalán ne lehessen újra próbálkozni.
Hello!
- Fogalmam sincs, ez csak akkor tudod megmondani, ha megfigyeled a motor indítását-leállását. - Az, az "egyszerű" visszajelző, bőven megteszi, ha az egy kontaktus. Mint láthatod, ha az testre zár, öntartásba viszi az RL2 "hibarelét". - A zéner felesleges, mert nem tud visszajutni semmi a tápra a diódák miatt. Viszont az aksi kapásból kinyírná a 10..11V-os zénert. - A C9 nem megfelelő erre a célra. Egy kis-relének is 50mA körül van az áramfelvétele. A 470µF kb. 60ms-ig tartaná meg a relét. Cserébe viszont kinyírná a Q1-Q2 tranyót. - Mint jeleztem is, RL3 csak akkor tud meghúzni, ha RL1 ejtve van. De ez azt jelenti, hogy az indítómotor csak akkor tud leállni, ha letelt a 3sec. Hiába pörgött fel az aggregátor. Jó ez így?
Hello!
-Sajnos a visszajelzőn semmi elektronika nincs, mint a mellékelt képen is látható. Keresgéltem az elektromos kontaktussal felszerelt mérőt, de mindegyikhez ki kéne fúrnom a tartályt, amit nem igazán szeretnék. -A zénert azért találtam ki, hogy tuti az aggregátorról működjön RL3. -Akkor RL3-mal kapcsolatban milyen más lehetőség van? Potival állítható időzítő, amit a helyszínen tudok finomhangolni?
Hello!
Akkor passz, ami a szintjelzést illeti. Minden estre én ez tenném. Az új 555 bebillen,mikor bekapcsolod a K1-et RL3 meghúz, mikor indítani kell. Ha az generátor feszültsége eléri a 12,5V értéket (vagy amit beállítasz a két 1kohm-al) és letelik a 100k*10u idő, RL3 ejt. És úgy is marad, ha leállna a gép. (Hagyd már békén annak a szerencsétlen IC1-nek a tápfeszét. Nem kell azt kapcsolgatni az IC 2-vel. Elég a RESET vezérlése is. Úgy is csak indítás idejéig van ott táp.)
Sziasztok!
Szeretném, ha lektorálnátok a következő - ronda - rajzot, amit készítettem. (Azért ronda, mert szimulátorprogiból vettem ki, ami nem teljesen kompatibilis a painttel ). A cucc egy házi riasztó egyik részegysége lenne. A lényege: Ha valaki levágja a 12V-os (fő)tápot, akkor a bistabil 555-ös bekapcsolja a zümmert, ami így a 9V-os backupról veszi az áramot. Ha valami elszánt egyén a 9V-ot is levágja, akkor egy darabig még megy a nagy kapacitású kondiról a zümi. Ha valaki először a backupot vágja le, akkor is megy egy darabig, a szimulátor szerint részben a 12V-ról, részben a kondiról, amíg a kondi ki nem fullad. A szimulátor szerint működőképes, de mielőtt megépítem szeretném kérni, hogy nézzetek rá, nincs-e bármi gebasz vele (nem maradt-e benne felesleges alkatrész, nem hiányzik-e valami, nem fog-e megsülni valamelyik része!Előre is köszönöm! A hozzászólás módosítva: Okt 4, 2014
Hello! Talán kissé elkomplikáltad, nem tudom mi az oka..
- Miért nem szimmetrikus a dolog? Ha egyik oldalon jó az 555 komparátornak,a másikon miért nem? - Ha a BZ1-et elvágják, akkor sem fog szólni. De ha a Backup ott van, ahol a BZ1, akkor nem tudják elvágni a 9V-ot. Vagy akkor mindegy mit vágnak el. - A 9V lehetne egy kis aksi is, amit a 12V tölt, ha meg van. Ha meg elmegy, visít. De én egy CMOS 4093-al ÉS kapuval oldottam volna meg a logikát, valamint egy monostabilt is kialakítottam volna belőle, hogy ne a végtelenségig visítson. Annak úgy sincs értelem. Meg a CMOS nem is fogyaszt, mint az 555. - Ha egy fogyasztót kell kapcsolni, akkor elég egy meghajtó tranyó is.
Köszi proli007!
Az elkomplikálás egyszerűen azért van, mert eléggé gyerekcipős a tudásom és nem nagyon tudom hogyan egyszerűsítsem a köreimet úgy, hogy működőképesek maradjanak, sőt örülök, ha a szimulátorban azt csinálják, amire én gondoltam. A másik oldali 555-ös komparációt úgy érted, hogy még egy 555-ös a körbe vagy valahogy ráhúzni az elsőre? Ha a backupot teszem a BZ1 helyére, hova tegyem a BZ1-et? Az 555 fogyasztása azért is gáz, mert, ha egy idő után eléggé lemeríti a 12V-ot, akkor magától is megszólal (szerintem). Egy CMOS 555-ös is fogyaszt alapállapotban?
Hello! Egy áramkörnél, mindig a működés logikáját kell kitalálni. Aztán megnézni, mi a közös benne és mi nem. A CMOS 555 nem fogyaszt, lehet abból is építkezni. Ekkor a BZ1 fogyasztásától függően esetleg egy tranyó kel e kimenetére meghajtónak. (Én most csak hasra odaírtam, hogy 120ohm.) A bemeneten lehet közösíteni, mert a két "feszültség eltűnése" az nem más, mint egy fordított logikájú VAGY kapcsolat. Ezt két diódából és egy ellenállásból elkövethető. De ez nem monostabil, itt az 555 csak 1/3-ad tápra bekomparál. Aztán szól a BZ.
A 4700µF-tól azért sokat ne várj. Egy kondi töltése a következő ideig tart: t=C*dU/I. Ahol a "t" az idő szekundumban, a "C" a kapacitás Farádban, az "dU" a megengedett feszültségcsökkenése a kondinak, az "I" pedig a kisütő áram. Ha kiszámolod, hogy mondjuk 4V feszültségesésre és 100mA kisütőáramra, akkor láthatod, hogy ez az idő 190ms. Vagy is csak "makkanni" fog egyet a csipogó ez alatt.. (Nem az áramkörben gondoltam a BZ1-et a Backup telep helyett, hanem fizikailag ott helyezni el, ahol a BZ1 van.) A hozzászólás módosítva: Okt 5, 2014
Köszönöm a választ! Alapos és érthető volt. A kondi kapacitásán én is gondolkodtam. Tennék én bele nagyobbat is, de pl egy 10-szer ekkora, 47000 mikrofarádos már 2000 értékálló magyar forint felett van árban. Amiből gyakorlatilag cirka négyszer meg lehet venni a többi szükséges alkatrészt. A rajzért pedig külön hála, jóval átláthatóbb, mint az enyém
. Amúgy milyen programmal szerkesztetted?
Kinagyítod képernyő méretre amit láttatni akarsz. Ez után megnyomod a printscreen gombot. Ennek hatására a vágólapon megkapod a képernyő tartalmát. Ez mindenféle képszerkesztőbe, nézőbe beilleszthető, sallangoktól megszabadítva már akár JPG-ként is menthető.
Legközelebb így csinálom, csak a képernyő bal és jobb széle és a teteje ikonsorokkal van tele a progiban és csak a képernyő fele-harmada kb, amin maga a rajz van. Ha nagyon belenagyítok, akkor lemarad a kör fele, ha meg kicsinyítek, akkor már nem látszanak tisztán a feliratok, alkatrészek. De amúgy igazad van, úgy tényleg szebb lenne.
Sziasztok!
Szeretnék építeni egy kapcsolást,ami ha sötét van,akkor átfolyik rajta az áram és monostabil módban 555-össel ≈ 1 óra múlva lekapcsol.A potméterrel azt lehet szabályozni,hogy milyen sötétbe kapcsoljon be az egész áramkör Megnéztem és összeraktam egy kapcsolást ez a cikk alapján: Itt Kiszámoltam hogy 32 M ohm -os ellnállással és 100µF-os kondenzátorral ≈ 1 óráig égne az izzó,majd lekapcsolna.Azt nem értettem,hogy mi az a lehúzó ellenállás mekkora kell ide? (???-el jelöltem) Jó lett a kapcsolási rajz,amit összeraktam(kapcsolás.jpg)?Nem a legprofibb .Bocs hogy ilyen kérdést teszek fel,de elég kezdő vagyok.
Az 1 órát nem nagyon szokás monostabillal időzíteni. Amint a példádból is látszik, a 32 Mohmos ellenállást nem könnyű elkészíteni. Ennek értékét, már a környezeti levegő páratartalma is befolyásolja. De ez a kisebbik baj. A kondenzátor szivárgó árama is már közrejátszik, sőt a bemeneti komparátor bemeneti ellenállása is ennél kisebb.
Persze a szimulátor sok mindent elbír. 1 órás időzítésre inkább számláncos időzítőt kellene használni. Pl. CD4060 A hozzászólás módosítva: Okt 11, 2014
Hello! A kapcsolásodnak számtalan hiányossága, buktatója van.
- Ez az alkonyat "kapcsoló", azért időzőjeles, mert valóságban nem kapcsol, hanem lassan átmenetel kapcsolja be a lámpát. (Egyébként hibás is, mert a potit maximumra tekerve, tönkre mehet a hátsó tranyó. De ezt vagy egy tucatszor leírtam,nem figyel senki..) Az monostabil indításához, viszont határozott (és gyors) kapcsolójelre lenne szükség. Vagy is valami hiszterézises komparátornak kell a fényt érzékelni.. - Az 555 trigger bemenete nem indulhat fix feszültséggel, mert amíg a trigger bement alacsony szinten van (azzal indul), addig a kimenet magas szintű, hiába töltődik fel a kondi. Egyébiránt az 555-ös monostabil időzítőnek nincs is indítása. A Trigger fix alacsony szinten van, így a kimenet állandóan csak magas szinten lenne. - "Lehúzó ellenállás". Teljes zűrzavar. Az ellenállás alja a GND-n van, mint ahogy így a lámpa teteje is. Gondolom az alapgondolat az lett volna, hogy ha a T2 bekapcsolja a lámpát, akkor az addig világít, míg az 555 időzítése tart. De így a lámpa tetejét, közvetlen az 555 kimenetére kellene kötni. (Lehúzó ellenállás meg nem kell a kimenetére..) - Ha ez így lenne kapcsolva, akkor sem lenne jó. Az 555 kimenti feszültsége magas szint esetén, kb. 1V-al alatta marad a tápfeszültségnek. Vagy is, 3V táp esetén az 555 kimenete maximum 2V lenne. A tranzisztornak is lesz maradék feszültsége, mondjuk 0,5V. Így a 3V-ból maximum 1,5V jutna az izzóra. - De 3V táp mellett az 555 képtelen is lenne meghajtani az izzó áramát (bár nem tudom az mekkora nálad és egyáltalán izzóra gondoltál-e), mert annak terhelhetősége maximum 200mA. De 3V-ról az 555 már nem igazán tud működni, maximum a CMOS változata, melynek kimenti maximális árama 100mA. - Kiszámoltad, hogy 3V mellett a 32Mohm-nál mekkora a kondi töltőárama? 94nA! Az IC bemeneti árama van ebben a tartományban. De számtalanszor leírtam, hogy 1 perc felett, már illetlenség analóg módon kondi töltésével időzíteni. Ha a kondi szivárgási árama pld. itt 30nA felett van, akkor az soha nem töltődne fel. Vagy is egy órára időzíteni illedelmesen számlálóval lehet. Ott a kondi R*C idejét a számláló megszorozza. Pld a 4060-nál 2^14=16384-el. Így az R*C időzítő tagnak, nem egy órát kiadnia, hanem csak 3600s/16384=0,22sec időt. De hogy ne csak a hibákat írjam, itt egy megoldás is. Az R1 ellenállás értékével beállítható a kívánt kapcsolási fény szint. Bár egy mezei 100kohm általában meg szokott felelni. Amíg világos van, a 4060 számláló törölt állapotban van. Ha sötét lesz, el kezd számolni és bekapcsol a lámpa. Ha lejárt az idő, a Q14 kimenet magas szintre vált. Kikapcsolja a lámpát, ugyanakkor a D1 leállítja a számláló további futását. Ha ismét fény lesz, törlődik a számláló. Ha besötétedik, kezdődik elölről az egész. De a tápfesz itt sem lehet 3V, mert az IC-nek ez az alsó határa és általában ott nem is teljesítenek jó. De a 3,5V-os lámpa sem.. Az időzítés mértékét, az R2-C2 elemekkel lehet változtatni. Az idő kb. T=R2*C2*1,15*2^14
Sziasztok!
Ismerősöm füstgépe nálam landolt (2éve) majd egyszer ha ráérsz címszóval. Most idejelenne helyrerakni. A fűtését meg tudom gyönyörűen oldani, de az időzítéshez nem értek. Nézegettem ezt a kapcsolást Bővebben: Link , de nekem 12V körüli trafóm van az 555 adatlapja szerint 18V al lehet max. kínozni. A kérdésem az, kell-e valamit változtatni a kapcsoláson, ha 12V a tápfeszültség? A másik kérdésem, belehet-e állítani az 555-öt úgy, hogy mikor bekapcsol akkor a relét ne húzza meg csak minimum 4-5 perc után (kb ennyi kell még bemelegszik), ha ez az idő állítható lehetne 4 és kb. 10-15 perc között akkor már meg is van az időzítés egyik fele. Másik része a dolognak a relé behúzott állapotban tartása kb. 2-20sec-ig. Tudnátok nekem erre a célra javasolni egy kapcsolást? ha esetleg az általam linkelt jo erre a célra akkor mit kell rajta változtatni, hogy ezeket az időközöket kapjam? Köszönöm!
Köszi a választ!
Amit tudtam,azt felfogtam belőle,megnéztem a kapcsolási rajzot,és nem tudom, hogy lehet-e adni 4,5-12 v -ig bármilyen feszültséget?Meg azt se nagyon értem,hogy miért kell oda az a sok 4093-as?Nem lehet kevesebb alkatrésszel megoldani,hogy ugyanígy működjön?Mennyit fogyaszt kikapcsolt állapotban ez a kapcsolás,egy elemmel sokáig bírja? Az én kezdő forrasztásommal ez úgy 1kg forrasztóón és 1mx1m-es próbanyák lesz
Helo. Olvasgattam egy csomot itt, ès meg akarok èpiteni a kocsihoz egy start stop rendszert. Eljutottam odáig hogy találtam egy kapcsolást ami nekem pont jo. Egy gomb van. Megnyomom gyujzás, megint megnyomom gyujtás le. Viszont ha hosszan nyonom meg akkor gyujtás ráad ès kb 5mp mulva inditja a kocsit. A flip-flop rèsze megvan, eghez a rajzon egy 555 ic van de kapcsolás nincs hogy az ic 5mp-es hosszanti nyomásra engedje az áramot ès huzza meg a relèt ami aztán megy az indito motorra, ès a gomb elengedèsekor a relèt is oldja hogy ne inditozzon tovább. Magyarul gomb 5mp nyomása után engedjen hogy be tudjon huzni egy relèt ami elejth ha elengedem a gombot. Esetleg tud valaki segiteni?
Hello!
- Egy CMOS IC kb. 4,5..12V-ig bármivel megtáplálható. - Az a "sok 4093-as" mindössze egy IC-tokban van. Vagy is ez két IC 4 ellenállás 3 kondi és egy tranyó. Az sok? (De leírtam, hogy nem lehet órákat időzíteni két tranyóval..) - Az áramfelvétel javát, az érzékelő R1-es ellenállása fogja adni. Vagy is kb. 100..150uA közötti érték. Ez kb. 50-ed része az eredeti 555-ösöd fogyasztásának. De azt kiszámoltad már, hogy az 1 óra alatt az izzó mit fog fogyasztani? Mert az fogja majd leamortizálja az elemedet, nem az elektronika.
Hello! Ide tettem már fel rajzot ez ügyben..
De hogy legyen kívánságod szerint is..
Hello. Köszönöm ilyesmire gondoltam. Csaj annyira nem èrtek hozzá viszon megèpiteni meg tudom. Ha pl sok lenne az 5mp akkor melyik alkatrèst cserèjèvel tudom pl kevesebbre állitani?. A lènyege hogy ugy ha ezt egy pillanatra nyomom meg a gombot akkor nem lessz reakcio csak hosszanti homásra? Amugy ez szerint alkotok csak az 555 rèsze van vissza.
Hello! AZ R2-őt vagy a C1-et. Az idő kb. a kettő szorzata lesz. Nilván nem lesz reakció, mert pont a megszólalást késlelteti..
Az r1 az mekkora? oda van irva hogy relé120 de gondolom az ellenállás. Tinával megpróbáltam megrajzolni de mindenféle hibát ir
Ezt mivel csináltad?
Az csak a relét helyettesíti én csak egy 120ohm-ot választottam számára. Egyébként Tina, de tranziens analízissel kell szimulálni a működését. ("Zero initial values" pontot bepittyenteni..)
Sikerült szóra bírni, bár a gomb nyomás hosszát nem tudom hogyan adja be, de tulajdonképpen az lényegtelen már mert a nyitás hossza megvan. Nagyon szépen köszönöm a segítséget!
így már tudom állítani az időt ha nem lenne jó az 5mp körüli érték. Már megcsináltam hozzá a nyák terveket is. holnap megvasalom és már ültetem is. m1x köszönöm
Van egy feszültség vezérelt kapcsoló. Ami +1V-ra már bekapcsol. Ezt vezérlem egy váltakozóáramú generátorral, ami 10sec impulzust ad a nyomógomb helyett. (Csak ezeket le szoktam vágni a rajzról, mert a kezdőket megzavarja, nem értik mi van ott.)
hát engem tuti megzavart volna
a másik viszont az hogy a két kapcsolásom háááát nem kompatibilis és valószínűleg az életben nem lesz az. a nyomógomb ezen a 12v-ot engedi, a másikban viszont valamit összekapcsol. szóval ha nem akarom hogy ide-oda röpködjenek a voltok, valószínűleg mindenképpen egy valami dupla záró érintkezős kapcsolót kell beszerezzek. vagy esetleg erre is van valami megoldás? szimpla nyomógombom van itthon |
Bejelentkezés
Hirdetés |








). A cucc egy házi riasztó egyik részegysége lenne. A lényege: Ha valaki levágja a 12V-os (fő)tápot, akkor a bistabil 555-ös bekapcsolja a zümmert, ami így a 9V-os backupról veszi az áramot. Ha valami elszánt egyén a 9V-ot is levágja, akkor egy darabig még megy a nagy kapacitású kondiról a zümi. Ha valaki először a backupot vágja le, akkor is megy egy darabig, a szimulátor szerint részben a 12V-ról, részben a kondiról, amíg a kondi ki nem fullad. A szimulátor szerint működőképes, de mielőtt megépítem szeretném kérni, hogy nézzetek rá, nincs-e bármi gebasz vele (nem maradt-e benne felesleges alkatrész, nem hiányzik-e valami, nem fog-e megsülni valamelyik része!

. Amúgy milyen programmal szerkesztetted? 





így már tudom állítani az időt ha nem lenne jó az 5mp körüli érték. Már megcsináltam hozzá a nyák terveket is. holnap megvasalom és már ültetem is. m1x köszönöm
és valószínűleg az életben nem lesz az. a nyomógomb ezen a 12v-ot engedi, a másikban viszont valamit összekapcsol. szóval ha nem akarom hogy ide-oda röpködjenek a voltok, valószínűleg mindenképpen egy valami dupla záró érintkezős kapcsolót kell beszerezzek. vagy esetleg erre is van valami megoldás? szimpla nyomógombom van itthon 




