Fórum témák
» Több friss téma |
Fórum » Minden, ami modell
Üdv.
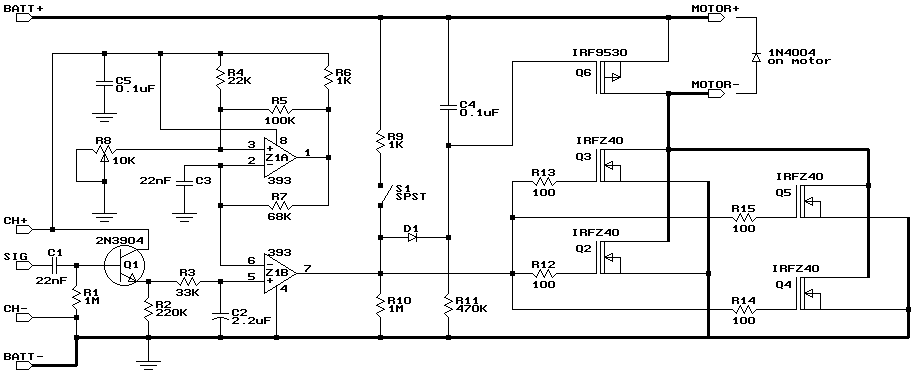
Régebben megépítettem ezt a kefés szabit.Most hajóba akarom belerakni és annyi lenne a kérdésem hogy a fetek zászlóit össze lehet-e kötni egy hűtőcsővel amin víz folyik át? (a csövet ráforrasztanám a zászlókra)
Mivel a drainok a négy fetnél közösek szerintem lehet a hűtőzászlókat közösíteni hűtö csővel.de az IRF9530 ast nem teheted oda , mert kijön a füst.
Ui: most nézem , hogy annak a hűtőfüle is ugyan ott van , tehát az is benne lehet. A hozzászólás módosítva: Ápr 8, 2014
Sziasztok. Kezdő modelles vagyok. Az elmúlt héten sikerült vennem egy régebbi verseny hajót. A test maga nagyon jó állapotban van. Viszont a technika kissé elavult benne. Akkumulátor sem volt benne. Egy etetőhajóra akarom átalakítani. Szerintetek eredetileg milyen akkuról üzemelhetett. Az árus nem tudta meg mondani.
Sziasztok újra. Itt vannak a képek a kis hajóról. Kinek mi jut eszébe a képekről?? A motorokat körbenéztem, semmilyen adat sincs rajtuk. Alaplap alapján ti mit mondotok? Előre is köszönöm a segítséget. Minden jót és Kellemes Húsvéti Ünnepeket Kívánok...
Szia. Minden tiszteletem az őrűlteknek . Mosolyog , mosolyog ..STB
Ez az építés öröme , hat havi szabadidő lezsírozása, a tizenötezer ft os táv meg vétele helyett. Inkább írj meg egy programot a pellet kandallóm vezérléséhez és cserébe adok egy távot.. Vigyorog, vigyorog STB. De ne érts félre , Ha kész leszel olyan távod lesz -- amihez csak te fogsz érteni-- és mindig kell majd reszelni rajta. Én repülni szeretek .
Köszönöm ahogy megosztod a véleményed
tisztában vagyok vele, hogy soha nem lesz tökéletesen kész, és mindig maradnak olyan momentumok amikre valószínüleg időt fogok pazarolni. Nagyon szépen köszönöm a lehetöséget, de sajnos a c nyelv felszínét kapargatom csak jó messzről egy hosszú bottal(képletesen). Nem valószínű hogy egy ilyen programot hipp-hopp kitalálok. A táv tulajdonképp magamnak készül elsősorban tehát szinte 98% hogy én fogom kizárólag használni.Ha bárki nekiesne mindenképpen ajánlom, hogy tegye ugyanezt. A felhasználónak legyen kényelmes, ez lenne a lényeg. A távot tisztelettel visszautasitom, amit most használok azt is "a saját kezemre" csiszolgattam, alakitottam. Én is szeretek reptetni, bár megmaradtam jóideje a kezdő szinten. Számomra a tákolgatás és a modellezés összefügg, már csak az anyagi oldaláról nézve is.
Sziasztok
Azt szeretném megkérdezni, hogy tud-e valaki olyan nyák tervet ami elöre-hátra, jobbra-balra és le-fel emelgesen kettö rudat és hogy távirányitos legyen(és ha lehet az ic-t ne kelljen programozni de ha nincs más lehetöség akkor mindegy)! Tudom, hogy kicsit komplikált de nekem ez a tervem és nem találok sehol se ilyet! Elöre is köszönöm!
A legegyszerübb és legolcsobb ha elmész egy jobb játékboltba és veszel egy megfelelö távirányitású munkagépet (kotro, daru stb.). Válogathatsz, hogy rádios vagy kábeles legyen a távirányitó.
A hozzászólás módosítva: Júl 12, 2014
Jo de én magam szeretném megépiteni egy traktort!
De egy ic-vel nem lehet megoldani?
Attol még megépitheted, de legalább lesz valami a kezedben, ami müködöképes és olcso (motorokkkal, áttételekkel stb.)
Még mindig marad rengeted dolog amin javithatsz, csiszolhatsz, vagy akár ki is dobhatod, és egy jobbra (saját épitésüre cserélheted). Szóval egy ilyen berendezést nem a NYÀK tervvel szoktuk kezdeni.....
Valami ilyesmivel megoldhatod. De a legegyszerűbb ha kerítesz egy kínai játékot és abból építkezel.
Helló
Szereztem 4darab Turnigy 2830-1000 típusú brusheless motort. Azt halottam, hogy használat előtt érdemes 50%os teljesítményen desztillált vízben bejáratni, tényleg igaz ez?
Szia. Ha kefés akkor kell (lehet) deszt vízben járatni. Ha brashless (3~ fázisú ) akkor tilos !!
Hali!
Számokból ítélve ez BL motor lesz, így azzal semmit sem kell csinálni! Beszereled és mehet! 28x30mm a motor és 1000kV, vagyis egy volton 1000rpm a fordualtszáma.
Szia, ha még aktuális a dolog, akkor mondom, hogy a gyári akkuja egy 7,2V 1700mAh-s Ni-Cd Stick Pack, nekem is van egy ilyen hajóm (de már nem a gyári motorokkal és elektronikával) és én újonan vettem. Bármilyen 7,2V-os modellezős akkupakkot beletehetsz, de ha rám hallgatsz, akkor kidobod a gyári elektronikát, és motorokat, a törzs sokkal-sokkal többet tud, mint amit gyárilag kihoztak belőle.
Sziasztok,
Meg szeretném kérdezni, hogy egy ilyen vezérlőt használhatok-e HDD motor meghajtáshoz? A sebesség szabályozás ezeknél a vezérlőknél PWM-mel történik, és erre utal a 8 / 16 kHz PWM beállítás, vagy +-2,5mS / 50Hz vezérlése van? Köszönöm
Üdv!
Szeretnék építeni egy etetőhajót, amihez vennem kellene távirányítót, motorokat és hajócsavarokat. A kérdésem az lenne, hogy holt tudok elérhető áron beszerezni ezeket a dolgokat? A hatótávnak kb. 100m-nek kéne lenni-e. A hajótest katamarán típusú. Nézelődtem, de konkrétan nem tudom eldönteni, hogy hol lenne jó megvenni. Ebben kérnék segítséget. Nem kell drága gépre gondolni, szóval nem kell brushless motor, meg ilyen finomságok, csak egy egyszerű és biztos kis hajót akarok. Építettem pár évvel ezelőtt már egyet, de azt RC autókból és bontott cuccokból csináltam, egy kezdetleges hajótestbe. Most ugyanazt akarnám megcsinálni, csak új alkatrészekből és modern hajótesttel. Előre is köszönöm!
Pedig ha külön veszed meg minden sokkal drágább. Nézz hirdetésekben használt hajót, perülőt vagy helit, akkor már csak a csavar és a test kell.
Én most repülő után nézelődök, de a rádiót sem tudnám annyiért megvenni amennyiért már vannak repképes gépek használtan.
Igazad lehet, én még egyben nem is néztem, csak külön-külön. Szétnézek...
Igen, nagyjából csak hasonló motorvezérlővel tudod megpörgetni. Általában 4 vezetéket látsz a hdd motorokon, ebből a "negyedik" a csillagpont. ezt nem kell kötnöd sehová ezen a szabályzón. Magát a szabályzót szervó jelellel tudod vezérelni. Csak hogy picit tisztázzam a fogalmakat (nem kioktatásnak szántam), a szervó jelek PWM jelek. 1-2ms és kb 50Hz. A 8/16kHz PWM a motor vezérlésére vonatkozik.
Sziasztok. A helikopterezés után kedvet kaptam az autók kipróbálására is. Körbenéztem,de nem igazán tudom,hogy igazából mire is lenne szükségem. A lényeg,hogy a jármű aksis legyen,gyors,és a hatótávja se 8-10 méter legyen,mint a néhány ezer forintos autóknak. Ja,meg ne olyan gagyi kormányműje legyen,mint a fentebb említettnek.. Ha valaki tudna segíteni,esetleg valakinek lenne egy eladósorban lévő,de azért jó állapotban lévő verdája,az keressen nyugodtan!
Egyet néztem,érdekelne a véleményetek : Bővebben: Link És ez: Bővebben: Link A hozzászólás módosítva: Okt 27, 2014
Szia!
Hát amiket linkeltél azoktól szerintem nagy sebességet és jó irányíthatóságot nem lehet várni. Amúgy a sebesség is relatív. Kinek mi a gyors?! Nekem az RC autók 80Km/h körül képesek menni. A másik a méretarány, lehet 1/16, 1/10, 1/8, 1/6, 1/5 is. Utóbbi kettőből már nem igen van elektromos. A többiből mindegyikből van elektromos minden féle kivitelben on-road, off-road, utóbbiból buggy, truggy, monster, Short Course Truck, stb. Ha mondasz egy árat amibe neked belefér akkor tudok neked segíteni beszerezni. Érdemes egyszer jót venni, mint pénzt beleölni, és utána költeni rá mert nem olyan mint szeretnénk.
Szia!
Bizony, érdemes egyszer jót venni/ építeni. Én is most fogok elkezdeni egy új saját építésű (alváz, váz) autót, az alkatrészeket megveszem az eb...y-en. Az alkatrészeket várom még, de nemsoká indul a dolog. Eddig ezek vannak: Brushless motor és szabályozó Kerékagyak Eddig úgy gondolom elég jók az alapanyagok, a Brushless szett elég izmos és jó áron volt, itthon elkérnének érte simán 55-60 ezret kb.
Szia! Hát beszéljünk az anyagiakról egyből az elején...Igazából sokat nem akarok rá áldozni,már csak a két gyerkőcömet is figyelembe véve.A lányom(7éves) nagyon élvezte a helizést.20ezerért vettem egyet,de azon már túladtam.A fiam (1éves) még kicsi ehhez...Szóval 20-30 között még éppen belefér a keretbe. Persze,láttam robbanómotorost,valami eszméletlen,na de azoknak nyilván 4-5szörös az áruk ezekhez képest,és még azok is alapgépek talán. Hasonlóban gondolkodok kezdésnek,mint amiket a linkeken adtam.
Sztm első körben ITT nézz körbe. Ha találsz valamit ami tetszik akkor belinkeled és segítünk.
Azért az is lényeges lenne, hogy milyen kivitel legyen azok közül amit fent leírtam. Itt van az enyémekről pár videó: 1/5 26ccm benzines buggy 1/8 elektromos monster (7Kg) 1/8 elektromos truggy A nitrós robbanósok sem kerülnek sokba, mert 40-ért is lehet akár kapni 1/10 méretben, de a nitros sok türelmet és hozzáértést igényel, és a rossz beállítás hamar a motor végét jelenti. Sztm első körben kell keresni egy használtat és azzal belevágni, mert lehet jókat kifogni, és a bolti árhoz képest olcsóbb és sokszor meg van hozzá minden ami kell, pl töltő akkuk, táv esetleg pótalkatrészek.
Ezek nagyon jól mennek! Tetszik az elektromos gép,mindkettő. Így maradnék elektromos vásárlásánál. Olyan truggy-t mennyiért lehetne szerezni? Néztem egyet a linkeden,ahhoz aksi,meg töltő kéne.De úgy már lehet,hogy sok lenne a vége.
|
Bejelentkezés
Hirdetés |










tisztában vagyok vele, hogy soha nem lesz tökéletesen kész, és mindig maradnak olyan momentumok amikre valószínüleg időt fogok pazarolni. Nagyon szépen köszönöm a lehetöséget, de sajnos a c nyelv felszínét kapargatom csak jó messzről egy hosszú bottal(képletesen). Nem valószínű hogy egy ilyen programot hipp-hopp kitalálok. A táv tulajdonképp magamnak készül elsősorban tehát szinte 98% hogy én fogom kizárólag használni.Ha bárki nekiesne mindenképpen ajánlom, hogy tegye ugyanezt. A felhasználónak legyen kényelmes, ez lenne a lényeg. A távot tisztelettel visszautasitom, amit most használok azt is "a saját kezemre" csiszolgattam, alakitottam. Én is szeretek reptetni, bár megmaradtam jóideje a kezdő szinten. Számomra a tákolgatás és a modellezés összefügg, már csak az anyagi oldaláról nézve is.





