Fórum témák
» Több friss téma |
48MHz-re állítottam be így 77 került a SPBRG regiszterbe..
Csak a baj, hogy hülyeségeket ír ki amikor e vagy k esetleg t karaktereket küldök.. Eredménynek meg ezek jönnek, legalább is ezt olvassa vissza: e karakterre= 2, ha nem küldök semmit akkor= -2, ha k-t küldök= N jön vissza, ha t küdök= - (kötőjel) érkezik. LCD-n folyamatosan kiíratom az olvasott karaktekerek..
A hozzászólás módosítva: Okt 24, 2014
FOSC = 48MHz
FOSC / (BAUD*16)-1 Nekem 9600-as baud-al számolva 311.5 jött ki próbáld ki 312-vel és 311-el nem tudom melyik lesz a pontosabb. A hozzászólás módosítva: Okt 24, 2014
Akkor itt már át kell állítani 16bit-esre mert eddig 8bit-esen volt.
Kipróbálom..
De ott vigyázz vagy a BRGH = 0; és a BRG16 = 1; vagy, ha mindkettő 1 akkor 48MHz/(9600*4)-1 ezzel kell számolni.
Köszönöm ezzel megoldódott a dolog:
TXSTAbits.SYNC = 0; // EUSART Mode Select bit TXSTAbits.BRGH = 0; // High Baud Rate Select bit BAUDCONbits.BRG16 = 0; // 16-Bit Baud Rate Register Enable bit SPBRG = 31; ((20MHz/9600)/64)-1 == 31 Köszi..
A töréspontnál a debugger "Run"-nak is meg kell állnia? Nekem csak az "Animate" üzemmódban áll meg.
A jó régi Mplab még megállt, ha régebben tettél töréspontot a forrásba. Aztán jött a 8.8x és gyakran elfelejtette a töréspontokat. Ugyan láttad a forrásban, de - ha úgy gondolta - nem állt meg rajtuk. Ha törlöd és újra beteszed, akkor újra életre kel. Aztán jött a 8.90 és a 8.92, de ezen (és még egy sor) problémán nem javítottak... Arccal az MpLabX felé...
Pl. Miért nem lehet egy programozó a PICKit2 vagy PICkit3 mellett aktivizálni az MpLab Sim -et? Régen lehetett. Ha egy öt éves projectet betöltök, még működik is. Miért csak egy példány MpLab futatható egyszerre? Egy szó, mint száz: A törésponton a Run módnak is meg kell állnia. A hozzászólás módosítva: Okt 24, 2014
Sziasztok!
Egy kis segítséget kérnék. Két PIC között szeretnék adatokat áramoltatni UART-tal (RX, TX lábakon át). Működhet úgy, hogy a két PICnek nem ugyanaz a tápegysége? A tápokat összeföldelve nem alakulna ki földhurok vagy más zavartatás?
A földhurok zavarhatásban nem tudok segíteni de az fontos, ha az egyik PIC tápja 5V a másiké meg 3.3V akkor illesztés kell közéjük, ha a két külön táp 5V-os akkor ez nem lényeges.
Mindkettőn 7805 van, csak maga a fesz.szab IC-k kapnak más trafókról villanyt.
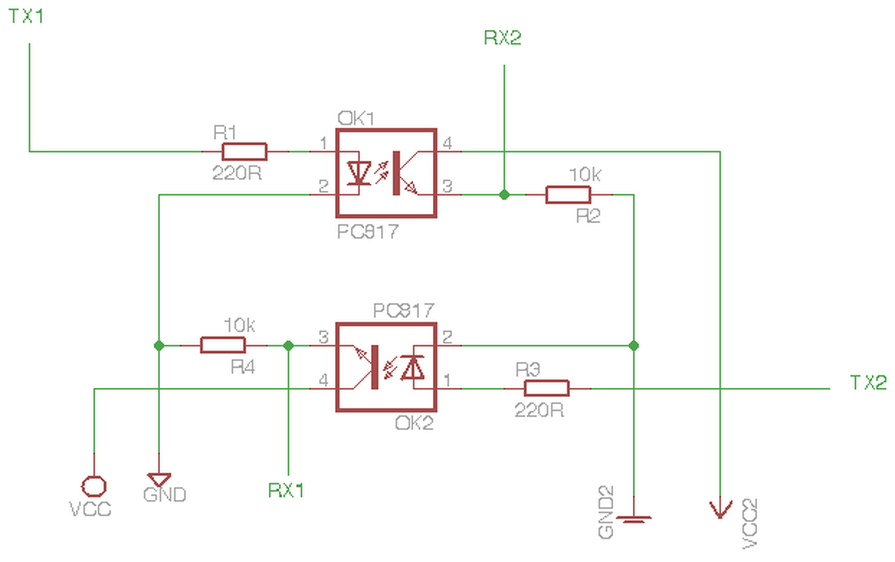
Közben találtam egy teljesen optós megoldást, valószínűsítem ez a megoldás megfelel nekem.
No végre elindult az USART..
Köszönöm a sok segítséget cross51-nak és persze Hp41C-nek.. Itt egy kis videó: Bővebben: Link 2 gond volt végül a projekttel amiért nem akart menni a dolog. 1. USB-s serial átalakítót használok, ez még nem is gond, de az már az volt, hogy a kütyü fordított jel polaritással működik.. 2. nem közös testet (GND) használtam a teszteknél és ezért nem működött az éles kapcsolás Köszi még egyszer..
Urak!
Egy kis segítséget kérnék, mert megint belegabalyodtam a matekba. A Timer1 túlcsordulásait számolom egy változóba (T1), a CCP modul működik, a pic-et egy 4 MHz-es kavics hajtja. Egy adott pillanatban a CCP2 okozta megszakítás hatására a regiszterekben az alábbi értékek vannak: CCPR2H: 0xD6; CCPR2L: 0x94; T1: 0x3B. Ez esetben (ha valamennyi regiszter értéke előtte nulla volt) az eltel idő: 3,917401 sec. Én úgy számoltam, hogy a két CCP regiszter értékéhez hozzáadtam a T1×65535-öt (50836+59×65535). Ez így helyes?
majdnem...
3.921556 Az első szám t1*65536 a második 54932 (PC számológép tudományos nézet hex <->dec) A timer 0 ról indul és 0kor csordul túl, nem 0xffff értéken. A hozzászólás módosítva: Okt 25, 2014
Szia!
Attól függ, milyen környezetben használod őket. Egyébként szerintem ha nem kritikus nagyon a működés (tehát nem ipari vagy orvosi ), akkor mehet leválasztás nélkül is. Közben megjegyzem, hogy a PIC-ek a legstrapább aktív alkatrészek, amikkel eddig találkoztam
Értem, köszönöm! Ekkora tévedés belefér a részemről!
Hello!
Rendben, köszönöm! Az optós leválasztás mellett döntöttem végül, kiegészítve két tranyóval.
Sziasztok építettem egy pic kit 2 clont és kiszeretném próbálni.
Vettem egy pic12f629-et és ehhez szeretnék kérni egy ledvillogtató asm kódot.
Vicsys elektronikus dobókockája
Pont ilyen pic-re épül, nem egy bonyolult kapcsolás.
Üdv Ismét! Nemrégiben Vilmosd-től kaptam egy kis inspirációt PIC fejlesztői alaplaphoz. Meg is vettem a kijelzőt amit majd szeretnék használni, de hol 4bit-en hol 8bit-en használják. A kijelző a egy EW20400YLY a kérdés ezzel kapcsolatban:
Kell-e ellenállás a háttérvilágitásához? Hány biten használjam? Adatlap a kijelzőhöz. Idézet: Tegyél, igen.„Kell-e ellenállás a háttérvilágításához?” Idézet: Kezdésnek 4bit-en használd. „Hány biten használjam?” A hozzászólás módosítva: Okt 27, 2014
Szia! Kell ellenállás, mert leddel világít. Az adatlapban benne van, hogy 3-6,8 ohm közti az ajánlott. Nyilván az alacsonyabb értékű ellenállás nagyobb fényerővel és nagyobb fogyasztással társul.
Mindkét módban használható, mindkettőnek megvannak az előnyei-hátrányai. A 4 bites módhoz csak 4 adatvezeték kell, tehát spórolsz 4 I/O lábat, cserébe viszont picit bonyolultabb a program. A 8 bites módban egyszerűbb a program, de kell mind a 8 vezeték is. Én a 4 bitest preferálom, mert az I/O-ból sose elég!
Köszönöm! Nézegettem a kapcsolásokat van ahol a D0-D3 egyszerűen nincs bekötve, van ahol meg le van hozva a 0-ra.
A háttérvilágításnál jól értelmezem az adatlapot, 8V kell a világításhoz? Ha igen gondolom akkor 12V-ról egy tranzisztorral oldjam meg...(persze ha jól gondolkodok) Idézet: Működik így is, úgy is.„Nézegettem a kapcsolásokat van ahol a D0-D3 egyszerűen nincs bekötve, van ahol meg le van hozva a 0-ra.” Idézet: „A háttérvilágításnál jól értelmezem az adatlapot, 8V kell a világításhoz? Ha igen gondolom akkor 12V-ról egy tranzisztorral oldjam meg...(persze ha jól gondolkodok)” Akkor te nem azt adatlapot nézed amit belinkeltél? Mert annak az utolsó oldalán ott van, hogy +5V a LED is és a Vdd is.
No igen!
Az utolsó oldal....tényleg az vhogy kimaradt
No akkor még egy kérdés. Ugyanott vettem egy 4×7-es szegmenskijelzőt (CA56-11GWA) amelyben van két dp középen mint egy órában. Létezik hogy kivezetése nincs ?
Igen, sajnos annak nincs kivezetése, csak a számjegyek utániaknak (tizedespont).
Köszi! Akkor ezt buktam.... valahogy sejtettem
Vásárlás előtt ellenőrizni kell a bekötést, vagy figyelni kell, hogy "Clock display" szerepel-e a megnevezésben. Lásd pl. itt...
|
Bejelentkezés
Hirdetés |






), akkor mehet leválasztás nélkül is.

Mert annak az utolsó oldalán ott van, hogy +5V a LED is és a Vdd is.
Az utolsó oldal....tényleg az vhogy kimaradt 




