Fórum témák

» Több friss téma
Fórum » TV hiba, mi a megoldás?
Lapozás: OK   1014 / 1283
(#) eyess válasza netuddki hozzászólására (») Dec 11, 2014 /
 
Még egy információra szükségem van .Jó volt a tv , vagy már eleve ilyen volt tehát hozott vett tv.Vagy jól működött , és egyszer csak ilyen lett ?
A hozzászólás módosítva: Dec 11, 2014
(#) netuddki válasza eyess hozzászólására (») Dec 11, 2014 /
 
Kb 10éve vettem, eddig kifogástalan volt, egy hónappal ezelőtt kezdődött a jelenség, de eddig nen nagyon zavart, csak mióta erősebben görbül a szélén, hirdetésekkor néha ki is kapcsol. Apránként, fokozatosan romlik. Kondira ,ellenálásra gondoltam, ami gyanús volt már kicseréltem, de nemigen hozott változást.
(#) Johnycorp válasza netuddki hozzászólására (») Dec 11, 2014 /
 
Fura hang is jön néha belőle esetleg (áthúzás, pattanás)?

Amennyiben minden kondenzátor ok a sorvég környékén (nagyfeszültségűek is), akkor sajna sorvég. Megy össze a kép széle, ahogy nő benne a zárlat.
(#) eyess válasza netuddki hozzászólására (») Dec 11, 2014 /
 
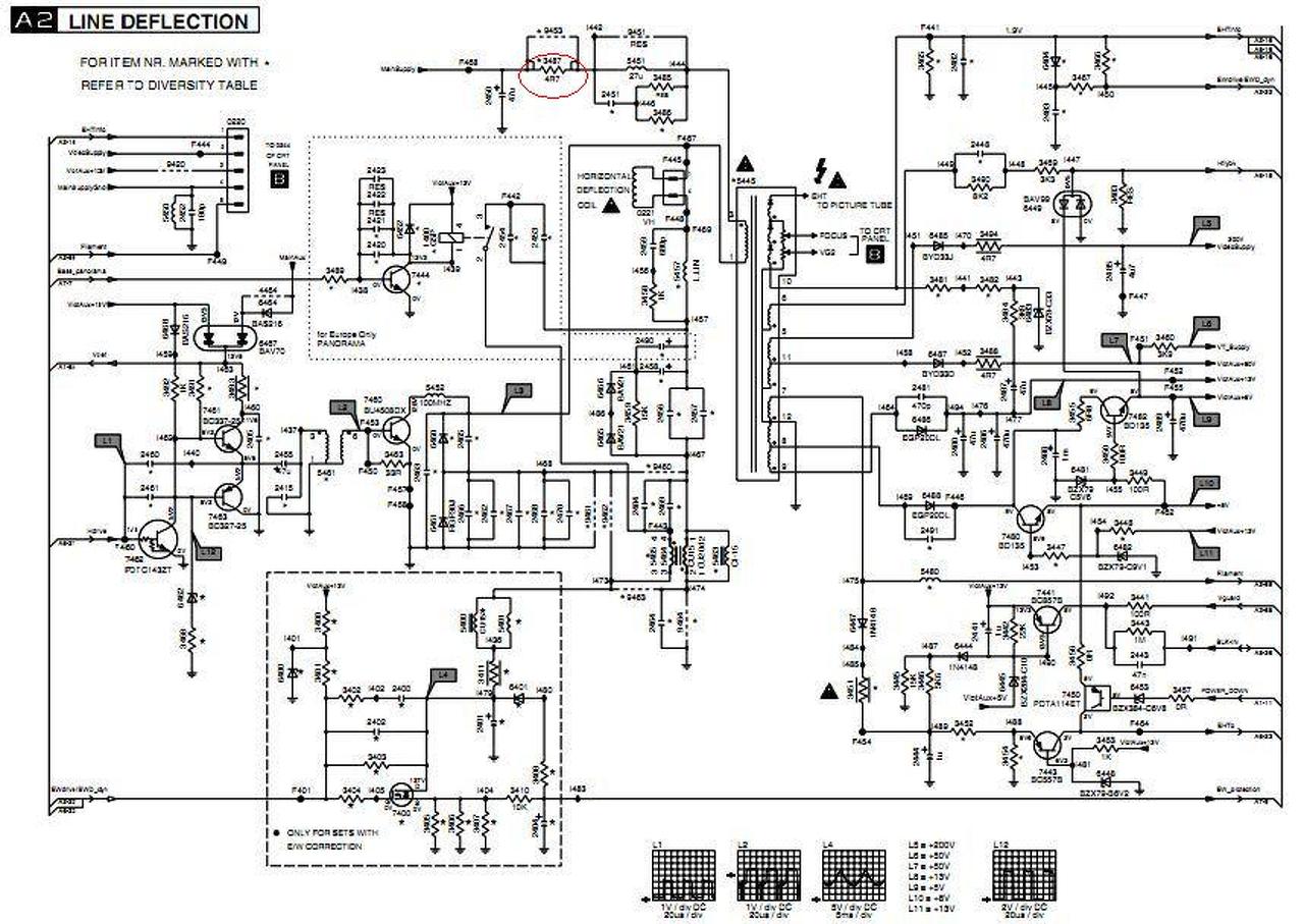
A rajzon megjelölt érték meg van rendesen ?
Illetve folyamatosan kellene mérni műszerrel , hogy amikor változik a képméret akkor is marad e az érték vagy elmászik.
(#) netuddki válasza Johnycorp hozzászólására (») Dec 11, 2014 /
 
Hanggal nincs probléma, Ami furcsa, hogy a kép csak jobb oldalán problémás.
(#) eyess válasza netuddki hozzászólására (») Dec 11, 2014 /
 
Nézd meg , amit írtam , illetve figyeld , ha az a rész jó , akkor a E/W körnél lesz a gond.
(#) netuddki válasza eyess hozzászólására (») Dec 11, 2014 /
 
Csak egyszerű mérőműszerem van, nem hiteles, azzal 150v körüli értéket mértem, amikor kondit cseréltem . A probléma az, hogy kikapcsolás, illetve a képgörbülés pillanatában nem tudni a fesz. értékét. Az akkori képről fényképet sem tudok készíteni, oly gyors a folyamat.
(#) netuddki válasza eyess hozzászólására (») Dec 11, 2014 /
 
A 4.7 ohmot a műszerem 5.2-nek mutatja, de az újonan vásároltat is.
(#) eyess válasza netuddki hozzászólására (») Dec 11, 2014 /
 
Értem .Hát nem túl jó , így hibát keresni.
Annyit azért lehet tenni , hogy teljesen sötét környezetben látható e a kikapcsolás pillanatában valamilyen fényjelenség .Áthúzás , stb .
(#) netuddki válasza eyess hozzászólására (») Dec 11, 2014 /
 
Kipróbáltam , nincs sem áthúzás se semilyen fényjelenség, nagyon halk kattanásszerű hang van.
(#) netuddki válasza eyess hozzászólására (») Dec 11, 2014 /
 
Ami a rajzon 3487 4.7 ohm , az a tvben kondenzátor!?
A hozzászólás módosítva: Dec 11, 2014
(#) eyess válasza netuddki hozzászólására (») Dec 11, 2014 /
 
Az egy jóképű ellenállás.Ha az neked 4,7 ohm , akkor az jó bár írod , hogy a te műszered olyan amilyen , így nem tudom eldönteni , és véleményezni rendesen hogy az valóban jó e.
(#) jdani hozzászólása Dec 11, 2014 /
 
Hali. Van egy TV, már másodszor van nálam..
Először vízszintes csík, csak kontakthiba volt. Most bekapcsolom a tv-t, sorvég működik (éles sípolás), de nincs kép. Kikapcsolás gombra is reagál. Később bejött a kép is, de minden piros. A világos részek meg feketék. Az az érdekes, hogy utolsó javitásom óta, (amikor megofrrasztottam az eltérítés dugaszát) a TV jól működött. Eltettem, be se volt kapcsolva. Ma bekapcsolom, hogy megnézzem megy-e, mert oda akartam adni valakinek, hát nem megy...
A típus OES TVP 551
(#) netuddki válasza eyess hozzászólására (») Dec 11, 2014 /
 
Az egy 2,2 mikrofarados 160v -os Kondi. Szereztem egy jó műszert, a pontos fesz az elkón 128v,- kevésnek tűnik.
A hozzászólás módosítva: Dec 11, 2014
(#) eyess válasza netuddki hozzászólására (») Dec 11, 2014 /
 
Az amiért egy kondin a feltüntetett feszültség van az nem azt jelenti , hogy pont annyinak is kell lenni.Kisebb persze lehet , de nagyobb soha nem , mert eldurran felrobban.
Ha szereztél pontos műszert , akkor a rajzon a feltüntetett feszültségeket mérd meg , és ha minden stimmel , akkor kutakodunk tovább , de ha valamelyik eltér , akkor viszont jelezd , hogy hol.Legfőképp a E/W kör , illetve A2 rajzon szereplő értékek a fontosak.
(#) eyess válasza jdani hozzászólására (») Dec 11, 2014 /
 
Akkor egyértelmű lehet még további kontakt hibákat keresni , mert még biztos van.
(#) netuddki válasza eyess hozzászólására (») Dec 11, 2014 /
 
128 volt a feszültség, ahol 140v-nak kellene lenni.
(#) jdani válasza eyess hozzászólására (») Dec 11, 2014 /
 
Kontakt hiba okoz olyat hogy a képernyő hosszú idő után kapcsol csak be?
Meg, lásd kép, ez nem olyan hogy hiányzik az egyik szín. Itt sötét minden.
A képen, ha épp normálisan adná le, egyértelműen látszódna minden, annála résznél nincs is sötét rész, a TV mégis úgy adja le.
(#) kadarist válasza jdani hozzászólására (») Dec 11, 2014 /
 
Túlságosan nagy a kontraszt. Állítsd visszább.
(#) jdani válasza kadarist hozzászólására (») Dec 11, 2014 /
 
... Mitől álítódott volna el?..
Érdekes, teljesen le volt tekerve az óramutató járásával ellentétes irányba. Kicsit ráadtam már jó.
Aza fura, hogy eddig jó volt?..
A hozzászólás módosítva: Dec 11, 2014
(#) eyess válasza jdani hozzászólására (») Dec 11, 2014 /
 
Persze , hogy okozhat kontakt hiba olyat , hogy a kép csak kis idő eltelte után jelenik csak meg .De ehez ugyebár tudni kellene , hogy hol is lehet ez a kontakt hiba , vagy esetleg egy már gyengébb alkatrész , ami miatt ez a következmény.Én a táppal kezdeném, és szép sorjában utána mindent átnéznék.
(#) eyess válasza netuddki hozzászólására (») Dec 11, 2014 /
 
Na látod az mindjárt nem is jó kevés .Azon a körön kell átnézni mindent visszafelé , hogy miért is nincs meg ott a 140v .Egész a tápegységig bezárólag .
(#) jdani válasza eyess hozzászólására (») Dec 11, 2014 /
 
Volt már pár TV-m olyan, hogy recés volt a kép. A vízszintes eltérítés mintha picit rángatózna. Ez a jelenség kondihiba nem? (általában)
(#) kadarist válasza jdani hozzászólására (») Dec 11, 2014 /
 
Mit adtál rá? A G2-t, mert az nem a kontraszt.
(#) jdani válasza kadarist hozzászólására (») Dec 11, 2014 /
 
Ja, G2 screen. Végülis megjött a színe.
(#) jdani válasza jdani hozzászólására (») Dec 11, 2014 /
 
Nem azt kellett?
(#) gyurka30 válasza eyess hozzászólására (») Dec 11, 2014 /
 
helló igazad lehet de a tda 8174 függőleges térítő körülötte minden kondit kicseréltem példa: 1uf100v,1000uf16v,47uf 63v 10uf 25v 100uf25v stb..... ezeket az új tda8174 behelyezése előtt kicserélgettem de a kép még mindig nem terjed szét függőleges irányba alul felül 1,5cm marad el és 4:3 üzem mód van beállitva minden csatornának
mit tudsz vagy tudtok javasoplni hogy mit cseréljek ki még köszike előre is!!!
(#) kadarist válasza jdani hozzászólására (») Dec 11, 2014 /
 
Ezek szerint azt kellett, de az nem a kontrasztot állítja, hanem az alapfényerőt.
(#) jdani válasza kadarist hozzászólására (») Dec 11, 2014 /
 
Végülis megy, de még mindig nem tudom miért?..
Úgy volt eltéve hogy ment szépen gond nélkül. Ott állt nekem a pincébe, sneki nem használta, majd egy hónap múlva nem megy?..
(#) Fantasy hozzászólása Dec 13, 2014 /
 
Üdv.
Videoton (Thomson) készülék a képeken látható hibát produkálja. Oldalirányban homorú a kép, hátul a ")(" jelű trimmer potival nem lehet kikorrigálni. Telefonnal fényképeztem, így képen nem annyira feltűnő, de a szakértő szemek így is látni fogják. Mi lehet a probléma?
Következő: »»   1014 / 1283
Bejelentkezés

Belépés

Hirdetés
XDT.hu
Az oldalon sütiket használunk a helyes működéshez. Bővebb információt az adatvédelmi szabályzatban olvashatsz. Megértettem