Fórum témák
» Több friss téma |
Fórum » Házilag építhető fémkereső
Eléggé összetett a dolog. Az egyik komoly probléma az volt amire csak az IGSL beállítása közben jöttem rá, hogy a lakásban nagyon nem mindegy hogy hova és hogyan van letéve a fej, még akkor sem ha minden ki van kapcsolva, és a készülékeknek (TV, PC, stb.) a készenléti áramköre sem megy.
Összesen 2 ilyen hely volt a lakásban ahol volt elég tér foglalkozni vele, na pont azokra a helyekre nem szabad letenni a fejet. Hogy miért fogalmam sincs, de ott instabil a gép, meg alapból van 20% körüli érzékenység csökkenés.
Nálam ugyanez volt. Azt hittem hogy majd fejből megoldok dolgokat, aztán rá kellett jönnöm hogy bár a kísérletezést nagyon nem szeretem, sajnos nem lehet elkerülni.
Rajzot nem akarok feltenni, de egy két apróság. A vevőerősítőből a tranyós fokozatot ki kell hajítani, ahogy a fázistolóból is az LM 393-at. Majdnem bármi jó oda, de az LM 393 az pont nem. A mintavétel utáni erősítő fokozatok túl nagy impedanciásak (ezt már az SMW4-es rajzon is átvariáltam), és az erősítésük sem lehet akármekkora (ezzel is elszórakoztam néhány órát). Minden IC táplábánál ott kell lenni a hidegítő kondinak (100nF X7R SMD, ha az nincs akkor valami lábas jószág). A kapcsolásba összesen 3db tranyó kell, 2 az adóba, 1 a hangfokozatba, utóbbi nálam az akkuról megy, tehát a stab IC elé van kötve. Egyáltalán nincs zaj az alapvonalon, csak annyi amennyi a működésből adódik. Az érzékenységet egészen addig lehet tekerni amíg el nem kezd hüppögni a gép, addig viszont teljes csend van, egyáltalán nincs cicergés. Most itt tartok de még dolgozom rajta. Meg jó lenne megcsinálni kettő (vagy másfél) hangúra, de ezt nem akarom úgy hogy minden fokozatból kettőt csinálok, hanem valami egyszerűbb megoldást szeretnék, hogy mondjuk csak a disc erősítő fokozatából van kettő. Tegnap akartam csinálni egy gyorstesztet talajban, de nem jött össze. Olyan mint a Golden Star4-em volt. Ki van hangolva a talaj, azt nem is jelzi, de ha ások egy gödröt azt már igen.
Minél érzékenyebb egy masina, annál pontosabban kell beállítani a talajkiegyenlítést. Ezt a gyakorlatban kétféleképpen lehet. Vagy helipottal, vagy 2 db potival. Az egyik nagyobb értékű, ami biztosítja, hogy bármilyen fajta talaj beleessen a tartományba. Ezzel nagyjából be lehet állítani. (közben a fine poti középállásban) A másik kb. tized akkora értékű, ezzel finoman, precízen lehet beállítani. (be is kell).
---------- Na igen,, a gépbehangolás otthon fémmentes helyen. Gyári nagy érzékenységű gépemnél tapasztaltam, hogy ha pl cigisdobozt tettem a mellzsebembe, ugyan működött a gép,de rosszul. meghamisította a jelzéseket. A rövidnyelű ásót sehogysem tudtam kézben, vállon stb. úgy hordani, hogy ne zavarja a gépet. Mivel már 1-1,3 m- ről rácsippant. Madzagon kellett magam után húzni. ------------------ SMW-nél a CD4053 beállítása eleinte gondot és fejtörést okozott. Aztán rájöttem a mikéntekre. Legközelebb leírom.
Nem volt kedvem szórakozni vele, de ha jól emlékszem teljesen mindegy volt neki hogy hova van állítva a GEB. Ami részben érthető is, mert amikor a gödörhöz ér a húzott fej ott is van fázistolása a talajnak, csak más mértékű mint egyébként. De a visszatemetett gödör fázistolása is más mint mellette az egybefüggő tömör talajnak.
Ahova inkább kellene egy finomállító poti az az érzékenység. Be tudom úgy állítani hogy a 32-33 helyett 39cm-ről is hozza az 1Ft-ot diszkben, csak nehezebb, másrészt ilyenkor már néha többszörözi a jelet, tehát 1 húzásra ad 2-3 válaszjelet. De van hogy csak egyet, tehát ugyanúgy működik. Egyetlen potit nehéz finoman odaállítanom ahova kellene, főleg úgy hogy csak a tengelyt forgatom mert gomb sincs rajta. A helyek a lakásban amikről írtam ugyanúgy fémmentesek, ezért sem nagyon értettem a dolgot és nem is tűnt fel csak véletlenül. A 4053 beállítás dolgot nem nagyon értem, mert azon nem nagyon van mit állítani. Itt sima analóg kapcsolóként van használva, tehát vagy bekapcsol vagy nem. Egyedül a rajta átfolyó árammal lehet variálni, de az úgy jó ahogy a rajzon van. Ha attól eltértem csak rosszabb lett, meg a 4053-at ez nem is érdekli, inkább csak az utána következő fokozatot mivel az egy integrátor (RC tag). Ha azt nézem hogy a Feri csúcsgépe a Magnum a levegőben 35 centiről hozza az 1Ft-ot és 43 centiről a huszast, akkor szerintem ennek a gépnek sem nagyon kell szégyenkezni. Ezt az érzékenységet 1-2 centi híján ez is tudja, de ha éppen sikerül precízen beállítani a potit akkor még többet is. Olyankor 37 centi körül van az 1Ft, és 48 centi körül a huszas. De ezek csak parasztvakításra jók, terepen nem lehet ezeket a beállításokat tartani. Kipróbáltam az Attila féle vevőerősítő IC cserebere dolgot is, de ennek teljesen mindegy hogy mi van ott. Raktam bele a 084-en kívül 072-t, TLC-t, 5532-t, de még fél centi eltérés sem volt köztük. Csak a GEB-et kellett máshova tekerni, mert mindegyik IC-nek más mértékű fázistolása volt adott erősítés mellett. Idézet: „Kipróbáltam az Attila féle vevőerősítő IC cserebere dolgot is, de ennek teljesen mindegy hogy mi van ott.” Valóban igaz, az SMW-féle erősítőnek eléggé mindegy, hogy milyen IC van benne. De egy IGSL-nek, vagy egy TGSL-nek nem mindegy. Nagyon nem.
Kapcsol vagy nem , csak nem mindegy mikor. Bonyolítja a dolgot, hogy az ellenfázisú jelet is kapcsolja.
Az IGSL-ben is összesen 1db OPA a vevőerősítő, meg nekem most az SMW-ben is. Különbség csak a bekötés módjában van.
Tegnap még szórakoztam vele, finomítottam az érzékenység potin mert az is félre lett tervezve. Volt egy jó pillanata akkor 42 centiről hozta az 1Ft-ot, de inkább olyan 34-36 centi a max. amikor még aránylag stabil marad, diszkben, és az alap adójellel ami 35Vpp. Ezzel a fejjel szerintem ez a vége.
Ha elnagyoltan nézzük, akkor tulajdonképpen egy váltókapcsoló ami felváltva az adott lábra kapcsolja a vevőerősítő kimenetén lévő szinusz egyik felét, majd a fázisfordított másik felét is (kép).
A részletek meg benne vannak az adatlapjában. Nem próbáltam még ki (de az Attila igen), hogy mi van ha egy 4066-ot rakok oda és csak az egyik félperiódus van kapuzva. Tapasztalata szerint semmi (szerintem se), mert az integrált jel változása az amiből a találat jele lesz, hogy maga az integrált jel mekkora az majdnem lényegtelen. De lehet hogy kiemelem a 4053-at, beforrasztok a helyére néhány alkatrészlábat és rámókolom a 4066-ot, bebizonyítva magamnak hogy tévedtem vagy esetleg igazam van.
50hz egyenirányításánál sem mindegy, hogy egyutas,vagy kétutas az egyenirányító. Túlozzuk el a dolgot: ha mindegy lenne, akkor elég csak a minden tizedik pozitív félhullámot a kondenzátorokra kapcsolni, avagy mégsem ?
Szóval,az integrált jel nem lesz nagyobb, csak kevésbé hullámos. Avagy ugyanakkora hullámosságnál kisebb időállandójú RC tag is elegendő. Kevésbé lesz lusta jelzésű a gép. ------------------------ A múltkor feszegettem a kérdést, hogy ha az I×N számít a térerő szempontjából, akkor mely az a tekercsgeometria, amelynek ugyanazon menetszám esetén kisebb az induktivitása. (nagyobb frekvencián is nagy áramot lehessen benne létrehozni) Avagy ez esetben kisebb induktivitással kisebb térerő lesz ? miért kérdem ezt ? Ezért: palacsinta Ilyen módszerrel könnyű és igen szilárd fejet lehet készíteni, mellesleg kisebb az átütés veszélye.
Az 50Hz pufferelésénél nyilván nem mindegy, de az egyenirányítás ez meg integrálás. Előzőnél arra törekedünk hogy minél simább DC feszt kapjunk (illetve a terhelés minél kevesebb töltést tudjon kihúzni a kondiból amikor annak feszültsége magasabb mint a félszinusz pillanatnyi csúcsértéke). Utóbbinál meg az a lényeg, hogy van egy mondjuk 10kHz-es jelsorozat, amit kiátlagol (integrál) az RC tag. Ez egy DC feszültség, ami hullámos csak akkor lesz ha a kondenzátorra kapcsolt terhelés (OPA bemenete) nagyobb mint amennyi az időállandóból adódó feszültségesés.
Tehát nyugodtan mondhatjuk hogy ott DC van, mert az OPA bemenő ellenállása kellően nagy ahhoz, hogy ne terhelje az integrátort (de tedd rá a szkópot és meglátod). Ha fémet húzol el a fej előtt, vagyis fázistolás lesz, akkor ez a DC szint megváltozik (mert fázisban eltolódik a mintavett jel), ami aztán erősítve és kijelezve lesz a további fokozatokkal. Tehát nincs jelentősége hogy mekkora, mert csak a fázistolás okozta feszültségváltozás az ami számít. Nem emlékszem a régebbi dolgokra, de az érzékenységet illetően teljesen mindegy volt hogy a vevőerősítő kimenetén 400mV-os vagy éppen 800mV-os amplitúdó van, ami szintén ezt támasztja alá. A tekercsekkel sohasem kísérleteztem, és fellapozva a középiskolás könyveimet sincs egyértelmű utálás ezekre a dolgokra, csak az alapvető infókat találtam meg. De. A tekercset nézd úgy mint egy kondit. Tulajdonképpen mindkettő energiát tárol, csak a kondi elektromos energiát (töltést) a fegyverzeteiben, a tekercs meg mágneses energiát a kialakuló mágneses mezőben. Ahogy a 100nF-os kondiban kevesebb töltés tud felhalmozódni (eltárolódni) mint mondjuk egy 10µF-osban, úgy a kisebb induktivitás is kisebb elektromágneses mezőt fog gerjeszteni mint a nagyobb. Nem tudom hogy ez a palacsinta elrendezés mennyire lehet jó, biztos egy élmény lehet megtekerni. Mondjuk egy trafónál ahol vasmag is van ott biztos hogy nem jó, mert a külső menetek már jóval távolabb esnek a mágneses erővonalaktól.
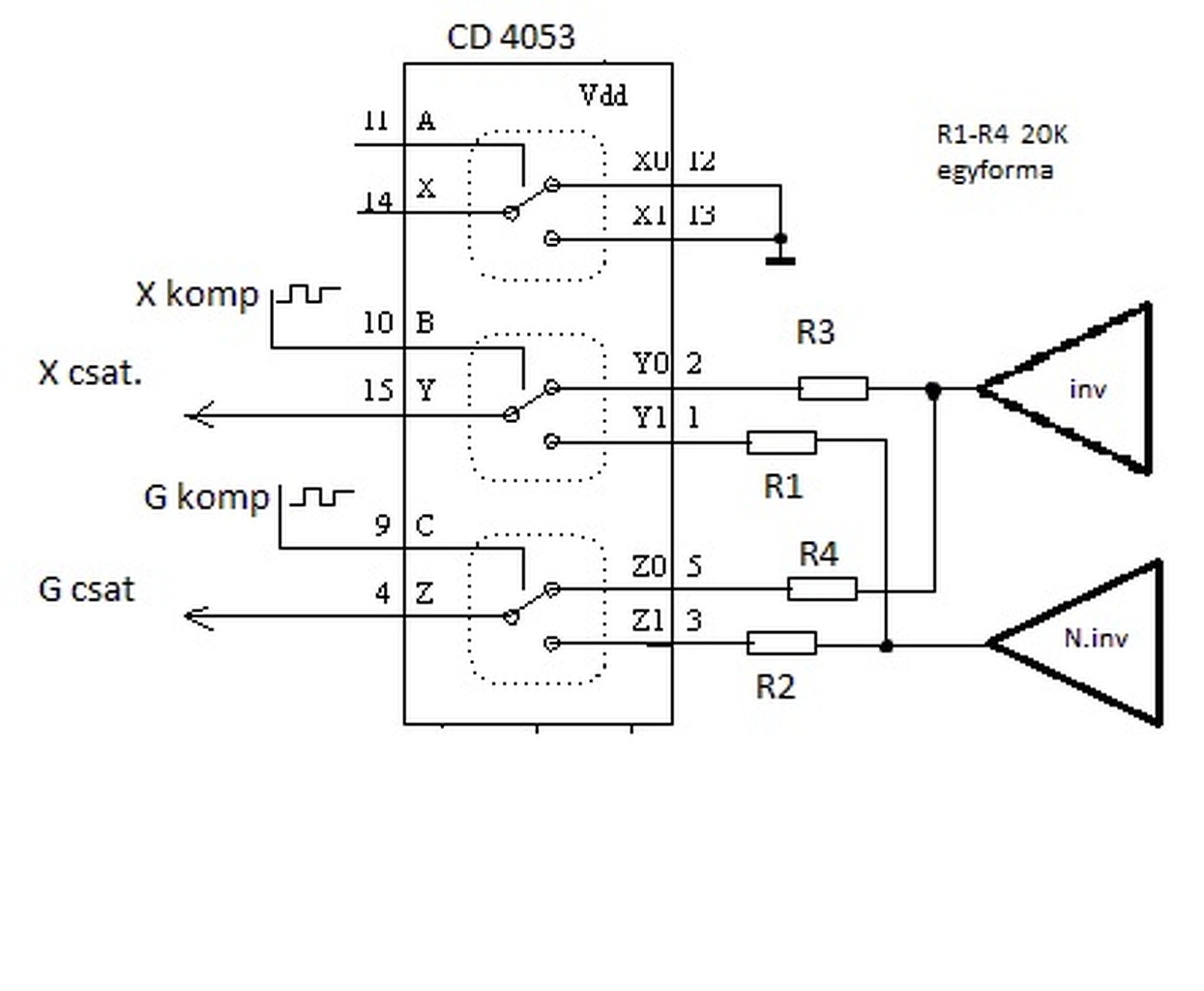
Ígéretemhez híven. Ahogy én csináltam.
Először csak az R2 ellenállást építsük be, addig az 5-ös lábat kössük testre, majd állítsuk be a szkóp segítségével a szokásos G csatorna jelalakot. Ezután forrasszuk be az R3 ellenállást, az 1-es lábat kössük testre, állítsuk be az x csatorna jelalakot. Ezt követően az 1-es és 5-ös láb testelését szüntessük meg, majd forrasszuk be a másik két ellenállást. Az ellenállásokat válogassuk össze, minél egyformábbak legyenek.
Ez igaz.
Az RC időállandó viszont nem mindegy, ha nagy az időállandó akkor "tatásan" lehet csak bogarászni véle. ---------------- Nem nehéz megtekerni. Öntapadó fólia kell hozzá. Egy 30-as nyákra kétoldalon tapadó fóliát kell ragasztani, akkor megvan a hordozófelület plusz az árnyékolás is megoldva. Nem kell öntőforma, meg fél kiló gyanta. Akár egy AD konverter meghajtó erősítőt is rá lehet integrálni. Iszonyú mágneses térerőt lehet ilyen tekercsekkel létrehozni, vannak róla videók. Hamarosan kiderül Idézet: „Az RC időállandó viszont nem mindegy, ha nagy az időállandó akkor "tatásan" lehet csak bogarászni véle.” Az az időállandó, ami a föllelhető kapcsolásokban a fázisdetektornál van, az bőven gyorsabb, mint kellene. Nézegettem gépeket, de nem találtam olyant, ahol ez 15 Hz alatt lenne. Általában gyorsabbak. De ezután a sávszűrő erősítők általában sokkal lassabbak. Az SMW-nél, ha jól emlékszem 6 Hz körüliek. Egy ilyennel hiába akarsz gyorsan lengetni, nem fog eredményes lenni. Ha lassú a géped, akkor ezeket a sávszűrőket hangolgassad inkább. Ha túl gyorsra csinálod őket, az sem túl jó, de az már más lapra tartozik. Egy érdekes kísérlet: A fázisdetektor R-C tagjai közül szedjed ki a C-t, semmi ne legyen ott, és próbáljad ki, hogy mennyit változott a gép gyorsasága, és egyéb tulajdonságai.
Leskicceltem a 4053 (vagy éppen 4066) környékét. Változtat bármin ha az R1 20k és R2 47k helyett 1db 67k-t teszel az R2 helyére és R1 rövidzár? Ugye nem. Csak az egyik esetben 2 soros ellenállásból képződik az eredő.
Csináltam egy pici hangfájlt is. Nem tudom olyan gyorsan rázni a kezemben a csipeszt a fej előtt hogy a gép ne jelezze. A gépben olyan 8-10Hz körülire vannak állítva az erősítők, ami azt jelenti hogy másodpercenként mondjuk 8-at kellene lendíteni ahhoz hogy lassúnak tűnjön a gép. Ha megfeszülök sem tudok 4-5-nél többet lendíteni 1s alatt.
Ennél semmit. De nézd meg pl a cibolánál a CD előtt vannak az ellenállások, mégpedig minden bemeneten 1 db. Talán nem véletlenül. A kimeneten ekkor persze elhagyható az ellenállás.
Átfilóztam a dolgot. Fizikailag mindegy, hogy a CD bemenetein vannak-e ellenállások, az élesztést viszont megkönnyíti.
Ez a frekvencia ne azt jelenti, hogy másodpercenként hányat lendítesz. A lendítésnél, amikor a fej alatt elhalad a téltárgy, akkor lesz egy másfél periódusnyi, szinuszhoz hasonló feszültséglengés a fázisdetektor kimenetén. Ennek a másfél periódusnak a frekvenciája jellemző a lengetésedre.
Egy egyszerű próba. Tegyed az egy forintost egy tégla mögé, és úgy lengessed. Így már dolgozik a gépben minden, és tesztelheted, hogy milyen gyors mozdításnál jelzi az érmét. Így már lesz olyan gyors mozdulatod, ahol nem fogja jelezni.
A tekercseléshez szeretnék segítséget kérni. Indukciós hídat szeretnék építeni valós 3 tekercseléssel (a két adó között a vevőtekercs).
Mind a három tekercselés lehet azonos keresztmetszeten? Tulajdonképpen mit jelent az ellentétes tekercselés, mert nem tekercseltem még: gondolom ellenkezőleg nehéz tekercselni, ezért készítek egy tekercset és fordítva helyezem rá utána, na és annak mi lesz az áramiránya? Másfelől ez a tekercselés: végig tekercselek egy sort és utána elölről kezdem. Segítségeteket szeretném kérni, mert még sosem tekercseltem... Szóval a tekercseléshez is ha kaphatnán tanácsot, az jóó lenne. köszönöm előre is.
Játszogattam egy kicsit. Két diszk csatorna a gépben, mindkettő külön állítható. A videón a vas szűrve, alufólia mély, a többi magas.
De akár a vas is lehet mély, a többi magas, ahogy beállításra kerül. video
Ezt a másfél periódust nem tudom honnan veszed. Így néz ki az integrátor kondijának feszültsége. A beállítás 1mV/div, tehát a kondi DC feszültségén 1mV-ot lüktet a kikapuzott szinusz, ennyire terheli az OPA bemenete.
Szépen látható hogy ha érmét lengetek előtte akkor a DC fesz változik meg, a szinuszjel sorozat ugyanúgy ott van (hol máshol lenne). A videó vége fele lassabban húzom az érmét, gyönyörűen látszik ahogy változik (eltolódik) a kondin levő DC szint, majd ha megszűnt a fémtárgy mozgása (nincs már fázistolás) akkor visszaáll. És ez akkor is így van ha ferrittel együtt lengetem az érmét, csak akkor nyilván más amplitúdóviszonyok lesznek. Videó. Ez a lassú gép dolog csak akkor jöhet elő, ha az integrátor időállandója nagyon nagy, azaz jó nagy a kondi amit pici árammal töltünk, vagyis nagy az ellenállás értéke is. Ilyenkor természetes hogy a kondi feszültsége nem tud időben megváltozni csak jóval lassabban, mert a nagyobb ellenállás korlátozza a kondi töltő/kisütő áramát.
Valahogy úgy. Készítesz két egyforma tekercset és egymásra helyezed őket. A kettő közé tegyél egy vékony hungarocell lemezt. Kösd be őket és adj rá valamilyen frekvenciájú szinuszos delejt. Készíts egy pár menetes kontroll tekercset, helyezd rá a pakkra. Ha jól vannak bekötve a tekercsek, akkor a kontrolltekercsen kicsi a váltakozó fesz, ha fordítva, akkor jó nagy.
Ezt a tekercselés kérdést nem igazán értem. Tekercselhetsz "vadul" is, vagy használhatsz sablont is. Célszerű az utóbbi. Plexiből készítesz szétszedhető sablont és erre tekersz. Minden sor után óvatosan lekened sell lakkal, vagy epoxigyantával. Egy kis "kávészünet", majd a köv. sor. És így tovább még meg nem lesz a kívánt menetszám. Idézet: „Ezt a másfél periódust nem tudom honnan veszed.” Ha fordítva kötöd be a vevő tekercset, akkor két jelet fogsz kapni egy céltárgyra. A videón is látni, hogy az az egyenes egy találatra kilendül fölfelé, és lefelé is. Ennek a lengésnek jellemző a frekvenciája. Ha már az erősítő kimenetén mérsz, akkor ott egyértelműen látod az egyenes lengéseit. Egy tárgy lendítésekor középről le-föl-le, majd vissza alaphelyzetbe.
A sávszűrő erősítő kimenetén nagyon frankón lehet látni 0.1 vagy 0.2 másodperces eltérítésnél az alábbi szerű jelet, amikor egy céltárgyat elhúzok a fej előtt. Ennek a jelnek a frekvenciája a mozgatás sebességével arányos, és ezért nem mindegy, hogy milyen törésponti frekvenciára hangoljuk az erősítőket.
Ha a második erősítőre rámérünk, ott lehet látni jól, hogy ugyanazon tárgy, ugyanolyan távolságból történő lengetési sebessége mennyire befolyásolja a jel amplitúdóját. Túl lassúnál is kisebb, túl gyorsnál is kisebb.
Sziasztok! Pár kérdésem volna mert elakadtam az átépítésben...
1/ A paneltől 1cm-re beépithetek egy mágneses hangszórót? (8-OM 1W) vagy esetleg egy telefon hangszórót... 2/ Mit jelent a jelek fázishelyzete kifelyezés? 3/ Ha az akku bemenethez beépítek egy pillanatmegszakító gombot akkor az megfelel egy resetelésnek és ujrakalibrálja a masinát? Köszönettel!
1., általában igen.
3., Igen, de ha belül nagy pufferkondik vannak a tápon, akkor néhány másodpercet várni kell, míg ezek kisülnek. 2., Pl. van két egyforma frekvenciájú jel (szinusz, négyszög, háromszög stb.) és a kettő lefolyása időben nem esik egybe. Ha egybeesik, akkor a két jel fáziseltérése egymáshoz képest nulla fok.
1. Szerintem nyugodtan beépítheted.
2. A fázishelyzet valami olyasmit jelent, hogy a két azonos frekvenciájú jel esetén az egyik mennyit késik a másikhoz képest. Az animált képen láthatóan a frekvenciák azonosak, de a fázisuk nem. 3. Bizonyos esetekben előfordulhat, hogy beválik, de szerintem nem ez az igazán járható út. A hozzászólás módosítva: Dec 19, 2014
1. Igen.
2. Vegyünk az egyszerűség kedvéért 2 szinuszhullámot (lásd kép). A fázishelyzetnek van egy kitüntetett pontja, ez most legyen a zöld színű szinusz kezdőpontja. A teljes hullám, vagyis a periódus 360 fok. A piros szinuszhullámot úgy indítottam, hogy ehhez képest fázisban 90 fokkal el van tolva, tehát annyival később. A kettő között tehát 90 fok fáziskülönbség van, az hogy ez plusz vagy mínusz az attól függ hogy mi a kitüntetett (viszonyítási) pont. Ha a zöld akkor a piros ahhoz képest 90 fokot késik, ha a piros akkor pedig hozzá képest a zöld annyival van előrébb, amennyiben a nulla időhöz viszonyítunk. 3. Ha megszakítod a táplálást az egyenértékű azzal mintha kikapcsolnád. Persze ez függ attól is hogy mekkora puffer van az akku után, és az mennyire sül ki a megszakítás időtartama alatt. Egy ilyen gépnél semmilyen önkalibráció nincs, ami kalibráció van azt a kezelő végzi el a potméterekkel. Vagyis pont úgy kell neki működni a bekapcsolás után mint a kikapcsolás előtt.
Arra jöttem rá hogy efféle alkalmazásban az adatlap sem feltétlenül mérvadó, sajnos nem kerülhető meg a kísérletezés. Pl. az LT sorozatú komparátor elvben fényévekkel jobb egy 393-nál, az SMW-be berakva meg semmivel, vagy talán még rosszabb.
Köszönöm! A jelek fázishelyzetét még tanulmányozom a másik két kérdésemre értem a választ!
|
Bejelentkezés
Hirdetés |












