Fórum témák
» Több friss téma |
Hello lenne egy 3 lábú (S 512 05L típusú) hall elemem és egy LED et szeretnék kapcsolni vele(12 V os tápfesszel) ehhez kellene egy kapcsolási rajz. Várom az ötleteket, előre is kössz! (találtam hasonló topicot de ott 4 lábúról volt szó)
Miben volt ez a hall elem?
Mert, ha egy pc ventiben, akkor csak rárakod a tápot(12v, gnd) és a harmadik kivezetésre a ledet egy ellenállattal és kész.
nem ezt úgy vettem a boltvan külön suliba kell órára megcsinálni
Sztem csak +5V-ot adj neki. Gyanus az a 05 a végén.
tudnál hozzá kapsolási rajzotküldeni
? (láttam egyet réggebben de az elemmel(9v) is működött(persze ugyenezzel a típusú hall elemel)
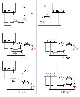
hello fiúk én gondoltam egyet nézze meg vki lécci hogy jó e a rajz (tegyük fel h jó ako a tranyóval hogyan lehetne megoldani?) led előtétellenállás lemaradt a rajzról de az most nem lényeg
Ez elég komoly és részletes leírás.
Én visszavinném, ha tényleg ezt adták.
A bal oldali ábrák NPN , nyitott kollektoros verziónál jók. A tranyós kibővítés két működési fázishoz: mágnes van v. nincs, mikor világítson a LED.
A jobb oldalon PNP rendszerű Hall alkalmazást látsz, ugyanígy két fázisra. Talán valamelyik passzol a te cuccodhoz.
Hi Mesterek
Nem akkartam új témát nyítni ezért itt kérdezném meg a próblémám. Kitsit hosszú lesz, tsak hogy tiszta legyen. Szóval van egy opel corsam s ez azt tsinálja hogy menetközben tsak úgy leáll(nincs szikra, már a főkábelnél se) a hiba kb 2 percig áll fent aztán beindul. A lehetséges hibákra 2db tippet kaptam, (a kábeleket és a érintkezöket már megnéztem, jók): 1. hall jeledó 2. gyujtás modul Ezeket álltalában oszcilloszkopal csekolják, ami nekem nincs. Tehát az oszcilloszkopot szeretném helyetesítenni ledel (amit a müszerfalba akarom ideiglenesen rakni), ezeket úgy szeretném bekötni hogy menetközben is menje tehát járó motornál , s ha leáll s nem akkar beindulni akkor megtudom nézni a ledekröl hogy mi nem ad jellet a gyujtó trafonak. Mert a hall a ECU-nak küld az ECU pedig a gyujtásmudulnak s ez pedig a gyujtó trafó primer tekercsnek ad jellet/áramot, s lön szikra, ha jól tudom. Szerintem ha a gyujtásmpdul és a gy.trafó közöti vezetékbe bekötöm a ledet az nem gáz. De a halltól félek hogy kinyirhatom, föleg ha ellenálást is rakok belle a led miatt.Tényleg hall milyen jeled küldhet? Rakokk 1 képet az amin a hall jeladó ellenörzö áramkör van tsak ez nem tom hogy menet közben möködne e? A másik pedig a gyujtásom bekötése. A segitségetek elöre is köszönöm.
Eléggé melegedés-jellegű a hiba, a vezérlőelektronika vagy gyújtásmodul testhibája is okozhatja (ritkán a trafó kezdődő tönkremenetele, túlhevülése), így elsőre.
A Hall-jeladós rész az egyszerűbbik eset. Műveleti erősítővel egy jelkövetőt kell csinálni (műv. er. +IN a jeladótól az ECU felé menő vonalra, -IN az erősítő kimenetére), pl. egy LM358-as egyik "fele" ezt lekezeli, még a bejövő jelet sem kell osztani, és semmit nem fog visszaterhelni a jeladóra. Nagy előnyként nem kell neki negatív tápfesz sem. A gyújtásvezérlő és a trafó primer közé nagy illetlenség volna ledet tenni, megszakításkor ott 200-400 V is előfordul, zárt körnél meg 5-8 A áram folyik. Az előbbi LM358-as másik "felét" (ebben ugyanis két műv. er. van) fel lehet használni a figyelésre, de a bejövő jelet erősen moderálni kell. Ez annyit tesz, hogy a trafó primer pontjától pár ellenálláson át leosztva kell az erősítőhöz vinni, és nem árt még egy Zener-diódával limitálni is az esetleges csúcsokat. Mindkét erősítő-kimenetre tehetsz ezután ledet, a test vagy a Vcc felé kapcsolva (plusz ellenállás, természetesen), attól függően, hogy a jelvezetéken lévő feszültség esetén világítson a led, vagy a testre kapcsolt állapotnál. A rajzi kapcsolás akkor hajtja meg a ledeket, ha nullára húz a Hall-jeladó (ott ez az információ, nem a magas szint), valamint ha felugrik a trafó 1. pontjának a feszültsége (gyújtás pillanata). Most látom, hogy a trafó 1. pontja az elektronikán C-vel van jelölve, a feliratokat értsd eszerint.
Hi Kobold, Isten vagy!
Elöször is nagyon szépen köszönöm. Én tsak az elektronikát nagyon hobbi mondhatám nagyon amatör szinten vágom. Tehát lenne még pár kérdésem: a kondik, s a ledek hány voltosak legyenek, 12V ? A zener dioda az a egyenirányító féleség(fekete henger az egyik vége jelölve). A LM358N az transziztor lesz, gondolom én. Köszi mégegyszer, ha összerakom még jelentkezek az élménybeszámolommal ![]()
Hi
Megint Én. Utánna néztem hogy mi micsoda, úgyhogy felesd el a kérdést (#172615) de hogy hány V az továbra is érdekelne. Az ellenállások milyenek legyenek mert láttam hogy az ohm.on kivül még w-ra is mennek. Tehát elég belle a pl.: 1kohm/2w(9ft) vagy komolyabb legyen úgy 30ft-os (5w)? , de most komolyan, mert írtad hogy akkár 5-7A is szaladgálhat, vagy semmi köze hozzá?A 7812 kütyű azt felfogtam, de a lm358n-ek nekem túl sok lába van, nekem ez nagyon érthetetlen. Bocs hogy enyít szörözök tsak hát mint már írtam nem vagyok nagy zseni ebben a témában. Elöre is megint köfi.
Hello!
A kondik legalább 16V-osak legyenek, a 100n-s kerámia legyen. A 100k-s elenállat 2W, a többi 0,25W. LED-nek valami egyszerű 10-20ft-os "sima LED" (nem fesz.-re megy). Cső!
Nem ültem a gép előtt, de Digimann tökéletesen leírta a helyzetet
Az 5-7 A a primer körben fog szaladozni, csak töredéke (pár mA) fog bejutni az áramkörbe. Évek óta üzemel hasonló eszközöm, 1/2 W-os bemenő ellenállással, mert egyrészt ritkán használom, másrészt töredéknyi ideig jelentkezik az a pár száz V-os csúcs, ami nagy áramot tudna rajta áthajtani. Az LM358 tetején van egy pöttyszerű mélyedés (a végében lévő félköríves bemarás mellett), az az IC 1. lába. Ha megnézed az adatlapját a neten, az első oldalon ott lesz felülnézetben, el sem lehet téveszteni Ha nem találsz 16 V-os kondit, tehetsz bele 25-öset is, a lényeg, hogy lefelé ne menj.
Az az LM358 két tápvezetéke... A 8-as számú a Vcc, azaz táp pozitív, a 4-es számú a test (GND).
Hi Mesterek
Ma megvettem mindent, készül , csak elakadtam egy kicsit van úgye a 7812-es kütyű.A kapcs. rajzon ez úgy van hogy in, out, gnd. Gondolom Én hogy a középső lába az a gnd de melyik a be és a kimenet. Rakok egy képet hogy hogyanállok, s az emlitett kütyüt. Hátha könnyebb lesz így nektek nekem elmondani mi mi csoda rajta ![]() Elöre is köszi.
Balról jobbra:in,gnd,out. Ahogy a fényképen a stabkockát látom.
Hi
Készen vagyok Nem az mintha nem biznék magamban, de nem e lehetne valahogy ezt a kapcsolást lecsekolni, még mielöt berakon az kocsiba? Most pedig megköszöném mindenkinek aki szánt rám időt s energiát
Trafó, test, Hall-szenzor jelét látom, de hol kap tápot?
Amúgy ezt így elég nehéz leellenőrizni... Rajz alapján végig kellene menned a vezetékeken, ha az rendben van, de még mindig nem bízol magadban, akkor tápot neki 12V-os adapterről, Hall-bemenetet testre húzgálva az a led villog. A trafó körét nehezebb vizsgálni, de ha a Hall-bemenetre normálisan reagál, szerintem beépítheted. Legfeljebb elsőre nem dobozba, csak vezetékeken lógva, de ha rajz szerint jó, nagy baj nem lehet benne.
Hi
Hát ja a táp lemeardt, ha haza mentem meloból potolon , és leellenmörzöm szóval hall benetre rakom a testet le rá s vilogni fog.Köf
Azt jó lenne tudni, hogy 2, vagy 3 vezetékes a Hall szenzor... Ha 2, akkor ez így nem fog menni...másképp van meghajtva.
Sok sikert! Üdv Inhouse
Hali!A 172499-ben közölt kapcsolás alkalmas a jeladó ellenörzésére. Egyépként egy ledes próbalámpa is megfelel,ami nem más mint két paralelkapcsolt led és 1Kohmos ellenállás.A pontosítás kedvéért a leírt áram csak a trafón,ill a gyujtómudul kapcsolótranyóján folyik, a HALL csak mA nagyságrendüt bír el!! A gyujtómodulban áramhatárolás és lekapcsolás van.Jó lenne tudni ez milyen Opel.Ha elosztós és különálló gyujtómodulos akkor adva van a fordulatszámmérő meghajtása. Elosztós esetben a hiba lehet a hall kivezetésének szakadása a szigetelőben/gyakori hiba/
A 7 lábú gyujtóelektronika 7-es lába megy a fordmérőhöz! Üdv!
Hi
A gy.moduk külön van a trfotól.Az enyémen 4db kivezetés van +,-,vezérelt jel be ami az ECU-ből jön, s a kimenő ami megy a trafóba. A hall j. adó dugaszában már néztem/mértem vezeték szakadást böven 1ohm alatt volt tehát szerintem jó, vagy te a maga a jeladó kivezetésére kondolsz. Azt nem tudtam szétszedni mert elöte van az a "jugatott" tárcsa azt meg nem akkartam feszengetni. So az auto Opel Corsa 94-es 1,4I C14NZ motorral. A szikra már a főkábelen sem található amikor nem indul. Akkor az áramkör/kapcsolásirajz szerintedis alkalmas ellenörzésre, ez jó. A napokpan befogom építenni. Kiváncsi leszek az eredményre hagy miszívathat.
Hi
Müködik, tehát arra gondoltam még hogy megkéne figyelni a ECU-ból jövő jelet is ami belemegya gy. modulba. Azt akkarom kérdezni hogy elég lenne neki olyan mint a hallnak. Azaz egy IC s ellenállás meg led vagy it nem a nulát szagatja az ECU, amibe belemegy a gy. modulba? Ha az eléglenne irjátok már le hogy a az eredteti "tápvezérlés" elbírja még a + 1 IC(lm358n)-t. Igy mindent tudnék figyelni aminek köze van a gyujtáshoz. Elöre is köszi
Hi
Megcsináltam a másik áramkört is úgymint a gyujtásmodulét, csak kihagytam a 100k ellenálást. Mükszik, ellenörzi amit kell .A gyujtáslmodulnál nem világitott a led(lehet a generátor miatt,lásd később) ezért áthidaltam a 100K ellenálást si így mükszik. Lehet hogy kicsit túl véted, Kobold? Vagy a trafóm nem csinál akkora áramot mint kéne? Nem tom. de időközben rájöttem a hibára, vagyis remélem. Az aksit leszedtem menet közeben s leállt a gépsas! Érdekes mi, a töltésem 13,5V volt fordulatszámtól függetlenűl ez szerintem kevés, ha jól tudom14,5V kell lennie. Az aksiban meg 11,5V van benne. Tahát végüli van töltés tsak nem oda megy ahova kéne, vagy valami ilyesmi, gondolom Én. Holnap szétborítom a generártort, hátha lesz benne valami. Üdv Szabi
Nem biztos, hogy kevés a 13,5V, sok mindentől függ.
Az akksiban a 11,5V az kevés, egy merült akksi mutat ennyit, sőt az is elképzelhető, ha ezt frissen leállított motornál mérted, hogy cellazárlatos és azért ennyi, mert a többi cella jól fel volt töltve, ilyenkor szép lassan megy lefelé. 12,5V körül kellene neki lennie, ha egy óra múlva megméred. Lehet, hogy ez nálad csak 10-11V körül lesz... A töltésnél mindenképpen emelkednie kell a feszültségnek beindítás után, de függ a generátor állapotától a fordulatszámtól, a terheléstől, az akku állapotától, hogy fel tud-e menni 14,4V-ra, ez a max. Ezt csak ideális esetben éri el. A 13,8V már jó szokott lenni. Üdv Inhouse |
Bejelentkezés
Hirdetés |




? (láttam egyet réggebben de az elemmel(9v) is működött(persze ugyenezzel a típusú hall elemel) 

Én visszavinném, ha tényleg ezt adták. 





, és leellenmörzöm szóval hall benetre rakom a testet le rá s vilogni fog.



