Fórum témák
» Több friss téma |
Kicsit belekontárkodok ebbe a topicba
nameg nemis LED-es dolog az amit készen találtam.Tudom most mondjátok, hogy ami készen van az........ de amit saját kezüleg csinálok.........!!!Ami igaz is.Tehát inkább csak jelezni kívánnám, hogy mint mondtam nem LED-es hanem villanócsöves, viszont illik rá az FBI style. A csatolt képen, és videon látható amiről gagyogok.És nem is drága:1250Ft Konkrétan én másra vettem aminek a magyarázatába nem kezdenék bele(szét fogom berhelni )Jahh, és asszem van pirosba is
Szia!
Ez valami autós tuning villogó? (videót nem tudom lejátszani, nem emberszabású a formátuma )Ennyiért nem volt drága, egy villanócső ára.
Hát igen,bár nemtudom hogyan tunningolja ez az autót.Szerintem inkább a pénztárcát lapítja ha elkapja a Yard menet közbeni használatnál.Valami MNC márkajelzéssel bír.
A Videot pedig Quick Time playerrel le tudod játszani.
Szia!
Ne haragudj, hogy csak most válaszolok de az elmúlt 7re kivontam magam a forgalomból és csak tegnap este jöttem haza... Sajna a számítógépemnek mindenféle baja van és mivel csak egy "buta felhasználó" vagyok némiképp várnom kell a segítségre. Teljes gyalu kell a drágának... Szóval videó még csak akadna de nem nagyon akaródzik felkúsznia a gépre. Amint meg lesz és képes leszek újra komolyabb dolgokat is művelni vele azonnal felteszem...
Sirály lett...
Az egyik RC magazinban más megoldást láttam. Egy plexi lap volt az autó aljára erősítve úgy, hogy összesen kettő db ledet belefúrtak (szorosan). A plexi azon része ami a fényt az autó alá küldi víztisztára lett csiszolva és kész is...
Helló!
Én is sokat küzdöttem evvel a problémával. Aztán egyszer kigyúlt az Isteni szikra... Amúgy is autókkal foglalkozom és elég jó a kapcsolatom néhány karosszériással... Elkértem pár db autó első és hátsó lámpáját. Ezeket szétkapva és megfelelő méretre alakítva minden megoldható. Prizma, burkolat egyebek... Így akár még bonyolultabb formákat is viszonylag egyszerűen össze lehet fabrikálni. És ha nem sikerült..? Kidobom és hozok egy "új" lámpatestet...
Mivel általában annyi csatornája van ezeknek a rádióknak mint amennyit éppen használnak elöre-hátra illetve jobbra-balra sajnos nincs mód a távirányítású vezérlésre.
Hacsak nem építesz hozzá egy külön adó és vevő egységet amit persze a járgányban is el kell helyezni és még egyéb evvel kapcsolatos gondokat is meg kell oldani... Ugyhogy ennek a problémának a megoldása elég komoly feladat... Sajnos...
Köszi a Zener számolót! ilyet még nem is láttam
Oké,semmi gond,a héten én sem voltam.
Én is megállapodtam az autó lámpából való kialakításnál,már csak megfelelő donorra várok ![]() Ahogy villogók képeit nézegettem,sok helyen van sima csíkos/bordázott üvglap a ledek előtt. Egyenlőre a T. gazdaságos, párban kapható ködlámpa lesz a nyerő ahogy látom A videóval ne siess,de azért kiváncsi lennék ![]()
Soha ki nem találnád a kép linkjéből....
Bővebben: Link Még ilyen gombok is vannak... mint a régi buszokon ![]() Bővebben: Link
Vagy még egy lámpatípus, ez kisebb:
Bővebben: Link
Öregem! Ilyen gombokkal kölökkoromban én tényleg találkoztam a pesti buszokon! Tiszta retró hangulat!
Ha egyszer lesz egy "öreg csotrogány" kocsim, amit majd felszerelek minden retró cuccal (bólogató ebem már van! ), akkor abba - poénból - biztos teszek be ilyen gombokat! Még az is lehet, hogy szerzek "Leszállás jelző Kérjük idejében jelezzen!"-táblát is, és a gombokat az ajtók fölé szerelem!
Nekem már van idehaza ilyen gomb!
A kapucsengőm is ilyen, de a világítást ki kellett kötnöm, mert minden hülyegyerek nyomogatta...
Mit szólnál hozzá ha azt mondanám, hogy épp tegnap kaptam három komplett peugeotból származó első lámpát?
És van ott még ahonnan ezek jöttek... Ha BP-en vagy netán Érd magasságában laksz, akár össze is futhatunk. Szívesen adok egyet. Ha messzebb akkor elküldöm póstán utánvéttel ha lehet olyat csinálni...
Jól hangzik
![]() Meg tudod mondani hogy milyen peogeot-é volt? csak hogy meg tudjam lesni ![]() Köszi előre is
Ne haragudj, hogy csak most írok de oda van a computerem és most is a párom laptopjáról írok...
307-esé a lámpa. Ez egyébként miért fontos ha amúgy is szét lesz szedve?
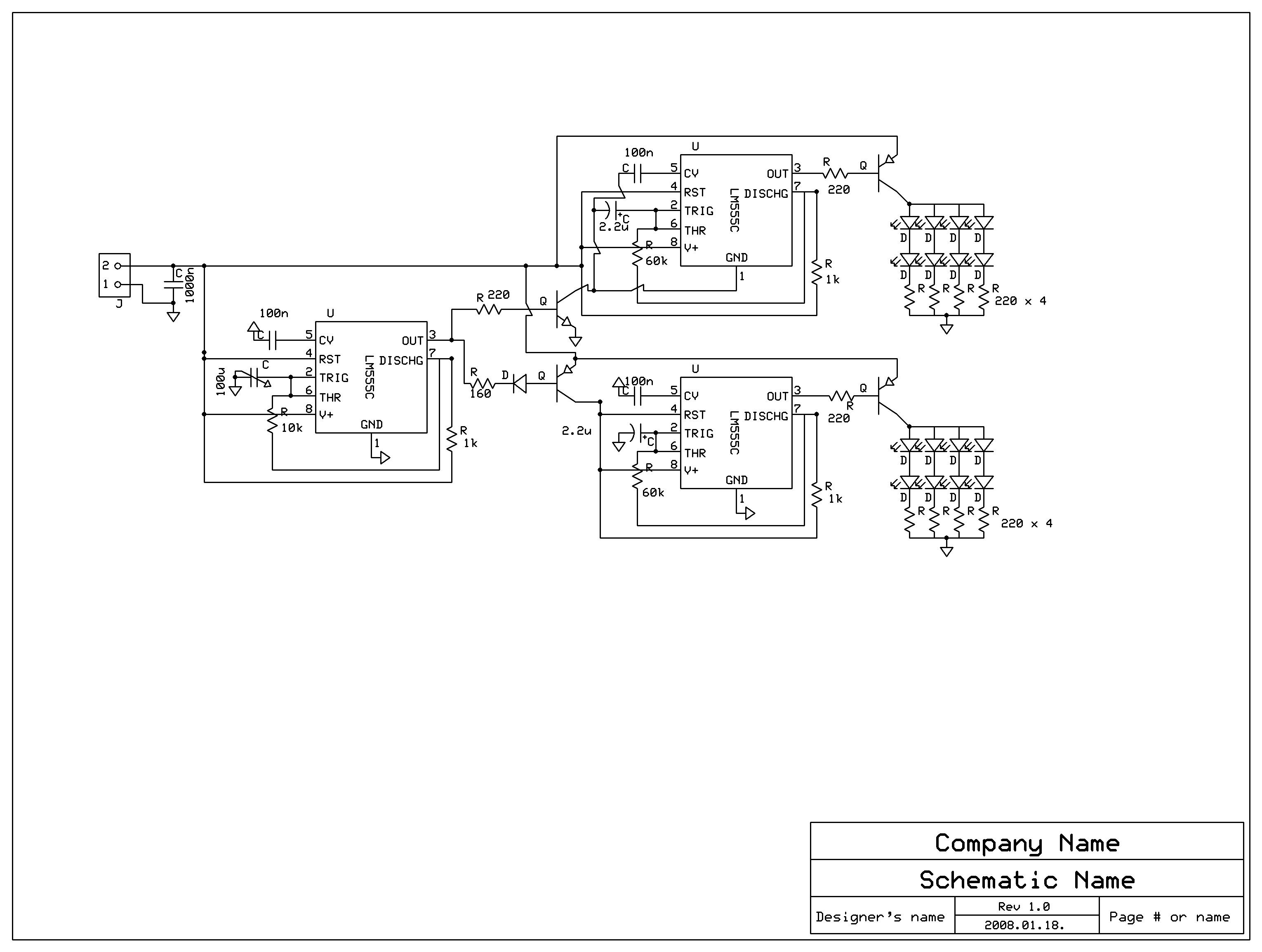
Ebben a kapcsolási rajzban azok a "Q" nevezetű tranzisztorok milyenek??Mert nincs odaírva
Előre is köszönöm.
Gyakorlatilag "bármilyen", univerzális PNP, illetve NPN tranyó jó hozzá, ami elviseli a vezérlési feszt. (Az áram, ha nem "milliószám" kapcsolgatod a LED-eket, akkor szinte bármelyik tranyó számára elviselhető.)
Már csak egy kérdésem lenne ezzel a kapcsolási rajzzal kapcsolatban.Hogy ami ott van elöl az a kondi az milyen?És hogy kérjem a boltba?Például: kérek egy 100 mikros kondit?
És előre is köszönöm a válaszokat.
az egy trimmer kondi,
Azzal szabályzod milyen időkööznként villogjon az egyik illetve a másik oldal.
Szerintem inkább kisérletezd ki a jó értéket trimmerben szerintem nincs 100 mikros ha van akkor bocs.
Majdnem biztos, hogy nincs ekkora értékű! Az ilyen nagy trimmer kondi kb. egy kisebb családi ház méretű volna, amit nem valószínű, hogy NYÁK-ba akarna bárki ültetni...
Helyette javaslom, hogy 2x47 µF-os kondit tegyél be egy próbapanelba, azon próbálgasd! (Mint tudjuk, a kondenzátorokat párhuzamosan kapcsolva az értékeik összeadódnak, tehát viszonylag egyszerűen kikísérletezhető a megfelelő érték, amit mát be lehet építeni.)
Klassz!
![]() Feltennéd az asm-jét ide? Hadd tanuljak belőle... Köszi szépen! CCS-C -ben írtam!! Idézet: „void main(){ int main; set_tris_b(0b10000000); set_tris_d(0b00000000); output_d(0b00000000); for(; {output_d(0b11110000); delay_ms(80); output_d(0b00000000); delay_ms(80); output_d(0b11110000); delay_ms(80); output_d(0b00000000); delay_ms(80); output_d(0b00001111); delay_ms(80); output_d(0b00000000); delay_ms(80); output_d(0b00001111); delay_ms(80); output_d(0b00000000); delay_ms(80); }//for }//main” |
Bejelentkezés
Hirdetés |




nameg nemis LED-es dolog az amit készen találtam.
), akkor abba - poénból - biztos teszek be ilyen gombokat! Még az is lehet, hogy szerzek "Leszállás jelző Kérjük idejében jelezzen!"-táblát is, és a gombokat az ajtók fölé szerelem!


