Fórum témák
» Több friss téma |
Szia!
Érdeklődnék hogy a Luxeon ledekből hányat és hogyan kötöttél össze???? Nekem ugyanis 10-10 10mm-es extrafényes ledből volt összerakva a piros és kék oldal, de a piros oldal akkor is világított fél fénnyel,mikor nem kellett volna neki :S A kék oldallal azért nem volt baj mivel ott 5-5 led volt sorba kötve majd a 2db 5ös csoport párhuzamosan,a pirosakat viszont a nagyobb üzemi fesz miatt nem tudtam 5-ösével bekötni csak 3-3-4 es csoportokban. 12votról ment a cucc egyébként. Ha másnak van ötlete,azt is várom
az előző kapcsolásban 2x8 led van , nem lehet megcsinálni hogy csak 2x3 ledet müködtessek meg vele.
szia!
természetesen meg lehet csinálni. Egy kérdésem van: Mekkora lesz a tápfesz?? Ez itt 12 Vra van kalkulálva. és pls használd a VÁLASZ gombot kössz ![]()
Halee!
Nos, a luxeon rebellt használtam(tuk)... Az a nagyon komoly, hogy ezeket "simán" lehet 12v-ról hajtani. Lényeg, hogy a specifikációban lévő (általában 1000 - 1500ma-t ne lépd túl). Ráadásul ide különösebb hűtés sem kell, mert nem folyamatos üzemről van ugye szó, hanem csak villogásról (100 - 200 ms) Arról nem is beszélve, hogy ezeknek akkora a fényereje, hogy csatornánként (ha több különböző helyen akarod elhelyezni) elég 1-1 db minden színből... Ja, és amiért én is vadászok ezekre a kapcsolási rajzokra az igen banális: Barátommal ketten megcsináltuk. Én adtam az 5let, ő pedig a tudás jelentősebb részét. Elkészült a kapcsolás, be lett dobozolva és a jótét lélek (mivel tuti profi stb...) úgy lezárta nehogy ki lehessen nyitni... (műgyanta és egyebek) Aztán persze jól titokban tartotta, hogyan és milyen alkatrészekből kell összerakni... És persze ahogy lenni szokott már nem is vagyunk jóban... se...
Értem,köszi a választ!
Sajnálom hogy nem tudsz a lelki világába betekniteni ![]() És leht tudni hogy összesen hány ledet használtatok hozzá?esetleg egy képet tudnál feltenni? Köszi
Szerintem ezért most utálni fogsz!
Összesen hat db-ot! 1-1 fehéret 1-1 kéket 1-1 pirosat Tehát oldalanként három db-ot. A rebell apró méretéből adódóan maga a ház is elég pici. Legalábbis a hagyományos rendőrségi villogókhoz képest. Mindössze 1.5cm x 5cm és vékony tükör borítása van belülről. Ami miatt nem igazán tudok képet feltenni az a "titkosított megoldás" Biztos ismered azokat a szélvédő fóliákat amik kivülről visszatükröznek de kifelé lehet kuksizni... Nos, egy ilyen csík van a szélvédő felső részén és emögé van elrejtve és emiatt hiába fényképezném... Nagyon sajnálom... Abban az esetben ha véletlenül megszabadulnék a közeljövőben a járgányomtól és emiatt kiszerelődne azonnal lefényképezem...
Oké,köszi a választ,egyébként semmi gond,így már van némi elképzelésem a dologról.
Kicsit meglepett a kevés számú led,de feltételezem hogy a célnak megfelel. Én kimindottan a gyári méretekhez hasonló méretben szeretném megcsinálni,ehhez akartam vkitől tanácsot kérni akinél már működik a dolog Tonsil
Sziasztok.
Fiamnak van egy RCautója,és arra gondolt hogy milyen jó lenne ha átalakítanám rendőr autóvá.Na erre kérnék valakitől valami egyszerű kapcs rajzot.Fényhíd,meg lámpákat kell alkotnom.555 van itthon.6Voltos az autó. Köszi
Na igen!
Aki már látott rebell-t működés közben annak nincs kétsége. Számomra is hihetetlen volt de valóban akkora a fényereje, hogy a fehérből elég 6-8 db és folyamatos üzemben simán bevilágítanak egy szobát úgy, hogy lehet akár olvasni is. Ha megfelelő foncsorba ülteted használhatod tuti lámpának irányított fénnyel és még sorolhatnám. De talán a leg jobb példa: bizonyára lallottad illetve láttad már az AUDI és egyéb ebbe a csoportba tartozó verdákat... Mostanság már nem a xenon a menő, hanem a ledes refi... NA EZEKET IS PONT EBBŐL CSINÁLJÁK!!! Szerintem csak rajtad múlik, hogy mekkora dobozba teszed és megfelelő tükrökkel illetve azok jó szögben való beállításával sok melótól megfoszthatod magad... Szerintem...
ebben a kapcsolási rajzban a ledek ilyen fbi-os efektussal villognak?
Értem. nekem már itt vanank a hagyományos nagy fényerejű ledek,úgyhogy első körben a meglévő anyagból építkezek,de ha nem jön össze akkor megpróbálom a rebel-lel.
Nem tudnál esetleg egy videót csinálni róla?csak ha megoldható köszi
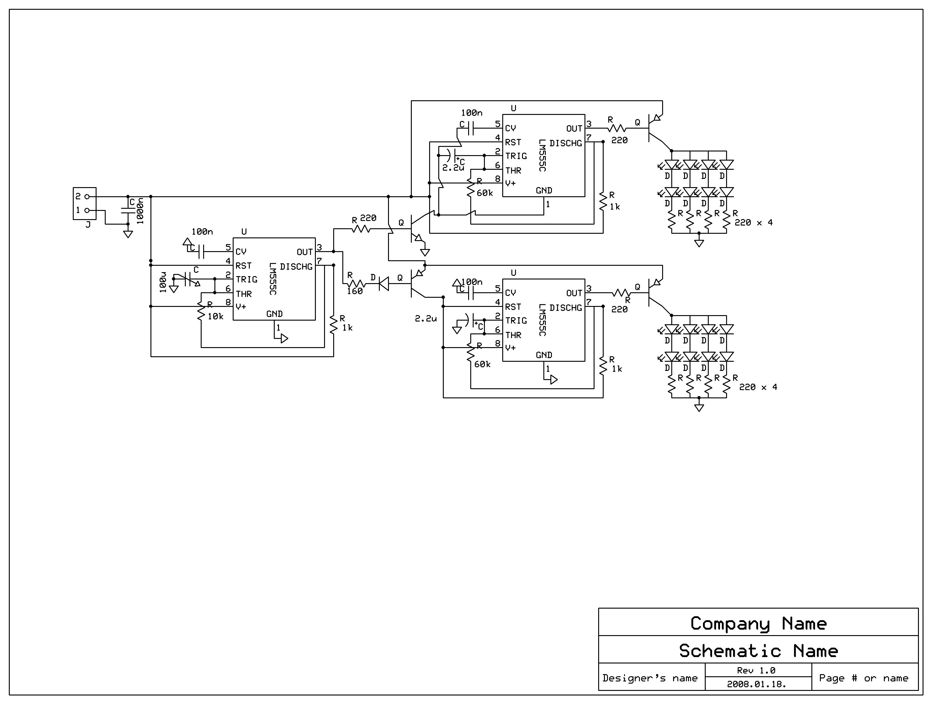
Régebben, itt a topikban vanzerr mester belinkelt egy kapcsolást, én azt építettem meg. Két csoport ledet felváltva villogtat olyan 10Hz-s frekivel, tehát ahogy a kormányőrség autóin elöl a szélvédő mögött lévő egység is.(5 gyors villogás egyik oldalon, 5 gyors villogás másik oldalon)
Két ic kellett a kapcsoláshoz, valamivel egyszerűbbnek tűnt, mit a 3db 555 ic-s kapcsolás. Persze ettől még ez is jó lehet
Sziasztok, nah szóval lenne nekem egy egyszerű ledes Villogóm Bc107-es tranzival, 3 kékleddel, a jackdugasz jobb balancera kötve... azt hog tudnám nagyon egyszerűen megcsinálni, hogy egy izzó villogjon a balon?( adapter: 9V, 2*250.Ohmos Ellenállás,s az a Bc107 tranzisztor). Kérdésem ide rálehetnee valahogy tenni? és ha igen hogy? Előre is kösz a válaszokat...
Akkor Te vagy az én emberem,és nem csak a sziréna topicban
Nekem is az a kapcsolás készült el,csak a ledeknél volt gondom,mégpedig hogy az egyik oldal állandóan fél fénnyel világított. Hogy és hány db ledet kötöttél össze?
Amit te mondtál azt a villogót amit megépítettél annak feltudod rakni a kapcsolási rajzát? Tudod amit vanzerr mester belinkelt.Előre is kösz.
Fent van, picit olvass vissza, 2007 november 7-i hozzászólások.
Hali
![]() Egyenlőre csak 1-1 ledet tettem be a panelbe a kipróbálás miatt. Szépen működik, de nincsen bedobozolva, áll a project ![]() Az R-C értékeken kicsit változtattam: -villogás sebessége: 470k trimm és 2,2µF kondi -váltás sebessége: 470k trimm és 10µF kondi Ha az egyik kimenet áll. fél fénnyel világít, ott valami gond van. Nézz rá a 4011 ic kimenetére egy leddel, tehát a tranzisztor bázisát húzd ki a panelból és a bázisellenálláson keresztül köss oda egy ledet. Ha rendesen villog, a tranyóval van valami. Ha nem, akkor az ic rossz, vagy el van kötve.
Szia
![]() Sajnos áll itt is project egyenlőre. nos amíg 3-3 sárga led volt a panelon addig nem is volt baj,van is fent egy kis videó előrébb valahol. Aztán láttam hogy normál leddel működik,így kipróbáltam 10-10 nagy fényerejű leddel.na itt kezdődött a gond. Most kipróbálok valamit,ha az sem jön be kifejtem bővebben a problémát. ![]()
Nekem most azért áll az építés, mert nincs eldöntve, hogyan is lesz felszerelve a bringára. Ha kitaláltam, ahhoz kell áttervezni a nyáklapot.
(nem szeretem az "összerakom egy nyákra, aztán ahhoz faragok majd valamit köré" dolgot )
Nem kell, a CD4093-as egy 4x2 bemenetű NAND Smitt-trigger.
Magyarul megveszed a boltban,beteszed,és működik. (a 4011-est sem kell programozni )
Nekem is próba panelon van még minden,sőt a ledek csak úgy egymáshoz vannak forrasztva,de úgy néz ki működik.
Jelenleg 8-8 leddel. Akarok elé valami átlátszó búrát tenni, hogy egységesebb legyen a fénye,meg hogy szórja is kicsit a fényt. Úgyhogy az fogja meghatározni a doboz méretét,a doboz pedig majd a panelét.
Nem tudom, milyen felhasználásra lesz... ha esetleg autóba szánod (khmm...) a tranziensvédelemről mindenképpen gondoskodj, tehát az ic-k valami ellenállás-zener pároson át kapják a tápot, másképp hamar felvehetik a "néhai" előnevet!
Tudna valaki segíteni hogy hogy lehetne a távirányitóról felkapcsolni a távirányitós autóba a ledet.
VEZETÉK NÉLKÜL.
Hátööö
Autós használatra lesz tervezve,de beszerelve nem lesz.nálam nem. Már pont a tápfesz köri védelmen gondolkodtam pont,mikor olvastam a hsz.-odat. Én is a zener diódás megoldásra szavazok. Egyébként mostmár működik nagyjából a dolog,amint az videón is látható
Ki csinált már neont rc autó alá???
Én a ráérésemben csináltam és gondoltam megosztom veletek a képeket.
Jó lett! Esetleg tehetnél elé egy prizma-csíkot, akkor még "neonosabb" lenne!
|
Bejelentkezés
Hirdetés |




kössz 









